Laser Dust Sensor
(Model: ZH06-II)
Manual
Version: 1.2
Issue Date: 2019-04-28
Statement
This manual copyright belongs to Zhengzhou Winsen Electronics Technology Co., LTD. Without written permission, any part of this manual shall not be copied, translated, or stored in a database or retrieval system, also can’t be spread through electronic, copying, or record ways. Thanks for purchasing our product. In order to let customers use it better and reduce the faults caused by misuse, please read the manual carefully and operate it correctly in accordance with the instructions. If users disobey the terms or remove, disassemble, or change the components inside of the sensor, we shall not be responsible for the loss. The specifics such as color, appearance, sizes &, etc., please in kind prevail.
We are devoting ourselves to product development and technical innovation, so we reserve the right to improve the products without notice. Please confirm it is the valid version before using this manual. At the same time, users’ comments on the optimized using ways are welcome. Please keep the manual properly, in order to get help if you have questions during the usage in the future.
ZH06-II Laser dust sensor
Description:
Laser Dust sensor module is a common type, small-size sensor, using the laser scattering principle to detect dust particles in the air, with good consistency and stability. It is easy to use, with UART & PWM output; a Small size is suitable for integrating.

Features:
Good consistency Real-time response Accurate data Low power consumption Minus resolution of particle diameter is 0.3 µm
Main Applications:
Air purifiers
Ventilation systems
Portable instrument
Air quality monitoring equipment
Air conditioner
Smart home fields
Stable1.Technical parameters
| Model | ZH06-II |
| Detection Range | 0.3-10μm |
| Effective Range | 0-1000μg/m³ |
| Detection Interval | 1s |
| PM2.5 Detection Accuracy | 0-100 μg/m³:±15μg/m³ 101-1000 μg /m³: ± 15% Reading (Test Condition: 25 ± 2 ℃, 50 ± 10% RH, TSI8530, Cigarette, GBT18801-2015) |
| Preheating Time | 30s |
| Output | UART_TTL Output (3.3V level, default) |
| PWM Output (3.3V level, default) | |
| Working Voltage | 4.9V~5.5V(DC) |
| Working Current | <120mA |
| Dormancy Current | <20mA |
| Response Time | T90<45s |
| Working Humidity | 0~80%RH(No Condensation) |
| Working Tem | -10~60℃ |
| Storage Tem | -30~70℃ |
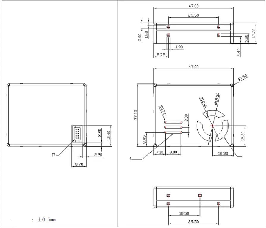
| Dimension | 47×37×12.2mm(L×W×H) |
| Weight | <30g |
| MTTF | Continuous > 10000H |
Pin Definition:

| No | Name | Description |
| PIN1, PIN 2 | VDD | 4.9V~5.5V |
| PIN3, PIN4 | GND | |
| PIN5 | Reserved | NC |
| PIN6 | PWM output | [email protected] |
| PIN7 | RXD Serial receives pin | [email protected] |
| PIN8 | Reserved | NC |
| PIN9 | TXD Serial sends pin | [email protected] |
| PIN10 | Reserved | NC |
Serial Port communication settings
| Baud rate | 9600 |
| Date bits | 8 |
| Stop bits | 1 |
| Parity | none |
Please refer to the document of ZH06 I-IV Series Communication Protocol.
Terminal specification

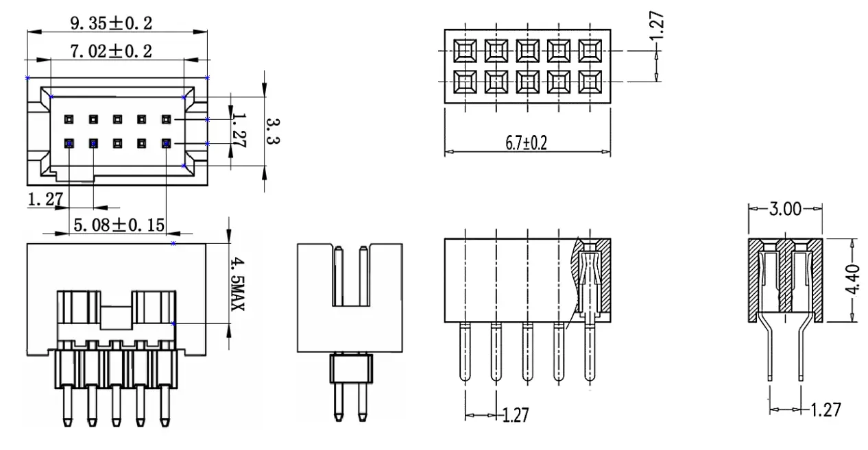
Fig2.Terminal Type(PH=2x5x1.27mm) Fig2-1Matching Terminal Description: for reference only
NOTE. If users choose surfaced mount, please be sure about the safety distance between the sensor’s housing and terminal pins, avoiding short circuits or other malfunctions.
Principle Description:

Sensor Construction:

Installation Method:
The dust collection hole is the air inlet inside the sensor, which needs to keep good contact with the external air; the fan is installed at the air outlet inside the sensor. When the sensor is installed and working, must avoid strong airflow interference around the sensor; if it cannot be avoided, try to keep the external airflow direction perpendicular to the internal airflow direction of the sensor. When designing the detection cavity of the whole machine, the effective area of the sampling port of the sensor should be fully considered to ensure the smoothness of the sampling gas path as much as possible. Small sampling areas and large air resistance will seriously affect the accuracy of sensor data.

Typical Output Characteristics:

Note:
The picture shows the data comparison between the conventional ZH06 laser particle sensor and TSI8530 in the test environment. Abscissa: Testing time-related parameters Ordinate: The concentration of particles in the test environment (with TSI8530 data as reference, unit: μg /m³, environmental resolution: 1μg/m³).
Attentions:
- It is forbidden to remove the shield cover of the sensor and the internal fixing screw of the sensor, because the shield cover of the sensor is connected with the internal power supply of the sensor through the internal spring. If the shield cover of the sensor is removed, the anti-interference ability of the sensor will be poor, the output value of the sensor will change, and the performance of the sensor will be poor. In addition, and please pay attention to the metal shield of the sensor, avoid contact with other external circuits or conductive parts, so as to reduce the impact of external interference on the sensor.
- Excessive impact or vibration will affect the accuracy and life of the sensor detection value, so the sensor should avoid falling or vibration when installed and used.
- This sensor is suitable for the detection of dust particles in ordinary indoor environments. The actual working environment should try to avoid oil&smoke environments, too large dust particles, and high humidity environments, such as the kitchen, bathroom, smoking room, outdoor environment, etc. If it is used in such environments, corresponding protective measures shall be added to the user’s equipment to prevent viscous particles or large particles from entering the interior of the sensor and forming accumulation in the interior of the sensor which will affect the performance of the sensor. (for example, in the working environment with floccules or fibers, the corresponding coarse filter net should be added ahead of the air inlet of the sensor to avoid floccules or large sundries from entering the sensor and blocking the light path of the sensor, thus affecting the detection accuracy of the sensor.)
- The fan is the air outlet, and the dust collection hole is the air inlet. During the use of the sensor, the sensor should not be directly placed inside the air duct of the purifier. If it cannot be avoided, an independent space structure should be set up for the installation position of the sensor. The airflow direction is as shown in ‘Installation Method’. The sensor should not be impacted by the airflow in the direction of the red arrow. There should be no obstructions within 2cm around the outlet of the fan. In this independent space, it should be avoided that the airflow from the outlet directly flows back to the inlet, which will affect the accuracy of detection.
- Under normal working conditions of normal temperature&pressure, the key component of the sensor-laser can work continuously for more than 10000 hours, and the life of the sensor can be greatly prolonged by setting the sensor’s sleep mode and interval working time. The maximum cumulative life of the sensor can be more than 3 years. Please refer to the user interface instructions for detailed operation methods, or you can contact our technical service staff by telephone or email.
- The sensor data mentioned in this manual is about to ensure the consistency of the sensors we produced, the comparison standard will not refer to any third-party testing instruments or data. If the user wants the final detection results to be consistent with the third-party testing instrument, the user can do data fitting correction according to the actual detection results.
Packing:
- Put the sensor into the Pearl Foam Tray as shown in the picture below.
- Put the whole plate of sensors in Small Box one by one, then puts a foam plate at the top. Each Small Box can hold 25 sensors.
- Select the appropriate carton according to the quantity of the order: Carton F: 355 x 310 x 285mm, can hold 200 sensors, total weight around 6.2kg. Carton D: 630 x 280 x 405mm, can hold 600 sensors,total weight around 18.0kg.
Note: Please pay attention to water proof of the carton during transportation

Reliability Testing:
| Testing Item | Testing Condition | Decision Criteria | Number of Tests – n Number of Failures – c | |
| 1 | Zero output range | The test cabin meets the requirements of clean air: the mass concentration of dust is not more than 5.0 μ g / m³, the sensor is powered on, and the output value is recorded six times. | Zero point output range: <15μg/m³ | n=28 c=0 |
| 2 | Uniformity | Record the output value of the sensor 6 times at each concentration of 50, 130, and 260μg/m³, a totally 18 times, and take the maximum value respectively | Meet the description of “PM2.5 detection accuracy” | n=28 c=0 |
| 3 | stability | The sensor is continuously powered on for 15d, Measure the output range and relative error of zero point. | Zero point output range: <15μg/m³ Relative error ± 15% | n=2 c=0 |
| 4 | response time | When the output value of the sensor reaches 450 μ g / m³ for the first time, record the time T1 at this time. Calculate the response time T90 = t1-t0, repeat the measurement 3 times and take the average value | response time: T90<45s | n=2 c=0 |
| 5 | High Concentration Inundation | The sensor is powered on for 10min under the environment of 2000 μg/m³. Measure the output range of zero point and relative error after completion. | Zero point output range: <15μg/m³ Relative error ± 15% | n=2 c=0 |
| 6 | Power on/off | Keep the voltage dc5 ± 0.1V for 5min; keep the power off for 5min and circulate for 24h. Measure the output range of zero point and relative error after completion. | Zero point output range: <15μg/m³ Relative error ± 15% | n=2 c=0 |
| 7 | Noise | The background noise is less than 30dB (a), the sensor works stably for 20min, and the sound level meter is placed on the same horizontal plane 0.8m high from the ground. The distance between the two is 1m. Each measurement is conducted three times, and the maximum value is taken | Working noise: ≤ 40dB (a) | n=2 c=0 |
| 8 | Low-Temperature Storage | The sensor is not powered on, under the environmental condition of – 30 ± 2 ℃, the duration is 16h, and stable at room temperature for 2h Measure the output | There shall be no obvious dents, scratches, cracks, deformation, or other defects on the sensor surface, no bubbles, | n=2 c=0 |
| range of zero points and relative error after completion. | crazing and falling off on the coating and coating, no loosening and falling off on the connectors and parts, and no rust and mechanical damage on the metal components. Zero point output range: < 15μg/m³ Relative error: ± 15% | |||
| 9 | High-Temperature Storage | The sensor is not powered on, under the environment of 70 ± 2 ℃, the duration is 16h, and stable at room temperature for 2h. Measure the zero point output range and relative error after completion | n=2 c=0 | |
| 10 | High-Temperature Work | The sensor is powered on and operated under 50 ± 2 ℃ environmental conditions for 2h, Measure the zero output range after completion. | There shall be no obvious dents, scratches, cracks, deformation and other defects on the sensor surface, no bubbles, crazing and falling off on the coating and coating, no loosening and falling off on the connectors and parts, no rust and mechanical damage on the metal components. Zero point output range: <15μg/m³ | n=2 c=0 |
| 11 | Low-Temperature Work | The sensor is powered on and operated under the ambient condition of – 10 ± 2 ℃, lasting for 2h,Measure zero point output range after completion | n=2 c=0 | |
| 12 | Vibration Test | The sensor is not packed and powered off. Frequency range: (10-150) Hz; Sine amplitude: 1.5mm; Frequency range: 1oct; X, y, Z three axes, each sweeping 15 times. Measure the output range of zero point and relative error after completion. | There shall be no obvious dents, scratches, cracks, deformation and other defects on the sensor surface, no bubbles, crazing and falling off on the coating and coating, no loosening and falling off on the connectors and parts, no rust and mechanical damage on the metal components. Zero point output range: <15μg/m³ | n=2 c=0 |
| 13 | Drop Test | The packaged sensor, with a height of 1m, falls on a surface of concrete or a smooth and hard rigid surface. Each of the six different faces falls freely once. Measure the output range of zero point and relative error after completion. | n=2 c=0 | |
| 14 | Electrostatic Interference | When the sensor is electrified, the surface of the 2000V metal shell is discharged 8 times, and the ground plate is discharged 2 times at 10cm around the sample. The time interval of each discharge is at least 1s. Measure the output range of zero point and relative error after completion. | Zero point output range: <15μg/m³ Relative error: ± 15% | n=2 c=0 |
Tel: 86-371-67169097/67169670 Fax: 86-371-60932988 Email: [email protected]
Leading gas sensing solutions supplier in China!
Zhengzhou Winsen Electronics Technology Co., Ltd
www.winsen-sensor.com



















