BAUER 1918E-B 20mm Long-Throw Random Orbit 6 Inch DA Polisher Owner’s Manual
Save This Manual Keep this manual for the safety warnings and precautions, assembly, operating, inspection, maintenance and cleaning procedures. Write the product’s serial number in the back of the manual near the assembly diagram (or month and year of purchase if product has no number). Keep this manual and the receipt in a safe and dry place for future reference.
WARNING
Read this material before using this product. Failure to do so can result in serious injury. SAVE THIS MANUAL.
WARNING SYMBOLS AND DEFINITIONS
This is the safety alert symbol. It is used to alert you to potential personal injury hazards. Obey all safety messages that follow this symbol to avoid possible injury or death.
Indicates a hazardous situation which, if not avoided, will result in death or serious injury.
Indicates a hazardous situation which, if not avoided, could result in death or serious injury.
Indicates a hazardous situation which, if not avoided, could result in minor or moderate injury.
Addresses practices not related to personal injury.
IMPORTANT SAFETY INFORMATION
General power tool Safety Warnings
![]()
read all safety warnings, instructions, illustrations and specifications provided with this power tool. Failure to follow all instructions listed below may result in electric shock, fire and/or serious injury.
Save all warnings and instructions for future reference.
The term “power tool” in the warnings refers to your mains-operated (corded) power tool or battery-operated (cordless) power tool.
- Work area safety
- Keep work area clean and well lit. Cluttered or dark areas invite accidents.
- Do not operate power tools in explosive atmospheres, such as in the presence of flammable liquids, gases or dust. Power tools create sparks which may ignite the dust or fumes.
- Keep children and bystanders away while operating a power tool. Distractions can cause you to lose control.
- Electrical safety
- power tool plugs must match the outlet. never modify the plug in any way. Do not use any adapter plugs with earthed (grounded) power tools. Unmodified plugs and matching outlets will reduce risk of electric shock.
- avoid body contact with earthed or grounded surfaces, such as pipes, radiators, ranges and refrigerators. There is an increased risk of electric shock if your body is earthed or grounded.
- Do not expose power tools to rain or wet conditions. Water entering a power tool will increase the risk of electric shock.
- Do not abuse the cord. never use the cord for carrying, pulling or unplugging the power tool. Keep cord away from heat, oil, sharp edges or moving parts. Damaged or entangled cords increase the risk of electric shock.
- When operating a power tool outdoors, use an extension cord suitable for outdoor use. Use of a cord suitable for outdoor use reduces the risk of electric shock.
- if operating a power tool in a damp location is unavoidable, use a ground fault circuit interrupter (GFci) protected supply. Use of a GFCI reduces the risk of electric shock.
- personal safety
- Stay alert, watch what you are doing and use common sense when operating a power tool. Do not use a power tool while you are tired or under the influence of drugs, alcohol or medication. A moment of inattention while operating power tools may result in serious personal injury.
- use personal protective equipment. always wear eye protection. Protective equipment such as dust mask, non-skid safety shoes, hard hat, or hearing protection used for appropriate conditions will reduce personal injuries.
- prevent unintentional starting. Ensure the switch is in the off-position before connecting to power source and/or battery pack, picking up or carrying the tool. Carrying power tools with your finger on the switch or energizing power tools that have the switch on invites accidents.
- remove any adjusting key or wrench before turning the power tool on. A wrench or a key left attached to a rotating part of the power tool may result in personal injury.
- Do not overreach. Keep proper footing and balance at all times. This enables better control of the power tool in unexpected situations.
- Dress properly. Do not wear loose clothing or jewelry. Keep your hair, clothing and gloves away from moving parts. Loose clothes, jewelry or long hair can be caught in moving parts.
- if devices are provided for the connection of dust extraction and collection facilities, ensure these are connected and properly used. Use of dust collection can reduce dust-related hazards.
- Do not let familiarity gained from frequent use of tools allow you to become complacent and ignore tool safety principles. A careless action can cause severe injury within a fraction of a second.
- Only use safety equipment that has been approved by an appropriate standards agency. Unapproved safety equipment may not provide adequate protection. Eye protection must be ANSI-approved and breathing protection must be NIOSH-approved for the specific hazards in the work area.
- Avoid unintentional starting. Prepare to begin work before turning on the tool.
- Do not lay the tool down until it has come to a complete stop. Moving parts can grab the surface and pull the tool out of your control.
- When using a handheld power tool, maintain a firm grip on the tool with both hands to resist starting torque.
- Do not leave the tool unattended when it is plugged into an electrical outlet. Turn off the tool, and unplug it from its electrical outlet before leaving.
- This product is not a toy. Keep it out of reach of children.
- People with pacemakers should consult their physician(s) before use. Electromagnetic fields in close proximity to heart pacemaker could cause pacemaker interference or pacemaker failure. In addition, people with pacemakers should:
- Avoid operating alone.
- Do not use with Trigger locked on.
- Properly maintain and inspect to avoid electrical shock.
- Properly ground power cord. Ground Fault Circuit Interrupter (GFCI) should also be implemented – it prevents sustained electrical shock.
- The warnings, precautions, and instructions discussed in this instruction manual cannot cover all possible conditions and situations that may occur. It must be understood by the operator that common sense and caution are factors which cannot be built into this product, but must be supplied by the operator.
- power tool use and care
- Do not force the power tool. use the correct power tool for your application. The correct power tool will do the job better and safer at the rate for which it was designed.
- Do not use the power tool if the switch does not turn it on and off. Any power tool that cannot be controlled with the switch is dangerous and must be repaired.
- Disconnect the plug from the power source and/or remove the battery pack, if detachable, from the power tool before making any adjustments, changing accessories, or storing power tools. Such preventive safety measures reduce the risk of starting the power tool accidentally.
- Store idle power tools out of the reach of children and do not allow persons unfamiliar with the power tool or these instructions to operate the power tool. Power tools are dangerous in the hands of untrained users.
- Maintain power tools and accessories. check for misalignment or binding of moving parts, breakage of parts and any other condition that may affect the power tool’s operation. if damaged, have the power tool repaired before use. Many accidents are caused by poorly maintained power tools.
- Keep cutting tools sharp and clean. Properly maintained cutting tools with sharp cutting edges are less likely to bind and are easier to control.
- use the power tool, accessories and tool bits etc. in accordance with these instructions, taking into account the working conditions and the work to be performed. Use of the power tool for operations different from those intended could result in a hazardous situation.
- Keep handles and grasping surfaces dry, clean and free from oil and grease. Slippery handles and grasping surfaces do not allow for safe handling and control of the tool in unexpected situations.
- Service
- Have your power tool serviced by a qualified repair person using only identical replacement parts. This will ensure that the safety of the power tool is maintained.
- Maintain labels and nameplates on the tool. These carry important safety information. If unreadable or missing, contact Harbor Freight Tools for a replacement.
- Vibration Safety
This tool vibrates during use. Repeated or long-term exposure to vibration may cause temporary or permanent physical injury, particularly to the hands, arms and shoulders. To reduce the risk of vibration-related injury:- Anyone using vibrating tools regularly or for an extended period should first be examined by a doctor and then have regular medical check-ups to ensure medical problems are not being caused or worsened from use. Pregnant women or people who have impaired blood circulation to the hand, past hand injuries, nervous system disorders, diabetes, or Raynaud’s Disease should not use this tool. If you feel any symptoms related to vibration (such as tingling, numbness, and white or blue fingers), seek medical advice as soon as possible.
- Do not smoke during use. Nicotine reduces the blood supply to the hands and fingers, increasing the risk of vibration-related injury.
- Wear suitable gloves to reduce the vibration effects on the user.
- Use tools with the lowest vibration when there is a choice.
- Include vibration-free periods each day of work.
- Grip tool as lightly as possible (while still keeping safe control of it). Let the tool do the work.
- To reduce vibration, maintain the tool as explained in this manual. If any abnormal vibration occurs, stop use immediately.
Grounding
![]()
TO PREVENT ELECTRIC SHOCK AND DEATH FROM INCORRECT GROUNDING WIRE CONNECTION:
check with a qualified electrician if you are in doubt as to whether the outlet is properly grounded. Do not modify the power cord plug provided with the tool. never remove the grounding prong from the plug. Do not use the tool if the power cord or plug is damaged. if damaged, have it repaired by a service facility before use. if the plug will not fit the outlet, have a proper outlet installed by a qualified electrician.
Grounded tools: tools with three prong plugs

3-prong plug and Outlet
- Tools marked with “Grounding Required” have a three wire cord and three prong grounding plug. The plug must be connected to a properly grounded outlet. If the tool should electrically malfunction or break down, grounding provides a low resistance path to carry electricity away from the user, reducing the risk of electric shock. (See 3-prong plug and Outlet.)
- The grounding prong in the plug is connected through the green wire inside the cord to the grounding system in the tool. The green wire in the cord must be the only wire connected to the tool’s grounding system and must never be attached to an electrically “live” terminal. (See 3-prong plug and Outlet.)
- The tool must be plugged into an appropriate outlet, properly installed and grounded in accordance with all codes and ordinances. The plug and outlet should look like those in the preceding illustration. (See 3-prong plug and Outlet.)
Double insulated tools: tools with two prong plugs

Outlets for 2-prong plug
- Tools marked “Double Insulated” do not require grounding. They have a special double insulation system which satisfies OSHA requirements and complies with the applicable standards of Underwriters Laboratories, Inc., the Canadian Standard Association, and the National Electrical Code.
- Double insulated tools may be used in either of the 120 volt outlets shown in the preceding illustration. (See Outlets for 2-prong plug.)
Extension cords
- Grounded tools require a three wire extension cord. Double Insulated tools can use either a two or three wire extension cord.
- As the distance from the supply outlet increases, you must use a heavier gauge extension cord. Using extension cords with inadequately sized wire causes a serious drop in voltage, resulting in loss of power and possible tool damage. (See table a.)
- The smaller the gauge number of the wire, the greater the capacity of the cord. For example, a 14 gauge cord can carry a higher current than a 16 gauge cord. (See table a.)
- When using more than one extension cord to make up the total length, make sure each cord contains at least the minimum wire size required. (See table a.)
- If you are using one extension cord for more than one tool, add the nameplate amperes and use the sum to determine the required minimum cord size. (See table a.)
- If you are using an extension cord outdoors, make sure it is marked with the suffix “W-A” (“W” in Canada) to indicate it is acceptable for outdoor use.
- Make sure the extension cord is properly wired and in good electrical condition. Always replace a damaged extension cord or have it repaired by a qualified electrician before using it.
- Protect the extension cords from sharp objects, excessive heat, and damp or wet areas.
| TABLE A: RECOMMENDED MINIMUM WIRE GAUGE FOR EXTENSION CORDS* (120/240 VOLT) | |||||
| NAMEPLATE AMPERES (at full load) | EXTENSION CORD LENGTH | ||||
| 25´ | 50´ | 75´ | 100´ | 150´ | |
| 0 – 2.0 | 18 | 18 | 18 | 18 | 16 |
| 2.1 – 3.4 | 18 | 18 | 18 | 16 | 14 |
| 3.5 – 5.0 | 18 | 18 | 16 | 14 | 12 |
| 5.1 – 7.0 | 18 | 16 | 14 | 12 | 12 |
| 7.1 – 12.0 | 18 | 14 | 12 | 10 | – |
| 12.1 – 16.0 | 14 | 12 | 10 | – | – |
| 16.1 – 20.0 | 12 | 10 | – | – | – |
| Based on limiting the line voltage drop to five volts at 150% of the rated amperes. | |||||
Symbology
| Double Insulated |
| Volts |
| Alternating Current |
| Amperes |
n0 xxxx/min. | No Load Revolutions per Minute (RPM) |
| WARNING marking concerning Risk of Eye Injury. Wear ANSI-approved safety goggles with side shields. |
| Read the manual before set-up and/or use. |
| WARNING marking concerning Risk of Fire. Do not cover ventilation ducts. Keep flammable objects away. |
| WARNING marking concerning Risk of Electric Shock. Properly connect power cord to appropriate outlet. |
Specifications
| Electrical Rating | 120VAC / 60Hz / 7.5A |
| No Load Speed | 2000-4600 OPM |
| Max Accessory Diameter | 6″ (150mm) |
Setup – Before Use
Read the ENTIRE IMPORTANT SAFETY INFORMATION section at the beginning of this manual including all text under subheadings therein before set up or use of this product.
Note: For additional information regarding the parts listed in the following pages, refer to Parts List and Diagram.
power Supply requirements
120VAC, 60Hz, 15A Circuit.
Functions

Operating instructions
Read the ENTIRE IMPORTANT SAFETY INFORMATION section at the beginning of this manual including all text under subheadings therein before set up or use of this product.
Workpiece and Work area Set up
![]()
TO PREVENT SERIOUS INJURY FROM ACCIDENTAL OPERATION:
Make sure that the trigger is in the off-position and unplug the tool from its
electrical outlet before performing any procedure in this section.
- Workpiece must be free of foreign objects.
- Designate a work area that is clean and well lit. The work area must not allow access by children or pets to prevent distraction and injury.
- Route the power cord along a safe route to reach the work area without creating a tripping hazard or exposing the power cord to possible damage. The power cord must reach the work area with enough extra length to allow free movement while working.
- Secure loose workpieces using a vise or clamps (not included) to prevent movement while working.
- There must not be objects, such as utility lines, nearby that will present a hazard while working.
Tool Changing
![]()
TO PREVENT SERIOUS INJURY FROM ACCIDENTAL OPERATION:
Make sure that the trigger is in the off-position and unplug the tool from its electrical outlet before performing any procedure in this section.
- Press Polishing Pad (sold separately) onto hook and loop on Backing Pad.
- To remove, pull Polishing Pad off hook and loop on Backing Pad.
Setting and testing
- Ensure Polishing Pad is correctly mounted on Backing Pad.
- Plug in tool.
- Set Speed Switch to highest speed.
- Press the Trigger and test run tool for at least 30 seconds.
- If abnormal noise or vibration occurs, have the problem corrected before further use.
General instructions for use
- Wash the work surface thoroughly, and make sure it is free of dust, dirt, oil, grease, etc.
- Place a clean Polishing Pad (sold separately) securely onto the Backing Pad.
- Apply about two tablespoons of wax (not included) evenly on the clean Foam Pad.
NOTICE: Do not apply the wax directly to the surface of the vehicle. The amount of wax needed will vary according to the size of the vehicle being waxed. - Set Speed Switch.
NOTICE: Only use slower speeds for polishing. Otherwise, damage may occur to the paint being polished. Harbor Freight Tools is not responsible for damage to the vehicle’s finish due to improper use of this tool. - Make sure that the Trigger is in the off-position, then plug in the tool.
WARNING! to prevent electric shock, keep electrical connections off ground.
CAUTION! Start and stop the tool only while it is held firmly against the surface of the vehicle. Failure to do so may result in the Foam Pad or Polishing Pad being thrown from the Polishing Pad. - To start, position the unit on the area to be polished. Place one hand on the Handle and the other hand on the Auxiliary Handle.
- Press Trigger
NOTE: When first applying wax to the object, start the tool at its lowest speed to avoid throwing wax off the Foam Pad. Then increase the speed as needed. - Keep pressure off of the tool when operating. The Foam Pad should LIGHTLY contact the polishing surface.
NOTICE: To prevent damage to the Foam Pad, Polishing Pad, and vehicle finish: Only apply the pad/bonnet flat against the surface, see below.
- Begin using the tool to apply wax to the vehicle. Apply the wax to all flat surfaces with broad, sweeping strokes in a crisscross pattern. Apply the wax evenly over the surface of the vehicle.
- Add additional wax to the Polishing Pad as needed. To add additional wax:
- Stop the tool and allow the tool to come to a complete stop.
- Add a small amount of wax evenly over the pad surface.
- Avoid using too much wax. For additional applications of wax to Foam Pad, reduce the amount of wax. The Foam Pad will not absorb as much wax in subsequent applications.
- Resume operation.
Note: The most common error when waxing/polishing a vehicle is applying too much wax. If the Foam Pad becomes saturated with wax, applying wax will be more difficult and will take longer. Applying too much wax may also reduce the life of the Foam Pad. If the Foam Pad continually comes off the Backing Pad during use, too much wax may have been applied.
- After the wax has been applied to the vehicle’s surface, turn off the tool. Unplug the Power Cord from the extension cord.
- Remove the Foam Pad from the Backing Pad and with your hand and the Foam Pad, apply wax to any hard-to-reach areas of the vehicle such as around lights, door handles, under bumpers, etc.
- Allow sufficient time for the wax to dry.
- Replace the Foam Pad and place a clean Polishing Bonnet (sold separately) securely onto the Foam Pad.
CAUTION! Tightly pull the string to secure the Polishing Bonnet. Secure the string and keep it out of the way by tying several knots.
CAUTION! Start and stop the tool only while it is held firmly against the surface of the vehicle. Failure to do so may result in the Bonnet being thrown from the Backing Pad. - Start the tool and begin buffing off the dried wax.
- When as much wax as possible has been removed with the tool, turn off the tool. Unplug the tool.
- WARNING! TO PREVENT SERIOUS INJURY: allow the tool to come to a complete stop before setting it down.
- Remove the Polishing Bonnet from Foam Pad. Using the Polishing Bonnet, remove the wax from all hard-to-reach areas of the vehicle.
- Clean, then store the tool indoors out of children’s reach.
- To prevent accidents, turn off the tool and unplug it after use. Clean, then store the tool indoors out of children’s reach.
Maintenance and Servicing instructions
procedures not specifically explained in this manual must be performed only by a qualified technician.
![]()
TO PREVENT SERIOUS INJURY FROM ACCIDENTAL OPERATION:
Make sure that the trigger is in the off-position and unplug the tool from its electrical outlet before performing any procedure in this section.
TO PREVENT SERIOUS INJURY FROM TOOL FAILURE:
Do not use damaged equipment. if abnormal noise or vibration occurs, have the problem corrected before further use.
cleaning, Maintenance, and Lubrication
- BEFORE EACH USE, inspect the general condition of the tool. Check for:
- loose hardware,
- misalignment or binding of moving parts,
- damaged cord/electrical wiring,
- cracked or broken parts, and
- any other condition that may affect its safe operation.
- AFTER USE, wipe external surfaces of the tool with clean cloth.
- Remove the Pad from the tool when not in use. This will allow the Pad to dry and retain its original shape. The Pads may be machine-washed in cold water with detergent. Then machine-dry the Pads at medium heat.
- Periodically, wear ANSI-approved safety goggles and NIOSH-approved breathing protection and blow dust and grit out of the motor vents using dry compressed air.
WARNING! if the plug or the supply cord of this power tool is damaged, it must be replaced only by a qualified service technician.
Replacing Backing Pad
- Using hex wrench, turn Spindle Bolt
counterclockwise to remove Backing Pad. - Replace Backing Pad and Spindle Bolt. Do not overtighten bolt.

Note: If necessary, Spindle Lock is located under Auxiliary Handle. - To access Spindle Lock, remove two screws and slide Auxiliary Handle off.

Troubleshooting
| Problem | Possible Causes | Likely Solutions |
| Tool will not start. |
|
|
| Tool operates slowly. |
|
|
| Performance decreases over time. | Carbon brushes worn or damaged. | Have qualified technician replace brushes. |
| Excessive noise or rattling. | Internal damage or wear. (Carbon brushes or bearings, for example.) | Have technician service tool. |
| Overheating. |
|
|
Follow all safety precautions whenever diagnosing or servicing the tool. Disconnect power supply before service. | ||
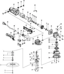
Parts List and Diagram
PLEASE READ THE FOLLOWING CAREFULLY
THE MANUFACTURER AND/OR DISTRIBUTOR HAS PROVIDED THE PARTS LIST AND ASSEMBLY DIAGRAM IN THIS MANUAL AS A REFERENCE TOOL ONLY. NEITHER THE MANUFACTURER OR DISTRIBUTOR MAKES ANY REPRESENTATION OR WARRANTY OF ANY KIND TO THE BUYER THAT HE OR SHE IS QUALIFIED TO MAKE ANY REPAIRS TO THE PRODUCT, OR THAT HE OR SHE IS QUALIFIED TO REPLACE ANY PARTS OF THE PRODUCT. IN FACT, THE MANUFACTURER AND/OR DISTRIBUTOR EXPRESSLY STATES THAT ALL REPAIRS AND PARTS REPLACEMENTS SHOULD BE UNDERTAKEN BY CERTIFIED AND LICENSED TECHNICIANS, AND NOT BY THE BUYER. THE BUYER ASSUMES ALL RISK AND LIABILITY ARISING OUT OF HIS OR HER REPAIRS TO THE ORIGINAL PRODUCT OR REPLACEMENT PARTS THERETO, OR ARISING OUT OF HIS OR HER INSTALLATION OF REPLACEMENT PARTS THERETO.
Parts List
| Part | Description | Qty |
| 1 | Spindle Bolt M8x16x1.25 TPI | 1 |
| 2 | Star Washer Ø8 | 1 |
| 3 | Backing Pad | 1 |
| 4 | Connector | 1 |
| 5 | Output Shaft 2 | 1 |
| 6 | Bearing | 3 |
| 7 | Steel Wire Ring | 1 |
| 8 | Screw, Spring Washer, and Washer Set | 8 |
| 9 | Leaf Spring | 1 |
| 10 | Steel Ball | 1 |
| 11 | Column | 2 |
| 12 | Counter | 1 |
| 13 | Adjusting Screw | 1 |
| 14 | Adjusting Block | 1 |
| 15 | Adjusting Press Plate | 1 |
| 16 | Washer Ø10 | 1 |
| 17 | Output Shaft 1 | 1 |
| 18 | Flat Key | 1 |
| 19 | Nail M4X20 | 4 |
| 20 | Cover 2 | 1 |
| 21 | Cover 1 | 1 |
| 22 | Front Cover | 1 |
| 23 | Bearing | 1 |
| 24 | Bevel Gear | 1 |
| 25 | Shaft Circlip | 2 |
| 26 | Bearing | 1 |
| 27 | Screw ST4x25 | 4 |
| 28 | Washer | 1 |
| 29 | Spring | 1 |
| 30 | Spindle Lock Button | 1 |
| 31 | Gear Box | 1 |
| 32 | Middle Cover | 1 |
| 33 | Rotor | 1 |
| 34 | Magnetic Ring | 1 |
| 35 | Washer | 1 |
| 36 | Bearing | 1 |
| 37 | Bearing Sleeve | 1 |
| 38 | Anti-Wind Ring | 1 |
| 39 | Screw ST4.2×65 | 2 |
| 40 | Stator | 1 |
| 41 | Housing | 1 |
| 42 | Brush Holder | 2 |
| 43 | Carbon Brush | 2 |
| 44 | Brush Cap | 2 |
| 45 | Screw | 2 |
| 46 | Head Cover | 1 |
| 47 | Trigger Self-Lock Button | 1 |
| 48 | Trigger Self-Lock Pin | 1 |
| 49 | Button Spring | 1 |
| 50 | Trigger | 1 |
| 51 | Switch | 1 |
| 52 | Constant Speed Controller | 1 |
| 53 | Speed Knob | 1 |
| 54 | O-Ring | 1 |
| 55 | Left Handle | 1 |
| 56 | Screw | 4 |
| 57 | Screw | 2 |
| 58 | Power Cord Plate | 1 |
| 59 | Right Handle | 1 |
| 60 | Power Cord Sleeve | 1 |
| 61 | Power Cord | 1 |
| 62 | Screw | 2 |
| 64 | S6 Wrench | 1 |
record product’s Serial number Here:________________________________________________
Note: if product has no serial number, record month and year of purchase instead.
Note: Some parts are listed and shown for illustration purposes only, and are not available individually as replacement parts. Specify UPC 792363563673 when ordering parts.
Assembly Diagram

Limited 90 Day Warranty
Harbor Freight Tools Co. makes every effort to assure that its products meet high quality and durability standards, and warrants to the original purchaser that this product is free from defects in materials and workmanship for the period of 90 days from the date of purchase. This warranty does not apply to damage due directly or indirectly, to misuse, abuse, negligence or accidents, repairs or alterations outside our facilities, criminal activity, improper installation, normal wear and tear, or to lack of maintenance. We shall in no event be liable for death, injuries to persons or property, or for incidental, contingent, special or consequential damages arising from the use of our product. Some states do not allow the exclusion or limitation of incidental or consequential damages, so the above limitation of exclusion may not apply to you. THIS WARRANTY IS EXPRESSLY IN LIEU OF ALL OTHER WARRANTIES, EXPRESS OR IMPLIED, INCLUDING THE WARRANTIES OF MERCHANTABILITY AND FITNESS.
To take advantage of this warranty, the product or part must be returned to us with transportation charges prepaid. Proof of purchase date and an explanation of the complaint must accompany the merchandise. If our inspection verifies the defect, we will either repair or replace the product at our election or we may elect to refund the purchase price if we cannot readily and quickly provide you with a replacement. We will return repaired products at our expense, but if we determine there is no defect, or that the defect resulted from causes not within the scope of our warranty, then you must bear the cost of returning the product.
This warranty gives you specific legal rights and you may also have other rights which vary from state to state.




























