Audio/Visual Devices
Wheelock RSS & RSSP Series
Single- and Multi-Candela Strobes and Strobe Plates 
General
Wheelock’s patented Series RSS Strobe Appliances and Series RSSP Strobe Plates have lower current draw while maintaining outstanding performance, reliability and cost effectiveness. These versatile appliances will satisfy virtually all requirements for indoor, wall or ceiling mount appliances.
Strobe options for wall mount models include 15/75cd or Wheelock’s patented MCW multi-candela strobe with field selectable candela settings of 15/30/75/110cd. Ceiling mount models include the patented MCC multi-candela ceiling strobe with field selectable intensities of 15/30/75/95cd or the high intensity MCCH strobe with field selectable 115/177cd.
All models may be synchronized when used in conjunction with the Wheelock SM or DSM Sync Modules or a power supply with Wheelock’s patented Sync Protocol. Synchronized strobes can eliminate possible restrictions on the number of strobes in the field of view. Wheelock’s synchronized strobes offer an easy way to comply with ADA recommendations concerning photosensitive epilepsy as well as meetings the requirements of NFPA 72.
Wheelock’s Series RSS Strobes employ a Patented Integral Strobe Mounting Plate that can be mounted to a single-gang, double gang, 4″ square, 100mm European backboxes or the SHBB surface backbox. If the flush backbox has side or top space between it and the finished wall, the NATP (Notification Appliance Trimplate) may be used. It provides an additional .65″ of trim for the appliance. An attractive cover plate is provided for a clean, finished appearance on all models.
The Series RSSP Multi-Candela Strobe Plates are a cost effective way to retrofit required wall strobe appliances to bells, horns, chimes, multitones, or speakers and easily mounts to standard 4″ backboxes or, for surface mount, use with Wheelock’s SBL2 surface backbox.
Features
- Wall mount multi-candela models are available with field selectable candela settings of 15/30/75/110cd or 135/ 185cd. Single candela models are available in 15/75cd.
- Ceiling mount multi-candela models are available with field selectable candela settings of 15/30/75/95cd or 115/177cd.
- Strobes produce 1 flash per second over the regulated voltage range.
- 12 and 24 VDC models with wide UL “Regulated Voltage” using filtered (DC) or unfiltered VRMS input voltage.
- Synchronize with Wheelock SM or DSM Sync Modules or power supplies with built-in Sync Protocol.
- ADA/NFPA/UFC/ANSI compliant. Meets OSHA 29 Part 1910.165.
General Notes
- RSS/RSSP Series strobe products are listed under UL 1971 for indoor use with a temperature range of 32°F to 120°F (0°C to 49°C) and maximum humidity of 93% (± 2%).
- “Regulated Voltage Range” is the newest terminology used by UL to identify the voltage range. Prior to this change, UL used the terminology “Listed Voltage Range.”
WARNING: PLEASE READ THESE SPECIFICATIONS AND ASSOCIATED INSTALLATION INSTRUCTIONS CAREFULLY BEFORE USING, SPECIFYING OR APPLYING THIS PRODUCT. FAILURE TO COMPLY WITH ANY OF THE FOLLOWING INSTRUCTIONS, CAUTIONS AND WARNINGS COULD RESULT IN IMPROPER APPLICATION, INSTALLATION AND/OR OPERATION OF THESE PRODUCTS IN AN EMERGENCY SITUATION, WHICH COULD RESULT IN PROPERTY DAMAGE AND SERIOUS INJURY OR DEATH TO YOU AND/OR OTHERS.
NOTE: Due to continuous development of our products, specifications and offering are subject to change without notice in accordance with Wheelock, Inc. standard terms and conditions.
Table 1: Audibles/Speakers for RSSP Strobe Plate
| Product | Series |
| Multitone Appliances | AMT, MT |
| Horns | AH, NH, HS |
| Motor Bells | MB-G6/G10 |
| Speakers | ET-1010/1080, E70, ET70 |
| Chimes | CH70 |
Table 2: Average RMS Current*
| RSS/RSSP 24 VDC Models | RSS/RSSP – Wall Mount | Ceiling Mount | |||||||||||
| 241575W | 24MCW | 24MCWH | 24MCC | 24MCCH | |||||||||
| 1575cd | 15cd | 30cd | 75cd | 110cd | 135cd | 185cd | 15cd | 30cd | 75cd | 95cd | 115cd | 177cd | |
| UL max* | .090 | .060 | 0. | 0. | .220 | .300 | .420 | 0. | 0. | 0. | 0. | .300 | .420 |
| RSS/RSSP 24 VDC Models | RSS/RSSP Wall Mount | * RMS current ratings are per UL average RMS method. UL max current rating is the maximum RMS current within the listed voltage range (16-33V for 24V units). For strobes, the UL max current is usually at the minimum listed voltage (16V for 24V units). For audibles, the max current is usually at the listed voltage (33V for 24V units). For unfiltered FWR ratings, see installation instructions. | |||||||||||
| 121575W | |||||||||||||
| 12VDC | 0. | ||||||||||||
| UL max* | 0. | ||||||||||||
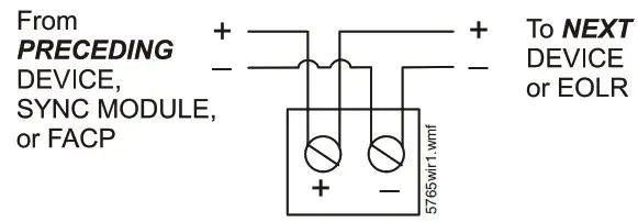
Wiring Diagrams
RSS/RSSP Device
Strobe/Plate Assembly
(with Audible and Visible operating in unison)
Strobe/Plate Assembly
(with Audible and Visible operating independently)
RSS/RSSP Devices
(synchronized with DSM module; single Class “A” NAC circuit)
RSS/RSSP Devices
(synchronized with SM module; single Class “B” NAC circuit)
RSS/RSSP Devices
(synchronized with multiple DSM modules)
(NOTE: INTERCONNECTING WIRING SHOWN. MAXIMUM OF 20 DSM MODULES)
For details on using the SM or DSM Sync Modules see installation instructions #P83123 (for SM) or #P83177 (for DSM).
WARNING: CONTACT WHEELOCK FOR THE CURRENT INSTALLATION INSTRUCTIONS AND GENERAL INFORMATION SHEET (P82380) ON THESE PRODUCTS. THESE DOCUMENTS UNDERGO PERIODIC CHANGES. IT IS IMPORTANT THAT YOU HAVE CURRENT INFORMATION ON THE PRODUCTS. THESE MATERIALS CONTAIN IMPORTANT INFORMATION THAT SHOULD BE READ PRIOR TO SPECIFYING OR INSTALLING THESE PRODUCTS, INCLUDING:
- TOTAL CURRENT REQUIRED BY ALL APPLIANCES CONNECTED TO SYSTEM SECONDARY POWER SOURCES.
- FUSE RATINGS ON NOTIFICATION APPLIANCE CIRCUITS TO HANDLE PEAK CURRENTS FROM ALL APPLIANCES ON THOSE CIRCUITS.
- COMPOSITE FLASH RATE FROM MULTIPLE STROBES WITHIN A PERSON’S FIELD OF VIEW.
- ADDING, REPLACING OR CHANGING APPLIANCES OR CHANGING CANDELLA SETTINGS WILL AFFECT CURRENT DRAW. RECALCULATE CURRENT DRAW TO INSURE THAT THE TOTAL AVERAGE CURRENT AND TOTAL PEAK REQUIRED BY ALL APPLIANCES DO NOT EXCEED THE RATED CAPACITY OF THE POWER SOURCES OR FUSES.
- THE VOLTAGE APPLIED TO THE PRODUCTS MUST BE WITHIN THEIR “REGULATED VOLTAGE RANGE.”
- INSTALLATION OF 110 CANDELA STROBE PRODUCTS IN SLEEPING AREAS.
- INSTALLATION IN OFFICE AREAS AND OTHER SPECIFICATION AND INSTALLATION ISSUES.
- USE STROBES ONLY ON CIRCUITS WITH CONTINUOUSLY APPLIED OPERATING VOLTAGE. DO NOT USE STROBES ON CODED OR INTERRUPTED CIRCUITS IN WHICH THE APPLIED VOLTAGE CYCLED ON AND OFF AS THE STROBE MAY NOT FLASH.
- FAILURE TO COMPLY WITH THE INSTALLATION INSTRUCTIONS OR GENERAL INFORMATION SHEETS COULD RESULT IN IMPROPER INSTALLATION, APPLICATION, AND/OR PROPERTY DAMAGE AND SERIOUS INJURY OR DEATH TO YOU AND/OR OTHERS.
- CONDUCTOR SIZE (AWG), LENGTH AND AMPACITY SHOULD BE TAKEN INTO CONSIDERATION PRIOR TO DESIGN AND INSTALLATION OF THESE PRODUCTS, PARTICULARLY IN RETROFIT INSTALLATIONS.
Architectural/Engineering Specifications
The visual notification appliances shall be Wheelock Series RSS Strobe Appliances or approved equals. The Series RSS shall meet and be listed for UL Standard 1971 (Emergency Devices for the Hearing Impaired) for indoor Fire Protection Service. The strobe shall be listed for indoor use and shall meet the requirements of FCC Part 15 Class B. The strobe appliances shall produce a flash rate of one (1) flash per second over the Regulated Voltage Range and shall incorporate a Xenon flashtube enclosed in a rugged Lexan® lens. All inputs shall be compatible with standard reverse polarity supervision of circuit wiring by a Fire Alarm Control Panel (FACP). When Strobe Plates are to be installed, they shall be the Wheelock Series RSSP Strobe Plate and shall have the same electronic circuitry as the Wheelock Series RSS.
The Series RSS Strobe shall be of low current design. Where Multi-Candela appliances are specified, the strobe intensity shall have field selectable settings and shall be rated per UL Standard 1971 at 15/30/75/110cd or 135/185cd for wall mount and 15/30/75/95cd or 115/175cd for ceiling mount. The selector switch for selecting the candela shall be tamper resistant. The 1575 candela strobe shall be specified when 15 candela UL Standard 1971 Listing with 75 candela on axis is required (e.g. ADA compliance).
When synchronization is required, the appliance shall be compatible with Wheelock’s SM or DSM Sync Modules or a power supply with built-in Patented Wheelock Sync Protocol. The strobes shall not drift out of synchronization at any time during operation. If the Sync Module or power supply fail to operate (i.e. contacts remain closed), the strobe shall revert to a nonsynchronized flash rate. The strobes shall be designed for indoor surface or flush mounting.
The Series RSS Strobe Appliances shall incorporate a Patented, Integral Strobe Mounting Plate that shall allow mounting to single-gang, double-gang, 4-inch square, 100mm European type backboxes, or the SHBB Surface Backbox. If required, an NATP (Notification Appliance Trimplate) shall be provided. An attaching cover plate shall be provided to give the appliance an attractive appearance. The appliance shall not have any mounting holes or screw heads visible when the installation is completed.
The Series RSSP Multi-Candela or single candela Strobe Plate shall mount to either a standard 4-inch square backbox for flush mounting, or the Wheelock SBL2 backbox for surface mounting.
All notification appliances shall be backward compatible. NOTE: Due to continuous development of our products, specifications and offering are subject to change without notice in accordance with Wheelock, Inc. standard terms and conditions.
Listings and Approvals
These listings and approvals apply to the modules specified in this document. In some cases, certain modules or applications may not be listed by certain approval agencies, or listing may be in progress. Consult factory for listing status.
- UL/ULC Listed: S5391
- CSFM: 7125-0785:141
- MEA: 151-92-E Vol. 19, 20, Vol. 24 (RSS-24MCW-FR/-FW)
- FM Approved
Ordering Information
| Model | Wall/ Ceiling Mount | Non- Sync | Strobe Candela | 12/24 VDC | Model Color | Model Shape | Agency Approvals |
| RSS-24MCW-FR | Wall | X | 15/30/75/110 | 24 | Red | Square | UL. MEA, CSFM. FM. BFP |
| RSS-24MCW-FW | Wall | X | 15/30/75/110 | 24 | White | Square | UL. MEA, CSFM. FM, BFP |
| RSS-241575W-FR | Wall | X | 15 (75 on axis) | 24 | Red | Square | UL. MEA, CSFM, FM, BFP |
| RSS-121575W-FR | Wall | X | 15 (75 on axis) | 12 | Red | Square | UL. MEA, CSFM, FM, BFP |
| RSS-24MCC-FW | Ceiling | X | 15/30/75/95 | 24 | White | Square | UL. MEA, CSFM, FM |
| RSS-24MCC-FR | Ceiling | X | 15/30/75/95 | 24 | Red | Square | UL. MEA, CSFM, FM |
| RSS-24MCCR-FW | Ceiling | X | 15/30/75/95 | 24 | White | Round | UL. MEA, CSFM, FM |
| RSS-24MCCH-FR | Ceiling | X | 115/177 | 24 | Red | Square | UL. MEA, CSFM, FM |
| RSS-24MCCH-FW | Ceiling | X | 115/177 | 24 | White | Square | UL. MEA, CSFM, FM |
| RSS-24MCCHR-FR | Ceiling | X | 115/177 | 24 | Red | Round | UL. MEA, CSFM, FM |
| RSS-24MCCHR-FW | Ceiling | X | 115/177 | 24 | White | Round | UL. MEA, CSFM, FM |
| RSS-24MCWH-FR | Wall | X | 135/185 | 24 | Red | Square | UL. MEA, CSFM, FM |
| RSS-24MCWH-FW | Wall | X | 135/185 | 24 | White | Square | UL. MEA. CSFM, FM |
| RSSWP-2475W-FR | Wall | X | 180 @ 77’F 75 @ -31°F | 12/24 | Red | Square | UL. MEA, CSFM, FM |
| RSSWP-2475W-FW | Wall | X | 180 @ 77’F 75 @ -31°F | 12/24 | White | Square | UL. MEA, CSFM, FM |
| RSSP-121575W-FR | Wall | X | 15 (75 on axis) | 12 | Red | Square | UL. MEA, CSFM. FM, BFP |
| RSSP-24MCW-FW | Wall | X | 15/30/75/110 | 24 | White | Square | UL. MEA, CSFM, FM, BFP |
| RSSP-24MCW-FR | Wall | X | 15/30/75/110 | 24 | Red | Square | UL. MEA, CSFM. FM. BFP |
| RSSP-241575W-FR | Wall | X | 15 (75 on axis) | 24 | Red | Square | UL. MEA, CSFM. FM, BFP |
| RSSP-241575W-FW | Wall | X | 15 (75 on axis) | 24 | White | Square | UL. MEA, CSFM, FM. BFP |
Lexan® is a registered trademark of GE Plastics, a subsidiary of General Electric Company.
©2009 by Honeywell International Inc. All rights reserved. Unauthorized use of this document is strictly prohibited.
![]()
This document is not intended to be used for installation purposes. We try to keep our product information up-to-date and accurate.
We cannot cover all specific applications or anticipate all requirements. All specifications are subject to change without notice.
For more information, contact Notifier. Phone: (203) 484-7161, FAX: (203) 484-7118. www.notifier.com
DN-5765:A1 • 12/8/09
Made in the U.S. A.
firealarmresources.com

















