Allen-Bradley 2198-P031 Kinetix 5700 DC-Bus Power Supply Instruction Manual
About the DC-bus Power Supply
The Kinetix® 5700 DC-bus (converter) power supply with 400V-class three-phase AC input provides continuous output power and current to servo drives for applications with requirements in the range of 7…46 kW and 10.5…69.2 A, respectively. For additional output power (kW) you can install two or three 2198 P208 DC-bus power supplies. You can also extend the DC-bus to additional inverter clusters via accessory modules. See the Kinetix 5700 DC-bus Power Supply Servo Drives User Manual, publication 2198-UM002, for detailed information on wiring, applying power, troubleshooting, and integration with ControlLogix® EtherNet/IP communication modules or CompactLogix™ 5370 controllers.
Catalog Number Explanation
This publication applies to the following Kinetix 5700 DC-bus Power Supply DC bus power supplies.
DC-bus Power Supply Catalog Numbers
DC-bus Power Supply Cat. No. | Module Width mm | Input Voltage | Continuous Output Power kW | Continuous Output Current ADcrms |
2198-P031 | 55 | 195…528V rms, three-phase | 7 | 10.5 |
| 2198-P070 | 17 | 10.5 | ||
2198-P141 | 85 | 31 | 46.9 | |
| 2198-P208 | 46 | 69.2 |
Before You Begin
Remove all packing material, wedges, and braces from within and around the components. After unpacking, check the item nameplate catalog number against the purchase order.
Parts List
The DC-bus power supplies ship with the following
- DC-bus end caps
- Wiring plug connector set for mains input power (IPD), 24V control input power (CP), digital inputs (IOD), shunt power (RC), and contactor enable (CED)
- Wiring plug connector for shunt power (RC) connections installed on the drive
- These installation instructions, publication 2198-IN009
Replacement connector sets are also available. See the Kinetix 5700, 5500, 5300, 5100 Servo Drives Specifications Technical Data, publication KNX-TD003, for more information.
Remove the Ground Screw in Select Power Configurations
Remove the ground screw when using ungrounded, corner-grounded, and impedance-grounded power configurations.
IMPORTANT
T If you have grounded-wye power distribution, you do not need to remove the screw. Go to Install the DC-bus Power Supply on page 3. EMC performance can be affected if you remove the ground screw.
We recommend that you remove the ground screw before mounting the power supply to the panel. Place the power supply on its side, on a solid surface equipped as a grounded static-safe workstation.
ATTENTION:
To avoid personal injury, the ground-screw access door must be kept closed when power is applied. If power was present, and then removed, wait at least 5 minutes for the DC-bus voltage to dissipate, and verify that no DC-bus voltage exists before accessing the ground screw.To access the ground screw, open the small plastic door on the right side of the module
Remove the Ground Screw

ATTENTION:
Risk of equipment damage exists. The drive-module ground configuration must be accurately determined. Leave the ground screw installed for grounded power configurations (default). Remove the screw for ungrounded, corner-grounded, and impedance grounded power.
Ground Screw Settings
Ground Configuration (1) | 2198-Pxxx DC-bus Power Supply |
Grounded (wye) | Ground screw installed (default setting) (2) |
| Remove ground screw |
- Refer to the Kinetix 5700 Servo Drives User Manual, publication 2198-UM002, for example configurations.
- Ground screw is factory installed.
Install the DC-bus Power Supply
These procedures assume that you have prepared your panel and understand how to bond your system. For installation instructions regarding equipment and accessories not included here, refer to the instructions that came with those products.
SHOCK HAZARD:
To avoid hazard of electrical shock, perform all mounting and wiring of the Kinetix 5700 DC-bus Power Supply drive prior to applying power. Once power is applied, connector terminals can have voltage present even when not in use.
ATTENTION:
Plan the installation of your system so that you can perform all cutting, drilling, tapping, and welding with the system removed from the enclosure. Because the system is of the open type construction, be careful to keep any metal debris from falling into it. Metal debris or other foreign matter can become lodged in the circuitry and result in damage to components
Mount the DC-bus Power Supply
Observe these clearance requirements when mounting the DC-bus power supply
- Additional clearance is required for cables and wires or the shared-bus connection system connected to the top of the drive module.
- Additional clearance is required if other devices are installed above and/or below the drive and have clearance requirements of their own.
- Additional clearance left and right of the drive module is required when mounted adjacent to noise sensitive equipment or clean wire ways.
- The recommended minimum cabinet depth is 300 mm (11.81 in.).
Minimum Clearance Requirements

IMPORTANT
Mount the drive module in an upright position as shown. Do not mount the drive module on its side. The Kinetix 5700 drive system must be spaced by aligning the zero-stack tab and cutout. For mounting, sizing, and configuring shared-bus configurations, refer to the Kinetix 5700 Servo Drives User Manual, publication 2198-UM002.
Mount the Kinetix 5700 DC-bus Power Supply drive module to the cabinet subpanel with M5 (#10-32) steel bolts torqued to 4.0 N•m (35.4 lb•in), max.
Drill Hole Patterns
This section provides hole patterns for Kinetix 5700 drive modules that are mounted in zero-stack (shared-bus) configurations.
- Mount the DC-bus power supply anywhere within the cluster, whatever makes the best use of panel space. If multiple 2198-P208 power supplies are mounted within the same cluster, mount them adjacent to each other anywhere within the cluster.
- Mount the inverter modules according to power rating (highest to lowest) from left to right or right to left, depending on where the power supply is mounted, with the highest rated inverter adjacent to the power supply.
Calculate the left-to-right hole pattern for any Kinetix 5700 drive module configuration by following these steps.
- The first hole location is zero.
- The second hole location is module width minus 55 mm.
- The next hole location is 55 mm.
- Repeat step 2 and step 3 for the remaining holes.
Kinetix 5700 Mounting Hole Patterns
When your Kinetix 5700 system configuration includes 2198-S263-ERSx or 2198-S312-ERSx single-axis inverters, see the Kinetix 5700 Servo Drives User Manual, publication 2198-UM002, for those mounting hole patterns.
Also available to assist you with mounting holes is the Kinetix 5700 System Mounting Toolkit, catalog number 2198-K5700-MOUNTKIT.
Product Dimensions
Refer to the Kinetix 5700, 5500, 5300, 5100 Servo Drives Specifications Technical Data, publication KNX-TD003, for product dimensions of all Kinetix 5700 drive modules.
DC-bus Power Supply Cat. No | A mm (in.) | B mm (in.) | C mm (in.) | D mm (in.) |
2198-P031 | 55 (2.17) | 300 (11.8) | 300 (11.8) | 252 (9.9) |
2198-P070 | ||||
| 2198-P141 | 85 (3.35) | 375 (14.8) | 375 (14.8) | |
2198-P208 |
Connector Data
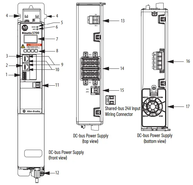
Use this illustration to identify the DC-bus power supply features and indicators
DC-bus Power Supply Features and Indicators (2198-P031 power supply is shown)
| Item | Description |
1 | Digital inputs (IOD) connector |
| 2 | Ethernet (PORT1) RJ45 connector |
3 | Ethernet (PORT2) RJ45 connector |
| 4 | Zero-stack mounting tab/ cutout |
5 | Module status indicator |
6 | Network status indicator |
| 7 | LCD display |
8 | Navigation push buttons |
| 9 | Link speed status indicators |
10 | Link/Activity status indicators |
| 11 | Contactor enable (CED) connector |
12 | Ground terminal |
| 13 | Shunt resistor (RC) connector |
14 | DC bus (DC) connector |
| 15 | 24V control input power (CP) connector |
16 | AC Input power (IPD) connector |
| 17 | Cooling fan |
DC-bus Power Supply Connectors
Designator | Description | Connector |
IPD | AC mains input power | 4-position plug, terminal screws |
| DC | DC common bus power | DC-bus links and end caps |
CP | 24V control input power | 2-position plug, terminal screws |
| RC | Shunt powe | 2-position plug, terminal screws |
IOD | Digital inputs | 4-position plug, spring terminals |
| CED | Contactor enable | 2-position plug, terminal screws |
PORT1, PORT2 | Ethernet communication ports | RJ45 Ethernet |
Mains Input Power (IPD) Connector Pinout
IPD Pin | Description | Signal |
![]() | Chassis ground | ![]() |
L3 | Three-phase input power | L3 |
| L2 | L2 | |
L1 | L1 |

Shunt Power (RC) Connector Pinout
| RC Pin | Description | Signal |
| 1 | Shunt connections | SH |
| 2 | DC+ |

Contactor Enable (CED) Connector Pinout
| CED Pin | Description | Signal |
| EN– | Contactor-enable connections | CONT EN– |
| EN+ | CONT EN+ |
The contactor-enable circuitry includes a relay-driven contact within the 2198-Pxxx DC-bus power supply. The relay protects the Kinetix 5700 drive system in the event of overloads or other fault conditions.
An AC three-phase mains contactor must be wired in series between the branch circuit protection and the DC-bus power supply. In addition, the AC three-phase contactor control string must be wired in series with the contactorenable relay at the contactor enable (CED) connector. Refer to the Kinetix 5700 Servo Drives User Manual, publication 2198-UM002, for wiring examples
ATTENTION:
Wiring the contactor-enable relay is required. To avoid personal injury or damage to the Kinetix 5700 drive system, wire the contactor-enable relay into your control string so that:
- three-phase power is removed and the DC-bus power supply is protected under various fault conditions.
- three-phase power is never applied to the Kinetix 5700 drive system before control power is applied.
Control Input Power (CP) Connector Pinout
| CP Pin | Description | Signal |
| 1 | 24V power supply, customer-supplied | 24V+ |
| 2 | 24V common | 24V- |

Digital Inputs (IOD) Connector Pinout
| IOD Pin | Description | Signal |
| 1 | Digital input #1 | IN1 |
| 2 | I/O common for customer-supplied 24V supply. | COM |
| 3 | Digital input #2 | IN2 |
| 4 | I/O cable shield termination point. | SHLD |

Ethernet Communication PORT1 and PORT2 Pinout
| Port Pin | Description | Signal |
| 1 | Transmit port (+) data terminal | + TX |
| 2 | Transmit port (-) data terminal | – TX |
| 3 | Receive port (+) data terminal | + RX |
| 4 | – | – |
| 5 | – | – |
| 6 | Receive port (-) data terminal | – RX |
| 7 | – | – |
| 8 | – | – |

Wiring Requirements
Wire must be copper with 75 C (167 F) minimum rating. Phasing of mains AC power is arbitrary and earth ground connection is required for safe and proper operation.
IMPORTANT
The National Electrical Code and local electrical codes take precedence over the values and methods provided.
DC-bus Power Supply Wiring Requirements
| DC-bus Power Supply Cat. No. | Description | Connects to Terminals | Wire Size mm 2 (AWG) | Strip Length mm (in.) | Torque Value N•m (lb•in) | ||
| Pin | Signal | ||||||
| 2198-P031 | 6…10 (1) | ||||||
| Mains input power | L3 L2 L1 | L3 L2 L1 | (10…8) | 10.0 (0.39) | 0.5…0.8 (4.4…7.1) | ||
| 2198-P070 | 6…10 (2) (10…8) | ||||||
| 2198-P141 | 10…35 | 20.0 (0.79) | 2.5…4.5 | ||||
| 2198-P208 | (8…2) | (22…40) | |||||
| PELV/SELV 24V power (connector plug) | CP-1 CP-2 | 24V+ 24V– | 0.5…4 (20…12) | 7.0 (0.28) | 0.22…0.25 (1.9…2.2) | ||
| DC Bus power | Bus bar | DC– | N/A (3) | N/A (3) | N/A (3) | ||
| DC+ | |||||||
| Contactor enable | EN– | CONT EN– | 0.14…2.5 | 7.0 (0.28) | 0.4…0.5 | ||
| 2198-Pxxx | EN+ | ||||||
| CONT EN+ | (26…12) | (3.5…4.4) | |||||
| Shunt resistor | RC-1 | SH | 1.5…6 | 12.0 (0.47) | 0.5…0.6 | ||
| RC-2 | DC+ | (16…10) | (4.5…5.3) | ||||
| IOD-1 | IN1 | ||||||
| Digital inputs | IOD-2 IOD-3 IOD-4 | COM IN2 SHLD | 0.14…1.5 (26…16) | 10.0 (0.39) | N/A (4) | ||
- Applies to solid wire. If using stranded wire, the maximum wire size is 6 mm2
- Applies to solid wire. If using stranded wire, the maximum wire size is 6 mm2 E requirements above 45 °C (113 °F) for 6
- Shared DC-bus power connections are always made from drive to drive over the bus-bar connection system. These terminals do not receive discrete wires.
- This connector uses spring tension to hold wires in place.
ATTENTION:
To avoid personal injury and/or equipment damage, observe the following:
- Make sure that installation complies with specifications regarding wire types, conductor sizes, branch circuit protection, and disconnect devices. The National Electrical Code (NEC) and local codes outline provisions for safely installing electrical equipment.
- Use motor power connectors only for connection purposes. Do not use them to turn the unit on and off.
- Ground shielded power cables to prevent potentially high voltages on the shield.
Ground Your DC-bus Power Supply to the Subpanel
Ground Kinetix 5700 DC-bus Power Supply drives and Bulletin 2198 capacitor modules to a bonded-cabinet ground bus with a braided ground strap. Keep the braided ground strap as short as possible for optimum bonding.
Connect the Braided Ground Strap
| Item | Description |
| 1 | Ground screw (green) 2.0 N•m (17.5 lb•in), max |
| 2 | Braided ground strap (customer supplied) |
| 3 | Ground grid or power distribution ground |
| 4 | Bonded-cabinet ground bus (customer supplied) |
Circuit Breaker/Fuse Specifications
The Kinetix 5700 power supplies use internal solid-state motor short-circuit protection and, when protected by
suitable branch circuit protection, are rated for use on a circuit that can deliver up to 200,000 A (fuses) and 65,000 A (circuit breakers).
While circuit breakers offer some convenience, there are limitations for their use. Circuit breakers do not handle highcurrent inrush as well as fuses. Make sure that the selected components are properly coordinated and meet acceptable codes, which includes requirements for branch circuit protection. Evaluation of the short-circuit vailable
current is critical and must be kept below the short-circuit current rating of the circuit breaker.
IEC (non-UL/CSA) Circuit-protection Specifications
| DC-bus Power Supply Cat. No. | Input Voltage (three-phase) nom | DIN gG Fuses Amps, max | Miniature CB Cat. No. | Motor Protection CB Cat. No. | Molded Case CB Cat. No. | |
| 2198-P031 | 195…528V AC rms | 16 | 1489-M3D250 | — | 140M-D8E-C25 140MT-D9E-C25 | 140G-G6C3-C25 |
| 2198-P070 | 40 | — | 1492-SPM3D400 | 140M-F8E-C45 | 140G-G6C3-C50 | |
| 2198-P141 | 75 | — | 1492-SPM3D630 | 140MG-H8E-C60 | 140G-G6C3-C90 | |
| 2198-P208 | 110 | — | — | 140MG-H8E-D10 | 140G-G6C3-D12 | |
UL/CSA Circuit-protection Specifications
| DC-bus Power Supply Cat. No. | Input Voltage (three-phase) nom | Bussmann Fuses (1) Cat. No. | Miniature CB (2) Cat. No. | Motor Protection CB, (2) Self Protected CMC Cat. No. | Molded Case CB Cat. No. |
| 2198-P031 |
195…528V AC rms | LPJ-15SP (15A) | 1489-M3D250 | 140M-D8E-C25 140MT-D9E-C25 | 140G-G6C3-C25 |
| 2198-P070 | LPJ-40SP (40A) | — | 140M-F8E-C45 | 140G-G6C3-C50 | |
| 2198-P141 | LPJ-70SP (70A) | — | — | 140G-G6C3-C90 | |
| 2198-P208 | LPJ-100SP (100A) | — | — | 140G-G6C3-D12 |
- For applications requiring CSA certification, fuses (Bussmann catalog number 170M1760) must be added to the DC link between the two drive clusters when circuit breakers are used for branch circuit protection. The DC bus fuses are not required when AC line fuses are used for branch circuit protection.
- These Bulletin 140M/MT Motor Protection Circuit Breakers, when used as self-protected (Type E) devices, and Bulletin 1489 circuit breakers can be used on only WYE power systems (480Y/277V).
Specifications
| Attribute | 2198-P031 | 2198-P070 | 2198-P141 | 2198-P208 |
| Surrounding air temperature Operating Storage | 0…50 °C (32…122 °F) -40…+70 °C (-40…+158 °F) | |||
| Weight, kg (lb) approx | 4.33 (9.55) | 4.42 (9.74) | 6.91 (15.2) | 7.04 (15.5) |
| Short-circuit current rating | 200,000 A rms symmetrical | |||
| Branch-circuit short-circuit protection | Integral solid-state short circuit protection does not provide branch circuit protection. Branch circuit protection must be provided in accordance with the Nation al Electric Code (NEC) and any additional local codes. | |||
| Leakage current |
| |||
Additional Resources
These documents contain additional information concerning related products from Rockwell Automation.
| Resource | Description |
| Kinetix 5700, 5500, 5300, 5100 Servo Drives Specifications, publication KNX-TD003 | Provides product specifications for Kinetix Integrated Motion over the EtherNet/IP network and EtherNet/IP networking servo drive families. |
| Kinetix Rotary and Linear Motion Cable Specifications Technical Data, publication KNX-TD004 | Product specifications for Kinetix 2090 motor and interface cables. |
| Kinetix 3, 300, 350, 2000, 6000, 6200, 6500, 7000 Servo Drives Specifications, publication KNX-TD005 | Provides product specifications for Kinetix Integrated Motion over the EtherNet/IP network (Kinetix 6500 and Kinetix 350), Integrated Motion over Sercos interface (Kinetix 6200, Kinetix 6000, Kinetix 2000, and Kinetix 7000), and component (Kinetix 3) servo drive families. |
| Kinetix 5700 Servo Drives User Manual, publication 2198-UM002 | Provides information on how to install, configure, startup, and troubleshoot your Kinetix 5700 servo drive system. |
| AC Line Filter Installation Instructions, publication 2198-IN003 | Provides information on how to install and wire the AC line filter for Kinetix 5500 and Kinetix 5700 servo drives. |
| Kinetix 5700 Passive Shunt Modules Installation Instructions, publication 2198-IN011 | Provides information on how to install and wire Kinetix 5700 external passive shunt modules. |
| Product Certifications website, rok.auto/certifications | Provides declarations of conformity, certificates, and other certification details. |
| Industrial Automation Wiring and Grounding Guidelines, publication 1770-4.1 | Provides general guidelines for installing a Rockwell Automation industrial system. |
Rockwell Automation Support
| Technical Support Center | Find help with how-to videos, FAQs, chat, user forums, and product notification updates. | rok.auto/support |
| Knowledgebase | Access Knowledgebase articles. | rok.auto/knowledgebase |
| Local Technical Support Phone Numbers | Locate the telephone number for your country. | rok.auto/phonesupport |
| Literature Library | Find installation instructions, manuals, brochures, and technical data publications. | rok.auto/literature |
| Product Compatibility and Download Center (PCDC) | Download firmware, associated files (such as AOP, EDS, and DTM), and access product release notes. | rok.auto/pcdc |
Documentation Feedback
Your comments help us serve your documentation needs better. If you have any suggestions on how to improve our content, complete the form at rok.auto/docfeedback.
Waste Electrical and Electronic Equipment (WEEE)
At the end of life, this equipment should be collected separately from any unsorted municipal waste.
Rockwell Automation maintains current product environmental compliance information on its website at rok.auto/pec.
Rockwell Otomasyon Ticaret A.Ş. Kar Plaza İş Merkezi E Blok Kat:6 34752, İçerenköy, İstanbul, Tel: +90 (216) 5698400 EEE Yönetmeliğine Uygundur
Connect With Us 
References
Product Certifications | Rockwell Automation
Publication Feedback Form | Rockwell Automation
Rockwell Automation Tech Support ... 24 x 7 around the globe!
Literature Library | Rockwell Automation
Product Compatibility & Download Center from Rockwell Automation
Product Environmental Compliance | Rockwell Automation
Phone/Onsite Support
Support | Rockwell Automation
Rockwell Automation (@rokautomation) • Instagram photos and videos
Select a Region | Rockwell Automation
Technical Documentation Center | Rockwell Automation


















