SRX150.2V Street Reference Series 2-Channel Amplifier
Instruction Manual
MODELS: SRX150.2V // SRX300.4V
STREET REFERENCE
STREET REFERENCE MULTI-CHANNEL AMPLIFIERS
Memphis Audio built a 50-year legacy in the audio industry engineering the highest quality products to produce the best possible listening experience for our fans and loyal supporters. To fully appreciate the products we recommend taking the time to read and follow the instructions in this manual. As always, we recommend all installations and services be performed by an authorized Memphis Audio dealer.
For optimal performance, Memphis recommends using only Memphis Connection accessories. Outfitting your system with properly sized Memphis Connection wire and accessories will dramatically boost your listening experience and increase the durability of your Memphis Audio products.
Street Reference amplifiers feature a MOSFET power supply with a 12dB per octave crossover to ensure the most accurate musical reproduction. All models feature a fully variable crossover with 12db per octave slopes allowing you the ability to tailor the sound to best fit your speakers and listening preferences.
Check out our full line of Street Reference speakers and subwoofers to create a complete Memphis Street Reference system.
Features
| • 2Ω stereo stable / 4Ω mono | • Textured aluminum heatsink |
| • High & low-level inputs | • Selectable bass boost |
| • 0/6/12dB bass boost | • Variable crossover network |
| • Bridgeable & tri-mode operation | • Ultra-bright LED accent light strip |
| • Protection circuitry: overload, short circuit, thermal & reverse polarity | |
Bridgeable & Tri-Mode Operation
Street Reference amplifiers can be used in stereo, bridged or tri-mode operation. Tri-mode operation means that a pair of speakers are wired in the conventional stereo manner while a subwoofer is simultaneously connected to the bridged terminals of the same two channels. This is useful for simple 2-channel systems that require a subwoofer in addition to the full range speakers
Nickel Plated Connectors
Ensures solid electrical connection that resists corrosion
Fully Variable High & Low Pass Crossovers
Fully variable crossovers promote installation ease and save the cost of outboard crossovers. Additionally, they may be used in conjunction with outboard passive or active crossovers depending on the complexity required by the system. The 12dB per octave slope offers roll-off above or below the selected frequency.
Protection Circuitry
Protects against overload, short circuit, thermal and reverse polarity. These protection features are designed to protect the amplifier from misuse as well as from common causes of amplifier failure.
LED Light
Blue light indicates that the amplifier is working normally. If the light is not illuminated or is glowing red, consult the troubleshooting section of the manual.
Installation Information
Memphis Audio recommends the installation of our products be performed by an Authorized dealer. Attempting an installation project on your own or through an unauthorized source may result in damage to your products and may potentially void your warranty.
Amplifiers are generally mounted in the hatch/trunk area of your vehicle or behind the seat of most pickup trucks.
Select a location that provides adequate ventilation. The amplifier should be secured using the screws provided.
Warning
For your safety, always inspect the mounting location carefully to ensure you are not drilling into any electrical, hydraulic, fuel or fluid lines. Always check your speaker load with a multi-meter before connecting the amplifier. Connecting any speaker load lower than the rated impedance of the amplifier will result in damage to the amplifier.
Damage of this nature is NOT covered under warranty. Please pay close attention to what connections are made to the amplifier.
If you are uncertain or uncomfortable proceeding with your installation, please contact your local authorized Memphis Audio Dealer
Troubleshooting
When troubleshooting your amp, speaker and speaker wires should be tested first.
No Output:
- Confirm all wiring is firmly connected.
Both +12V and REM terminals must have +12 Volts present and GND must be connected to the chassis’ ground or to
the negative battery terminal. - Confirm the signal source is connected and supplying an output signal. To confirm the amp is working, connect an RCA patch cord to the line inputs of the amplifier (do not connect the other end of the patch cord). Briefly tap the center pin of each disconnected RCA with your finger. This should produce a noise (brief static or hum) in the speakers.
- If the amp is hot, check the speaker impedance or load. The total minimum impedance of all speakers should not be lower than the rating of the amp.
Only One Channel Works:
- Confirm the speaker terminal strip connections are firmly connected.
- Check “balance” control on your signal source.
- If using RCA Low-Level inputs, reverse the input plugs at the amplifier. If the channel that is silent reverses position, the problem is in the source unit or connecting cable.
Weak Output
- Check input sensitivity control adjustment.
Unwanted Noise
- Whine that increases and decreases with engine speed – confirm the Amp & Source unit are grounded properly.
- Clicking or popping noise at a rate that follows engine speed – is often induced by the vehicle’s ignition system.
Confirm that the vehicle is equipped with resistor spark plugs and wires. The ignition system may need service. - Noise can be caused by routing speaker input wires too close to the light wires and other accessory wires in the vehicle. Re-route wires to avoid unwanted interference.
- If above steps do not improve/reduce noise, the system should be checked by a professional audio installer at a Memphis Authorized Dealer.
Red LED is Illuminated
- Speaker or wire is shorted
- Battery voltage too high
- Battery voltage too low
- The amplifier has overheated due to improper ventilation
Power Supply Connections
Install the fuse at the battery last!
Use conventional stranded copper wire for all connections. Finish the ends of the wires at the amp and vehicle with proper size terminals. Poorly made connections and/or inadequate wire size will generate excessive heat and may lead to equipment failure.
12 Volt + Connection
Make the 12V+ connection directly at the positive battery post using the proper wire size and fuse listed below, The fuse should be installed within 18” of the battery. This fuse is vital to protecting the vehicle from damage in the case of a dead short.
| Model | Amp Kit |
| SRX150.2V | 8 |
| SRX300.4V | 4 |
Ground Connection:
Make ground connection directly to the chassis of the vehicle as close to the amp as possible. Make sure this connection is made with the same wire size as used for the 12-volt connection. Ensure that all dirt, grease, paint, and coatings are removed prior to attaching the ground wire to the chassis.
Remote Turn On
Remote turn-on should be connected to the source unit’s remote turn-on lead or power antenna output wire. When using the power antenna wire, make certain it does not lose power when any source other than the radio is selected.
Power Connections

Features & Controls

Gain
The gain control is NOT a volume control. The gain control adjusts the amount of signal required to drive the amplifier to full output. With the gain at full clockwise rotation, less signal voltage is required to drive the amp to full output. With the gain at full counterclockwise rotation, more signal voltage is required to drive the amp to full output. For optimal performance, set the gain control to a minimum.
High Pass Filter (HPF)
The high pass crossover/filter is designed to remove low-frequency information from speakers. This is generally used to protect smaller devices from trying to reproduce low-frequency information that might damage them. The crossover frequency is adjustable from 50Hz to 1kHz and uses 12dB per octave slope. To engage the HPF simply slide the switch to the position on the marked HPF. Crossover frequency selection is made by rotating the dial: Clockwise raises the frequency, and counterclockwise lowers the frequency. Most mid-bass or midrange drivers should be set between 80 and 400 Hz depending on how high the subwoofer plays. For mid-range drivers that are 5” or smaller we suggest setting the HPF to 120Hz. The HPF can also be combined with passive crossovers on a separate or coaxial speaker set to provide low-frequency protection to the midrange driver or to form a band-pass filter for a midrange speaker already using a passive low-pass filter.
Low Pass Filter
The low pass crossover/filter is designed to remove high-frequency information from a speaker. This is generally used to prevent mid-bass speakers or subwoofers from trying to reproduce mid and high-frequency information that they are not designed to reproduce. The crossover frequency is adjustable from 50Hz-250Hz and uses a 12dB per octave slope. To engage the LPF slide the switch to the position marked LPF. Frequency selection is made by rotating the dial: Clockwise raises the frequency, and counterclockwise lowers the frequency. Most subwoofers should be set between 80Hz and 100Hz depending on how low the mid-bass or midrange drivers are capable of playing.
Bass Boost
Bass boost is switchable to off (0dB) or +6dB and +12dB. Boost should be used with discretion. Electronically enhanced boost places an additional load on the amplifier and the speakers they are connected to.
Remote Level Control
The amplifiers have inputs for remote level control (RLC). This will allow the amplifier input level to be adjusted from the listening position. Connect the RJ45 jack on the front to the amplifier. Install the control module in front of the vehicle in a location that is easily accessible to the driver.
Subsonic Filter
The subsonic filter utilizes an internal 12dB per octave slope and is variable from 15Hz-50Hz
Speaker Connections Continued
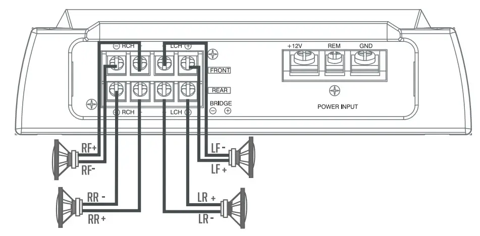
4 Channel Model SRX300.4V
4 Channel Mode
3 Channel Mode
2 Channel Mode
Speakers have positive and negative markings on the terminals. These are used to indicate polarity and must be considered when wiring speakers or subwoofers to an amplifier. Amplifiers also have positive and negative markings on their speaker outputs. Use these markings to match polarities to ensure the speakers are in phase.
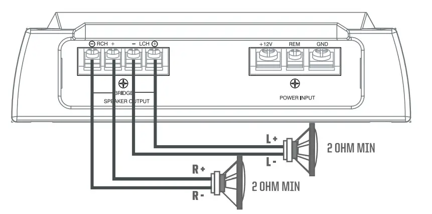
Failure to wire speakers or woofers in phase with one another will result in a loss of bass. All Street Reference amplifiers require a minimum 2Ω impedance in stereo or 4Ω in mono (bridged) mode.
2 Channel Model SRX150.2V
Stereo Mode
Mono Mode
Specifications
| SPECIFICATIONS | SRX150.2V | SRX300.4V |
| RMS Power/CH 4Ω | 50W X 2 | 50W X 4 |
| RMS Power/Ch 2Ω | 75W X 2 | 75W X 4 |
| RMS Power/Bridged 4Ω | 150W X 1 | 150W X 2 |
| THD 4Ω | <0.1% | <0.1% |
| THD 2Ω | < 0.5% | < 0.5% |
| Signal/Noise Ratio | > 90 dB | > 90 dB |
| Channel Separation | > 50 dB | > 50 dB |
| Frequency Response +/- .5dB | 10 Hz -27 kHz | 10 Hz – 24 kHz |
| Crossover Frequency LPF | 50 Hz – 250 Hz | 50Hz – 250Hz |
| Crossover Frequency HPF | 50 Hz – 1 kHz | 50 Hz – 1 kHz |
| Bass Boost | 45Hz 0/6/12 dB | 45Hz 0/6/12 dB |
| Dimensions | 8.92” x 7.87” x 2.16” | 12.46” x 7.87” x 2.16” |
| Input Sensitivity | ||
| Low Level | 200mv-6.3v | 200mv-6.3v |
| High Level | 1.8m-25v | 1.8m-25v |
| Input Impedance | ||
| Low Level | 10K Ω | 10K Ω |
| High Level | 47Ω | 47Ω |
*Features and specifications are subject to change without notice
Service/ Returns
Please consult with your local authorized dealer if you experience issues with your amplifier.
You may also contact Memphis Audio customer service at 800.489.2300 or email tech support directly at: [email protected]. Do not attempt to return your amplifier directly to us without first calling for a return authorization number. Units received without an accompanying return authorization number will be processed more slowly. Additionally, you must include a copy of your purchase receipt from an authorized dealer for consideration of in-warranty service, otherwise, repair charges will apply. Units received without a receipt will be held for up to 30 days allowing us time to contact you and obtain a copy of the receipt. After 30 days all units will be returned to you unrepaired.
Warranty
Street Reference Amplifier Limited Warranty:
This product has a 1-year warranty from the date of purchase for defects in material or workmanship. This warranty will extend to 2 years when installed by an authorized Memphis Audio dealer using Memphis Connection products. The warranty is void if the product has been physically damaged by improper usage or abuse. If repairs are attempted outside of the Memphis Audio facility, the warranty is void.
This warranty is limited to the original retail purchaser and does not cover expenses incurred in the removal or re-installation of the product. This warranty does NOT apply to product exterior and cosmetics. Memphis Audio disclaims any liability for incidental or consequential damages caused by product defects. Memphis Audio liability will not exceed the purchase price of the product and the warranty period specified.
WHAT IS NOT COVERED UNDER WARRANTY:
- Damage due to improper installation
- Damage caused by exposure to moisture, excessive heat, chemical cleaners, and/or UV radiation
- Damage through negligence, misuse, accident or abuse. (Repeated returns for the same damage may be considered abuse)
- Product damaged in an accident and/or due to criminal activity
- Service performed by anyone other than Memphis Audio
- Subsequent damage to other components
- Any cost or expense related to the removal or re-installation of product
- Products with tampered, missing, altered or defaced serial numbers/labels
- Freight damage
- The cost of shipping products to Memphis Audio
- Return shipping on non-defective items
- Any product not purchased from an authorized Memphis Audio dealer
Some states do not allow the exclusion or limitation of incidental consequential damages. The above limitations or exclusions may not apply to you. This warranty gives you specific rights, you may have other rights which vary from state to state.
If warranty service is required, a return authorization number is required to return the product to Memphis Audio. Warranty shipments to Memphis Audio are the responsibility of the purchaser. Pack the product carefully in the original carton if possible. Memphis Audio will not be responsible for damages incurred in shipment or due to improper packing materials used by the purchaser.
If determined to be within warranty, your product will be repaired or replaced at the discretion of Memphis Audio.
800.489.2300
www.memphisaudio.com
122 Gayoso Ave.
Memphis, TN, USA
@MEMPHISAUDIO
@MEMPHISCARAUDIOUSA


















