Dual AM/FM Marine Receiver with Bluetooth and
Fixed Face Installation Guide

Preparation
Please read the entire manual before installation.
Before You Start
- Disconnect negative battery terminal. Consult a qualified technician for instructions.
- Avoid installing the unit where it would be subject to high temperatures, such as from direct sunlight, or where it would be subject to dust, dirt, or excessive vibration.
Getting Started
- Remove trim ring from the unit.
- Insert the supplied keys into the slots as shown, and slide the unit out of the mounting sleeve.
- Install mounting sleeve into the opening, bending tabs to secure.
- Connect wiring harness and antenna. Consult a qualified technician if you are unsure.
- Certain vehicles may require an installation kit and/or wiring harness adapter (sold separately).
- Test for correct operation and slide into the mounting sleeve to secure.
- Snap trim ring into place.

TYPICAL FRONT-LOAD DIN MOUNTING METHOD
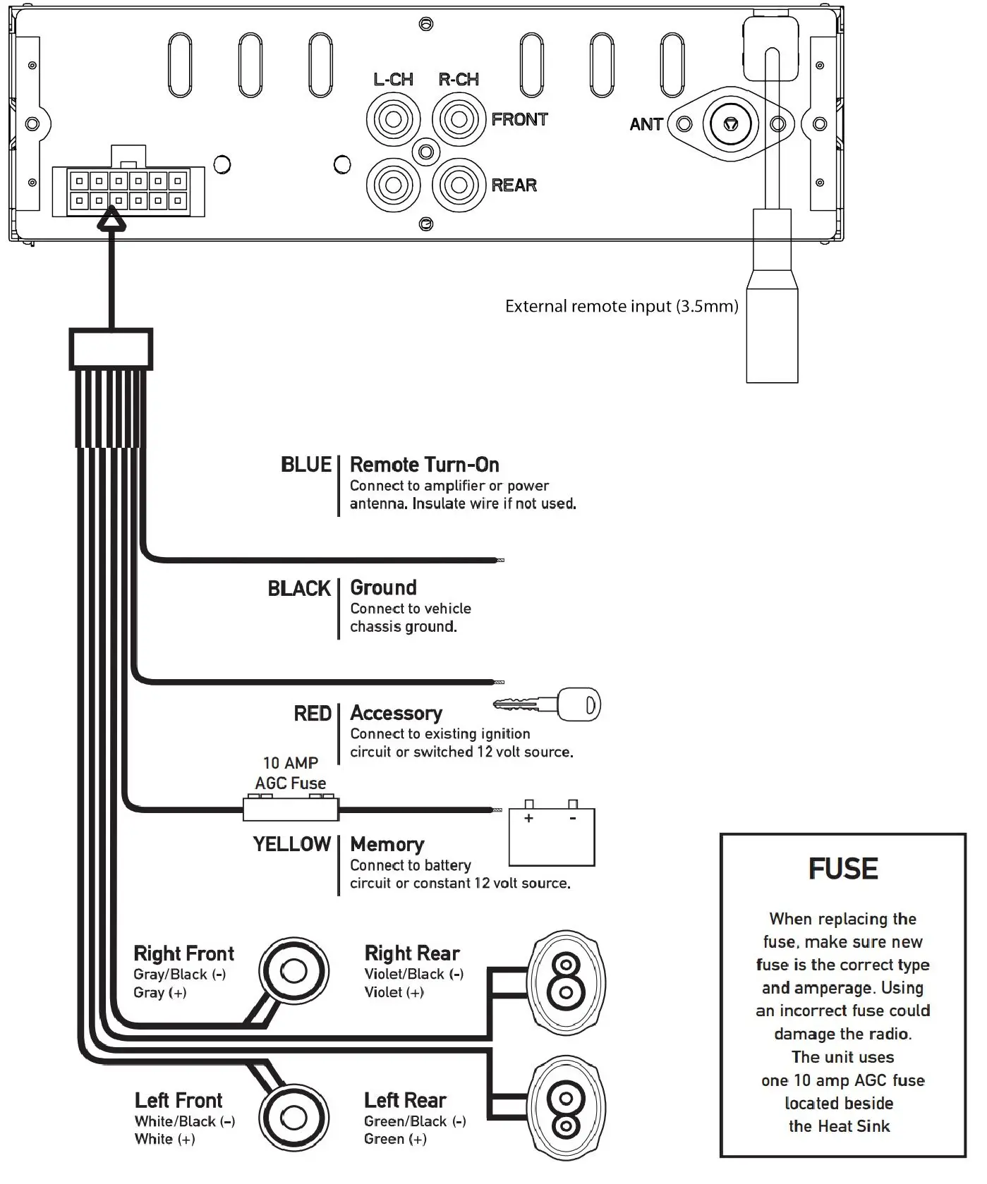
Wiring Diagram

Control Locations

- Power
- Band
- Mute
- Volume Knob
- Automatically Store
- USB Port
- Auxiliary Input
- Preset 6 / Folder Up
- Preset 5 / Folder Down
- Preset 4 / Random
- Preset 3 / Repeat
- Preset 2 / Intro
- Preset 1 / Play/Pause
- Display
- Mode
- Reset
- Tune-Up
- Tune Down

- Mode
- Volume Up
- Power
- Audio
- Tune-Up
- Volume Down
- Band
- Preset 3 / Repeat
- Preset 2 / Intro
- Preset 6 / Folder Up
- Mute
- AS/PS
- Preset 5 / Folder Down
- Preset 4 / Random
- Preset 1 / Play / Pause
- Bluetooth Talk
- Tune Down
General Operation
Power On/Off
Press the
button to turn the unit on. Press
again to turn the unit off.
Changing Modes
Press MODE to select between Radio, USB, Auxiliary Input, and Bluetooth. Modes of operation are shown in the display.
Volume
Adjust the volume using the volume knob (00-43).
Mute
Press to silence the audio. Press again to resume listening at the previously selected volume.
Auxiliary Inputs
Insert a 3.5mm cable in the unit’s front AUX port.
Reset
Press the RESET button to reset the unit back to the factory settings if an abnormal operation occurs. The reset button is located on the front panel.
Setting the Clock
With the unit on, press DISP to display clock time. Press and hold DISP until the hours begin to flash, then release.
Press the TUNE
and TUNE
to adjust the hours, then press the DISP, the minutes begin to flash, press the TUNE
and TUNE
button to adjust the minutes.
Press DISP momentarily to save the selected time.
Display
Press DISP to toggle display between various displayed information.
Audio / Menu
Press the volume knob momentarily to select between audio functions.
Press and hold the volume knob for more than two seconds to select between the menu functions.
Rotate the volume knob left/right to adjust or activate the desired function/audio.
AM/FM Tuner Operation
Seek Tuning
Press TUNE
or TUNE
to seek to the previous or next strong station.
Manual Tuning
Press and hold TUNE
or TUNE
to enter manual tuning mode, then press TUNE
or TUNE
momentarily to change radio frequency up or down one step at a time. Press and hold
TUNE or TUNE
to advance quickly.
Band
Press BAND to select between FM1, FM2, FM3, AM1, and AM2 bands. Up to six presets can be programmed for each band, enabling up to 18 FM stations and 12 AM stations to be stored in memory.
Storing Presets
Up to 18 FM and 12 AM stations can be stored. To store a station, select the desired band and station. Press and hold the desired preset button (1-6) for more than two seconds. When stored, the preset number will appear in the display.
Recalling Presets
Preset stations can be recalled any time by pressing the corresponding preset button.
Automatically Store
Press and hold AS/PS for more than 2 seconds to store 18 FM stations and 12 AM stations automatically.
Preset Scan Stations
Press AS/PS to recall each preset station that stored in the memories in each band.
USB Operation
Playing MP3 Files
To play MP3 files, insert a USB device containing MP3 files.
Track Select
Press TUNE
to skip to the beginning of the next track.
Press TUNE
to skip to the beginning of the previous track.
Fast Forward and Reverse
Press and hold TUNE
or TUNE
to fast forward or reverse a track.
Pause
Press
to temporarily stop USB playback.
ll Press
again to resume playback.
Folder Access
Folders can be found by pressing Folder Up or Folder Down. About one second after the folder name is displayed, the first file under the selected folder will be displayed and playback will begin.
Repeat
Press RPT to toggle between RPT ALL and RPT ONE.
- RPT ALL – Plays all tracks on the USB device.
- RPT ONE – Continuously repeats selected track.
Random
Press RDM to play tracks in random order; press again to cancel the RDM function.
Intro
Press INT to play the first 10 seconds of each track; press again to cancel the INT function.
Bluetooth Operation
Preparation
Before using a Bluetooth device, it must be paired and connected. Ensure that Bluetooth is activated on your device before beginning the pairing process.
Pairing a New Device
The head unit broadcasts the pairing signal constantly when no devices are connected. Complete the pairing sequence from your Bluetooth device. Refer to the owner’s manual for your device for more details.
The device name is “Dual Media Player”. The Bluetooth passcode is “1234”.
Note: The head unit can be in any mode of operation when pairing is performed.
Streaming Audio Troubleshooting
The head unit supports A2DP wireless streaming audio from a Bluetooth mobile device directly to your head unit. The following functions can be used to control the music:
- Press
to skips to the next available audio track. - Press
to skips to the previous audio track. - Press
to toggle between play and pause during playback.
Troubleshooting

Limited One Year Warranty
This warranty gives you specific legal rights. You may also have other rights which vary from state to state.
Dual Electronics Corp. warrants this product to the original purchaser to be free from defects in material and workmanship for a period of one year from the date of the original purchase.
Dual Electronics Corp. agrees, at our option, during the warranty period, to repair any defect in material or workmanship or to furnish an equally new, renewed, or comparable product (whichever is deemed necessary) in exchange without charges, subject to verification of the defect or malfunction and proof of the date of purchase. Subsequent replacement products are warranted for the balance of the original warranty period.
Who is covered?
This warranty is extended to the original retail purchaser for products purchased from an authorized Dual dealer and used in the U.S.A.
What is covered? This warranty covers all defects in material and workmanship in this product. The following are not covered: software, installation/removal costs, damage resulting from accident, misuse, abuse, neglect, product modification, improper installation, incorrect line voltage, unauthorized repair or failure to follow instructions supplied with the product, or damage occurring during return shipment of the product. Specific license conditions and copyright notices for the software can be found via www.dualav.com.
What to do?
- Before you call for service, check the troubleshooting guide in your owner’s manual. A slight adjustment of any custom controls may save you a service call.
- If you require service during the warranty period, you must carefully pack the product (preferably in the original package) and ship it by prepaid transportation with a copy of the original receipt from the retailer to an authorized service center.
- Please describe your problem in writing and include your name, a return UPS shipping address (P.O. Box not acceptable), and a daytime phone number with your shipment.
- For more information and for the location of the nearest authorized service center please contact us by one of the following methods:
• Call us toll-free at 1-866-382-5476
• E-mail us at [email protected]
Exclusion of Certain Damages: This warranty is exclusive and in lieu of any and all other warranties, expressed or implied, including without limitation the implied warranties of merchantability and fitness for a particular purpose and any obligation, liability, right, claim or remedy in contract or tort, whether or not arising from the company’s negligence, actual or imputed. No person or representative is authorized to assume for the company any other liability in connection with the sale of this product. In no event shall the company be liable for indirect, incidental or consequential damages.
FCC Compliance
This device complies with Part 15 of the FCC Rules. Operation is subject to the following two conditions:
(1) this device may not cause harmful interference, and
(2) this device must accept any interference received, including interference that may cause undesired operation.
Warning: Changes or modifications to this unit not expressly approved by the party responsible for compliance could void the user’s authority to operate the equipment.
Note: This equipment has been tested and found to comply with the limits for a Class B digital device, pursuant to Part 15 of the FCC Rules. These limits are designed to provide reasonable protection against harmful interference in a residential installation. This equipment generates, uses, and can radiate radio frequency energy and, if not installed and used in accordance with the instructions, may cause harmful interference to radio communications. However, there is no guarantee that interference will not occur in a particular installation. If this equipment does cause harmful interference to radio or television reception, which can be determined by turning the equipment off and on, the user is encouraged to try to correct the interference by one or more of the following measures:
- Reorient or relocate the receiving antenna.
- Increase the separation between the equipment and receiver.
- Connect the equipment into an outlet on a circuit different from that to which the receiver is connected.
- Consult the dealer or an experienced radio/TV technician for help.
Specifications
FM Tuner
Tuning range: 87.5MHz-107.9MHz
Usable sensitivity: 8.5dBf
50dB quieting sensitivity: 10dBf
Stereo separation @ 1kHz: >30dB
Frequency response: 30Hz-13kHz
AM Tuner
Tuning range: 530kHz-1710kHz
Usable sensitivity: <42dBu
Frequency response: 30Hz-2.2kHz
General
Speaker output impedance: 4~8 ohms
Line output voltage: 2 Volts RMS
Dimensions: 7″ x 3.8″ x 2″ (178 x 97 x 50 mm)
Design and specifications subject to change without notice.
CEA-2006 Power Standard Specifications (reference: 14.4VDC +/- 0.2V, 20Hz~20kHz)
Power Output: 16 Watts RMS x 4 channels at 4 ohms and ≤ 1% THD+N Signal to Noise Ratio: 75dBA (reference: 1 watt into 4 ohms)
Notes

Dual Electronics Corp.
Toll-Free: 1-866-382-5476
www.dualav.com
©2016 Dual Electronics Corp. All rights reserved.
Other trademarks and trade names are those of their respective owners.
NSA1116-V01



















