
XVM1000Ui
QUICK START 61i1UL
Media Receiver with Bluetooth and USBMirror featuring a 10.1″ digital TFT LCD
This Quick Start Guide gives you the basics to start using your XVM1000Ui. Please visit www.dualay.com/support/manuals.php to download a complete owner’s manual or call customer service at 1-866-382-5476 (Monday-Friday, 9 AM-5 PM EST).
Customer Service Toll-Free: 1-866-382-5476

Installation
TYPICAL FRONT-LOAD DIN MOUNTING METHOD
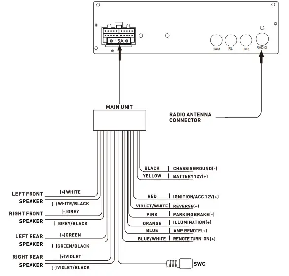
Wiring Diagram-Inputs/Outputs

Control Locations

| 1. Microphone 2. Power/Mute 3. Voice Trigger/ Camera | 4. Volume Down 5. Volume Up 6. Reset | 7. microSD Card Slot 8. USB Port 9. 3.5mm AUX Input Jack |
Remote Control

| 1. Power 2. Mode 3. Play/Pause 4. Mute 5. Talk 6. End call 7. Setup 8. Volume UP 9. Zoom 10. Select 11. Seek Up 12. Volume Down 13. Audio 14. * Key | 15. Loudness 16. Number keys 17. Root 18. OSD (On Screen Display) 19. Local/Random 20. Seek Down/ Previous Track 21. AS/PS/Repeat 22. Stereo 23. Stop 24. Enter/Direct Tune 25. Band |
In the Menu mode, press the desired icon to enter the corresponding mode: Radio, USB mirror, BT Phone, USB, SD card, BT Music, Camera, AUX IN.
Tuner Operation
Select the Tuner icon from the Main Menu screen or press MODE unit Tuner is selected.

| 1. Current Mode Indicator 2. Information Display Stereo 3. Tune-Up 4. Preset | 7. Local/DX 8. Band 5. AS/PS 9. Tune Down |
General Operation
Press the function icons to select in the setup menu.

Audio Operation
Press the Sound Effect icon In the setup menu to select Preset, 7-band tone control, Surround, Fader and Balance.
- EQ Setting
- Surround Setting
- Fader/Balance
Screen Operation
In setup, menu press one of Monitor to adjust the screen condition.

APP Operation
The Dual Smart App is the ultimate wireless remote control for your XVM1000Ui receiver. You can download the Dual Smart app from Apple App Store or Google Play Store and install it on your smartphone or tablet.
Please scan the following OR code to download Dual iPlug P1 App to your smartphone.
USBMirrorm Operation
See the Owners Manual for details.
Note:
Operating system updates from Apple and Android may cause issues with your receiver not functioning properly. This can usually be fixed by doing a software/firmware update to the receiver itself.
To see if your receiver has the latest firmware, contact customer service at 1-866-382-5476 to see if your unit needs an update.
Bluetooth Operation
Bluetooth Microphone
The microphone is built-in to the receiver.
Pairing and Connecting
Before you can use a Bluetooth device, it must be paired and connected. The Multi-Media broadcasts the pairing signal constantly when no devices are currently connected. Complete the pairing sequence from your Bluetooth device. The device name is “XVM10001r.
Once pairing is complete, most Bluetooth will connect automatically if the device is in range when the unit is powered on.
Dialing a Number
Press to display keypad and dial a number.
Making and Ending a Call
Press
to connect a call, and press
to end a call.
Transferring Audio
Press
to transfer audio between the head unit and mobile phone.
Streaming Audio
Press
to play or pause the music.
Press
to skip to the previous track.
Press
to advance to the next track.
One-Year Limited Warranty
This warranty gives you specific legal rights. You may also have other rights which vary from state to state. Dual Electronics Corp. warrants this product to the original purchaser to be free from defects in material and workmanship for a period of one year from the date of the original purchase.
Dual Electronics Corp. agrees, at our option, during the warranty period, to repair any defect in material or workmanship or to furnish an equal new, renewed or comparable product (whichever is deemed necessary) in exchange without charges, subject to verification of the defect or malfunction and proof of the date of purchase. Subsequent replacement products are warranted for the balance of the original warranty period.
Who is covered? This warranty is extended to the original retail purchaser for products purchased from an authorized Dual dealer and used in the U.S.A.
What is covered? This warranty covers all defects in material and workmanship in this product. The following are not covered: software, installation/removal costs, damage resulting from accident, misuse, abuse, neglect, product modification, improper installation, incorrect line voltage, unauthorized repair or failure to follow instructions supplied with the product, or damage occurring during return shipment of the product. Specific license conditions and copyright notices for the software can be found via www.dualay.com.
What to do?
- Before you call for service, check the troubleshooting guide in your owner’s manual. A slight adjustment of any custom controls may save you a service call.
- If you require service during the warranty period, you must carefully pack the product (preferably in the original package) and ship it by prepaid transportation with a copy of the original receipt from the retailer to an authorized service center.
- Please describe your problem in writing and include your name, a return UPS shipping address (P.O. Box not acceptable), and a daytime phone number with your shipment.
- For more information and for the location of the nearest authorized service center please contact us by one of the following methods:
- Call us toll-free at 1-866-382-5476
(Monday-Friday, 9:00 a.m. to 5:00 p.m. EST) - E-mail us at [email protected]
Exclusion of Certain Damages: This warranty is exclusive and in lieu of any and all other warranties, expressed or implied, including without limitation the implied warranties of merchantability and fitness for a particular purpose and any obligation, liability, right, claim or remedy in contract or tort, whether or not arising from the company’s negligence, actual or imputed. No person or representative is authorized to assume for the company any other liability in connection with the sale of this product. In no event shall the company be liable for indirect, incidental or consequential damages.
FCC Compliance
This device complies with Part 15 of the FCC Rules. Operation is subject to the following two conditions:
(1) this device may not cause harmful interference, and (2) this device must accept any interference received, including interference that may cause undesired operation.
Warning: Changes or modifications to this unit not expressly approved by the party responsible for compliance could void the user’s authority to operate the equipment.
Note: This equipment has been tested and found to comply with the limits for a Class B digital device, pursuant to Part 15 of the FCC Rules. These limits are designed to provide reasonable protection against harmful interference in a residential installation. This equipment generates, uses, and can radiate radio frequency energy and, if not installed and used in accordance with the instructions, may cause harmful interference to radio communications.
However, there is no guarantee that interference will not occur in a particular installation. If this equipment does cause harmful interference to radio or television reception, which can be determined by turning the equipment off and on, the user is encouraged to try to correct the interference by one or more of the following measures:
- Reorient or relocate the receiving antenna.
- Increase the separation between the equipment and receiver.
- Connect the equipment into an outlet on a circuit different from that to which the receiver is connected.
- Consult the dealer or an experienced radio/TV technician for help.
©2020 Dual Electronics Corp.
The Bluetooth® word mark and logos are registered trademarks owned by Bluetooth SIG.Inc.
Sin and Apple have registered trademarks owned by Apple Inc.
Google Assistant and Android have registered trademarks owned by Google LLC.
Other trademarks and trade names are those of their respective owners.
NSC0120-V01
Printed in China
Tuner Operation




















