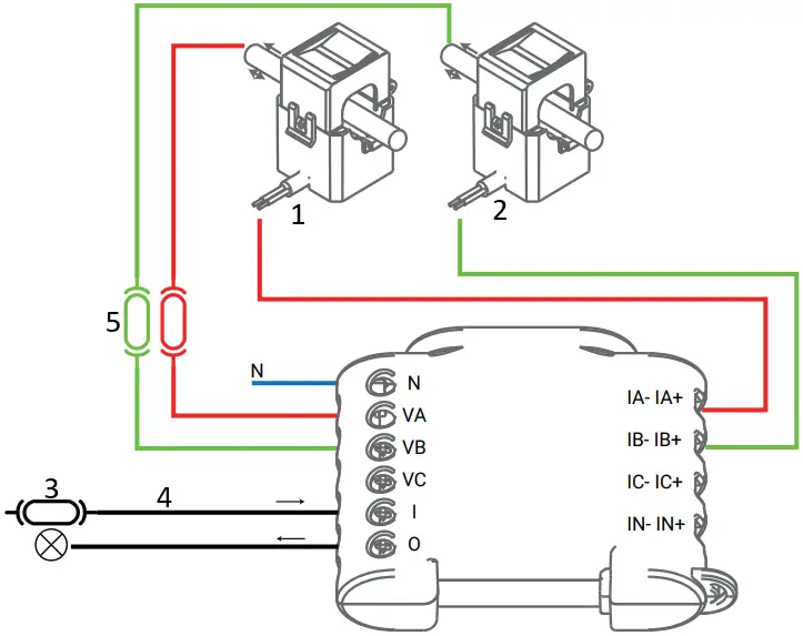
Fig. 1
3 phase wiring scheme

- Phase A
- Phase B
- Phase C
- Split core for Neutral*
- *Split core is optional and allows for detect theft or energy leakage.
- breaker
- 0-220V AC or DC
- 3 phase breaker
Fig. 2
2 phase (US) wiring
Phase A- Phase A
- Split core for Neutral*
- *Split core is optional and allows for detect theft or energy leakage.
- breaker
- 0-220V AC or DC
- 2 phase breaker
Fig. 3
1 phase + separate solar power measurement wiring
Public network- Solar power
- breaker
- 0-220V AC or DC
- 2 phase breaker
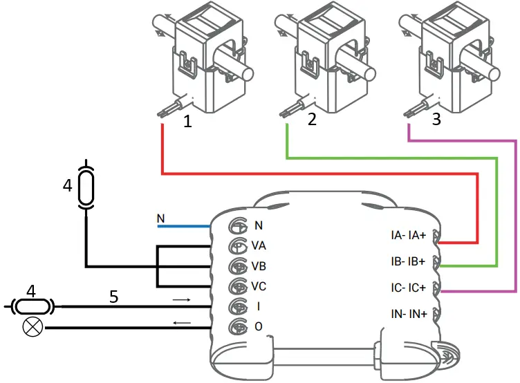
Fig.4
1 phase wiring up to 3 different circuits
Circuit 1- Circuit 2
- Circuit 3
- breaker
- 0-220V AC or DC
LEGEND – for Fig.1 till Fig.4
Left Side:
N – Neutral input (110-230V AC);
VA – Line input of Phase A (110-230V AC);
VB – Line input of Phase B (110-230V AC);
VC – Line input of Phase C (110-230V AC);
I – Line input for contactor control
O – Output for contactor control
Right Side:
IN- IN+ Input for current transformer of Neutral*
IC- IC+ Input for current transformer of Phase C
IB- IB+ Input for current transformer of Phase B
IA- IA+ Input for current transformer of Phase A
* Split core for Neutral is optional. It is not included to the device.
USER AND SAFETY GUIDE
Triple phase Wi-Fi Energy Meter
Read before use
This document contains important technical and safety information about the device and its safety use and installation.
CAUTION! Before beginning the installation, please read this guide and any other documents accompanying the device carefully and completely. Failure to follow the installation procedures could lead to malfunction, danger to your health and life, violation of the law or refusal of legal and/ or commercial guarantee (if any). Allterco Robotics EOOD is not responsible for any loss or damage in case of incorrect installation or improper operation of this device due to failure of following the user and safety instructions in this guide.
Product Introduction
Shelly® is a line of innovative microprocessor-managed devices, which allow remote control of electric appliances through a mobile phone, tablet, PC, or home automation system. Shelly® devices can work standalone in a local Wi-Fi network or they can also be operated through cloud home automation services. Shelly Cloud is such a service that can be accessed using either Android or iOS mobile application, or with any internet browser at https://home.shelly.cloud/. Shelly® devices can be accessed, controlled and monitored remotely from any place where the User has internet connectivity, as long as the devices are connected to a Wi-Fi router and the Internet. Shelly® devices have embedded Web Interface accessible at http://192.168.33.1 in the Wi-Fi network, created by the device in Access Point mode, or at the URL address of the device in the Wi-Fi network it is connected to. The embedded Web Interface can be used to monitor and control the device, as well as adjust its settings. Shelly® devices can communicate directly with other Wi-Fi devices through HTTP protocol. An API is provided by Allterco Robotics EOOD.
For more information, please visit:
https://shelly-api-docs.shelly.cloud/#shelly-family-overview.
Shelly® devices are delivered with factory-installed firmware. If firmware updates are necessary to keep the devices in conformity, including security updates, Allterco Robotics EOOD will provide the updates free of charge through the device embedded Web Interface or Shelly Mobile Application, where the information about the current firmware version is available. The choice to install or not the Device firmware updates is User’s sole responsibility. Allterco Robotics EOOD shall not be liable for any lack of conformity of the Device caused by failure of the User to install the provided updates in a timely manner.
Control your home with your voice
All Shelly devices are compatible with Amazon Echo and Google Home. Please see our step-by-step guide on:
https://shelly.cloud/support/compatibility/
Installation Instructions
The Triple Phase Wi-Fi Energy Meter, Shelly 3EM by Allterco Robotics is intended to be mounted next to the breakers, in order to monitor the electric power through it, independent for each channel and heavy-duty contactor control. Shelly may work as a standalone Device or as an accessory to a home automation controller. Shelly 3EM can measure in comming and outgoing energy.
- Purpose of control: Operating
- Construction of control: Independently mounted
- Type 1.B Action
- Pollution Degree 2
- Impulse Voltage: 4000 V
Depending on how many phases you want to measure, you have to connect your Shelly 3EM according to the provided scheme.
CAUTION! Danger of electrocution. Mounting/installation of the Device to the power grid has to be performed with caution, by a qualified electrician.
CAUTION! Danger of electrocution. Every change in the connections has to be done after ensuring there is no voltage present at the Device terminals.
CAUTION! Use the Device only with a power grid and appliances which comply with all applicable regulations. A short circuit in the power grid or any appliance connected to the Device may damage the Device.
CAUTION! Do not connect the Device to appliances exceeding the given max load!
CAUTION! Connect the Device only in the way shown in these instructions. Any other method could cause damage and/or injury.
CAUTION! Do not install the Device where it can get wet.
- First step is to install the measuring clamps over the wires. Open the current transformer with screwdriver then clamp it over the desired power cable. Do this for all the current transformers, please follow the current flow diagram.
On the bottom of your Split core transformer, you will see an arrow showing the direction of the energy flow.

1. split core current transformer
- Second step is to wire the phase to the respective terminal on Shelly 3EM. Please use wire and tight it well with screw on the Shelly terminals.
- Last step is to wire the power to the device. Please connect the power wire to the respected terminal.
3 phase wiring scheme – Fig.1
2 phase (US) wiring – Fig.2
1 phase + separate solar power measurement wiring – Fig.3
1 phase wiring up to 3 different circuits – Fig.4
CAUTION! Connect the current transformers accordingly for each channel! Each current transformer is marked and calibrated for the respective input of the Device. Any improper connection will lead to incorrect device measurement and visualisation.

Initial Inclusion
If you choose to use the Device with the Shelly Cloud mobile application and Shelly Cloud service, instructions on how to connect the Device to the Cloud and control it through the Shelly App can be found in the “App Guide” www.shelly.cloud/app-guide.
The Shelly Mobile Application and Shelly Cloud service are not conditions for the Device to function properly. This Device can be used standalone or with various other home automation platforms and protocols.
CAUTION! Do not allow children to play with the buttons/switches connected to the Device. Keep the Devices for remote control of Shelly (mobile phones, tablets, PCs) away from children.
Specification
- Power supply: 110-240 VAC, 50/60Hz
- Max measurement per channel: 120 A
- Relay Max Load: 10 A / 240 VAC
- Working temperature: -20°C up to 40°C
- Max RF output power: 10.82 dBm
- Radio protocol: Wi-Fi 802.11 b/g/n
- Frequency: 2412-2472 МHz; (Max. 2483.5 MHz)
- Operational range (depending on local construction):
– up to 50 m outdoors
– up to 30 m indoors - Dimensions(HxWxL): 73x57x22 mm
- Electrical consumption: < 1W
- MQTT: Yes
- CoAP: Yes
- Webhooks (URL actions): up to 8 with 5 URLs per hook
- Schedules: 20
Energy Theft Detection
In order to have this feature available, you might need to update the firmware of your device. With an additional split core current transformer, connected to the IN- IN+ terminal of Shelly 3EM, you may receive a notification, if there is any energy theft or leakage. Please follow the wiring diagrams on fig. 1 and 2, dependent on your application.
Declaration of conformity
Hereby, Allterco Robotics EOOD declares that the radio equipment type Shelly 3EM is in compliance with Directive 2014/53/EU, 2014/35/EU, 2014/30/EU, 2011/65/EU. The full text of the EU declaration of conformity is available at the following internet address:
https://shelly.link/3em_DoC
Manufacturer: Allterco Robotics EOOD
Address: Bulgaria, Sofia, 1407, 103 Cherni vrah Blvd.
Tel.: +359 2 988 7435
E-mail: [email protected]
Web: http://www.shelly.cloud
Changes in the contact data are published by the Manufacturer at the official website of the Device http://www.shelly.cloud
All rights to trademark Shelly®, and other intellectual rights associated with this Device belong to Allterco Robotics EOOD.

Phase A
Public network
Circuit 1



















