ESL VISION ESL-EMG-SL6-CSC-8W LED Emergency Driver

LED EMERGENCY DRIVER
ESL-EMG-SL6-CSC-8W
Project:
Catalog #:
Date:
Notes:
Key Features & Benefits:
- Field or Factory Installation–UL 924 and
- CSA C22.2 No. 141 Emergency Lighting Compliant
- Meets CEC Title 20 Requirements.
- Monthly and Yearly Auto Test Function for
Reduced Maintenance. - Meets or Exceeds All NEC Emergency Lighting Standards.
- Slim Profile Design
- Compatible With AC Input Lamps And DC Output Drivers (see wiring diagrams for more info)
- Constant Power Output Provides 90 Minutes of Consistent Egress Lighting with No Degradation
- Emergency Test Button Wall Plate
- An Illuminated Test Switch/Charging
Indicator Light is Provided
Product Specifications
Input
- Rated Current: 150 mA (Max)
- AC Input Power Rating: 10W
- Rated Voltage: 100–347VAC 50/60Hz
Output
- Emergency Output Power: 8W (Max) Output Voltage: 170VDC
- Output Short Protection: Yes Output Open Protection: Yes
Emergency
- Emergency Operation: 90 Minutes
- Charging Time: 24 Hours
- Charging Cycles: 1000
Environment
- Operating Temperature: 41° to 122°F(5° to 50°C)
- Dimensions (LxWxH): 13.59″ x 1.5″ x 0.99″
- Weight (lbs): 2.66
Emergency Lumen Output
| FIXTURE EFFICACY | OUTPUT POWER (8W) | OUTPUT POWER (18W) |
| 100 lm/W | 800 Lumens | 1,800 Lumens |
| 120 lm/W | 960 Lumens | 2,160 Lumens |
| 140 lm/W | 1,120 Lumens | 2,520 Lumens |

Wiring Diagrams
Standa immable Fixture

Non-Dimming Fixture Installation

AC Sensor Installation

Dimmer Installation

DC Sensor Installation

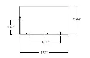
Dimensions:

Included Accessories
Face Plate

OPERATION (INDICATOR STATUS)
| MODE | TEST BUTTON OPERATION | INDICATOR STATUS | SOLUTION |
| AC Mode (1) | NO Press | ON (no flashing) | Emergency LED driver is charging. |
| AC Mode (2) | Press Once | 2s ON and 2s OFF (Slow flashing) | Emergency LED driver is conducting a 30s short-term emergency test. After 30 seconds, it will automatically restore to normal charging mode. |
| AC Mode (3) | Press Twice (2s) in Sequence | 2s ON and 2s OFF (Slow flashing) | Emergency LED driver is conducting a long-term emergency test until battery is fully discharged. |
| Emergency Mode | NO Press | 2s ON and 2s OFF (Slow flashing) | Emergency LED driver is conducting a long-term emergency test until battery has no power. |
| Abnormal | When flashes (50ms ON and (50ms OFF fast, the emergency backup is abnormal. Contact Manufacturer. | ||
| WARNING Risk of Electrical Shock | Note Please press test button once to make certain the battery is turned off, before installation, maintenance, storage or shipping. | ||
Plastic Integrated Indicator Light 
Installation Hole Size: 00.63″
Copyright © 2023 ESL Vision, LLC. All rights reserved. Rev: 03/13/23





















