
INTEX Krystal Clear 601 Filter Pump

INTEX Krystal Clear 601 Filter Pump Owner’s Manual
Don’t forget to try these other fine Intex products: Pools, Pool Accessories, Inflatable Pools and In-Home Toys, Airbeds and Boats available at fine retailers or visit our website listed below. Due to a policy of continuous product improvement, Intex reserves the right to change specifications and appearance, which may result in updates to the instruction manual without notice.
IMPORTANT SAFETY RULES
Read, Understand and Follow All Instructions Carefully Before Installing and Using this Product.
READ AND FOLLOW ALL INSTRUCTIONS
WARNING
- To reduce the risk of injury, do not permit children to use this product. Always supervise children and those with disabilities.
- Children must stay away from this product and electrical cord(s).
- Assembly and disassembly by adults only.
- Risk of electric shock. Connect only to a grounding type receptacle, this product is provided with a ground-fault circuit interrupter. If replacement of the plug or cord is needed, use only identical replacement parts.
- Always unplug this product from the electrical outlet before removing, cleaning, servicing or making any adjustment to the product.
- The unit is provided with a ground-fault circuit interrupter (GFCI). To test the GFCI, push the test button. The GFCI should interrupt power. Push the reset button, power should be restored.
If the GFCI fails to operate in this manner. The GFCI is defective. If the GFCI interrupts power to the pump without the test button being pushed, a ground current is flowing, indicating the possibility of an electric shock. Do not use this pump. Disconnect the pump and have the problem corrected by a qualified service representative before using. - Do not bury the electrical cord. Locate the cord where it will not be damaged by lawn mowers, hedge trimmers and other equipment.
- To reduce the risk of electric shock, the supply cord cannot be replaced. If the cord is damaged, the appliance should be replaced immediately.
- To reduce the risk of electric shock, do not use extension cords, timers, plug adaptors or converter plugs to connect unit to electric supply; provide a properly located outlet.
- Do not attempt to plug in or unplug this product while standing in water or when your hands are wet.
- Do not use an appliance leakage current interrupter (ALCI) in place of a GFCI since the ALCI will not protect people.
- Position this product away from the pool, so as to prevent children from climbing on it and accessing the pool.
- Make sure the electrical parameters indicated on the product correspond to the local mains voltage before you connect the unit.
- This product is intended to be used only for the purposes described in the manual!
FAILURE TO FOLLOW THESE WARNINGS MAY RESULT IN PROPERTY DAMAGE, ELECTRIC SHOCK, ENTANGLEMENT OR OTHER SERIOUS INJURY OR DEATH
CAUTION
This product is for use with storable pools only. Do not use with permanently-installed pools. A storable pool is constructed so that it is capable of being readily disassembled for storage and reassembled to its original integrity. A permanently-installed pool is constructed in or on the ground or in a building such that it cannot be readily disassembled for storage.
To reduce the risk of electric shock the pool must be installed no closer than 6 feet (1.8 m) from any electrical outlet. Do not place portable appliances closer than 5 feet (1.5 m) from the pool.
These product warnings, instructions and safety rules provided with the product represent some common risks of water recreation devices and do not cover all instances of risk and danger.
Please use common sense and good judgement when enjoying any water activity
SAVE THESE INSTRUCTIONS
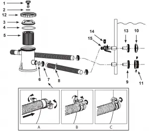
PARTS REFERENCE
Before assembling your product, please take a few minutes to check the contents and become familiar with all the parts.

NOTE: Drawings for illustration purpose only. May not reflect actual product. Not to scale
REF. NO. | DESCRIPTION | QTY. | SPARE PART NO. |
1 | AIR RELEASE VALVE | 1 | 10460 |
2 | VALVE O-RING | 1 | 10264 |
3 | FILTER HOUSING COVER | 1 | 11917 |
4 | COVER SEAL | 1 | 11919 |
5 | FILTER CARTRIDGE | 1 | 29007 |
6 | HOSE SEAL | 2 | 10134 |
7 | HOSE CLAMP | 4 | 11489 |
8 | HOSE | 2 | 11916 |
9 | STRAINER CONNECTOR | 1 | 11070 |
10 | POOL INLET JET NOZZLE | 1 | 12364 |
11 | STRAINER GRID | 1 | 11072 |
12 | THREADED FILTER HOUSING COLLAR | 1 | 11918 |
13 | INLET STRAINER CONNECTOR | 1 | 12365 |
14 | AIR JET VALVE | 1 | 12363 |
15 | POOL INLET AIR ADAPTOR | 1 | 12366 |
16 | AIR JET VALVE CAP (NOT SHOWN) | 1 | 12373 |
When ordering parts, be sure to quote the model number and part numbers.
No tools are required for the assembly.
SETUP INSTRUCTIONS
Be sure you have access to water to fill the pool and chemicals for the water.
IMPORTANT: This filter pump is shipped with the air release valve (1) open (open the air release valve if necessary). DO NOT replace the air release valve until you reach STEP #8.
Failure to follow these instructions will result in air trapped inside filter housing; the motor will run dry, be noisy and malfunction.
- Assemble above-ground-pool first. Carefully follow the pool’s installation instructions.
- Place the filter pump the length of the hose away from the pool wall where the lower black protruding hose connection is “sticking-out”.
- Insert the nozzle union (13 & 10) into the upper protruding hose connections, and then attach the pool inlet air adaptor (15) to the upper protruding fitting. Screw the air jet valve (14)over the pool inlet air adaptor (15). Then insert the strainer union (9 & 11) into the lower protruding hose connections. The hoses (8) fit over the strainers inserted into the connections.
- There are two hoses to be connected to the filter pump hose connections. With hose clamps (7), fasten one of the hoses (8) to the lower protruding hose connection (marked “+” on the pool liner) and to the upper pump connection (marked “+”).
- Connect the second hose to the pool inlet air adaptor (15) and to the lower pump connection. Make sure all the hose clamps (7) are tight. NOTE: Make sure the air jet valve (14) is securely tighten onto the pool inlet air adaptor (15) and facing up.
- In a counter-clockwise motion unscrew the threaded filter housing collar (12) from the filter housing. Grasp and remove the housing cover (3). Check to see if a cartridge is inside the housing. If yes, replace the cover, finger tighten the housing collar (12) back onto the filter housing.
- Fill the pool to a level of at least 1-2 inches above the top connection. The water will automatically flow down into the pump.
8. When water starts flowing out of the air release valve hole, screw in the air release valve back into the filter housing cover. Do not over tighten the valve.
NOTE: Venting the system is necessary for air to escape as the filter housing fills with water. - Connect the filter pump to the power outlet. The filter pump is now filtering the water.
- Operate the filter pump until the desired water clarity is obtained.
NOTE: Never put pool chemicals directly into the filter pump. This may damage the pump and void the warranty.
For Pools with Dual Suction Outlets Configuration:
In order to comply with the requirement of the Virginia Graeme Baker Act (for USA and Canada), your pool is designed with dual suction outlets and one inlet fittings. Parts in grey highlight on this page are supplied with the pool set package and are shown here for assembly purposes only. If this pump was purchased as part of a pool set, refer to the pool owner’s manual for more details.
(ILLUSTRATION NOT TO SCALE)
|
| Risk of electric shock. Connect this product only to a grounding type receptacle protected by a ground-fault circuit interrupter (GFCI). Contact a qualified electrician if you cannot verify that the receptacle is protected by a GFCI. Position this product away from the pool, so as to prevent children from climbing on it and accessing the pool. |
Maintenance
CLEANING OR REPLACING FILTER CARTRIDGES
- Make sure filter pump is not operating. Disconnect line cord.
- To prevent water from escaping the pool, unscrew the pool inlet nozzle (10) and strainer grid (11) from the strainer connectors and insert the hat-like plugs into the strainer connectors.
- In a counter-clockwise motion, remove the filter housing collar (12) and threaded cover (3).
Be careful not to lose the cover seal (4). - Remove filter cartridge (5) to clean it. The filter may be cleaned from the spray from a water hose.
- Use judgement as to whether cartridge needs to be replaced.
- Return cartridge to filtering position.
- Return the seal (4) and threaded cover (3) to their original positions and in a clockwise direction rescrew the housing collar (12) onto the filter housing.
- After service, open the air release valve, remove the plugs, allow any air to escape through the valve before tightening the valve again and replace the pool inlet nozzle (10) and strainer grid (11). The pump is now primed with water again and may be turned on.
POOL CARE AND CHEMICALS
- All pools require care to keep the water clear and hygienically clean. With proper chemical control, your filter will help attain this objective. Consult your pool supply dealer for instructions regarding the proper use of chlorine, algaecide and other chemical agents required for sparkling clear water.
- Keep pool chemicals away from children.
- Do not replenish chemicals in pool while pool is occupied. Skin or eye irritations could occur.
- Daily pH checking and chemical treatment of the water is very important and can not be overemphasized. Chlorine, algaecide and maintenance of proper pH levels are required when filling the pool as well as during the season. Consult your local swimming pool supply store for instructions.
- The season’s first filling of the pool may have brackish water requiring extra water additives and extra filter changes. Do not allow swimming in pool until the pH level is balanced. Consult your local swimming pool supply store for instructions.
- Keep spare filter cartridges on hand. Replace cartridges every two weeks.
- Chlorinated water may damage lawns, gardens or shrubbery as children play in the pool and splash water outside the pool. Lawn areas underneath the pool liner will be destroyed. Note that some types of grass may grow through the liner.
- Filter run time depends on pool size, weather and usage level. Experiment with various run times so as to produce clean clear water.
|
| Concentrated chlorine solutions may damage the pool liner. Always follow the chemical manufacturer’s directions, and the health and hazard warnings. |
LONG TERM STORAGE
- Before emptying your pool for long term storage, or relocation, be sure the water is directed towards an acceptable drain water receptacle away from the house. Check local regulations for specific directions regarding disposal of swimming pool water.
- Now, drain the pool.
- When the pool is empty, disconnect all pool hoses (8) from the pool and filter pump, simply reverse the set up instructions.
- Remove the filter cartridge as shown in the Filter Cartridge Cleaning section, steps 2 thru 4.
- Remove the nozzle and strainer unions from the pool wall. Place the wall plugs into the hose connections. Loosen clamps (7) securing the strainer connectors (9) before removal.
- Drain water from the filter pump housing.
- Leave filter pump pieces and hoses outside to thoroughly air dry.
- Depending on the cartridge (5) usage, a new cartridge may be needed for next season, keep a spare available.
- Cover the seal (4), air release valve O-ring (2) and hose seals (6) with petroleum jelly to preserve its resilience during storage.
- Store the unit and accessories in a dry place. The storage’s temperature should be controlled, between 32 degrees Fahrenheit (0 degrees Celsius) and 104 degrees Fahrenheit (40 degrees Celsius) storage location.
- The original packing can be used for storage.
TROUBLESHOOTING GUIDE
| TROUBLE | CAUSE | SOLUTION |
| FILTER MOTOR FAILS TO START |
|
|
| FILTER DOESN’T CLEAN POOL |
|
|
|
FILTER DOESN’T PUMP WATER OR FLOW IS VERY SLOW |
|
|
| PUMP DOESN’T WORK |
|
|
|
TOP COVER LEAKING |
|
|
| HOSE LEAKING |
|
|
|
AIR LOCK |
|
|
| POOL INLET AIR ADAPTOR / AIR JET VALVE LEAKING |
|
|
| PROBLEM | DESCRIPTION | CAUSE | SOLUTION |
| ALGAE |
|
|
|
| COLORED WATER |
|
|
|
| FLOATING MATTER IN WATER |
|
|
|
| CHRONIC LOW WATER LEVEL |
|
|
|
| SEDIMENT ON POOL BOTTOM |
|
|
|
| SURFACE DEBRIS |
|
|
|
IMPORTANT |
| If you continue to experience difficulty, please contact our Consumer Service Department for assistance. See separate “Authorized Service Centers” sheet. |
GENERAL AQUATIC SAFETY
Water recreation is both fun and therapeutic. However, it involves inherent risks of injury and death. To reduce your risk of injury, read and follow all product, package and package insert warnings and instructions. Remember, however, that product warnings, instructions and safety guidelines cover some common risks of water recreation, but do not cover all risks and dangers.
For additional safeguards, also familiarize yourself with the following general guidelines as well as guidelines provided by nationally recognized Safety Organizations:
- Demand constant supervision. A competent adult should be appointed as a “lifeguard” or water watcher, especially when children are in and around the pool.
- Learn to swim.
- Take the time to learn CPR and first aid.
- Instruct anyone who is supervising pool users about potential pool hazards and about the use of protective devices such as locked doors, barriers, etc.
- Instruct all pool users, including children what to do in case of an emergency.
- Always use common sense and good judgement when enjoying any water activity.
- Supervise, supervise, supervise.
For additional information on safety, please visit
- The Association of Pool and Spa Professionals: The Sensible Way to Enjoy Your Aboveground/Onground Swimming Pool www.nspi.org
- American Academy of Pediatrics: Pool Safety for Children http://www.aap.org
- Red Cross www.redcross.org
- Safe Kids www.safekids.org
- Home Safety Council: Safety Guide www.homesafetycouncil.org
- Toy Industry Association: Toy Safety www.toy-tia.org
LIMITED WARRANTY
Your Krystal Clear™ Filter-Pump has been manufactured using the highest quality materials and workmanship. All Intex products have been inspected and found free of defects prior to leaving the factory. This Limited Warranty applies only to the Krystal Clear™ Filter-Pump and accessories listed below.
The provisions of this Limited Warranty apply only to the original purchaser and is not transferable. This Limited Warranty is valid for the period noted below from the date of the initial retail purchase. Keep your original sales receipt with this manual, as proof of purchase will be required and must accompany warranty claims or the Limited Warranty is invalid.
Krystal Clear™ Filter-Pump Warranty – 2 Years
Hoses & Fittings Warranty – 180 days
If a manufacturing defect is found within the periods noted above, please contact the appropriate Intex Service Center listed in the separate “Authorized Service Centers” sheet.
The Service Center will determine the validity of the claim. If the Service Center directs you to return the product, please carefully package the product and send with shipping and insurance prepaid to the Service Center. Upon receipt of the returned product, the Intex Service Center will inspect the item and determine the validity of the claim. If the provisions of this warranty cover the item, the item will be repaired or replaced at no charge.
Any and all disputes regarding the provisions of this Limited Warranty shall be brought before an informal dispute settlement board and unless and until the provisions of these paragraphs are carried forth, no civil action may be instituted. The methods and procedures of this settlement board shall be subject to the rules and regulations set forth by the Federal Trade Commission (F.T.C.). IMPLIED WARRANTIES ARE LIMITED TO THE TERMS OF THIS WARRANTY AND IN NO EVENT SHALL INTEX, THEIR AUTHORIZED AGENTS OR EMPLOYEES BE LIABLE TO THE BUYER OR ANY OTHER PARTY FOR DIRECT OR CONSEQUENTIAL DAMAGES OR LIABILITIES. Some states, or jurisdictions do not allow the exclusion or limitation of incidental or consequential damages, so the above limitation or exclusion may not apply to you.
This Limited Warranty does not apply if the products are subject to negligence, abnormal use or operation, accident, improper operation, improper voltage or current contrary to operating instructions, or to damage by circumstances beyond Intex’s control, including but not limited to, ordinary wear and tear and damage caused by exposure to fire, flood, freezing, rain, or other external environmental forces. This Limited Warranty applies only to those parts and components sold by Intex. The Limited Warranty does not cover unauthorized alterations, repairs or disassembly by anyone other than Intex Service Center personnel.
FAQS
I have the round 12′ w x 30″ h pool that came with the 530 gph filter pump that has 1 1/4″ hoses and this 1000 gph pump was a direct replacement. No hose adapters were needed. I’m not exactly sure what the model number is of the 530 gph pump but the hoses fit perfectly onto this pump. All I did was plug the inlet/outlet openings in the pool with the plugs that came with the pool and swapped out the pump. Took 5 minutes. I found a lot of the reviews here confusing because some seemed to indicate that hose adapters would be necessary but that turned out not to be the case. I’m pretty happy with this pump. Works waaaay better than the 530 gph.
It may fit depending on the hoses. I own a 12×30 Summer waves pool with 1.25 inch hose openings and I was able to use this pump. I had to purchase hose adapters and threading tape.
Includes pump, two hoses and directional inlet. NO outlet fittings and NO plunger valves. In addition, for anyone making a “hillbilly pool” with a stock tank, this cannot pull water over the top. The best I can see, holes will need to be cut in the side so water can flow down into the pump.
Sometimes debris will get past the skimmer and get caught in the plastic grating where the water leaves the pool. Unscrew the cover inside the pool where the outlet is and you may find it is clogged with hair and stems from leaves etc. If that isn’t the cause, try changing the filter and/or opening the valve on top of the filter housing to release any air that may have built up in the pump
Yes it has a timer. Adjustable at set hours. 2,4,6,8,and 12 hours I believe. Lowest setting is 2 and longest setting is 12
It uses a pleated cylindrical filter, Type B 5 3/4″ diameter x 10″ high.
1-1/4″ 1.24 inches
Yes. It has one inside it. I purchased an extra pack of filters with it just to have them as needed.
No it will not. This pool pump is way to small ,to circulate the amount of water that needs to be filtered. You will need to get the pool pump filter that uses the # A – filters. Remember, you can wash the filters with a hard pressure setting on you garden hose nozzle.
No the 2500 gph is a b filter.
The smaller intex pumps (1000 & 1500) take the A or C filters.
Not really and depending how deep the pool is will matter. This pump is designed to fit in thick vinyl pool with prepositioned openings that allow for circulation. I have 14’ round 48” high pool and my old pump burned out after 3 years of use. I would recommend buying the Intex pool set, pump included.
Yes out this pump on our 10×30 Intex but you do need adapters
It would if it had worked
You would be better to run 2 filters in the pool that would filter twice as much water. Instead of filtering the filtered water a second time.
A converter is what I had to purchase for my pool, a 16′ radius pool. Check out my video I posted. You’ll see the reducer I had to purchase for my pool.
I use it for a 13 ft round pool and it is great I did need to buy special adapters for the hoses because the pump uses larger ones.
I believe they are 1.5 inches as opposed to the 1 1/4 that came with my pool.
VIDEO
DO NOT GO BACK TO THE PLACE OF PURCHASE FOR RETURN OR REPLACEMENT. IF YOU ARE MISSING PARTS OR NEED ASSISTANCE, PLEASE CALL US TOLL-FREE (FOR U.S. AND CANADIAN RESIDENTS): 1-800-234-6839 OR VISIT OUR WEBSITE: WWW.INTEXCORP.COM.
Proof of Purchase must accompany all returns or the warranty claim will be invalid.



















