AVT3165 Microprocessor Mole Repellent Instruction Manual

A repellent can be a very effective, yet environmentally friendly method of repelling moles from your lawns and domestic vegetable gardens. The “clicking” sound from the relay emitted around the
clock and the resulting vibration will alert the pest and thus effectively drive it away. The range of action of the repellent depends on the type of soil. Dry, sandy substrate dampens vibrations and sound waves.
The best effect will be obtained with moist or clay soil
Specifications
- 24-hour operation
- Randomly generated scare signal
- LED operation indicator
- low current consumption
- power supply 12 VDC
- board dimensions: 40×63 mm
Opis układu
Mole scaring from lawns sometimes becomes a necessity, although here it should be recalled that moles are partially protected by law. However, they can destroy quickly and effectively enough to have considerable effect on our garden aesthetics.
Primarily that are the moles that can destroy the work of gardeners, but voles, field mice, ground squirrels and dormice can also be counted among the devastators. To be able to control these pests, the presented microprocessor mole repellent was designed. This repelling device is a unit that randomly emits vibrations using a relay. Due to the variability of the vibrations generated, pests should not get used to it. This is an opportunity for a humane way of getting rid of unwanted animals that do not die but move to another area. First effects can be observed after just a few days.
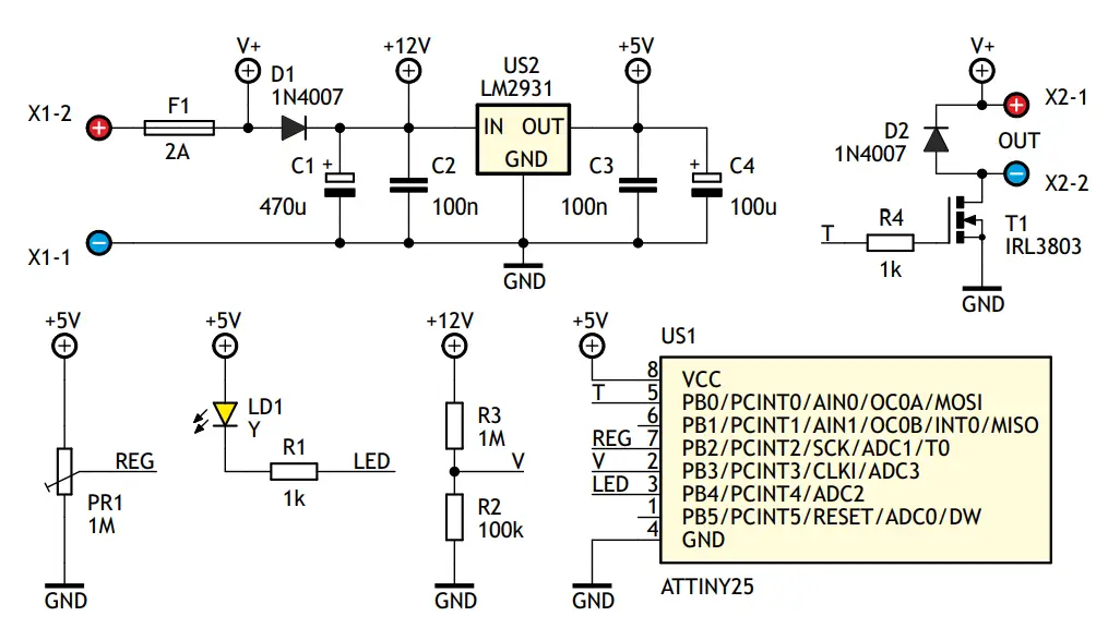
The circuit diagram of the repellent is shown in Figure
- Input voltage fed from screw connector X1 goes to US2 stabiliser. The D1 diode installed in series with the power supply protects the circuit from incorrect polarity of the input voltage. Capacities C1 … C4 act as a power filter. The LDO stabiliser was used to reduce current consumption. The system must be powered by a 12V battery, e.g. a gel battery or a stabilised power supply also with 12VDC. Current capacity of the power source used depends mainly on the receiver used. In this case, it is a car relay, so 250mA is enough with a spare. There is nothing stopping you from experimenting with a DC
motor with a weight placed off-centre on its axis – Photo 1. It can also be a solenoid or a single tone alarm siren, making sure that these are supplied with the same voltage as that of the circuit. The repellent operation is controlled by a US1 ATtiny25 microcontroller timed by an internal timing signal. A resistive divider made up of resistors R2 and R3 connected to port PB3 allows the programme contained in the microcontroller to measure the battery voltage without the risk of damaging it with too high a voltage. The unit is designed for 24-hour operation. To simplify operation
there is only one setting element in the circuit. This is PR1 potentiometer, through which the switching frequency of the relay is set. Setting time ranges from 5 to 30 minutes. The programme design ensures randomness and the number and duration of the relay activations in defined time. This can be from 3 to 8 signals lasting from 2 to 5 seconds with a variable switching frequency of the receiver. The LED marked LD1 is for user interaction. When the battery is discharged, three short flashes appear every few seconds. During normal operation with a charged battery, the LED flashes briefly every few seconds to indicate correct operation of the repellent. When the repellent is activated, the LED is switched on and 2 seconds later a relay or other alternatively connected receiver is energised via transistor T1 and screw terminal X2. When attaching an alarm siren, it is important to remember its polarity. For the relay and the motor, the polarity does not matter
Mounting and start-up
The circuit should be mounted on a board, the diagram of which is shown in Figure 2. Photo under the title and Photo 2 will facilitate mounting. All parts are mounted on a single-sided PCB size 40×63 mm. Start mounting the circuit by soldering resistors and other small components, and finish with screw terminals and inserting the US1 IC into the socket. If the device is to work with a vibrating relay, skip the socket during assembly and solder the microcontroller directly onto the board. Once the circuit has been assembled, check very carefully whether the components have been soldered in correct direction and in correct places, and if no short-circuits occurred at the soldering points. A mistake at this mounting stage can lead to component damage or even its explosion, this applies mainly to electrolytic capacitors.
A circuit with properly mounted efficient components will work correctly straight away. Figure 3 shows the correct way to connect the relay (leads 85, 86) and power supply to the board. If your repellent will be exposed to direct weather conditions, it can be contained in the Z-54 enclosure, to which this PCB fits.
Photo 3 shows the board with the relay housed in the aforementioned enclosure. When using the mains adapter to power the repellent, it must also be protected from rain and moisture to prevent possible damage or electric shock.
Photo 3 shows the board with the relay housed in the aforementioned enclosure. When using the mains adapter to power the repellent, it must also be protected from rain and moisture to prevent possible damage or electric shock.
Figure 3. Connection method
Figure 3. Connection method
List of elements
AVT SPV reserves the right to make changes without prior notice.Installation and connection of the appliance not in accordance with the instructions, unauthorised modification of
components and any structural alterations may cause damage to the appliance and endanger persons using it. In such a case, the manufacturer and its authorised representatives shall
not be liable for any damage arising directly or indirectly from the use or malfunction of the product.
The self-assembly kits are intended for educational and demonstration purposes only. They are not intended for use in commercial applications. If they are used in such applications, the
purchaser assumes all responsibility for ensuring compliance with all regulations



























