AVT EDU627 Handy LED Flashlight Educational Soldering Kit Owner’s Manual
Building kit for simple, two diode, LED flashlight. Besides the basic functionality of the assembled flashlight, the kit is also a great way to learn the craft of soldering.
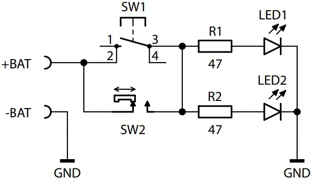
Flashlight uses three AAA (R03) batteries as a power supply. Thanks to the button and the switch used in the device, you can either flash the light, or keep it turned on. Circuit board measures 40 x 83mm, so the whole flashlight is small and snugly fits in the palm.
Specifications
- two, high brightness, white LED diodes
- continuous or alternate action
- continuous or alternate action
- circuit board dimensions: 40×83mm
- power supply (3 × R3/AAA battery -batteries not included)

Figure 1. Schematic diagram

Figure 2. Position of the elements on the printed circuit board

Suggested order of assembly:
R1, R2:…………….47Ω (yellow-violet-black-gold)
SW2: ……………….switch
LED1, LED2:……5mm white LED diode !
battery socket


Begin by soldering the elements onto the circuit board in order from smallest to largest. When assembling the elements marked with “!” pay attention to their polarity and placing of the notch You may find the frames with symbols of these elements on the circuit board, as well as photos of the assembled kit helpful.

Assembly instructions

- Touch the tip of the soldering iron to the end of the element near the soldering field.
- Next, apply tin solder
- After the cone forms, remove tin solder first and then the soldering iron.
- The whole process should take approx. 2-3 seconds
The cleanness of the soldered surfaces, right amount of flux in the solder, adequately high temperature (320-360°C), and sufficient amount of solder are necessary to complete a correct bonding. Too much tin solder can result in forming a ball instead of a cone or joining of two adjacent soldering points Inadequate temperature, amount of tin solder or impurities can lead to so called “cold solder joints, i.e. solder and the flux can’t moisten the two surfaces and the resulting solder point isfragile and in time will oxidize, break, and stop working.
Thank you for purchasing AVT product. Please take your time to read carefully the important information below concering use of this product.
Educational Electronics Kits are intended for educational and demonstration purposes only. They are not intended for use in commercial applications. If they are used in such applications the purchaser assumes all responsibility for ensuring compliance with all local laws. In addition, they cannot be used as a part of life support systems, or systems that for use as or as a part of life support systems, or systems that might create a hazardous situation of any kind.
- Battery or wall-adaptor are safe devices. They do not require special attention unless main voltage is connected to an output e.g. a relay.
- If the kit is used to switch currents greater than 24V it is necessary to have the installation and performed by a trained professional authorized for such work. The kit may only be used in such application if it was installed in a safe to touch enclosure.
- Never exceed the limits or ratings listed in the ‘Specifications’ section at the this user guide.
- If the kit is used in schools or educational facilities or similar institutions the operation must be supervised by trained and authorized staff.
- The product itself and all parts thereof (including packing material) are not suitable toys for childern! (choking hazard, risk of electric shock, …)
Failures in modern electronic component are very rare as 95% of non working kits are due to poor soldering or components placed in the wrong location or orientation so please check your work carefully
AVT SPV Sp. z o.o.
Leszczynowa 11 Street,
03-197 Warsaw, Poland
http://avtkits.com/

This symbol means do not dispose of your product with your other household waste. Instead, you should protect human health and the environment by handing over your waste equipment to a designated collection point for the recycling of waste electrical and electronic equipment.



















