Sky-Watcher EQ8R-V4 Computerized EQ Mount
Packing List 
SETTING UP THE EQ8-R MOUNT
Setting Up the Tripod
- Fully expand the tripod legs on level ground.
- Install the hand control bracket on the tripod.
- Place one or two counterweight(s) just between the bottom of the central post and the ground if there is enough space between them. This is a critical safety effort because the counterweight (s) will prevent users from accidentally putting their feet under the center pole.

- Fully release the clamp of the central post by loosening the two hex nuts on it with a 19mm hex wrench.

- Assemble the 3 adjustable spider trusses Do not tighten the thumb screws at this moment

- Slide the central post up/down in the clamp to the proper height and then tighten the 3 thumb screws on the spider trusses to prevent the central post from falling.
- Tighten both hex nuts on the clamp to secure the central post in the clamp. The two nuts MUST be tightened in an alternate manner to avoid damage to the clamp. Do not over tighten the two nuts.
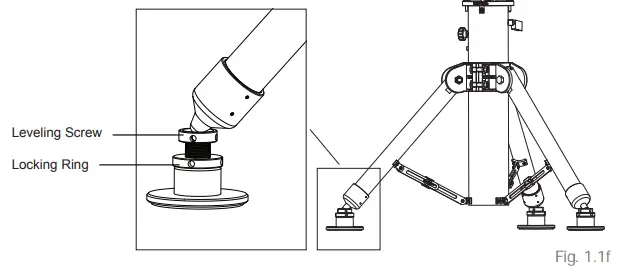
- The tripod can be placed directly on a level ground, or it can be placed on the 3 adjustable stands

- Tighten the locking ring when the tripod top is leveled.
Putting On the EQ8-R Mount
- Loosen the two azimuth adjustment knobs on the EQ8-R mount until there is sufficient space between the two knob screws
- Align the metal dowel on the tripod top with the gap between the two azimuth adjustment knobs; and then put the mount on the tripod top.

- Apply the two azimuth locking screws with washers to slightly fix the mount on the tripod top.
Slide the jackscrew handle in the hole at the end of the latitude jackscrew’s shaft. Apply two ball head screws on the handle. 
Installing the Counterweights
- Screw the counterweight rod into the mount.
- Remove the stopper cap at the end of the counterweight rod.
- Loosen the counterweight’s thumb screw and slide the counterweight onto the counterweight rod.
- Retighten the thumb screw to secure the counterweight on the rod

- Replace the stopper cap to the end of the counterweight rod.
Installing the Telescope
- Before installing a telescope, ensure:
- The counterweight rod is pointing towards the ground.
- All counterweights have been moved to the end of the counterweight rod.
- The R.A. axis is secured by tightening the R.A. Clutch Lever.
- Release the Dec. clutch lever and rotate the Dec. axis until the three knobs on the saddle are facing upward and the dovetail groove is leveled
- Tighten the Dec. clutch lever again

Balancing the Mount
- Loosen the R.A. clutch and rotate the R.A. axis until the counterweight rod is parallel to the ground. Tighten the R.A. clutch.
- Loosen the Dec. clutch and rotate the Dec. axis until the telescope is parallel to the ground. Tighten the Dec. clutch.
- Loosen the thumb screws on the counterweights.
- Hold the counterweight rod with one hand, release the R.A. clutch and adjust the counterweights along the rod until the mount is able to remain stationary without support. Tighten the thumb screws on the counterweights again.
- Rotate the R.A. axis; the mount should remain relatively balanced along different angles.
Once this is confirmed, return the mount to its original position described in Step 1 and tighten the R.A. clutch again. - Hold the telescope with one hand and release the Dec. clutch.
- Slowly let go of the telescope and check for any rotational movements. If there is a movement, slide the dovetail bar in the saddle to find a balancing position at which the telescope can remain stationary without support
POLAR ALIGNMENT
Prepare the Mount for Polar Alignment
- Set up the EQ8-R mount, counterweights, and telescope as described in PART I. It is recommended to polar-align the EQ8-R mount with all equipment installed.
- Loosen the primary locking knob and both azimuth locking screws; and then use the azimuth adjustment knobs to put the azimuth locking screws to the middle of the slots
- Tighten the azimuth locking screws slightly

- Loosen the fork gripping knobs and screws (Fig 2.1b) on both sides of the EQ8-R mount, and then tighten them slightly.
- Tighten the primary locking knob and then loosen it by 1/4 of a turn.
- Move the tripod to roughly align the R.A. axis to true north or south (for observing in southern hemisphere).
- Install the handle on the latitude jackscrew and use it to set the latitude dial reading to local latitude

Based on Star Alignment
- Use 2-Star alignment to align the mount by choosing two alignment stars with close declination, and then perform the polar-alignment routine.
- Repeat these operations several times until the polar alignment error reported after 2-Star alignment is small.
- Refer to Syn- Scan hand controller’s manual for detail operation instruction.
- At the end of the polar-alignment routine, tighten the primary locking knob, and then tighten the azimuth locking screws and the fork gripping knobs and screws.
- User should observe the alignment star in the eyepiece while alternately tightening these symmetric knobs and screws; try to minimize the movement of the alignment star in the eyepiece.
- It is recommended to remove the jackscrew handle after the polar-alignment has finished. This can prevent unexpected changes to the polar alignment.
Based on Camera
Free software PHD2 and SharpCap provide camera based polar alignment functions. Please refer to their instruction manuals for details
Based on the Optional Polar Scope
- Install the polar scope assembly on the EQ8-R mount

- Verify whether the polar scope is aligned with the R.A. Axis. (Refer to the upcoming section “Align the Polar Scope”).
- Use the SynScan Pro app (Menu “Advanced\Polar Scope”) to find the orientation of the Polaris or Octans in the FOV of a polar scope.
- Use the latitude jackscrew and the azimuth adjustment knobs to move Polaris or Octans to the desired position in the FOV of the polar scope.
- Tighten the primary locking knob, and then tighten the azimuth locking screws and the fork gripping knobs and screws.
- It is recommended to remove the jackscrew handle after the polar-alignment has finished.
- This can prevent unexpected changes to the polar-alignment.

Align the Polar Scope
Before using the polar scope for polar alignment, the polar scope itself must be calibrated to ensure the pattern in the polar scope is aligned to the mount’s R.A. axis. This includes two calibration routines:
Routine 1 – Align the pattern plate to the rotating axis of the polar scope
- Choose a fixed object (the Polaris at night, or a far-away object in daytime); put the reticle in the FOV of the polar scope on the object by adjusting the two azimuth adjustment knobs and the latitude jackscrew of the EQ8-R mount. Tighten the R.A. axis.
- Rotate the large knurled ring on the polar scope for exactly half a turn

- If the object remains at the center of the reticle in the polar scope after the rotation, then it means the polar scope’s pattern plate has been aligned to the polar scope’s rotating axis and no calibration is needed.
- If the object deviates from the reticle, then use a 1.5mm Allen wrench to adjust the three small Allen screws on the polar scope to eliminate the deviation to HALF.

Routine 2 – Align the rotating axis of the polar scope to the R.A. axis of the mount
- Release the R.A. clutch and level the counterweight rod, then lock the R.A. clutch again.
- Choose a fixed object (the Polaris at night, or a faraway object in daytime); put the reticle in the FOV of the polar scope on the object by adjusting the two azimuth adjustment knobs and the latitude jackscrew of the EQ8-R mount.
- Rotate the mount in R.A. axis for half a turn exactly. Tighten the R.A. clutch after the rotation.
- If the object remains at the center of the reticle in the polar scope after the rotation, then it means the polar scope’s rotating axis has been aligned to the R.A. axis and no calibration is needed.
- If the object deviates from the reticle, then adjust the three small adjustment screws to eliminate the deviation to HALF.

ELECTRONIC CONTROL INTERFACE
Control Panel
The control panel of the EQ8-R Mount is 
Panel Interface Components
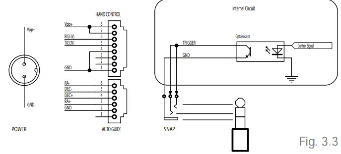
POWER: This is an outlet from which the mount and the hand control get power supply. To connect to a power supply, align the index on both the plug of the cord and the outlet on the panel, and then insert the plug to the outlet. Tighten the knurled cap on the plug to secure the plug on the panel.
POWER Switch: Turns on and off the power to the mount and hand controller.
USB: It provides a USB-to-Serial connection for controlling the mount.
HAND CONTROL: This RJ-45 8-pins outlet is for connecting a SynScan hand controller or a SynScan Wi-Fi dongle.
AUTO GUIDE: This RJ-12 6-pins outlet is for connecting an autoguider. It is compatible with any autoguider with a ST-4 type interface.
Pinout of the Interfaces
Power Supply Requirements
- Output Voltage: DC 11V (minimum) to DC 16V (maximum), higher voltage is preferred. Voltage not in this range might cause permanent damage to the motor controller or the hand controller.
- Output Power: 55W (minimum).
- Do not use an un-regulated AC-to-DC adapter. A Skywatcher AC-to-DC switching power supply( 13.7V/4A) for GOTO mount is highly recommended.
- If the power voltage is too low, the motor controller will stop the motors automatically
Cable Management System
IN – Auxiliary Power:
- 2.0mm I.D, 5.5mm O.D., central positive.
- DC 6V to DC 24V, 5A.
- It also powers the USB hub.
IN – USB:
- USB Type B receptacle.
- Connect to a USB port of a host computer using the supplied USB cables and/or USB hub.
- Can drive the USB hub for less than 0.4A payload.

Auxiliary I/O:
- Straight connections for the paired RJ10, RJ12 and RJ45 modular jacks.
- 0.5 A maximum current each pin.
OUT – Auxiliary Power:
- 2.0mm I.D, 5.5mm O.D., central positive.
- 4A/Outlet, 4A in total.
OUT – USB:
- USB Type A receptacle.
- 0.9A/Port if powered by an auxiliary power supply.
- 0.4A total output if powered by host USB port.

EQ8-R MOUNT FEATURES
SynScan Telescope Control System
- Our customers have the following options on controlling the EQ8-R mount:
- SynScan hand controller.
- SynScan Pro application for Windows (Free download from www.skywatcher.com) or
- SynScan Pro application for Android (Free download from Google Play), using built-in
- USB or optional SynScan Wi-Fi dongle.
- SynScan Pro app for iOS (Free download from App Store), using an optional SynScan Wi-Fi dongle.
- All the above options support ASCOM telescope control platform.
Permanent Periodic Error Correction
The EQ8-R mount is equipped with an index on its R.A. worm so the motor controller can continue to track the current position of the worm. After a proper PEC training routine, in which the training data is stored in the motor controller permanently, a user can start the periodic error correction (PEC) at any time to improve the tracking performance for short focal length astrophotography. A training process is not required in the next observing session (assuming that the polar alignment is always accurate), thus this is a Permanent Period Error Correction (PPEC). A user can train the mount with manual guiding or auto-guiding. For detailed instructions, please refer to the relevant section in the SynScan hand controller instruction manual
DIMENSIONS
SPECIFICATIONS
| Product Name | EQ8-R Mount EQ8-RH Mount (with high resolution R.A. encoder) |
| Mount Type | German Equatorial Mount |
| Payload (Rated for astrophotography; counterweights excluded) | 50kg |
| Latitude Adjustment Range | 15º to 65º |
| Azimuth Adjustment Range | ±10 º |
| Weight (Tripod excluded) | 25.8 kg |
| Counterweight | 2 x 10kg/ea. |
| Tripod | 29.4kg |
| Counterweight Rod | 2.6kg |
| Power Requirement | DC11~16V(Higher voltage preferred), 55W |
| Motor | 0.9 º Hybrid Stepper Motor |
| Transmission | 435:1 Worm Drive 256 Micro-step/0.9º Stepper Motor Drive |
| Gear Ratio | 435 |
| Resolution | 44,544,000 Counts/Rev., approx. 0.03 arc-second |
| Maximum Slewing Speed | 3.7 degrees/second |
| Tracking Rate | Sidereal rate, solar rate, lunar rate |
| Tracking Mode | Equatorial mode |
| Auto-guiding Speed | 0.125X, 0.25X, 0.5X, 0.75X, 1X |
| PEC | 200 Segments Permanent PEC |
| GOTO Controller | SynScan hand control, SynScan Pro App |
| Database | 42000+ Objects |
| Celestial Object Catalog | Messier, NGC, IC, SAO, Caldwell, Double Star, Variable Star, Named Star, Planets |
| Pointing Accuracy | Up to 5 arc-minutes (RMS) |
| Resolution of R.A. High Resolution Encoder (Optioanl, available on EQ8-RH Only) | 11,840,000 Counts/Rev., approx. 0.11 arc-second from Renishaw |








Slide the jackscrew handle in the hole at the end of the latitude jackscrew’s shaft. Apply two ball head screws on the handle. 






























