Tamiya TAM58518A SUPER CLOD BUSTER

ITEMS REQUIRED


Wheel type transmitter is also available.
Tamiya 7.2V battery

Compalible charger

TAMIYA PAINT COLORS
Twin motor
TOOLS REQUIRED

CAUTION
A supervising adult should also read the instructions if a child assembles the model when assembling this kit, tools including knives are used. Extra care should be taken to avoid personal injury. Keep out of reach of small children. Children must not be allowed to put any parts in their mouths or pull vinyl bags over their heads.
PRECAUTIONS

CHANNEL R/C SYSTEM

COMPOSITION OF 2 CHANNEL RIC UNIT
- Transmiiter: Serves as control box. Steering wheel/stick and throttle trigger/stick movements are transformed into radio signals which are transmined through the antenna.
- Trim: Lever for adjusting central posi11on of servo wheel & Trigger: Moves servos, which steer car and adjust throttle.
- Receiver. Accepts signals from the transmitter and converts them into pulses that operate the model’s servo and speed controller.
- Electronic speed controller: Accepts signals received from the receiver and controls the current going to the motor steering servo.
- Transforms signals received lrom the receiver into mechanical movements.
Checking R/C equipment

- Install batteries.
- Extend antenna. Loosen and extend.
- Connect charged battery.
- Switch on.
- Trlms In neutral.
- Steering wheel in neutral.
- Servo In neutral position.
Atteching

Attaching steering rods

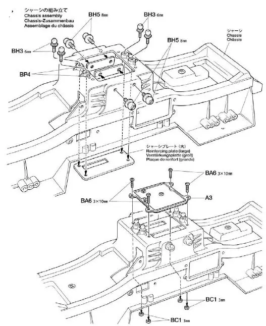
Chassis assembly

Attehing from body

Attaching steering servo

Battery holder

Atteching short tube

Axle tube

Axle tube short

Atteching gear

Gearbox assembly

Pinion gear
Motor Atteching
Suspension

Fitting suspension arm

Fitting in Lateral way

Axle stays Attachment
Assembling
Assembling tie rods




Guard assembly

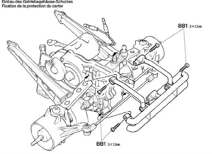
Attaching gearbox guard

Attaching gearboxes


Attaching dampers

Attaching R/C unit

When using a 2.4GHz receiver. position so that the antenna cable protrudes from the body.
Wheel assembly
Flt Into groove

Wheel (left)

Apply instant cement

Wheel (right)

Attaching wheels

Installing Battery pack

Painting body
Apply masking stickers in positions shown.

Paint whole body In Mica Blue. After paint has completely dried, mask over the areas to remain Mica Blue using masking stickers, masking tape (available separately) or parts bags used in kit. Paint the body with Gun Metal. Remove masking before paint has completely dried.

Oil bar assembly
Super charger

Roll bar

Atteching roll bar


Atteching wind shield

Front grille assembly

Attaching front grille
OPTIONS
Light Bulb Set

Marking

Attaching body
Avoid continuous running. Allow the motor to cool after each battery run.
PARTS
PARTSx1 9006236

PARTS X2 0005294


PARTSX1 0005971


PARTS x2 0005296

PARTS X1 o006970




Drive shaft bag

Press parts bag

Rod bag

Metal parts small box
Dltterentlal spur gear


Large bevel gear

SOT Counter and Counter gear

Tool bag

Required tools


Motor Atteching
Suspension
Assembling tie rods



















