
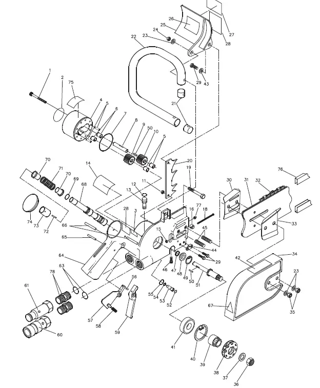
STANLEY CS05-06 Wood Cutting Chain Saw

Parts Descriptions

| ITEM NO. | PART NO. | QTY | DESCRIPTION |
| 1 | 00753 09622 | 8 | CAPSCREW CAPSCREW U/W MODEL |
| 2 | 74750 74748 | 1 | NAME TAG—CS06 NAME TAG—CS05 |
| 3 | 28323 | 1 | CE DECAL (CE ONLY) |
| 4 | 07652 | 1 | REAR GEAR HSG ASSY (7–9 GPM) |
| 07834 | 1 | REAR GEAR HSG ASSY (4–6 GPM) | |
| 5 | 00289 | 2 | DOWEL PIN |
| 6 | 04041 | 4 | BUSHING |
| 7 | 00020 | 1 | O-RING |
| 8 | 07612 | 1 | IDLER SHAFT |
| 9 | 04106 07832 | 2 | DRIVE GEAR (7–9 GPM) DRIVE GEAR (4–6 GPM) |
| 10 | — | — | NO ITEM |
| 11 | 00038 00788 | 1 | NUT NUT U/W MODEL |
| 12 | 01362 | 1 | O-RING |
| 13 | 02921 | 1 | AUTOMATIC OILER |
| 14 | 17784 | 1 | SOUND POWER LEVEL. DECAL (CE ONLY) |
| 15 | 06971 07724 | 1 | LOCKNUT LOCKNUT U/W MODEL |
| 16 | 07620 07714 | 1 | BAR ADJUSTMENT NUT BAR ADJUSTMENT NUT U/W MODEL |
| 17 | 11354 | 1 | OC/CC DECAL (NOT ILLUSTRATED) |
| 18 | 07632 07723 | 1 | SCREW SCREW U/W MODEL |
| 19 | 00144 00230 | 1 | CAPSCREW CAPSCREW U/W MODEL |
| 20 | 01116 | 1 | BUCKING CLEAT |
| 21 | 02649 | 2 | HANDLE BAR RETAINER |
| 22 | 07611 | 1 | HANDLE BAR |
| 23 | 02634 | 3 | WASHER |
| 12175 | 3 | WASHER U/W MODEL | |
| 24 | 00429 09277 | 1 | NUT NUT U/W MODEL |
| 25 | 07473 | 1 | HAND GUARD |
| 26 | 13907 | 1 | WARNING DECAL (KICKBACK) |
| 27 | 12412 | 1 | WARNING DECAL (ELECTRIC) |
| 28 | 28409 | 1 | COMPOSITE SAFETY DECAL (CE ONLY) |
| 29 | 07628 02446 | 3 | CAPSCREW CAPSCREW U/W MODEL |
| 30 | 66577 | 1 | CHAIN GUIDE PLATE-INSIDE |
| 31 | 08347 | 1 | SAW BAR 12 IN. |
| 07638 | 1 | SAW BAR 15 IN. | |
| 07639 | 1 | SAW BAR 20 IN. | |
| 32 | 08348 | 1 | SAW CHAIN – 12 IN. |
| 07641 | 1 | SAW CHAIN – 15 IN. |
| ITEM NO. | PART NO. | QTY | DESCRIPTION |
| 07642 | 1 | SAW CHAIN – 20 IN. | |
| 33 | 66578 | 1 | CHAIN GUIDE PLATE-OUTSIDE |
| 34 | 80884 | 1 | CHAIN GUARD |
| 35 | 07631 07722 | 2 | NUT NUT U/W MODEL |
| 36 | 00453 00808 | 1 | NUT NUT U/W MODEL |
| 37 | 07617 | 1 | WASHER |
| 38 | 07629 | 1 | RIM SPROCKET |
| 39 | 07616 | 1 | SPROCKET ADAPTER |
| 40 | 06635 | 1 | RET RING |
| 41 | 00335 07720 | 1 | BALL BEARING BALL BEARING U/W MODEL |
| 42 | 04746 | 1 | AUTOMATIC OILER DECAL |
| 43 | 04539 | 1 | WASHER |
| 44 | 07623 | 1 | CHAIN CATCHER |
| 45 | 07630 | 2 | STUD |
| 07712 | 2 | STUD U/W MODEL | |
| 46 | 02688 02764 | 1 | CAPSCREW CAPSCREW U/W MODEL |
| 47 | 04037 | 1 | SHAFT SEAL |
| 48 | 07615 | 1 | SEAL BACK-UP WASHER |
| 49 | 04856 | 1 | RETAINING RING |
| 50 | 04044 | 2 | NEEDLE ROLLER |
| 51 | 07613 07710 | 1 | DRIVE SHAFT DRIVE SHAFT U/W MODEL |
| 52 | 16070 | 1 | RETAINING RING |
| 53 | 10536 | 1 | SELECTOR SCREW |
| 54 | 00026 | 1 | O-RING |
| 55 | 07627 | 1 | O-RING |
| 56 | 00072 00875 | 1 | ROLL PIN ROLL PIN U/W MODEL |
| 57 | 07603 | 1 | SAFETY CATCH |
| 58 | 07602 07715 | 1 | SPRING SPRING U/W MODEL |
| 59 | 34093 | 1 | TRIGGER CASTING |
| 60 | 03972 | 1 | COUPLER, FEMALE |
| 61 | 03973 | 1 | COUPLER, MALE |
| 63 | 01605 | 2 | O-RING |
| 64 | 07693 07713 | 1 | VALVE HANDLE ASSY VALVE HANDLE ASSY U/W MODEL |
| 65 | 07624 07718 | 1 | ROLL PIN ROLL PIN U/W MODEL |
| 66 | 17668 74841 | 2 | ROLL PIN ROLL PIN U/W MODEL |
| 67 | 11207 | 1 | CIRCUIT TYPE D DECAL (CE ONLY) |
| 68 | 10535 | 1 | ON/OFF VALVE SPOOL |
| 69 | 07626 | 1 | O-RING |
| ITEM NO. | PART NO. | QTY | DESCRIPTION |
| 70 | 07609 | 2 | SPRING WASHER |
| 71 | 07610 | 1 | SPRING |
| 72 | 00190 | 1 | ROLL PIN |
| 73 | 10537 | 1 | KEEPER |
| 74 | 07625 | 1 | PLUG BUTTON |
| 75 | 03786 | 1 | GPM STICKER (7–9 GPM) |
| 03782 | 1 | GPM STICKER (4–6 GPM) | |
| 76 | 05144 | 1 | BAR & CHAIN GUARD |
| 77 | 00767 | 1 | GREASE FITTING U/W MODEL ONLY |
| 78 | 00936 | 2 | ADAPTER (COMES WITH ITEM 63) |
| 26414 | 1 | LOCK OUT KIT, SHIPPED INSTALLED (NOT SHOWN) | |
| 03971 | 1 | COUPLER SET | |
| 07830 | 1 | SEAL KIT |


















