
![]()

GBV 322, GBV 322VX
![]()
GHB28VPR







Introduction
Operator’s manual
The initial language of this operator’s manual is English. Operator’s manuals in other languages are translations from English.
Overview
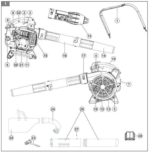
(Fig. 1)
| 1. Shoulder strap 2. Throttle trigger 3. STOP switch 4. Cruise control 5. Fan housing 6. Fuel tank cap 7. Air filter 8. Choke control 9. Primer bulb 10. Inlet cover 11. Vacuum handle 12. Mulch blade (GBV 322VX) 13. Fan impeller 14. Lower blower tube (GBV 322 ) | 15. VX blower tube (GBV 322VX) 16. Upper blower tube 17. Bolt 18. Muffler 19. Ground wire 20. Starter rope handle 21. Starter device 22. Handle 23. Combination tool 24. Collection bag tube 25. Collection bag 26. Vaccum tube in two sections 27. Screw 28. Operator’s manual |
Symbols on the product
(Fig. 2) Warning
(Fig. 3) Read this manual
(Fig. 4) Use approved head protection
(Fig. 4) Use approved hearing protection
(Fig. 4) Use approved eye protection (ANSI Z87.1 or equivalent)
(Fig. 5) Use approved protective boots and gloves
(Fig. 5) Wear long sleeves and trousers
(Fig. 6) Do not wear jewelry when you operate the product.
(Fig. 7) Use the tip of the screwdriver to release the latch.
(Fig. 8) Do not vacuum stones, gravel, metal, broken glass, rubber mulch, or other material which can cause damage to the impeller.
(Fig. 9) The product can cause objects to eject, which can cause damage to the eyes
(Fig. 10) Do not go near the impeller as it turns
(Fig. 11) Full choke
(Fig. 12) Half choke
(Fig. 13) No choke
(Fig. 14) Make sure that long hair is put up above your shoulders.
(Fig. 15) Safe distance
(Fig. 16) Guaranteed sound power level
(Fig. 17) This product agrees with the applicable EC directives.
(Fig. 18) The product agrees with the applicable EAC directives.
(Fig. 19) The product agrees with the applicable Ukraine directives.
(Fig. 20) The product agrees with the Australian electromagnetic compatibility (EMC) regulations.
Note: Other symbols/decals on the product refer to certification requirements for other commercial areas.
Euro V Emissions
WARNING: Tampering with the engine voids the EU type-approval of this product.
Product liability
As referred to in the product liability laws, we are not liable for damages that our product causes if:
- the product is incorrectly repaired.
- the product is repaired with parts that are not from the manufacturer or not approved by the manufacturer.
- the product has an accessory that is not from the manufacturer or not approved by the manufacturer.
- the product is not repaired at an approved service center or by an approved authority.
Safety
Safety definitions
The definitions below give the level of severity for each signal word.
WARNING: Injury to persons.
CAUTION: Damage to the product.
Note: This information makes the product easier to use. General safety instructions
- Use the product correctly. Injury or death is a possible result of incorrect use. Only use the product for the tasks found in this manual. Do not use the product for other tasks.
- Obey the instructions in this manual. Obey the safety symbols and the safety instructions. If the operator does not obey the instructions and the symbols, injury, damage or death is a possible result.
- Do not discard this manual. Use the instructions to assemble, to operate and to keep your product in good condition. Use the instructions for correct installation of attachments and accessories. Only use approved attachments and accessories.
- Do not use a damaged product. Obey the maintenance schedule. Only do the maintenance work that you find an instruction about in this manual. An approved service center must do all other maintenance work.
- This manual cannot include all situations that can occur when you use the product. Be careful and use your common sense. Do not operate the product or do maintenance on the product if you are not sure about of the situation. Speak to a product expert, your dealer, service agent or approved service center for information.
- Disconnect the spark plug cable before you assemble the product, put the product into storage or do maintenance.
- Do not use the product if it is changed from its initial specification. Do not change a part of the product without approval from the manufacturer. Only use parts approved by the manufacturer. Injury or death is a possible result of incorrect maintenance.
- Do not breathe in the fumes from the engine. Longterm inhalation of the engine’s exhaust fumes is a health risk.
- Do not start the product indoors or near flammable material. The exhaust fumes are hot and can contain a spark which can start a fire. Not sufficient airflow can cause injury or death because of asphyxiation or carbon monoxide.
- When you use this product the engine makes an electromagnetic field. The electromagnetic field can cause damage to medical implants. Speak to your physician and medical implant manufacturer before you operate the product.
- Do not let a child operate the product. Do not let a person without knowledge of the instructions operate the product.
- Make sure that you always monitor a person, with decreased physical capacity or mental capacity, that uses the product. A responsible adult must be there at all times.
- Lock the product in an area that children and unapproved persons cannot access.
- The product can eject objects and cause injuries. Obey the safety instructions to decrease the risk of injury or death.
- Do not go away from the product when the engine is on.
- The operator of the product is responsible if an accident occurs.
- Make sure that parts are not damaged before you use the product.
- Make sure that you are at minimum 15 m (50 ft) away from other persons or animals before you use the product. Make sure that persons in the adjacent area know that you will use the product.
- Refer to national or local laws. They can prevent or decrease the operation of the product in some conditions.
- Do not use the product if you are fatigued or influenced by alcohol, drugs or medicine. They can have effects on your vision, alertness, coordination or judgment.
Vibration safety
This product is for occasional operation only. Continuous or regular operation of the product can cause “white finger” or equivalent medical problems from vibrations. Examine the condition of your hands and fingers if you operate the product continuously or regularly. If your hands or fingers have discoloration, have pain, tingle, or are numb, stop work and speak to a physician immediately.
Safety instructions for operation of the blower
- Use the product only for blowing or removal of leaves and other debris on the ground.
- Do not operate the product when you are tired, ill, or have used alcohol, drugs or medicine.
- Do not let bystanders or animals to be less than 15 m (50 ft) from the operator.
- The product can eject objects at high speed that can ricochet and hit the operator. This can cause eye damage.
- Do not point the blower nozzle in the direction of persons or animals.
- Make sure that long hair is put above your shoulders.
- Stop the engine before you assemble or disassemble the accessories or other components.
- Do not operate the product without the guard.
- Do not operate the product if there are persons in the work area. Stop the product if a person goes into the work area.
- Do not operate the product in a space with unsatisfactory airflow. If the airflow is not sufficient, it can cause injury or death because of asphyxiation or carbon monoxide.
- The muffler is very hot while the product is on, after it stops and when it runs at idle speed. Be careful near flammable materials and flammable fumes.
- Do not touch the inlet cover area. Keep jewelry and loosely hanging clothing away from the inlet area.
- Always keep correct footing and operate the product only on safe and level surfaces. Slippery or not stable surfaces, such as ladders, can cause a loss of balance or control.
- Do not operate the product in a high area, such as on a roof.
- Secure the product during transport.
- Operate the product only at recommended hour. Obey the local regulations. Usual recommendations are 9:00 a.m. to 5:00 p.m. Monday through Saturday.
- Operate the product at the lowest possible throttle to do the work.
- Make sure that you cannot fall when you use the product. Do not tilt when you operate the product.
- Make sure that the product is in good condition before operation, specially the muffler, air intake and air filter.
- Use a rake or a broom to loosen ground debris before operation of the product.
- If the work area is dirty, spray it with a hose.
- Use the product as an alternative to a hose to save water.
- Blow debris safely. Look out for children, animals, open windows or vehicles.
- Do not point the product at easily damaged plants.
- Do not blow air in the direction of objects such as walls, large rocks, vehicles and fences.
- If you do work at inner corners blow from the corner and into the center of the work area. If not, debris can hit your face and cause eye injury.
- Use the full nozzle extension to keep the air stream near the ground.
- It is necessary that bystanders wear eye protection.
- Dispose the debris in the waste receptacles after use of the product.
Safety instructions for operation of the vacuum
- Prevent damage to the fan. Do not vacuum large, solid objects such as wood, cans, rubber mulch or long pieces of string.
- Do not let the vacuum tube hit the ground.
- Stop the engine and disconnect the spark plug cap before you remove a blockage or clogged material.
Personal protective equipment
- Always use correct personal protective equipment when you operate the product. The personal protective equipment does not erase the risk of injury. The personal protective equipment decreases the grade of injury if an accident occurs.
- Always use an approved eye protection while you operate the product.
- Do not operate the product with bare feet or with open shoes. Always use heavy-duty slip-resistant boots.
- Use heavy, long pants.
- If it is necessary, use approved protective gloves.
- Use a helmet if it is possible that objects fall on your head.
- Always use approved ear protection while you operate the product. Noise for a long period can cause noise-induced hearing loss.
- Always use an approved dust mask while you operate the product in dusty environments.
- Make sure that you have a first aid kit near.
Protective devices on the product
- Make sure that you regularly do the maintenance to the product.
- The life of the product increases.
- The risk of accidents decreases. Let an approved dealer or an approved service center regularly examine the product to do adjustments or repairs.
- Do not use a product with damaged protective equipment. If the product is damaged, speak to an approved service center.
Stop switch
Start the engine. Make sure that the engine stops when you move the stop switch to the stop position.
Muffler
WARNING: Do not touch the muffler if it is hot. The muffler is very hot while the engine runs and after it stops. If you touch the muffler, it can cause burns.
- Do not use an engine with a damaged muffler. A damaged muffler increases the noise level and the risk of fire. Keep a fire extinguisher near.
- Examine regularly that the muffler is attached to the product.
- Do not touch the engine or the muffler when then engine is on. Do not touch the engine or the muffler for a while after the engine stops. Hot surfaces can
cause injuries. - A hot muffler can cause a fire. Be careful, if you use the product near flammable liquids or fumes.
- Do not touch the parts in the muffler, if the muffler is damaged. The parts can contain some carcinogenic chemicals.
- Some blower models are have a spark-arresting screen.Clean and replace the screen at specified intervals. See the Maintenance section (Maintenance on page 12).
Fuel safety
- Do not start the product if there is fuel or engine oil on the product. Remove the unwanted fuel/oil and let the product dry. Remove unwanted fuel from the product.
- If you spill fuel on your clothing, change clothing immediately.
- Do not get fuel on your body, it can cause injury. If you get fuel on your body, use a soap and water to remove the fuel.
- Do not start the engine if you spill oil or fuel on the product or on your body.
- Do not start the product if the engine has a leak. Examine the engine for leaks regularly.
- Be careful with fuel. Fuel is flammable and the fumes are explosive and can cause injuries or death.
- Do not breathe in the fuel fumes, it can cause injury. Make sure that there is a sufficient airflow.
- Do not smoke near the fuel or the engine.
- Do not put warm objects near the fuel or the engine.
- Do not add the fuel when the engine is on.
- Make sure that the engine is cool before you refuel.
- Before you refuel, open the fuel tank cap slowly and release the pressure carefully.
- Do not add fuel to the engine in an indoor area. Not sufficient airflow can cause injury or death because of asphyxiation or carbon monoxide.
- Tighten the fuel tank cap carefully or a fire can occur.
- Move the product at a minimum of 3 m (10 ft) from the position where you filled the tank before a start.
- Do not put too much fuel in the fuel tank.
- Make sure that a leak cannot occur when you move the product or fuel container.
- Do not put the product or a fuel container where there is an open flame, spark or pilot light. Make sure that the storage area does not contain an open flame.
- Only use approved containers when you move the fuel or put the fuel into storage.
- Empty the fuel tank before long-term storage. Obey the local law on where to dispose fuel.
- Clean the product before long-term storage.
- Remove the spark plug cable before you put the product into storage to make sure that the engine does not start accidentally.
Safety instructions for maintenance
WARNING: Incorrect maintenance can result in serious engine damage or in serious injury.
The owner is responsible for the performance of all necessary maintenance as specified in the operator’s manual. Disconnect the spark plug before maintenance. Do not disconnect the spark plug before carburetor adjustments.
Assembly
WARNING: Read and understand the safety chapter before you assemble the product.
To install the upper blower tube
- Align the slot on the upper blower tube (A) with the tab in the blower outlet (B). (Fig. 21)
- Push the upper blower tube fully onto the blower outlet.
- Turn the upper blower tube until the hole in the tube is aligned with the threads in the nut in the blower outlet. (Fig. 22)
- Install the screw (C). (Fig. 23)
- Turn the screw clockwise with a screwdriver to attach the tube.
To install the lower blower tube
- Align the slots on the lower blower tube (A) with the tabs on the upper blower tube (B). (Fig. 24)
- Push the lower blower tube fully onto the upper blower tube.
- Turn the lower blower tube fully until the tab is engaged at the end of the slot. (Fig. 25)
To install the VX™ blower tube
- Align the slots on the VX™ blower tube (A) with the tabs on the upper blower tube (B). (Fig. 24)
- Push the VX™ blower tube fully onto the upper blower tube.™
- Turn the VX™ blower tube fully until the tab is engaged at the end of the slot. (Fig. 25)
To install the upper vacuum tube
- Insert the tip of a screwdriver into the latch area of the vacuum inlet. (Fig. 26)
- Gently tilt the handle of the screwdriver toward the front of the product to release the latch.
- Hold the vacuum inlet cover open until the upper vacuum tube is in place. (Fig. 27)
- Align the rib on the inside of the vacuum inlet with the slots on the upper vacuum tube.
Note: Align the indicators at the vacuum inlet opening and on the upper vacuum tube. - Push the upper vacuum tube fully into the vacuum inlet.
- Turn the upper vacuum tube fully clockwise until you feel a click. (Fig. 28)
To install the lower vacuum tube
- Align the slot on the lower vacuum tube with the tab on the upper vacuum tube.
- Push the lower vacuum tube fully onto the upper vacuum tube until the tab is engaged at the end of the slot. (Fig. 29)
- Install the screw.
- Turn the screw clockwise with a screwdriver to attach the tube. (Fig. 30)
To install the collection bag tube
- Align the slot on the collection bag tube (A) with the tab in the blower outlet (B). (Fig. 31)
- Push the collection bag tube fully onto the blower outlet.
- Turn the collection bag tube until the hole in the tube is aligned with the threads in the nut in the blower outlet. (Fig. 32)
- Install the screw (C).
- Turn the screw clockwise with a screwdriver to attach the tube. (Fig. 33)
Operation
WARNING: Read and understand the safety chapter before you operate the product.
Fuel
To use fuel
CAUTION: This product has a two-cycle engine. Use a mixture of gasoline and twocycle engine oil. Make sure to use the correct quantity of oil in the
mixture. Incorrect ratio of gasoline and oil can cause damage to the engine.
Gasoline
CAUTION: Do not use gasoline with an octane number less than 90 RON (87 AKI). This can cause damage to the product.
CAUTION: Do not use gasoline with more than 10% ethanol concentration (E10). This can cause damage to the product.
CAUTION: Do not use leaded gasoline. This can cause damage to the product.
- Always use new unleaded gasoline with a minimum ctane number of 90 RON (87 AKI) and with less than 10% ethanol concentration (E10).
- Use gasoline with a higher octane number if you frequently use the product at continuously high engine speed.
- Always use a good quality unleaded gasoline/oil mixture.
Two-cycle engine oil
- Use only high quality two-cycle engine oil. Use only an air cooled engine oil.
- Do not use other types of oil.
- Mixture ratio 50:1 (2%) CAUTION: Do not use leaded gasoline. This can cause damage to the product.
| Gasoline | Oil |
| 1 U.S. Gal. | 77 ml (2,6 oz) |
| 1 UK Gal. | 95 ml (3,2 oz) |
| 5 l | 100 ml (3,4 oz) |
To make the fuel mixture
Note: Always use a clean fuel container when you mix the fuel.
Note: Do not make more than 30 days quantity of fuel mixture.
- Add half of the gasoline quantity.
- Add the full quantity of oil.
- Shake the fuel mixture to mix the contents.
- Add the remaining gasoline quantity.
- Shake the fuel mixture to mix the contents.
- Fill the fuel tank.
To add fuel
- Always use a fuel container with an antispill valve.
- If there is some fuel on the container, remove the unwanted fuel and let the container dry.
- Make sure that the area near the fuel tank cap is clean.
- Shake the fuel container before you add the fuel mixture to the fuel tank.
To start and stop
Before you start the engine
- Examine the product for missing, damaged, loose or worn parts.
- Examine the collection bag. Make sure that the collection bag is not damaged and that the zipper is closed.
- Examine the nuts, screws and bolts.
- Examine the air filter.
- Examine the throttle trigger for correct operation.
- Examine the stop switch for correct operation.
- Examine the product for fuel leaks.
To start a cold engine
WARNING: Do not wind the starter rope around your arm.
CAUTION: Do not hold the product with your foot.
CAUTION: Do not pull the starter rope to the end position. Do not let go of the starter rope handle when the starter rope is extended. This can cause damage to the product.
Note: If the engine stops, move the choke control to the closed position and do the starting steps again.
- Fill the fuel tank with a clean fuel mixture.
- Use your left hand to hold the body of the machine on the ground. Make sure the blower end is pointed away from persons, animals, glass and solid objects.
- Slowly push the air purge bulb 10 times.
- Move the choke lever to the FULL CHOKE position.
- Squeeze and hold the throttle trigger.
- Sull the starter rope handle quickly until the engine tries to run, but no more than 3 pulls.
Note: If the temperature is less than 4°C (40°F), continue to pull the starter rope handle until the engine tries to start. - Move the choke lever to the HALF CHOKE position.
- Pull the starter rope handle quickly until the engine runs.
- Let the engine run for 10 seconds.
- Move the choke lever to the NO CHOKE position.
To start a warm engine
- Slowly push the air purge bulb 10 times.
- Move the choke lever to the HALF CHOKE position.
- Pull the starter rope handle quickly until the engine runs.
- Move the choke lever to the NO CHOKE position.
To start an engine with vapor lock
Vapor lock occurs when the fuel in the fuel line or carburetor vaporizes because of increased heat.
The product may have vapor lock if it does not restart in an ambient temperature of more than 35°C (95°F) and it has been shut off for 15-45 minutes.
- Push the air purge bulb again and again for 10-15 seconds.
- Move the choke lever to the HALF CHOKE position.
- Pull the starter rope handle quickly until the engine runs.
- Let the engine warm up for 3 minutes at idle speed.
- Move the choke lever to the NO CHOKE position.
To stop the engine
- Push and release the engine STOP switch. The switch automatically returns to the ON position. Wait 7 seconds before you try to restart the product to make sure that the switch resets.
To adjust the VX™ blower tube
- Align the correct slot (A or B) on the outer VX™ blower tube with the tab (C) on the inner tube. (Fig. 34)
Note: You cannot see the tab when the tubes are assembled. You must feel the position of the tab as you move the outer tube.
Note: Engage the tab in position “A” for a large blower opening. A large blower opening moves wide areas of dry leaves and other unwanted material. Engage the tab in position “B” for a small blower opening. A small blower opening makes air flow faster to clean cracks and edging and to move heavy material such as wet leaves. - Turn the outer tube as shown to disengage the tab from the slot. (Fig. 35)
- Move the outer tube along the inner tube to change the position. (Fig. 36)
- Turn the outer tube as shown until the tab is fully engaged at the end of the correct slot location. (Fig. 37)
Operation position
- Blower (Fig. 38)
- Vacuum (Fig. 39)
To vacuum
Before you vacuum, put on the necessary safety equipment.
WARNING: Make sure that the collection bag is not damaged and that the zipper is closed before use. Do not use a bag that is damaged. This prevents injury caused by flying debris. Left hand operation increases the risk. Do not let your body touch the exhaust outlet area.
WARNING: Do not start the blower if the inlet cover is open or damaged (except if the vacuum tube is fitted).
- During operation of the blower the collection bag must be held by the shoulder strap. The strap must be worn on the top of the shoulder.
- Start the blower. Obey the instructions in the start and stop section To start and stop on page 11. Read the safety instructions Safety on page 7.
To empty the collection bag
WARNING: Always examine the collection bag. Make sure that it is not damaged and that the zipper is closed before use. Do not use a damaged bag. There is a risk of injury because of flying debris. Be careful if left hand operation is applied. Do not touch the exhaust outlet area.
- Stop the product.
- Open the zipper on the side.
- Empty the collection bag.
- Close the zipper.
Maintenance
WARNING: Read and understand the safety chapter before you clean, repair or do maintenance on the product.
Maintenance schedule
Make sure that you obey the maintenance schedule. The intervals are calculated from daily use of the product. The intervals are different if you do not use the product each day. Only do the maintenance work that is found in this manual. Speak to an approved service center about other maintenance work not found in this
manual.
Daily maintenance
- Clean the external surfaces.
- Examine the speed control and the throttle trigger function. Replace damaged parts.
- Examine the stop switch. If it is necessary, replace it.
- Examine the idle speed.
- Clean the air filter. If it is necessary, replace it.
- Make sure that the inlet cover can be locked in closed position. Make sure that the impeller is clean.
- Tighten all nuts and screws.
- Make sure that the housings are free of cracks.
- Make sure that the collection bag is not damaged and that the zipper works. Replace the bag if necessary.
Weekly maintenance
- Examine the condition of the starter device, the starter rope and the tension spring. Replace all damaged parts.
- Examine the condition of the air intake at the starter device. Remove debris if the air intake is clogged.
- Clean the external side of the spark plug. Remove it and examine the electrode gap. Adjust the distance to 0.6 mm (0.024 in) or replace the spark plug.
- Clean the blades on the impeller.
- Clean the spark-arresting screen and replace it if necessary (not on mufflers with a catalytic converter).
- Clean the carburetor area.
- Clean the air filter.
Monthly maintenance
- Examine the starter rope handle and the starter rope.
- Clean the fuel tank.
- Clean the carburetor and the area around it.
- Clean the blades on the impeller.
- Examine the fuel lines for cracks or other damage.
Change if necessary - Change the fuel filter in the fuel tank.
- Examine all cables and connections.
- Replace the spark plug.
- Change the air filter.
Yearly maintenance
- Examine the spark plug.
- Clean the external surface of the carburetor and its adjacent areas.
- Clean the cooling system.
- Examine the spark arrester screen.
- Examine the fuel filter.
- Examine the fuel hose for damage.
- Examine all cables and connections. 50 hours maintenance
- Have an approved service center repair or replace the muffler.
To adjust the idle speed
Make sure that the air filter is clean and the air filter cover is attached before you adjust the idle speed. Adjust the idle speed with the idle adjustment screw. (Fig. 40)
The idle speed is correct when the engine operates smoothly in all positions.
- Turn the idle adjustment screw clockwise for higher speed.
- Turn the idle adjustment screw counterclockwise for lower speed.
To do maintenance on the spark arrester screen
Use a wire brush to clean the spark arrester screen.
To clean the cooling system
Clean the parts of the cooling system with a brush.
To examine the spark plug
CAUTION: Always use the recommended spark plug type. Incorrect spark plug type can cause damage to the product.
- Examine the spark plug if the engine is low on power, is not easy to start or does not operate correctly at idle speed.
- To decrease the risk of unwanted material on the spark plug electrodes, obey these instructions:
a) Make sure that the idle speed is correctly adjusted.
b) Make sure that the fuel mixture is correct.
c) Make sure that the air filter is clean. - If the spark plug is dirty, clean it and make sure that the electrode gap is correct. See Technical data on page 14. (Fig. 41)
- Replace the spark plug, if necessary.
To do the maintenance to the air filter
To clean the air filter
- Remove the air filter cover and remove the air filter.
- Clean the air filter with warm soap water. Make sure that the air filter is dry before you install it.
- Replace the air filter if it is too dirty to fully clean it. Always replace a damaged air filter.
- If your product has a foam air filter, apply air filter oil. Only apply air filter oil to a foam filter. Do not apply oil to a felt filter.
Technical data
| unit | GBV 322 (GHB28VPR) | GBV 322VX (GHB28VPR) | |
| Engine Specifications | |||
| Cylinder displacement | cm3 | 26 | 26 |
| Electrode gap | mm | 0.6 | 0.6 |
| Fuel tank volume | cm3 | 500 | 500 |
| Idling speed | min-1 | 2800 – 3200 | 2800 – 3200 |
| Maximum power speed | min-1 | 8000 | 8000 |
| Power output | kW | 0.8 | 0.8 |
| Spark plug | Champion RCJ-6Y | Champion RCJ-6Y | |
| Maximum speed blow mode | min-1 | 8600 | 8600 |
| Maximum speed vacuum mode | min-1 | — | 7500 |
| Emission durability period | h | 50 | 50 |
| Noise and Vibration Data | |||
| Equivalent vibration level at handles with blower tubes and nozzle (original) – see note 1 | m/s2 | 8. | 8. |
| Equivalent vibration level at handles with vaccum tubes (origi- nal), left/right – see note 1 | m/s2 | 7. | 7. |
| Equivalent sound pressure level at the operators’ ear measured according to ISO 22868 equipped with blower tubes and nozzle (original) – see note 3 | dB(A) | 96. | 96. |
| Sound power level, guaranteed (LwA) – see note 2 | dB(A) | 112 | 112 |
| Sound power level, measured – see note 2 | dB(A) | 109 | 109 |
| Product Dimensions | |||
| Weight | kg | 4. | 5. |
| Note 1: Reported data for equivalent vibration level has a typical statistical dispersion (standard deviation) of 1.5 m/s2. Note 2: Noise emissions in the environment measured as sound power (LWA) in conformity with EC directive 2000/14/ EC. Reported sound power level for the machine has been measured with the original attachment that gives the highest level. The difference between guaranteed and measured sound power is that the guaranteed sound power also includes dispersion in the measurement result and the variations between different machines of the same model according to Directive 2000/14/EC. Note 3: Reported data for equivalent sound pressure level for the machine has a typical statistical dispersion (standard deviation) of 3 dB (A). | |||
| Fan | unit | GBV 322 | GBV 322VX |
| Type | Radial fan | Radial fan | |
| Max. air velocity, standard nozzle | km/h | 322 | – |
| Max. air velocity, VX”‘s blower tube* | km/h | – | 370 |
| Air volume blow mode | cfm | 370 | 450 |
| Air volume vacuum mode | cfm | 490 | 490 |
| Mulch ratio | 10:01 | 16:01 | |
| *optional accessory | |||
Contents of the EC Declaration of Conformity
We, Husqvarna AB, SE 561 82 Huskvarna, SWEDEN, declare under our sole responsibility that the represented product:
| Description | Gasoline Blower/ Blower-Vacuum |
| Brand | McCulloch |
| Platform / Type / Model | Platform GI-IB28VPR, representing model GBV 322, GBV 322VX |
| Batch | Serial number dating 2018 and onwards |
complies fully with the following EU directives and regulations:
| Directive/Regulation | Description |
| 2006/42/EC | “relating to machinery” |
| 2014/30/EU | “relating to electromagnetic compatibility” |
| 2000/14/EC | “relating to outdoor noise” |
| 2011/65/EU | “restriction of use of certain hazardous substances” |
Harmonized standards and/or technical specifications applied are as follows: EN ISO 12100, EN 15503,
CISPR 12, ISO 14982, EN 50581.
In accordance with directive 2000/14/EC, Annex V, the declared sound values are stated in the technical data section of this manual and in the signed EC Declaration of Conformity.
TÜV Rheinland N.A. has carried out a voluntary examination on behalf of Husqvarna AB, providing a
Certificate of conformity to EC Council directive 2006/42/EC for machinery.
The certificate, as provided on the signed EC
Declaration of Conformity, is applicable to all manufacturing locations and Countries of Origin, as stated on the product.
The supplied Gasoline Blower/ Blower-Vacuum conforms to the example that underwent examination.

















