Arctic 305-883-5581 Freon Leak Detector

Overview
Effective refrigerant leak detection is vital for ensuring safety, protecting the environment, maximizing energy efficiency, and in some jurisdictions to achieve regulatory compliance. Arctic offers single-zone gas monitors for single-compartment walk-ins and multiple-zone gas monitors for combination walk-ins and facilities with multiple walk-ins. The units we offer are designed to continuously test for the presence of gas. An audible alarm and front panel indicators are provided to signal alarm and fault conditions. The units require only minor periodic maintenance such as the occasional replacement of filters. The monitor incorporates active diagnostics that continuously check the system for proper operation.
System Features
- 1 ppm Minimum Detectable Level
- Early detection of refrigerant leaks
- Over 50 different refrigerants accurately detected
- Infrared sensor technology
- High performance sampling pump
- Minimal maintenance and no calibration required
- Available as Factory Integrated Solution on new walk-ins.
- Can be used as an Add-On solution to existing boxes.
System Benefits
- Detects leaks that other instruments can’t
- Early detection of refrigerant leaks
- Mitigate refrigerant loss, protect produce, enhance energy efficiency
- Select from a wide range of refrigerant calibration to meet project needs
- Accurate, precise measurement unaffected by other gases, temperature or humidity
- Fast response times, including extended sample lines
- Low cost of ownership
Single Zone System Overview
Front View

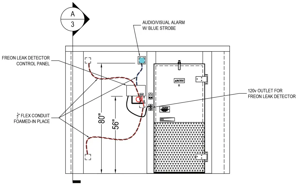
Section View – A3

Interior View

Detail View – D1

Miami, Florida: 305-883-5581
- Los Angeles, California: 626-508-0920
- E: [email protected]
- www.arcticwalkins.com


















