MER6600FB Freestanding Electric Range
Owner’s Manual
IMPORTANT:
Save for local electrical inspector’s use.
RANGE SAFETY
Your safety and the safety of others are very important.
We have provided many important safety messages in this manual and on your appliance. Always read and obey all safety messages.
This is the safety alert symbol.
This symbol alerts you to potential hazards that can kill or hurt you and others.
All safety messages will follow the safety alert symbol and either the word “DANGER” or “WARNING.” These words mean:
You can be killed or seriously injured if you don’t immediately follow instructions.
You can be killed or seriously injured if you don’t follow instructions.
All safety messages will tell you what the potential hazard is, tell you how to reduce the chance of injury, and tell you what can happen if the instructions are not followed.
The range will not tip during normal use. However, the range can tip if you apply too much force or weight to the open door without having the anti-tip bracket fastened down properly.
![]() | |
| Tip-Over Hazard A child or adult can tip the range and be killed. Install anti-tip bracket to floor or wall per installation instructions. Slide range back so rear range foot is engaged in the slot of the anti-tip bracket. Re-engage the anti-tip bracket if the range is moved. Do not operate range without anti-tip bracket installed and engaged. Failure to follow these instructions can result in death or serious burns to children and adults. | |
To verify the anti-tip bracket is properly installed and engaged:• Slide range forward. • Look for the anti-tip bracket securely attached to the floor or wall. • Slide range back so rear range foot is under the anti-tip bracket. • See Installation Instructions for details. | |
IMPORTANT SAFETY INSTRUCTIONS
WARNING: To reduce the risk of fire, electric shock, or injury to persons when using the appliance, follow basic precautions, including the following:
- WARNING: TO REDUCE THE RISK OF TIPPING OF THE RANGE, THE RANGE MUST BE SECURED BY PROPERLY INSTALLED ANTI-TIP DEVICES. TO CHECK IF THE DEVICES ARE INSTALLED PROPERLY, SLIDE RANGE FORWARD, LOOK FOR AN ANTI-TIP BRACKET SECURELY ATTACHED TO THE FLOOR OR WALL, AND SLIDE RANGE BACK SO THE REAR RANGE FOOT IS UNDER THE ANTI-TIP BRACKET.
- CAUTION: Do not store items of interest to children in cabinets above an appliance or on the backguard of an appliance – children climbing on the appliance to reach items could be seriously injured.
IMPORTANT SAFETY INSTRUCTIONS
- Do Not Leave Children Alone – Children should not be left alone or unattended in areas where the appliance is in use. They should never be allowed to sit or stand on any part of the appliance.
- Wear Proper Apparel – Loose-fitting or hanging garments should never be worn while using the appliance.
- User Servicing – Do not repair or replace any part of the appliance unless specifically recommended in the manual. All other servicing should be referred to a qualified technician.
- Storage in or on Appliance – Flammable materials should not be stored in an oven or near surface units.
- This appliance is not intended for storage.
- Do Not Use Water on Grease Fires – Smother fire or flame or use dry chemical or foam-type extinguisher.
- Do not use replacement parts that have not been recommended by the manufacturer (e.g. parts made at home using a 3D printer).
- Use Only Dry Potholders – Moist or damp potholders on hot surfaces may result in burns from steam. Do not let the potholder touch hot heating elements. Do not use a towel or other bulky cloth.
- DO NOT TOUCH SURFACE UNITS OR AREAS NEAR UNITS – Surface units may be hot even though they are dark in color. Areas near surface units may become hot enough to cause burns. During and after use, do not touch, or let clothing or other flammable materials contact surface units or areas near units until they have had sufficient time to cool. Among these areas are the coil elements, the cooktop, and the surfaces facing the cooktop.
- Use Proper Pan Size – This appliance is equipped with one or more surface units of different sizes. Select utensils having flat bottoms large enough to cover the surface unit
heating element. The use of undersized utensils will expose a portion of the heating element to direct contact and may result in the ignition of clothing. Proper relationship of utensil to burner will also improve efficiency. - Never Leave Surface Units Unattended at High Heat Settings – Boilover causes smoking and greasy spillovers that may ignite.
- Make Sure Reflector Pans or Drip Bowls Are in Place – The absence of these pans or bowls during cooking may subject wiring or components underneath to damage.
- Protective Liners – Do not use aluminum foil to line surface unit drip bowls or oven bottoms, except as suggested in the manual. Improper installation of these liners may result in a risk of electric shock, or fire.
- Glazed Cooking Utensils – Only certain types of glass, glass/ceramic, ceramic, earthenware, or other glazed utensils are suitable for range-top service without breaking due to the sudden change in temperature.
- Utensil Handles Should Be Turned Inward and Not Extend Over Adjacent Surface Units – To reduce the risk of burns, ignition of flammable materials, and spillage due to unintentional contact with the utensil, the handle of a utensil should be positioned so that it is turned inward, and does not extend over adjacent surface units.
- Do Not Soak Removable Heating Elements – Heating elements should never be immersed in water.
- Do Not Cook on Broken Cook-Top – If the cook-top should break, cleaning solutions and spillovers may penetrate the broken cooktop and create a risk of electric shock.
Contact a qualified technician immediately. - Clean Cooktop With Caution – If a wet sponge or cloth is used to wipe spills on a hot cooking area, be careful to avoid steam burn. Some cleaners can produce noxious fumes if applied to a hot surface.
- Use Care When Opening Door – Let hot air or steam escape before removing or replacing food.
- Do Not Heat Unopened Food Containers – Build-up of pressure may cause the container to burst and result in injury
- Keep Oven Vent Ducts Unobstructed.
- Placement of Oven Racks – Always places oven racks in the desired location while the oven is cool. If the rack must be moved while the oven is hot, do not let the potholder contact the hot heating element in the oven.
- DO NOT TOUCH HEATING ELEMENTS OR INTERIOR SURFACES OF OVEN – Heating elements may be hot even though they are dark in color. Interior surfaces of an oven become hot enough to cause burns. During and after use, do not touch, or let clothing or other flammable materials contact heating elements or interior surfaces of the oven until they have had sufficient time to cool. Other surfaces of the appliance may become hot enough to cause burns – among these surfaces are oven vent openings and surfaces near these openings, oven doors, and windows of oven doors.
- Care must be taken to prevent aluminum foil and meat probes from contacting heating elements. For self-cleaning ranges –
- Do Not Clean Door Gasket – The door gasket is essential for a good seal. Care should be taken not to rub, damage, or move the gasket.
- Do Not Use Oven Cleaners – No commercial oven cleaner or oven liner protective coating of any kind should be used in or around any part of the oven.
- Clean Only Parts Listed in Manual.
- Before Self-Cleaning the Oven – Remove broiler pan and other utensils. For units with ventilating hood –
- Clean Ventilating Hoods Frequently – Grease should not be allowed to accumulate on the hood or filter.
- When flaming foods under the hood, turn the fan on.
For smart enabled ranges and ovens - Remote operation – This appliance is configurable to allow remote operation at any time. Do not store any flammable materials or temperature-sensitive items inside, on top, or near-surface units of the appliance.
SAVE THESE INSTRUCTIONS
RANGE MAINTENANCE AND CARE
Self-Cleaning Cycle (on some models)
![]() |
| Burn Hazard Do not touch the oven during the Self-Cleaning cycle. Keep children away from the oven during the Self-Cleaning cycle. Failure to follow these instructions can result in burns. |
IMPORTANT: The health of some birds is extremely sensitive to the fumes given off during the Self-Cleaning cycle. Exposure to the fumes may result in death to certain birds. Always move birds to another closed and well-ventilated room.
Keep the kitchen well-ventilated during the Self-Cleaning cycle to help get rid of heat, odors, and smoke.
Do not block the oven vent(s) during the Self-Cleaning cycle. Air must be able to move freely.
Depending on your model, see the “Oven Vent” or “Oven Vents” section in your Quick Start Guide.
Do not clean, rub, damage, or move the oven door gasket.
Prepare Range:
- Remove the broiler pan, grid, cookware, and bakeware, all cooking utensils, oven racks, aluminum foil, and, on some models, the temperature probe from the oven.
- Use a damp cloth to clean the inside door edge and the 1 1/2″ (3.8 cm) area around the inside oven cavity frame, being certain not to move or bend the gasket.
- Wipeout any loose soil to reduce smoke and avoid damage.
At high temperatures, foods react with porcelain. Staining, etching, pitting, or faint white spots can result. This will not affect cooking performance. - Remove plastic items from the cooktop because they may melt.
- Remove all items from the storage drawer.
How the Cycle Works
IMPORTANT: The heating and cooling of porcelain on steel in the oven may result in discoloring, loss of gloss, hairline cracks, and popping sounds.
The Self-Cleaning cycle uses very high temperatures, burning soil to powdery ash.
Once the oven has completely cooled, remove ash with a damp cloth. To avoid breaking the glass, do not apply a cool damp cloth to the inner door glass before it has completely cooled.
To stop the Self-Cleaning cycle at any time, press CANCEL or OFF/CANCEL. If the temperature is too high, the oven door will remain locked, and “cool” and “locked” or “
” will be displayed.
When “
” shows in the display, the door of the oven cannot be opened. To avoid damage to the door, do not force the door open when “
” is displayed.
Before self-cleaning, make sure the door is completely closed or the door will not lock and the Self-Cleaning cycle will not begin.
Once the cleaning temperature has been reached, the electronic control requires a 12–hour delay before another Self-Cleaning cycle can be started.
The oven light will not function during the Self-Cleaning cycle.
Electronic Oven Control with Adjustable Clean Time (on some models)
The Self-Cleaning cycle is time adjustable between 2 hours 30 minutes and 4 hours 30 minutes in 30-minute increments.
Suggested clean times are 2 hours 30 minutes for light soil and 4 hours 30 minutes for heavy soil. The last 30 minutes of the cycle is for cooldown.
IMPORTANT: When cooktop is in use, the Self-Cleaning cycle will be disabled. When the Self-Cleaning cycle is in use, the cooktop will be locked.
To Self-Clean:
- Press CLEAN or SELF CLEAN.
- Press the Temp/Time “+” or “–”, or “up” or “down” keypad to enter the desired Self-Cleaning cycle time.
- Press START.
The oven door will automatically lock. The Door Locked and Clean indicator lights will be displayed. The time remaining will also be displayed. - When the Self-Cleaning cycle is complete and the oven cools, the Door Locked and Clean indicator lights will turn off.
- When the oven is completely cooled, remove ash with a damp cloth.
To exit the Self-Cleaning cycle before completed, press CANCEL or OFF/CANCEL. The door will unlock once the oven cools.
General Cleaning
IMPORTANT: Before cleaning, make sure all controls are off and the oven and cooktop are cool. Always follow label instructions on cleaning products.
Soap, water, and a soft cloth or sponge are suggested first, unless otherwise noted.
EXTERIOR PORCELAIN ENAMEL SURFACES (on some models)
Food spills containing acids, such as vinegar and tomato, should be cleaned as soon as the entire range is cool. These spills may affect the finish.
Cleaning Method:
- Glass cleaner, mild liquid cleaner, or nonabrasive scrubbing pad: Gently clean around the model/serial/rating plate because scrubbing may remove numbers.
- Affresh ® Kitchen and Appliance Cleaner Part Number W10355010 (not included): See the Quick Start Guide for contact information.
STAINLESS STEEL (on some models)
NOTE: To avoid damage to stainless steel surfaces, do not use soap-filled scouring pads, abrasive cleaners, Cooktop Cleaner, steel-wool pads, gritty washcloths, or abrasive paper towels.
Damage may occur to stainless steel surfaces, even with one-time or limited use.
Cleaning Method:
Rub in direction of the grain to avoid damage.
- Affresh® Stainless Steel Cleaner Part Number W10355016 (not included):
See the Quick Start Guide for contact information.
METALLIC PAINT (on some models)
Do not use abrasive cleaners, cleaners with bleach, rust removers, ammonia, or sodium hydroxide (lye) because the paint surface may stain.
CERAMIC GLASS COOKTOP CLEANING
Cleaning Method:
To avoid damaging the cooktop, do not use steel wool, abrasive powder cleansers, chlorine bleach, rust remover, or ammonia.
- Remove food/residue with the Cooktop Scraper.
• For best results, use the Cooktop Scraper while the cooktop is still warm but not hot to the touch. It is recommended to wear an oven mitt while scraping the warm cooktop.
• Hold the Cooktop scrapper at approximately a 45° angle against the glass surface and scrape the residue. It will be necessary to apply pressure in order to remove the residue.
Allow the cooktop to cool down completely before proceeding to Step 2. - Apply a few dime-sized drops of Cooktop Cleaner to the affected areas.

• Rub affresh® Cleaner onto the cooktop surface with the blue Cooktop Cleaning Pad. Some pressure is needed to remove stubborn stains.
• Allow the cleaner to dry to a white haze before proceeding to Step 3. - Polish with a clean, dry cloth or a clean, dry paper towel.
• Repeat steps 1 through 3 as necessary for stubborn or burned-on stains. The Complete Cooktop Cleaner Kit is available for order including the following:
• Cooktop Scraper
• Affresh® Cooktop Cleaner
• Blue Cooktop Cleaning Pads
See the Quick Start Guide for ordering information.
COOKTOP CONTROLS
To avoid damage to the cooktop controls, do not use steel wool, abrasive cleansers, or oven cleaner.
To avoid damage, do not soak knobs. When replacing knobs, make sure knobs are in the Off position.
On some models, do not remove seals under knobs.
Cleaning Method:
- Soap and water: Pull knobs straight away from the control panel to remove
CONTROL PANEL AND OVEN DOOR EXTERIOR
To avoid damage to the control panel, do not use abrasive cleaners, steel-wool pads, gritty washcloths, or abrasive paper towels.
Cleaning Method:
- Glass cleaner and soft cloth or sponge: Apply glass cleaner to soft cloth or sponge, not directly on panel.
- Affresh® Kitchen and Appliance Cleaner Part Number W10355010 (not included):
See the Quick Start Guide for contact information.
COIL ELEMENTS (on some models)
Cleaning Method:
- Damp cloth: Make sure control knobs are OFF and elements are cool.
Do not clean or immerse in water. Soil will burn off when hot.
BURNER BOWLS (on some models)
Before removing or replacing coil elements and burner bowls, make sure they are cool and the control knobs are in the OFF position.
Remove the coil element by pushing the edge of the coil element toward the receptacle. Lift it enough to clear the burner bowl. Pull the coil element straight away from the receptacle to remove it. Lift out the burner bowl.
Cleaning Method:
Chrome burner bowls
Wash frequently in warm, soapy water. (It is not recommended to wash chrome bowls in a dishwasher.) A mild abrasive cleaner and a plastic scrubber can be used to remove stubborn stains.
For heavily soiled bowls, place an ammonia-soaked paper towel on the stains and allow to soak for a short time, then gently scrub with a plastic scrubber.
SURFACE UNDER COOKTOP (on some models)
The coil cooktop will lift up to provide easy access for cleaning beneath. Lift the cooktop by both front corners until the support locks into place.
Cleaning Method:
- Glass cleaner, mild liquid cleaner or nonabrasive scrubbing pad.
- Affresh® Kitchen and Appliance Cleaner Part Number W10355010 (not included):
See the Quick Start Guide for contact information.
To avoid damage to the range, do not remove the cooktop.
OVEN RACKS
Cleaning Method:
- Steel-wool pad
- For racks that have discolored and are harder to slide, a light coating of vegetable oil applied to the rack guides will help them slide
- Dishwasher (steam rack water reservoir only, not racks): Although the water reservoir is durable, it may lose its shine and/or discolor when washed in a dishwasher
STORAGE DRAWER OR WARMING DRAWER (on some models)
Check that the storage drawer or warming drawer is cool and empty before cleaning.
Cleaning Method:
- Mild detergent
OVEN CAVITY
Depending on your model, use AquaLift® Technology or SelfClean cycle regularly to clean oven spills.
Do not use oven cleaners
Food spills should be cleaned when the oven cools. At high temperatures, foods react with porcelain. Staining, etching, pitting, or faint white spots can result.
Cleaning Method:
- Clean cycle: See “Clean Cycle” first.
INSTALLATION INSTRUCTIONS
REQUIREMENTS
Tools and Parts
Gather the required tools and parts before starting installation.
Read and follow the instructions provided with any tools listed here.
Tools needed
| • Tape measure • Flat-blade screwdriver • Phillips screwdriver • Level • Hammer • Hand or electric drill • Wrench or pliers • Marker or pencil | • Flashlight • Masking tape • 1/4″ (6.4 mm) drive ratchet • 1/4″ (6.4 mm) nut driver • 3/8″ (9.5 mm) and 5/16″ (8 mm) nut driver • 1/8″ (3.2 mm) drill bit (for wood floors) • Tin snips or large wire cutters (for cutting ground strap if necessary) |
Parts supplied
Check that all parts are included.

- Anti-tip bracket must be securely mounted to the floor or wall.
The thickness of flooring may require longer screws to anchor brackets to the floor.
Parts needed
Check local codes. Check existing electrical supply. See “Electrical Requirements” section.
It is recommended that all electrical connections be made by a licensed, qualified electrical installer.
NOTE: Be sure to purchase only Whirlpool factory-certified parts and accessories for your appliance. Your installation may require additional parts. To order, refer to the contact information referenced in your Quick Start Guide.
Location Requirements
IMPORTANT: Observe all governing codes and ordinances.
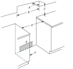
- It is the installer’s responsibility to comply with installation clearances specified on the model/serial/rating plate. The model/serial/rating plate is located on the frame behind a top corner of the door or either side of the drawer.
A. The model/serial/rating plate is located on the frame behind a top corner of the door or either side of the drawer. - To eliminate the risk of burns or fire by reaching over heated surface units, cabinet storage space located above the surface units should be avoided. If cabinet storage is to be provided, the risk can be reduced by installing a range hood that projects horizontally a minimum of 5″ (12.7 cm) beyond the bottom of the cabinets.
- Cabinet opening dimensions that are shown must be used. Given dimensions are minimum clearances.
- The anti-tip bracket must be installed. To install the anti-tip bracket shipped with the range, see the “Install Anti-Tip Bracket” section.
- A grounded electrical supply is required. See “Electrical Requirements” section.
IMPORTANT: To avoid damage to your cabinets, check with your builder or cabinet supplier to make sure that the materials used will not discolor, delaminate or sustain other damage. This oven has been designed in accordance with the requirements of UL and CSA International and complies with the maximum allowable wood cabinet temperatures of 194°F (90°C).
Mobile Home – Additional Installation Requirements
The installation of this range must conform to the Manufactured Home Construction and Safety Standard, Title 24 CFR, Part 3280 (formerly the Federal Standard for Mobile Home Construction and Safety, Title 24, HUD Part 280). When such standard is not applicable, use the Standard for Manufactured Home Installations, ANSI A225.1/NFPA 501A, or with local codes. In Canada, the installation of this range must conform with the current standards CAN/CSA-Z240.1-latest edition, or with local codes.
Mobile Home Installations Require:
- When this range is installed in a mobile home, it must be secured according to the instructions in this document.
Cabinet Dimensions
Cabinet opening dimensions shown are for 25″ (64.0 cm) countertop depth, 24″ (61.0 cm) base cabinet depth and 36″ (91.4 cm) countertop height.
IMPORTANT: If installing a range hood or microwave hood combination above the range, follow the range hood or microwave hood combination installation instructions for dimensional clearances above the cooktop surface.
A freestanding range may be installed next to combustible walls with zero clearance.

A. 13″ (33.0 cm) max. upper cabinet depth
B. 30″ (76.2 cm) min. opening width
C. For minimum clearance to top of cooktop, see NOTE*
D. 30″ (76.2 cm) min. opening width
E. Outlet – 8″ (20.3 cm) to 22″ (55.9 cm) from either cabinet, 7″ (17.8 cm) max. from floor.
F. Cabinet door or hinges should not extend into the cutout.
*NOTE: 24″ (61.0 cm) minimum when the bottom of wood or metal cabinet is covered by not less than 1/4″ (0.64 cm) flame retardant millboard covered with not less than No. 28 MSG sheet steel, 0.015″ (0.4 mm) stainless steel, 0.024″ (0.6 mm) aluminum or 0.020″ (0.5 mm) copper.
30″ (76.2 cm) minimum clearance between the top of the cooking platform and the bottom of an uncovered wood or metal cabinet.
Electrical Requirements
![]() |
| Electrical Shock Hazard Electrically ground appliance. Failure to do so could result in death, fire, or electrical shock. |
If codes permit and a separate ground wire is used, it is recommended that a qualified electrical installer determine that the ground path is adequate and wire gauge are in accordance with local codes.
Be sure that the electrical connection and wire size are adequate and in conformance with CSA Standard C22.1, Canadian Electrical Code, Part 1 – latest edition, and all local codes and ordinances.
A copy of the above code standards can be obtained from:
Canadian Standards Association
178 Rexdale Blvd.
Toronto, ON M9W 1R3 CANADA
- Check with a qualified electrical installer if you are not sure the range is properly grounded.
| Range Rating* | Specified Rating of Power Supply Cord Kit and Circuit Protection | |
| 120/240 V | 120/208 V | Amps |
| 8.8 – 16.5 kW | 7.8 – 12.5 kW | 40 or 50** |
| 16.6 – 22.5 kW | 12.6 – 18.5 kW | 50 |
* The NEC calculated load is less than the total connected load listed on the model/serial/rating plate.
** If connecting to a 50 A circuit, use a 50 A-rated cord with the kit. For 50 A-rated cord kits, use kits that specify use with a nominal 1 3/8″ (34.9 mm) diameter connection opening.
- A time-delay fuse or circuit breaker is recommended.
- This range is equipped with a CSA International Certified Power Cord intended to be plugged into a standard 14-50R wall receptacle. Be sure the wall receptacle is within reach of the range’s final location.

- Do not use an extension cord.
INSTALLATION
Unpack Range
| Excessive Weight Hazard Use two or more people to move and install or uninstall the appliance. Failure to do so can result in back or another injury. |
- Remove shipping materials, tape, and film from range.
- Remove oven racks and parts package from inside oven.
- Do not remove the shipping base at this time.

- On Ranges Equipped with a Storage Drawer:
Remove the storage drawer. See the “Storage Drawer” section. Use a 1/4″ (6.4 mm) drive ratchet to lower the rear leveling legs one-half turn. Use a wrench or pliers to lower front leveling legs one-half turn.
On Ranges Equipped with a Warming Drawer or Premium Storage Drawer:
On ranges equipped with a warming drawer or premium storage drawer, the rear legs cannot be accessed by removing the warming drawer or premium storage drawer. It will be necessary to adjust the rear legs from outside the range. Use wrench or pliers to lower the front and rear leveling legs one-half turn.

| A. Rear leveling leg | B. Wrench or pliers | C. Front leveling leg |
Install Anti-Tip Bracket
![]() |
| Tip-Over Hazard A child or adult can tip the range and be killed. Install anti-tip bracket to floor or wall per installation instructions. Slide range back so rear range foot is engaged in the slot of the anti-tip bracket. Re-engage the anti-tip bracket if the range is moved. Do not operate range without anti-tip bracket installed and engaged. Failure to follow these instructions can result in death or serious burns to children and adults. |
- Remove the anti-tip bracket from where it is taped inside the storage drawer or warming drawer.
- Determine which mounting method to use: floor or wall.
If you have a stone or masonry floor, you can use the wall mounting method. If you are installing the range in a mobile home, you must secure the range to the floor. - Determine and mark the centerline of the cutout space. The mounting can be installed on either the left side or right side of the cutout. Position mounting bracket against the wall in the cutout so that the V-notch of the bracket is 12 9/16″ (31.9 cm) from the centerline as shown.
A. 129/16″ (31.9 cm)
B. Bracket V-notch - Drill two 1/8″ (3 mm) holes that correspond to the bracket holes of the determined mounting method. See the following illustrations.
Floor Mounting
Wall Mounting
- Using the Phillips screwdriver, mount the anti-tip bracket to the wall or floor with the two #12 x 1 5/8″ (41.3 mm) screws provided.
- Move range close enough to opening to allow for final electrical connections. Remove shipping base, cardboard or hardboard from under range.
- Move range into its final location, making sure the rear leveling leg slides into the anti-tip bracket.

- Move range forward onto shipping base, cardboard or hardboard to continue installing the range using the following installation instructions.
Verify Anti-Tip Bracket Is Installed and Engaged
On Ranges Equipped with a Storage Drawer:
- Remove the storage drawer. See the “Storage Drawer” section.
- Use a flashlight to look underneath the bottom of the range.
- Visually check that the rear range foot is inserted into the slot of the anti-tip bracket.
On Ranges Equipped with a Warming Drawer or Premium Storage Drawer:
- Place the outside of your foot against the bottom front of the warming drawer or premium storage drawer, and grasp the lower right or left side of the control panel as shown.
NOTE: If your countertop is mounted with a backsplash, it may be necessary to grasp the range higher than is shown in the illustration.
- Slowly attempt to tilt the range forward.
If you encounter immediate resistance, the range foot is engaged in the anti-tip bracket. - If the rear of the range lifts more than 1/2″ (1.3 cm) off the floor without resistance, stop tilting the range and lower it gently back to the floor. The range foot is not engaged in the anti-tip bracket.
IMPORTANT: If there is a snapping or popping sound when lifting the range, the range may not be fully engaged in the bracket. Check to see if there are obstructions keeping the range from sliding to the wall or keeping the range foot from sliding into the bracket. Verify that the bracket is held securely in place by the mounting screws. - Slide the range forward, and verify that the anti-tip bracket is securely attached to the floor or wall.
- Slide range back so the rear range foot is inserted into the slot of the anti-tip bracket.
IMPORTANT: If the back of the range is more than 2″ (5.1 cm) from the mounting wall, the rear range foot may not engage the bracket. Slide the range forward and determine if there is an obstruction between the range and the mounting wall. If you need assistance or service, refer to the Quick Start Guide for contact information. - Repeat steps 1 and 2 to ensure that the range foot is engaged in the anti-tip bracket.
If the rear of the range lifts more than 1/2″ (1.3 cm) off the floor without resistance, the anti-tip bracket may not be installed correctly. Do not operate the range without an anti-tip bracket installed and engaged. Please refer to the Quick Start Guide for contact information.
Level Range
Determine if you have AquaLift® Technology or Steam Clean by referring to the “Range Maintenance and Care” section.
For Ranges with AquaLift® Technology or Steam Clean:
- Place level on the oven bottom as indicated in one of the two figures below depending on the size of the level. Check with the level: side to side and front to back.

- If the range is not level, pull the range forward until the rear leveling leg is removed from the anti-tip bracket.
- Follow the directions in Style 1 or Style 2, depending on the style of drawer supplied with the range.
For Ranges without AquaLift® Technology or Steam Clean:
- Place a standard flat rack in the oven.
- Place a level on the rack and check the levelness of the range, the first side to side; then front to back.

- If the range is not level, pull the range forward until the rear leveling leg is removed from the anti-tip bracket.
- Follow the directions in Style 1 or Style 2, depending on the style of drawer supplied with the range.
Style 1: Ranges Equipped with a Storage Drawer:
Use a 1/4″ drive ratchet, wrench or pliers to adjust leveling legs up or down until the range is level. Push range back into position. Check that the rear leveling leg is engaged in the anti-tip bracket.
Style 2: Ranges Equipped with a Warming Drawer or Premium Storage Drawer:
Use a wrench or pliers to adjust leveling legs up or down until the range is level. Push range back into position. Check that the rear leveling leg is engaged in the anti-tip bracket.
NOTE: Range must be level for satisfactory baking performance and best cleaning results using AquaLift® Technology and Steam Clean functions.
Storage Drawer (on some models)
Remove all items from inside the warming drawer or premium storage drawer, and allow the range to cool completely before attempting to remove the drawer.
To Remove:
- Open the warming drawer or premium storage drawer to its fully open position.
- Using a flat-blade screwdriver, gently loosen the warming drawer or premium storage drawer from the glide alignment notch and lift up the drawer alignment tab from the glide.

A. Flat-blade screwdriver
B. Drawer alignment tab
C. Drawer glide notch - Repeat Step 2 on the other side. The warming drawer or premium storage drawer is no longer attached to the drawer glides. Using both hands, pick up the warming drawer or premium storage drawer to complete the removal.
To Replace:
- Align the forward drawer notches with the notches in the drawer glides on both sides. Place the rear alignment tabs into the drawer glides on both sides.

A. Drawer alignment tab
B. Drawer glide notch - Push the warming drawer or premium storage drawer in all the way.
- Gently open and close the warming drawer or premium storage drawer to ensure it is seated properly on the glides on both sides.
Storage Drawer (on some models)
The storage drawer can be removed. Before removing, make sure the drawer is cool and empty.
To Remove:
- Pull the storage drawer straight back to the drawer stop.
A. Drawer stop notch - Lift up the front of the drawer and pull the drawer out.
To Replace:
- Lift up the front of the drawer and place the rear of the drawer inside the range so that the drawer stop notch is behind the drawer glide.
- Lower the drawer so that the edge of the slide rail drops into the slot in the drawer glide.
- Slowly push the drawer into the range.

NOTE: When properly installed, the rear slides on the bottom of the drawer will engage the base rails and the drawer will not tip when items are placed in the drawer.
Oven Door
For normal range use, it is not suggested to remove the oven door. However, if removal is necessary, make sure the oven is off and cool. Then, follow these instructions. The oven door is heavy.
To Remove:
- Open oven door all the way.
- Pinch the hinge latch between two fingers and pull forward.
Repeat on another side of the oven door.
- Close the oven door as far as it will shut.
- Lift the oven door while holding both sides.
Continue to push the oven door closed and pull it away from the oven door frame.
To Replace:
- Insert both hanger arms into the door.

- Open the oven door.
You should hear a “click” as the door is set into place. - Move the hinge levers back to the locked position. Check that the door is free to open and close. If it is not, repeat the removal and installation procedures.
Complete Installation
- Check that all parts are now installed. If there is an extra part, go back through the steps to see which step was skipped.
- Check that you have all of your tools.
- Dispose of/recycle all packaging materials.
- Check that the range is level. See the “Level Range” section.
- Use a mild solution of liquid household cleaner and warm water to remove waxy residue caused by shipping material. Dry thoroughly with a soft cloth. For more information, read the “Range Maintenance and Care” section.
- Read the Quick Start Guide and online Control Guide.
WARNING
Electrical Shock Hazard
Electrically ground appliance.
Failure to do so could result in death, fire, or electrical shock. - Plug the power cord into an appropriate outlet. Turn the power on.
- Turn on surface burners and oven. See the Quick Start Guide and online Control Guide for specific instruction on range operation.
If the range does not operate, check the following:
- Household fuse is intact and tight, or the circuit breaker has not tripped.
- The range is plugged into an outlet.
- Electrical supply is connected.
IMPORTANT: If the range control displays an F9 or F9, E0 error code, the electrical outlet may be miswired. Contact a qualified electrician to verify the electrical supply. - See the online Troubleshooting section.
When the range has been on for 5 minutes, check for heat. If the range is cold, turn off the range and contact a qualified technician.
Moving the Range
![]() |
| Tip-Over Hazard A child or adult can tip the range and be killed. Install anti-tip bracket to floor or wall per installation instructions. Slide range back so rear range foot is engaged in the slot of the anti-tip bracket. Re-engage the anti-tip bracket if the range is moved. Do not operate range without anti-tip bracket installed and engaged. Failure to follow these instructions can result in death or serious burns to children and adults. |
When moving range, slide range onto cardboard or hardboard to avoid damaging the floor covering.
If removing the range is necessary for cleaning or maintenance:
- Slide range forward.
- Unplug the power supply cord.
- Complete cleaning or maintenance.
- Plug-in power supply cord.
- Check that the anti-tip bracket is installed and engaged. See the “Verify Anti-Tip Bracket Is Installed and Engaged” section.
- Check that range is level.
©2020 All rights reserved. Used under license in Canada.
W11432241A

To verify the anti-tip bracket is properly installed and engaged:
• For best results, use the Cooktop Scraper while the cooktop is still warm but not hot to the touch. It is recommended to wear an oven mitt while scraping the warm cooktop.
• Repeat steps 1 through 3 as necessary for stubborn or burned-on stains. The Complete Cooktop Cleaner Kit is available for order including the following:
A. The model/serial/rating plate is located on the frame behind a top corner of the door or either side of the drawer.



A. 129/16″ (31.9 cm)
Wall Mounting






A. Drawer stop notch





















