veripart VPTMVR85 Portable Fridge

SAFETY
Warning!
- It is hazardous for anyone other than authorised service personnel to carry out servicing or repairs which involve the removal of covers. To avoid the risk of an electric shock do not attempt to repair this appliance yourself.
- Risk of fire / flammable materials.
SAFETY TIPS
- Do not use electrical appliances such as hair dryers or heaters to defrost your freezer.
- Containers with flammable gases or liquids can leak at low temperatures.
- Do not store any containers with flammable materials, such as spray cans, fire extinguisher refill cartridges etc. in the freezer.
- Do not place carbonated or fizzy drinks in the freezer compartment. Ice lollies can cause “frost/freeze burns” if consumed straight from the freezer.
- Do not remove items from the freezer compartment if your hands are damp or wet, as this could cause skin abrasions or “frost/freezer burns”. Bottles and cans must not be placed in the freezer compartment as they can burst or suffer distortion when the contents freeze.
- Manufacturer’s recommended storage times should be adhered to. Refer to relevant instructions.
- Do not allow children to tamper with the controls or play with the freezer. The freezer is heavy. Care should be taken when moving it. It is dangerous to alter the specifications or attempt to modify this product in any way.
- Do not store flammable gases or liquids inside your freezer.
- If the power cable is damaged, it must be replaced by the manufacturer, its service agent or similarly qualified persons in order to avoid a hazard.
- This appliance can be used by children aged 8 years and above and persons with reduced physical, sensory or mental capabilities or lack of experience and knowledge if they have been given supervision or instruction concerning use of the appliance in a safe way and understand the hazards involved. Children should not play with the appliance. Cleaning and user maintenance should not be done by children without supervision.
- This appliance is intended to be used in households and similar locations such as:
- staff kitchen areas in shops, offices and other working environments;
- farm houses, or by clients in hotels, motels and other residential type environments;
- bed and breakfast type environments;
- catering and similar non-retail applications.
- Keep ventilation openings, in the appliance enclosure or in the built-in structure, clear of obstruction.
- Do not use mechanical devices or other means to accelerate the defrosting process, other than those recommended by the manufacturer.
- Do not damage the refrigerant circuit.
- Do not use electrical appliances inside the food storage compartments of the appliance, unless they are of the type recommended by the manufacturer.
- Do not store explosive substances such as aerosol cans with a flammable propellant in this appliance.
- This appliance is not intended for use by persons (including children) with reduced physical, sensory or mental capabilities, or lack of experience and knowledge, unless they have been given supervision or instruction concerning use of the appliance by a person responsible for their safety. Children should be supervised to ensure that they do not play with the appliance.
Warning!
- Refrigerating appliances – in particular a freezer Type I – might not operate consistently (possibility of defrosting of contents or temperature becoming too warm in the frozen food compartment) when sited for an extended period of time below the cold end of the range of temperatures for which the refrigerating appliance is designed.
- The refrigerant used in your appliance and insulation materials requires special disposal procedures.
- When positioning the appliance, ensure the supply cord is not trapped or damaged.
- Do not locate multiple portable socket-outlets or portable power supplies at the rear of the appliance
- Children below the age of 8 years are not allowed to load and unload refrigerating appliances.
To avoid contamination of food, please respect the following instructions:
- Opening the door for long periods can cause a significant increase in the temperature of the compartments of the appliance.
- Clean surfaces that can come in contact with food and accessible drainage systems regularly.
- Store raw meat and fish in suitable containers in the freezer, so that they are not in contact with or drip onto other food.
- Two-star frozen-food compartments are suitable for storing pre-frozen food, storing or making ice-cream and making ice cubes.
- One-, two- and three-star compartments are not suitable for the freezing of fresh food.
- If the refrigerating appliance is left empty for long periods, switch it off, defrost, clean and dry it, and leave the door open to prevent the development of mould inside the appliance.
Electrical Connection
Warning!
- This appliance should be properly grounded for your safety. The power cord of this appliance is equipped with a two-prong plug which fits into standard two prong wall outlets to minimize the possibility of electrical shock.
- This freezer requires a standard 220-240VAC 50/60Hz electrical outlet with two-prong ground.
- This freezer is not designed to be used with an inverter.
- The cord should be secured behind the appliance and not left exposed or dangling to prevent accidental injury.
- Never unplug the freezer by pulling the power cord. Always grip the plug firmly and pull straight out from the receptacle.
- Do not use an extension cord with this appliance. If the power cord is too short, have a qualified electrician or service technician install an outlet near the appliance. Use of an extension cord can negatively affect the performance of the unit.
- Improper use of the grounding plug can result in the risk of electrical shock. If the power cord is damaged, have it replaced by an authorised service centre.
Climate Range
The information about the climate range of the appliance is provided on the rating plate. It indicates the ambient temperature (that is, room temperature) necessary for the optimal operation of the appliance.
| CLIMATE RANGE | PERMISSIBLE AMBIENT TEMPERATURE |
| SN | From +10°C to +32°C |
| N | From +16°C to +32°C |
| ST | From +16°C to +38°C |
| T | From +16°C to +43°C |
Note!
- Given the limit values of the ambient temperature range for the climate classes for which the refrigerating appliance is designed and the fact that the internal temperatures could be affected by such factors as the location of the refrigerating appliance, the ambient temperature and the frequency of door opening, the setting of any temperature control device might have to be adjusted to allow for these factors, if appropriate.
- If the power cable is damaged, it must be replaced by the manufacturer, its service agent or similarly qualified persons in order to avoid a hazard.
- When operating in an environment other than the specified climate type (i.e., beyond the rated ambient temperature range), the appliance may not be able to maintain the desirable compartment temperatures.
Freon-free
The freon-free refrigerant (R600a) and the foaming insulation material (cyclopentane) are used in this freezer. Neither damages the ozone layer and both have a very small impact on global warming. R600a is flammable, and sealed in a refrigeration system that is leakage-free during normal use. But, in case of refrigerant leakage due to the refrigerant circuit being damaged, be sure to keep the appliance away from open flames and open the windows for ventilation as quickly as possible.
PRODUCT FEATURES

- Top cover
- Display Block
- Freezer Flap
- Middle Drawer
- Low Drawer
- Adjustable feet
INSTALLATION
LOCATION
- Ventilation
The position you select for the freezer should be well-ventilated and cool. Do not locate the freezer near a heat source such as a cooker or boiler, and avoid situating it in direct sunlight, thus guaranteeing the refrigeration effect while saving energy consumption. Do not locate the freezer in a damp place, in order to prevent the freezer from rusting and leaking electricity. The area of the total space of the room in which the freezer is installed, when divided by the refrigerant charge amount of the freezer, should not be less than 8 g/ M³.
Note! The amount of refrigerant contained in this freezer can be found on the nameplate. - Heat dissipation space
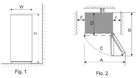
When working, the freezer gives off heat to its surroundings. Therefore, at least 30mm of free space should be left on the top, more than 100mm on both sides, and more than 50mm at the back of the freezer.
W D H A B C(°) E F 545 566 845 1011 1107 125±5 50 100 Note! Figure 1 and Figure 2 only illustrate the space requirements of the product.
- Level ground
Place the freezer on a solid, flat floor to keep it stable and to avoid excessive vibration and noise. When the freezer is placed on carpet, a straw mat or polyvinyl chloride, the solid backing plates should be applied underneath the freezer, so as to prevent colour changes due to heat dissipation.
Warning! Unobstructed ventilation must be maintained around the appliance or in any embedded structure.
PREPARATION FOR USE
- Standing time
After the freezer is properly installed and well cleaned, do not switch it on immediately. Wait to switch the freezer on only after more than 1 hour of standing time, so as to ensure its normal operation. - Cleaning
Check the accessory parts inside the freezer and wipe the inside with a soft cloth. - Power-on
Insert the plug into the solid socket to start the compressor. After 1 hour, open the freezer door, if the temperature inside the freezer compartment has dropped noticeably, the refrigeration system is working normally. - Storage of food
After the freezer has been running for a period of time, the internal temperature of the freezer will be automatically controlled according to the user’s chosen temperature setting. After the freezer is fully cooled, you may load it with food, which usually needs 2~3 hours to cool completely. In summer, when the outside temperature is high, it takes more than 4 hours for food to be fully cooled (Try to open the freezer door as little as possible before the internal temperature has cooled down).
Warning! If the freezer is installed in a damp area, make sure to check whether the ground wire and leakage circuit breaker are normal. If vibration or noises are produced due to the freezer being in contact with the wall or if the wall is blackened by air convection around the compressor, move the freezer away from the wall. Installation of the freezer may cause static or image distortion on mobile phones, fixed-line telephones, radio receivers or television sets nearby, so try to keep the freezer as far away from such devices as possible.
START
Testing
- Clean the parts of the freezer with lukewarm water containing a little neutral detergent and wipe them dry.
Note! Electrical components should only be wiped with a dry cloth. - Turn the thermostat knob to the “2” position and then plug the freezer into the wall outlet. The compressor will begin to run.
- Check, after 30 minutes of operation, to ensure that the freezer is cold.
Temperature Control
- The temperature control is located near the top of the unit. You turn it using a coin.
- Turning the thermostat knob adjusts the temperature of the freezer.
- The marks on the knob represent different settings. Setting “1” is the warmest and setting “4” is the coldest.
- The factory recommended setting is “2” for normal operating conditions.

IN USE
- The appliance might not operate consistently (there is a possibility of defrosting or a rise in temperature in the frozen food compartment) if it remains below the cold limit of the temperature range for which the refrigerating appliance is designed for an extended period of time.
- The internal temperature may be affected by such factors as the location of the refrigerating appliance, the ambient temperature and the frequency of door opening, etc., and, if appropriate, a warning that the settings of any temperature control device might need adjustment to allow for these factors will be given.
- Effervescent drinks should not be stored in freezer compartments and some products, such as ice lollies, should not be consumed at too cold of a temperature.
- The storage time(s) recommended by the food manufacturers should be adhered to.
- A rise in the temperature of frozen food during manual defrosting, maintenance or cleaning could shorten its storage life. It is better to wrap frozen food in several layers of food wrapping materials before placing it on the glass shelves.
- Certain care is required with frozen food in storage in the event that the appliance is not run for an extended time (interruption of power supply or failure of the refrigerating system).
Tips and Hints
- Food should be wrapped in cling film and aluminium foil, or some other type of airtight packing.
- Do not allow frozen food in the freezer to touch food just placed into freezer. This can damage the food.
- Frozen foods from the store should be placed in the freezer promptly, so they do not thaw.
- Never place fresh vegetables and fruits into the freezer as they can get freezer burn.
Recommended storage periods
For recommended food storage time, refer to the information given on your food packaging.
Defrosting
- When the freezer has been working for a period of time, the inner surfaces will become covered with a layer of white frost. Because this might increase electricity consumption and lessen the effect of refrigeration, the freezer should be defrosted regularly.
- When defrosting, unplug the freezer, and remove all of the food. Either allow the frost to melt naturally, or carefully use a plastic scraper to scrape it off. Finally, wipe away any remaining ice and water, plug the freezer in, and return the food to it.
Caution! Never use sharp, metal tools to chip ice away.
Cleaning inside the freezer
After defrosting you should clean the freezer internally with a weak solution of bicarbonate of soda, then rinse with warm water using a damp sponge or cloth and wipe dry. Wash removable parts in warm soapy water and ensure they are completely dry before replacing them in the freezer. Condensation will form on the back wall of the freezer; however, it will normally run down the back wall and into the drain hole.
Cleaning outside the freezer
Use standard non-abrasive detergent diluted in warm water to clean the freezer’s exterior. Make sure that the doors are closed to prevent any detergent getting on the magnetic door seal. The grille of the condenser at the back of the freezer and the adjacent components can be vacuumed using a soft brush attachment. Do not use harsh cleaners, scouring pads or solvents to clean any part of the freezer.
TROUBLESHOOTING AND MAINTENANCE
TROUBLE SHOOTING
Power cut
If the internal temperature of the freezer compartment is -18°C or less when the power returns, your food is safe. The food in your freezer will remain frozen for approximately 16 hours with the door closed. Do not open the freezer door more than necessary.
The freezer is exceptionally cold
You may have accidentally adjusted the thermostat to a higher position.
The freezer is exceptionally warm
The compressor may not be working. Turn the thermostat to the maximum setting and wait a few minutes. If there is no humming noise, it is not working. Contact the store where your purchase was made.
The freezer is not working
Check it is plugged in and switched on. Check that the fuse in the plug has not blown. Plug in another appliance, such as a lamp, to see if the socket is working. The freezer should be placed in a well-ventilated room with an ambient temperature of between 16°C and 38°C. Leave the freezer for 30 minutes.
Condensation appears on the outside of the freezer
This may be due to a change in the room temperature. Wipe off any residual moisture. If the problem continues contact the store where your purchase was made.
Noises inside the freezer
If you have not owned a freezer before, you may notice that it makes some rather unusual noises. Most noises are perfectly normal; however, you should be aware of them!
Gurgling, whooshing
These noises are caused by the circulation of the refrigerant liquid in the cooling system. It has become more pronounced since the introduction of CFC free gases. This is not a fault and will not affect the performance of your freezer.
Humming, purring or pulsating
This is the compressor motor working, pumping the refrigerant around the system.
MOVING THE FREEZER
Location
Do not place your freezer near a heat source, e.g. a cooker, boiler or radiator. Avoid placing it in direct sunlight in out-buildings or verandas.
Levelling the freezer
Make sure to level your freezer using the front levelling feet. If it is not level, the door-sealing gasket’s performance will be affected, which could lead to the operational failure of your freezer.
Do not turn on the freezer for 4 hours
After the freezer is in place it needs to be left for 4 hours. This allows time for the coolant to settle.
How to use the ice-cube tray
Place the ice-cube tray in the upper part of the freezer compartment so that it freezes as soon as possible.
INSTALLATION
Do not cover or block the vents or grilles of your appliance.
During Holidays
- Turn off the freezer first and then unplug the unit from the wall outlet.
- Remove all the food.
- Clean the freezer.
- Leave the door open slightly to avoid possible formation of condensation, mould, or odours.
- Use extreme caution in the case of children. Block all doors open or remove them. The unit should not be accessible to unsupervised children.
- Short holidays: Leave the freezer on during holidays lasting less than three weeks.
- Long holidays: If the appliance will not be used for several months, remove all food and unplug the power cord. Clean and dry the interior thoroughly. To prevent odour and the growth of mould, leave the door ajar: either block it open or have the door removed if necessary.
How to save energy
- Install the freezer in the coolest part of the room, out of direct sunlight and away from heating ducts or radiators. Do not place the freezer next to heat-producing appliances such as a range, oven or dishwasher.
- The freezer door should remain open only as long as necessary; do not place hot food inside the freezer.
- Organise the freezer to reduce door openings. Remove as many items as needed at one time and close the door as soon as possible.
- The freezer door should be properly closed to avoid increased energy consumption and the formation of excess ice and / or condensation inside.
- Constantly circulating cold air keeps the temperature homogenous inside the freezer. For this reason, it is important to properly distribute the food, to facilitate the flow of air.
- Cover foods and wipe containers dry before placing them in the freezer. This cuts down on moisture build-up inside the unit.
- Do not overcrowd the freezer or block cold air vents. Doing so causes the freezer to run the compressor for a longer time and use more energy. Shelves should not be lined with aluminium foil, wax paper or paper towels. Liners interfere with cold air circulation, making the freezer less efficient, which could cause food spoilage.
- During prolonged absences, it is advisable to disconnect the freezer, remove all the food, and clean the appliance. The door should be left slightly open to avoid the growth of mould and unpleasant odours. This will not affect the freezer when it is reconnected.
- During short absences, the freezer can remain on. However, remember that prolonged power outages may occur while you are away.
Servicing
This product should be serviced by an authorised engineer and only genuine spare parts should be used. Under no circumstances should you attempt to repair the appliance yourself.
Repairs carried out by inexperienced persons may cause injury or serious malfunctioning. Contact the local store where your purchase was made.
When the appliance is not in use for long periods, disconnect it from the electricity supply, empty it of all food and clean the appliance, leaving the door ajar to prevent unpleasant smells
ELECTRICAL INFORMATION
This appliance must be grounded.
This appliance is fitted with a plug that is suitable for use in all houses fitted with sockets meeting the current specifications. If the fitted plug is not suitable for your socket outlets, it should be cut off and carefully disposed of. To avoid a possible shock hazard, do not insert the discarded plug into a socket. This appliance complies with the EEC Directives
Correct Disposal of this product
This symbol indicates that this product should not be disposed with regular household waste anywhere in the EU. To prevent possible harm to the environment or human health from uncontrolled waste disposal, recycle it responsibly to promote the sustainable reuse of material resources. To return your used device, please use the municipal return and collection systems available or contact the retailer where the product was purchased. They can take this product for environmentally safe recycling.
WARNINGS FOR DISPOSAL
- The refrigerant and cyclopentane foaming material used in the freezer are flammable. Therefore, when the freezer is scrapped, it should be kept away from any fire source and be recovered by a specialised recovery company with corresponding qualifications and disposed of by other means than combustion, so as to prevent damage to the environment or any other harm.
- When the freezer is scrapped, disassemble the doors, and remove the door gasket and shelves; put the doors and shelves in a proper place, so as to prevent trapping any children.
Contact information for professional repair, such as internet webpages, addresses, contact details
| AFTERSALES SERVICE STATION LIST: | |
| Address | Weena 664, 3012 CN, Rotterdam |
| Contact Number | 010 798 8999 |
| Website | www.coolblue.nl |
Note! The address or contact phone number of the service site is subject to change without prior notice. Please confirm whether the service station is directly affiliated with our company when requiring services.
Relevant information for ordering spare parts, directly or through other channels, is provided by the manufacturer, importer or authorised representative.
The minimum period during which spare parts, necessary for the repair of the appliance, are available. Instructions on how to find the model information in the product database, as defined in Regulation (EU) 2019/2019 by means of a weblink to the model information as stored in the product database and information on how to find the model identifier on the product.





















