Home
T410A,B Line Voltage
Electric Heat Thermostats
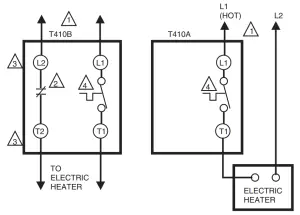
T410A provides a single-line break. T410B provides a double-line break. Temperature Range: 40°F to 80°F (4°C to 27°C) Electrical Ratings: 60 Hz noninductive 22A at 120-240 Vac; 19A at 277 Vac Your Resideo Thermostat Your new Resideo T410 Electric Heating Thermostat provides line voltage control of a radiant cable, electric baseboard, and resistive-rated fan-forced heaters within the ratings listed above.
INSTALLATION INSTRUCTIONS
WARNING
Electric shock hazard
This thermostat is a line voltage control (120 Volts to 277 Volts.) Do not install it if you are not completely familiar with house wiring. If handled improperly, there can be risk of a 120 Volt to 277 Volt electric shock hazard, which may cause serious injury or death.
MERCURY NOTICE
If this control is replacing a control that contains mercury in a sealed tube, do not place your old control in the trash. Dispose of properly. Contact you local waste management authority for instruction regarding recycling and the proper disposal of an old control.
PREPARATION
- Proper installation of your Resideo thermostat will occur if you follow these instructions STEPBYSTEP. It is recommended that as you read, understand and complete each step, you check it off with a pencil or pen.
- Check thermostat suitability for your home system by reviewing the ratings listed on this page.
- Make certain that your heating system is working, especially if it has been inoperative for a length of time. If the system does not work, contact your local electrician for assistance.
- Carefully unpack your new thermostat. To avoid damage to the sensing element, do NOT remove the thermostat cover until wiring has been completed.
- Save packages of screws, instructions, receipt, and proof-of-purchase.
T410A,B LINE VOLTAGE ELECTRIC HEAT THERMOSTATS
REMOVE OLD THERMOSTAT
WARNING
Electric shock hazard
Begin by turning off power to the heating circuit at the main service panel.
- Remove the cover of the old thermostat. Cover normally snaps off when pulled firmly from the bottom. If it resists, check for a screw that locks the cover.
- Loosen screws holding the thermostat base to the outlet box and lift away.
- Disconnect wires from the old thermostat. As you disconnect each wire, tape the end and label it with the letter of the terminal designation to make reconnection to the new thermostat easier.
- Check the old insulation for cracks, nicks, or fraying, and apply high-quality plastic tape were necessary for adequate insulation.
- Retain the old thermostat for reference purposes and until your new thermostat is functioning smoothly.
WIRE AND MOUNT NEW THERMOSTAT
- Connect wires to the thermostat as shown in the applicable wiring diagram.
- Remove thermostat cover by grasping the top and bottom ends with fingers, and pulling outward.
- Push the wires into the outlet box, and insert the thermostat into the box for mounting by pushing against top and bottom of the thermostat base.
IMPORTANT
- Do not press on the setting knob.
- Secure the thermostat to the box with the two captive mounting screws provided.
- Replace thermostat cover.
- Set knob to desired room temperature.
IMPORTANT
Rough handling or strong pressure can damage knob or sensing element, and change the calibration.
- POWER SUPPLY. PROVIDE DISCONNECT MEANS AND OVERLOAD PROTECTION AS REQUIRED.
- BREAKS ON POSITIVE OFF.
- EXPOSED UNUSED LEAD WIRES TO BE PROPERLY INSULATED.
- THERMALLY ACTIVATED—BREAKS ON TEMPERATURE RISE. MAKES ON TEMPERATURE FALL.
CAUTION:
SPECIAL SERVICE CO/ALR SOLDERLESS CONNECTORS MUST BE USED WHEN CONNECTING WITH ALUMINUM CONDUCTORS; OTHERWISE, A FIRE HAZARD CAN RESULT.
CHECK OUT THERMOSTAT
- Turn on the power to the heating system.
- Turn the setting knob all the way clockwise;
listen for clicking sound as switch makes contact. The electric heater should begin operation. - Turn the knob all the way counterclockwise
listen for clicking sound as switch breaks contact. The electric heater should shut off.
SETTING THERMOSTAT
- Begin with a knob to the desired setting (typically 70°F [20°C] on the scale).
- If this setting is not satisfactory after at least two hours of operation, turn the setting knob upscale to raise the temperature, or downscale to lower the temperature. Move knob only a degree each time.
TROUBLESHOOTING
Your Resideo thermostat requires little or no attention. Most problems can generally be traced to the following:
Table 1. Troubleshooting.
| Symptom | Checkout | Action |
| No heat. | Make sure power is on at the main service panel. Turn the temperature setting knob fully clockwise ETh | The heater should start to warm up within two minutes. If not, contact a qualified electrician to check the thermostat and heater. |
| Improper connections to the thermostat. | With the power to circuit OFF. tighten all wiring connections. Repair any frayed or broken wires. | |
| Other. | Contact a qualified electrician for assistance. | |
| The heater never turns off. | Turn temperature setting knob fully counterclockwise | The heater should start to cool within minutes. If not, turn off power at the main service panel, and contact a qualified electrician. |
| The thermostat setting and thermometer reading disagree. | The thermostat is affected by drafts or radiant heat. | Contact electrician to change the location. The thermostat should be about 5 ft (1.5m) above the floor and on an inside wall. |
YEAR LIMITED WARRANTY
Resideo warrants this product, excluding battery, to be free from defects in workmanship or materials, under normal use and service, for a period of one (1) years from the date of first purchase by the original purchaser. If at any time during the warranty period the product is determined to be defective due to workmanship or materials, Resideo shall repair or replace it (at Resideo’s option).
If the product is defective, (i) return it, with a bill of sale or other dated proof of purchase, to the place from which you purchased it;or (ii) call Resideo Customer Care at 1-800-468-1502.
Customer Care will make the determination whether the product should be returned to the following address: Resideo Return Goods, 1985 Douglas Dr. N., Golden Valley, MN 55422, or whether a replacement product can be sent to you.
This warranty does not cover removal or reinstallation costs. This warranty shall not apply if it is shown by Resideo that the defect was caused by damage that occurred while the product was in the possession of a consumer.
Resideo’s sole responsibility shall be to repair or replace the product within the terms stated above. RESIDEO SHALL NOT BE LIABLE FOR ANY LOSS OR
DAMAGE OF ANY KIND, INCLUDING ANY INCIDENTAL OR CONSEQUENTIAL DAMAGES RESULTING, DIRECTLY OR INDIRECTLY, FROM ANY BREACH OF ANY WARRANTY, EXPRESS OR IMPLIED, OR ANY OTHER FAILURE OF THIS PRODUCT.
Some states do not allow the exclusion or limitation of incidental or consequential damages, so this limitation may not apply to you.
THIS WARRANTY IS THE ONLY EXPRESS WARRANTY THAT RESIDES MAKES ON THIS PRODUCT. THE DURATION OF ANY IMPLIED WARRANTIES, INCLUDING THE WARRANTIES OF MERCHANTABILITY AND FITNESS FOR A PARTICULAR PURPOSE, IS HEREBY LIMITED TO THE ONE-YEAR DURATION OF THIS WARRANTY.
Some states do not allow limitations on how long an implied warranty lasts, so the above limitation may not apply to you.
This warranty gives you specific legal rights, and you may have other rights which vary from state to state. If you have any questions concerning this warranty, please write Resideo Customer Care, 1985 Douglas Dr, Golden Valley, MN 55422 or call 1-800-468-1502.
www.resideo.com
Resideo Inc., 1985 Douglas Drive North,
Golden Valley, MN 55422
69-1562—02 M.S. Rev. 07-19
Printed in the United States
This product is manufactured by Resideo Technologies, Inc., Golden Valley, MN, 1-800-468-1502
©2019 Resideo Technologies, Inc. The Honeywell Home trademark is used under license from Honeywell International Inc. All rights reserved.



















