A Taco Family Company![]()
102-543
Instruction Sheet
SUPERSEDES: August 16, 2021
EFFECTIVE: December 20, 2021
Plant ID No. 001-5019
DESCRIPTION:
The 0034eTM is a high-performance, variable speed, high-efficiency, wet-rotor circulator with an ECM permanent magnet motor. With 5 easy settings, its variable speed performance curves are equivalent to the Taco 009, 0010, 0011, 0012, 0012 3-Speed, 0013, 0013 3-Speed & 0014. Ideal for large residential and light commercial hydronic heating, chilled water cooling and domestic hot water systems. The 0034e reduces power consumption by up to 85% compared to equivalent AC permanent split capacitor circulators. With a maximum of 34 feet of head and 50 gpm. It is available in either Cast Iron or NSF certified Stainless Steel.

![]()
APPLICATION:
- Maximum operating pressure: 150 psi (10.3 bar)
- Minimum NPSHR: 18 psi at 203°F (95°C)
- Maximum fluid temperature: 230°F (110°C)
- Minimum fluid temperature: 14°F (-10°C)
- Electrical specifications:
Voltage: 115/208/230V, 50/60 Hz, single phase
Maximum operating power: 170W
Maximum amp rating: 1.48 (115V) / .70 (230V) - Equipped with a Cast Iron or Stainless Steel casing
- SS Model suitable for open loop potable water systems
- Taco circulators are for indoor use only employer uniquement a l’interieur
- Acceptable for use with water or maximum of 50% water/glycol solution
FEATURES:
- 5 easy dial settings to match system requirements – activeADAPT®, LOW, MEDIUM, HIGH or 0-10V DC input
- Replaces all single speed and 3-speed circulators in its class
- ECM performance equivalent to Taco’s 009, 0010, 0011, 0012, 0013 & 0014 circulators
- Multi-color LED: power on, mode setting and error code diagnostics
- Use with a Taco ZVC Zone Valve Control or SR Switching Relay for ON/OFF operation
- Nut-capture feature on flanges for easier fit up
- Dual electrical knockouts and removable quick-connect terminal strip for easy wiring
- Whisper quiet operation
- BIO Barrier® protects the pump from system contaminants
- SureStart® automatic unblocking and air purging mode
- Rotatable control cover to allow any pump body orientation
INSTALLATION:
WARNING: Do not use in swimming pool or spa areas. Pump has not been investigated for these applications.
CAUTION: The addition of petroleum based fluids or certain chemical additives to systems using TACO equipment voids the warranty. Consult factory for fluid compatibility.
CAUTION: Installations at elevations over 5000 feet must have higher fill pressure of 20 psi minimum to prevent pump cavitation and flashing. Premature failure may result. Adjust expansion tank pressure to equal fill pressure. A larger size expansion tank may be required.
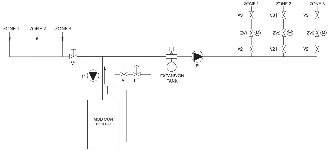
Figure 2
PREFERRED PIPING FOR CIRCULATORS ON BOILER SUPPLY

PREFERRED PIPING FOR CIRCULATORS ON BOILER RETURN

PREFERRED PRIMARY / SECONDARY PIPING FOR CIRCULATORS ON BOILER SUPPLY

KEY:
VI, V2, V3 = SHUT-OFF ISOLATION VALVE
P = TACO 0034e CIRCULATOR
FF = FAST FILL BOILER FEED VALVE
PV4 = PURGE VALVE
FC = FLOW CHECK VALVE
Figure 3:
PREFERRED PIPING FOR ZONE VALVES ON BOILER SUPPLY
ALTERNATE PIPING FOR ZONE VALVES ON BOILER RETURN
PREFERRED PRIMARY / SECONDARY PIPING FOR ZONE VALVES ON BOILER SUPPLY

KEY:
VI, V2, V3 = SHUT-OFF ISOLATION VALVE
P = TACO 0034e CIRCULATOR
FF = FAST FILL BOILER FEED VALVE
PV4 = PURGE VALVE
ZV = ZONE VALVE
- Location: The circulator can be installed on the supply or return side of the boiler but for best system performance, it should always pump away from the expansion tank. See piping diagrams in Figure 2 & Figure 3.
NOTE: Two shorter 1-1/4” x 7/16” flange bolts are provided with the circulator to use on the discharge flange to prevent interference with the circulator casing.
CAUTION: Do not use flat rubber gaskets. Only use O-ring gaskets provided or leaks may result. Warranty will be void. - Mounting position: Circulator must be mounted with the motor in the horizontal position. See Figure 4 & Figure 5 below for acceptable and unacceptable motor mounting orientations. See Figure 6 for Rotating Control Cover.



The 0034e is equipped with a symmetrical control cover connected to the pump with a ribbon cable. The cover can be removed, rotated and repositioned for best viewing and user operation. It allows the installer to mount the circulator casing in any flow direction, then rotate the cover to the upright position.
Remove the 4 cover screws, rotate cover to upright position, reattach cover with 4 screws.
CAUTION: To reduce the possibility of noise transmission, be sure to add vibration dampeners to piping when mounting circulator to wall or floor joists. - Filling the system: Fill the system with tap water or a maximum of 50% propylene-glycol and water solution.
The system must be filled before operating the circulator. The bearings are water lubricated and should not be allowed to operate dry. Filling the system will result in immediate lubrication of the bearings. It is always good practice to flush a new system of foreign matter before starting the circulator.
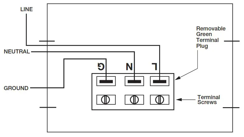
WARNING: Risk of electric shock. To reduce the risk of electric shock, be certain that it is connected only to a properly grounded, grounding-type receptacle. Follow all local electrical and plumbing codes.
WARNING: Use supply wires suitable for 90°C.
WARNING: Disconnect power when servicing.
CAUTION: Use flexible conduit only. Not for use with rigid conduit.
Wiring Diagram
- Wiring the circulator: Disconnect AC power supply. Remove terminal box cover. Attach a wiring connector into knockout hole. Use flexible conduit only. The green terminal plug may be removed to simplify wiring, then snapped back in place. Connect Line/Hot power to the L terminal, Neutral to the N terminal and Ground to the G terminal. See wiring diagram above. Replace terminal box cover. Insert rubber cap plug provided to cover
unused knockout hole.
4a. Wiring the circulator for 0-10V DC Operation: (See Page 9) - Start the circulator: When purging the system, it is recommended to run the circulator at full speed long enough to remove all remaining air from the bearing chamber. This is especially important when installing the circulator in the off-season. Turn the dial to the HIGH setting for maximum fixed speed.
A blue LED will illuminate when the 0034e is powered on.
CAUTION: Never run the circulator dry or permanent damage may result.
Full Speed Operation:
To run the pump at full speed during the fast fill, start-up and purge process, rotate dial to HIGH setting. The LED will change to blue. To return to the normal operating mode, turn dial to desired activeADAPT, LOW, MEDIUM, HIGH or 0-10V setting. - Programming your 0034e circulator: Modify the performance of the circulator as needed by rotating the dial using a flat screwdriver. When the circulator is powered on, the LED will illuminate and change color based on the operating mode selected. The LED will flash each time a setting is changed. See diagram below to set pump for desired operating mode. The selection of the right operating curve depends on the characteristics of the system and the actual flow / head requirements. See Pump Curves on pages 7, 8 & 11 to determine the best operating mode for the system. See cross-reference replacement chart on back page.
The 0034e has 5 Operating Settings:
• activeADAPT — Automatic, self-adjusting, proportional pressure, variable speed. (Violet LED)
• LOW — 13 feet of head constant pressure, variable speed. (Orange LED)
• MEDIUM — 26 feet of head constant pressure, variable speed. (Orange LED)
• HIGH — 34 feet of head max, full fixed speed. (Blue LED)
• 0-10V DC — Analog external input or PWM pulse width modulation input from building control system, variable speed. (Yellow LED)

Figure 7 – Dial Settings & Operating Modes

activeADAPT® Mode: activeADAPT is an operating mode designed for constant circulation systems. On this setting, the circulator will sense changes in system flow and head conditions and adjust the operating curve automatically. See activeADAPT operating range in the chart to the right.

Constant Pressure Mode:
At Low setting the circulator will vary speed to maintain 13 feet of head constant pressure. At Medium setting the circulator will vary speed to maintain 26 feet of head constant pressure.



External connection for 0-10V DC / PWM signal
WARNING: If there is a need to make external connection (PLC / Pump Controller) it is mandatory to perform the following operations.
- Remove the four screws (Figure 8 – Ref. 1) attaching the control cover (Figure 8 – Ref. 2).
- Unscrew a signal input / output cap (Figure 8 – Ref. 3).
- Remove the green terminal plug (Figure 8 – Ref. 4) from the electronic board (Figure 8 – Ref. 5).
- Insert the cable (Figure 8 – Ref. 6) in the cable strain relief gland M12x1.5 (Figure 8 – Ref. 7) provided in carton and screw it to the cover.
- Strip (Minimum .25”) the ends of the wires, insert them into the connector as shown (Figure 8 – Ref. 4) and fix them with screws (Figure 8 – Ref. 8).
- Re-connect the terminal plug to the electronic board, replace the control cover and secure it with the screws.
Figure 8 – External connection for 0-10V DC / PWM signal
Analog Input
In the “external input” mode, the circulator accepts either a 0-10VDC voltage signal or a PWM signal. The selection of the signal type is automatically made by the circulator without operator intervention.
Input 0-10V DC
The circulator operates at variable speed depending on the DC input voltage. At voltages below 1.5 V, the circulator is in “standby” mode. LED will be flashing
yellow in “standby” mode.
At voltages between 2 V and 10 V, the circulator operates at a variable speed depending on the voltage:
- 0% for a voltage not exceeding or equal to 2 V
- 50% at 7 V
- 100% for voltages greater than or equal to 10 V
Between 1.5 V and 2 V the circulator can be in “standby” or at minimum speed depending on the previous state (hysteresis). See diagram below.

PWM Input
Circulator operates at variable speed according to digital input duty cycle. PWM digital input is shared with 0-10V DC analog input, the pump will automatically switch between different input protocols when it detects a constant frequency input signal. 0% and 100% PWM inputs are not valid and will be treated as an analog input.
PWM amplitude must be from 5 to 12V, frequency between 200Hz to 5kHz
Operations based on PWM input:
- Standby for PWM below 5%
- Min speed for PWM between 9-16%
- Half speed for 50% PWM
- Max speed for PWM in over 90%
Between 5% to 9% PWM the circulator remainsin standby or run mode according to minimum threshold.

IMPORTANT: If the input remains disconnected, the circulator goes into Standby Mode.
Analog Output 0-10V DC
The circulator has an analog output signal feature to indicate the operating status and the presence of any errors.
| 0 V | Circulator off, not powered |
| 2 V | Circulator powered in standby |
| 4 V | Circulator on and running |
| 6 V | Warning presence (overheating, air) |
| 10 V | Alarm presence (Circulator blocked, under voltage, over temperature) |
0-10V DC Input Mode:
The circulator will vary its speed and performance based on a 0-10V DC analog signal external input.


Troubleshooting the error codes:
Listed below are potential diagnostic error codes which will appear on the LED display in case of a malfunction.
| FAULTS | CONTROL PANEL | CAUSES | REMEDIES |
| The circulator is noisy | LED on | Suction pressure is insufficient – cavitation | Increase the system suction pressure within the permissible range. |
| LED on | Presence of foreign bodies in the impeller | Disassemble the motor and clean the impeller. | |
| Loud noises of water circulation | Flashing white LED | Air in the system. Circulator may be air-bound. | Vent the system. Repeat fill and purge steps. |
| Circulator is not running although the electrical power supply is switched on | LED off | Lack of power supply | Verify voltage value of the electric plant. Verify the connection of the motor. |
| Circuit breaker might be tripped | Check circuit breaker at panel and reset if necessary. | ||
| The circulator is defective | Replace the circulator. | ||
| Overheating | Let the circulator cool down for some minutes | ||
| Then try to restart it. Verify that the water and ambient temperature are within the indicated temperature ranges. | |||
| LED red | The rotor is blocked | Disassemble the motor and clean the impeller. See unlocking procedure below. | |
| Insufficient supply voltage | Verify that the power supply matches the data on the name plate. | ||
| Building does not get warm | LED on | System may be air-bound | Vent system. Repeat fill and purge steps. |
Unlocking Procedure: A red LED indicates the circulator is locked or sticking. Disconnect and connect power supply to start the automatic release process. The circulator makes 100 attempts to restart (process lasts approximately 15 minutes). Every restart is signaled by a short white flash of the LED. If the locking is not removed through the automatic release process after 100 attempts to restart the circulator, it goes into standby and the LED remains red. In this case follow the manual procedure described in the next steps: during any attempt, the red LED keeps blinking; after that the circulator tries again to start. If the locking is not removed through the automatic release process (the warning light returns to red), perform the manual steps described below.
- Disconnect power supply – the warning light switches off.
- Close both isolating valves and allow cooling. If there are no shut-off devices, drain the system so that the fluid level is beneath that of the circulator.
- Loosen 4 motor bolts. Remove motor from casing. Carefully pull the rotor/impeller from the motor.
- Remove impurities and deposits from the impeller and casing.
- Reinsert the rotor/impeller into the motor.
- Connect power supply. Check for impeller rotation.
- If the circulator still doesn’t run it will need to be replaced.
Replacement Parts List
| 007-007RP | Flange Gasket set |
| 198-213RP | Casing ‘O’ Ring |
| 198-3252RP | Control Panel Cover (0034e Dial Version) |
| 198-3247RP | Terminal Box Cover |
| 198-3185RP | Wiring Connector (Green) |
| 198-217RP | Terminal Box cover screws (5 per bag) |
0034e Pump Replacement Cross-Reference (6-1/2” Flange-to-Flange Dimension)
| Taco | Bell & Gossett | Armstrong | Grundfos | Wilo |
| 2400-10 | PL 50 | 0.00E+00 | TP(E) 32-40 | Stratos: |
| 2400-20 | PL 45 | 0.00E+00 | UP 50-75 | 1.25 x 3 – 35 |
| 2400-30 | PL 36 | E 8 | UPS 43-100 | 1.25 x 3 – 30 |
| 2400-40 | PL 30 | E 7 | UPS 50-44 | 1.25 x 3 – 25 |
| 110 | E90 1AAB | S25 | UP 43-75 | 1.25 x 3 – 20 |
| 111 | Series 60 (601) | H 63 | UP(S) 43-44 | |
| 112 | Series HV | H 52 | UP 26-116 | Top S: |
| 113 | Series PR | H 51 | UP(S) 26-99 | 1.25 x 15 |
| 9 | Series HV | Astro 290 | UP 26-96 | 1.25 x 25 |
| 10 | Series 100 | Astro 280 | UP 26-64 | 1.25 x 35 |
| 11 | NRF 45 | Astro 210 | UPS 32-40 | 1.50 x 20 |
| 12 | NRF 36 | 1050 1B | UPS 32-80 | |
| 13 | ECOCirc XL 36-45 | 1050 1 1/4B | Magna 32-100 | Top Z: |
| 14 | Compass ECM | Magna 32-60 | 1.5 x 15 | |
| Alpha2 26-99 | 1.5 x 20 |
NOTE: Flange size and flange-to-flange dimensions will vary by competitive model and may require some piping changes.
![]()
Model#:0034e WAIP: 0.250
CIRCULATOR PUMP CEI: 0.50 (ER 145)
ENERGY RATING
![]()
Note: The ER value is dependent on the selected control. Multiple options may be available on this pump. as follows:
- Full Speed
- Pressure (Rated)
- External Input Signal and Other Controls
Power savings (watts) over a baseline case can be estimated by multiplying the ER by WAIP and multiplying by 7.46. Multiplying power savings by operating hours and cost of energy will yield estimated cost savings.
4PN6JP
er.pumps.org
Apr 2021
LIMITED WARRANTY STATEMENT
Taco, Inc. will repair or replace without charge (at the company’s option) any Taco product which is proven defective under normal use within three (3) years from the date code.
In order to obtain service under this warranty, it is the responsibility of the purchaser to promptly notify the local Taco stocking distributor or Taco in writing and promptly deliver the subject product or part, delivery prepaid, to the stocking distributor. For assistance on warranty returns, the purchaser may either contact the local Taco stocking distributor or Taco. If the subject product or part contains no defect as covered in this warranty, the purchaser will be billed for parts and labor charges in effect at time of factory examination and repair.
Any Taco product or part not installed or operated in conformity with Taco instructions or which has been subject to misuse, misapplication, the addition of petroleum-based fluids or certain chemical additives to the systems, or other abuse, will not be covered by this warranty.
If in doubt as to whether a particular substance is suitable for use with a Taco product or part, or for any application restrictions, consult the applicable Taco instruction sheets or contact
Taco at (401-942-8000).
Taco reserves the right to provide replacement products and parts which are substantially similar in design and functionally equivalent to the defective product or part. Taco reserves the right to make changes in details of design, construction, or arrangement of materials of its products without notification.
TACO OFFERS THIS WARRANTY IN LIEU OF ALL OTHER EXPRESS WARRANTIES. ANY WARRANTY IMPLIED BY LAW INCLUDING WARRANTIES OF MERCHANTABILITY OR FITNESS IS IN EFFECT ONLY FOR THE DURATION OF THE EXPRESS WARRANTY SET FORTH IN THE FIRST PARAGRAPH ABOVE. THE ABOVE WARRANTIES ARE IN LIEU OF ALL OTHER WARRANTIES, EXPRESS OR STATUTORY, OR ANY OTHER WARRANTY OBLIGATION ON THE PART OF TACO. TACO WILL NOT BE LIABLE FOR ANY SPECIAL INCIDENTAL, INDIRECT OR CONSEQUENTIAL DAMAGES RESULTING FROM THE USE OF ITS PRODUCTS OR ANY INCIDENTAL COSTS OF REMOVING OR REPLACING DEFECTIVE PRODUCTS.
This warranty gives the purchaser specific rights, and the purchaser may have other rights which vary from state to state. Some states do not allow limitations on how long an implied warranty lasts or on the exclusion of incidental or consequential damages, so these limitations or exclusions may not apply to you.
![]()
A Taco Family Company
Taco, Inc., 1160 Cranston Street, Cranston, RI 02920 I Tel: (401) 942-8000 I FAX: (401) 942-2360
Taco (Canada), Ltd., 8450 Lawson Road, Suite #3, Milton, Ontario L9T 0J8 I Tel: (905) 564-9422 I FAX: (905) 564-9436
Visit our web site: www.TacoComfort.com I ©2021 Taco, Inc.
![]()




Figure 8 – External connection for 0-10V DC / PWM signal

















