HOSHIZAKI Premier 70-W80-60 Refrigerators and Freezers User Manual
GENERAL INFORMATION
PRODUCT DESCRIPTIONLABEL
- Product Number
- Product Description
- Model
- Refrigerant (GWP)
- CO2 Equivalent
- IP Protection
- Climate Class
- Production Date
- Total power / Current / Lamp power
- Voltage – Frequency
- Heating Element
- System Pressure
- Blowing Agent
- Serial Numbe
| PRODUCT NUMBER | 1 |
| PRODUCT DESCRIPTION | 2 |
| MODEL | 3 |
| REFRIGERANT | 4 |
| CO2 EQUIVALENT | 5 |
| IP PROTECTION | 6 |
| CLIMATE CLASS | 7 |
| PRODUCTION DATE | 8 |
| TOTAL POWER / CURRENT / LAMP POWER | 9 |
| VOLTAGE – FREQUENCY | 10 |
| HEATING ELEMENT | 11 |
| SYSTEM PRESSURE | 12 |
I IOW IIII•11 SWIM OAS 111I•11 WINS Mel SIMI OM Mil
NOSHIZAKI EUROPE B.V. Burgomaster Stramanweg 101 1101 AA Amsterdam, The Netherlands

THE PURPOSE OFUSAGE
- This product is suitable for use in indoor areas only and solely for the purpose ofstoring food and beverages. Storage units are designed to maintain products already atrefrigerator/freezer temperature.
- The manufacturer will not be held responsible for any damages arising as a resultof usage contrary to stated guidelines in this book.
- While storing food in this cabinet, it is necessary to ensure that food never comes in contact with the body of this cabinet.
- All foods must be completely covered. To avoid contamination and corrosion of internal components all products should be wrapped or stored in sealed containers.
- Do not store hot foods or liquids in this cabinet.
- Beverages stored in boxes and glass bottles should not be stored at temperatures below 0°C (freezing point). Cans and glass bottles may burst due to expansion. All containers with lidsshould not be filled completely: a small amount of space should be left for expansion.
- This cabinet is equipped with an automatic self-defrosting facility. It is also possible to perform manual defrosting. The manual defrosting does not involve turning thecabinet off for long periods but can be performed via the controller. Under no circumstances should force or hand tools be used to de-ice this cabinet, any damage arising from such action is difficult to repair.
- Do not employ any mechanical or alternative means ofdefrosting.
- The appliance is not to be used by persons (including children) with reduced physical, sensory or mental capabilities, or lack of experience and knowledge unless they have been given supervision or instruction.
- Children being supervised not to play with the appliance.
- Cleaning and user maintenance shall not be made by children without supervision.
- This appliance can be used by children aged 8 years and above and persons with reduced physical, sensory or mental capabilities or lack of experience and knowledge if they have been given supervision or instruction concerning the use of the appliance in a safe way and understand the hazards involved.
- Any electrical or mechanical changes to this cabinet will void the warranty. Changes carried out by non-authorized service engineers and changes other than those described in this manual will also void the warranty. The manufacturer will not accept any responsibility for damages arising from such changes.
CLIMATE CLASS
The cabinet is designed to run within specific ambient temperature and humidity levels. These are set out in the climate class sys em. These levels are never to be exceeded. The climate class for this product can be found on the product description label. The refrigerator is not suitable for use in temperatures below 16 °C ambient temperature.
| Climate Class | Ambient Temperatures and Humidity |
| 4 | +30°C with %55 RH |
| 5 | +40°C with %40 RH |
FIRST ACCEPTANCE ANDCONTROLS
This cabinet was packed in protective packaging material for shipping. On delivery, please check the cabinet for any possible transport damage and that the cabinet model is what youor dered.
IMPORTANT
All operations listed below must fully comply with all local bylaws and safety regulations. Observe all current safety rules when operating this product.
TRANSPORTING
When lifting the product using machinery, the lifting capacity of any machinery must be verified prior to undertaking any such procedures.
IMPORTANT
When using a fork truck to move the product, please ensure that the forks are inserted into the appropriate openings in the pallet.
Once moving, attention must be paid to the stability of the product. If the center of gravity is not central to the product, which will make it prone to tip over. When lowering the product with a fork truck ensure this is done slowly and withcare.
Should it become necessary to transport any upright cabinets in a horizontal position, please make sure the cabinet has been upright for at least 2 hours before operating. It is not recommended to transport upright cabinets in the horizontal position and any damage arising from such action is not covered by a warranty.
ATTENTION
Recommendations written on the outside of the transport packaging are for the user’s benefit. Therefore, the following recommendations should be observed:
- Carry the product carefully.
- Keep the product dry. Do not use the top of the cabinet forstorage!
OPENING THE PACKAGING
- Remove the cardboard and any other packaging material.
- Lift the cabinet to disconnect and remove it from the pallet.
- Place the cabinet in the desired location, standing on its own base.
- Check for any visible damage.
- Packaging materials can be recycled according to local recycling regulations.
- Verify that the product code and serial number match the same on any shipping documents.
| Trade mark | HOSHIZAKI | |||||
| Model name | PREMIER K 70 | PREMIER KG 70 | PREMIER M 70 | PREMIER F 70 | ||
| Intended use | Storage | Storage | Storage | Storage | ||
| Chilled operating temperature | X | X | X | |||
| Frozen operating temperature | X | |||||
| Multiuse cabinet | ||||||
| Vertical cabinet | X | X | X | X | ||
| Counter cabinet | ||||||
| Parameter | Symbol | Unit | ||||
| Energy Efficiency Class | EEC | – | A | B | A | C |
| Energy Efficiency Index | EEI | – | 24.56 | 32.49 | 24.56 | 46.45 |
| 24 hour Energy Consumption | E24h | kWh | 0.935 | 1.237 | 0.935 | 4.853 |
| Annual Energy Consumption | AEC | kWh | 341.27 | 451,51 | 341.27 | 1771.34 |
| Net volume for compartment 1 | Vn or Vn1 | litre | 475 | 475 | 475 | 475 |
| Net volume for compartment 2 | Vn2 | litre | – | – | – | – |
| Net volume for compartment 3 | Vn3 | litre | – | – | – | – |
| Net volume for compartment 4 | Vn4 | litre | – | – | – | – |
| Total Net volume | VnT | litre | 475 | 475 | 475 | 475 |
| Climate Class | CC | 5 | 4 | 5 | 5 | |
| Refrigerant | R600a | R600a | R600a | R290 | ||
| Charge | kg | 0.080 | 0.080 | 0.080 | 0.115 | |
| GWP | 3 | 3 | 3 | 3 | ||
| CO2 Equivalent | 0,24 | 0,24 | 0,24 | 0,345 | ||
| Heavy-duty; This appliance is intended for use in ambienttemperatures up to 40°C | X | X | X | |||
| Contact details: | HOSHIZAKI EUROPE B.V.Address: Burgemeester Stramanweg 101 1101 AA Amsterdam, The Netherlands Tel.: +31 (0)20 691 84 99 – http://hoshizaki.europe.com/ | |||||
| Trade mark | HOSHIZAKI | |||||
| Model name | PREMIER K W80 | PREMIER KG W80 | PREMIER M W80 | PREMIER F W80 | ||
| Intended use | Storage | Storage | Storage | Storage | ||
| Chilled operating temperature | X | X | X | |||
| Frozen operating temperature | X | |||||
| Multiuse cabinet | ||||||
| Vertical cabinet | X | X | X | X | ||
| Counter cabinet | ||||||
| Parameter | Symbol | Unit | ||||
| Energy Efficiency Class | EEC | – | A | B | A | C |
| Energy Efficiency Index | EEI | – | 24.29 | 31,62 | 24.29 | 46.58 |
| 24 hour Energy Consumption | E24h | kWh | 0.925 | 1.204 | 0.925 | 4.87 |
| Annual Energy Consumption | AEC | kWh | 337,63 | 439,46 | 337,63 | 1777,55 |
| Net volume for compartment 1 | Vn or Vn1 | litre | 475 | 475 | 475 | 475 |
| Net volume for compartment 2 | Vn2 | litre | – | – | – | – |
| Net volume for compartment 3 | Vn3 | litre | – | – | – | – |
| Net volume for compartment 4 | Vn4 | litre | – | – | – | – |
| Total Net volume | VnT | litre | 475 | 475 | 475 | 475 |
| Climate Class | CC | 5 | 4 | 5 | 5 | |
| Refrigerant | R600a | R600a | R600a | R290 | ||
| Charge | kg | 0.080 | 0.080 | 0.080 | 0.085 | |
| GWP | 3 | 3 | 3 | 3 | ||
| CO2 Equivalent | 0,24 | 0,24 | 0,24 | 0,255 | ||
| Heavy-duty; This appliance is intended for use in ambienttemperatures up to 40°C | X | X | X | |||
| Contact details: | HOSHIZAKI EUROPE B.V. Address: Burgemeester Stramanweg 101 1101 AA Amsterdam, The NetherlandsTel.: +31 (0)20 691 84 99 – http://hoshizaki.europe.com/ | |||||
| Trade mark | HOSHIZAKI | |||||
| Model name | PREMIER K 60 | PREMIER KG 60 | PREMIER M 60 | PREMIER F 60 | ||
| Intended use | Storage | Storage | Storage | Storage | ||
| Chilled operating temperature | X | X | X | |||
| Frozen operating temperature | X | |||||
| Multiuse cabinet | ||||||
| Vertical cabinet | X | X | X | X | ||
| Counter cabinet | ||||||
| Parameter | Symbol | Unit | ||||
| Energy Efficiency Class | EEC | – | A | B | A | C |
| Energy Efficiency Index | EEI | – | 24.71 | 32,20 | 24.71 | 48,23 |
| 24 hour Energy Consumption | E24h | kWh | 0.785 | 1.023 | 0.785 | 4,127 |
| Annual Energy Consumption | AEC | kWh | 286,53 | 373,4 | 286,53 | 1506,36 |
| Net volume for compartment 1 | Vn or Vn1 | litre | 335 | 335 | 335 | 335 |
| Net volume for compartment 2 | Vn2 | litre | – | – | – | – |
| Net volume for compartment 3 | Vn3 | litre | – | – | – | – |
| Net volume for compartment 4 | Vn4 | litre | – | – | – | – |
| Total Net volume | VnT | litre | 335 | 335 | 335 | 335 |
| Climate Class | CC | 5 | 4 | 5 | 5 | |
| Refrigerant | R600a | R600a | R600a | R290 | ||
| Charge | kg | 0.080 | 0.080 | 0.080 | 0,085 | |
| GWP | 3 | 3 | 3 | 3 | ||
| CO2 Equivalent | 0,24 | 0,24 | 0,24 | 0,255 | ||
| Heavy-duty; This appliance is intended for use in ambienttemperatures up to 40°C | X | X | X | |||
| Contact details: | HOSHIZAKI EUROPE B.V. Address: Burgemeester Stramanweg 101 1101 AA Amsterdam, The NetherlandsTel.: +31 (0)20 691 84 99 – http://hoshizaki.europe.com/ | |||||
OPERATING INSTRUCTIONS
ELECTRICITY
Before connecting the product to electrical power, please verify that the specified electrical power supply on the product description label corresponds with the local network electrical powersupply.
The Product Description label with the specified electrical power supply can be found on the inside of the cabinet, on the top left-handside.
Installation of the product must only be undertaken by qualified and trained service personnel as per the specifications listed in thismanual.
The electrical safety of this cabinet can only be valid if it’s earthed in accordance with current local laws and regulations.
Earthing of the product is alwaysrequired.
The manufacturer will not accept any responsibility for any damage arising from improper grounding.
Adhere to all electricity requirements stipulated by the local electrical regulations. The product’s electricity plug and wall socket must have the correct earth connectivity reading. If necessary employ a qualified electrician.
GENERAL PRELIMINARYCHECKS
Make sure the cabinet is standing on level ground and is upright. If necessary, the adjustable feet of thecabinet can be used to achieve this. All feet should be in contact with the ground.
This is necessary for the proper operation of the cabinetdoor.
Do not place the cabinet next to any heat-generating devices such as ovens, grills, and deep fryers. Do not expose to direct sunlight. The heat that may be radiated by walls or floors must be insulated with appropriate insulating material. The cabinet should be placed asfar as possible from any heat source.
If the cabinet is re-located, allow three hours before re-starting. Plastic protection or tape should be removedfrom the outersurfaces.
Ensure the cabinet is positioned so sufficient fresh air can flow to/from the cooling circuit and around the surfaces of the cabinet. Leave at least 500 mm free space from the top ofthe cabinet.
If two refrigerators or freezers are to be placed side by side, there should be at least 50 mm space between them.
Do not block any vent holes
PRELIMINARY ELECTRICALCHECKS
- Check that the mains voltage and frequency of the socket conform to the information on the product description label.
- The cabinetis connected to the main outlet with a 13-16 Amp fuse as a serialconnection.
- Turn off the main fuse connected to the power cable.
- Check that the plug on the cabinet is suitable for use with the available main socketand that they fit together.
FIRST OPERATIONS ANDCONTROLS
After the above checks have been completed, the cabinet can beoperated. The
ON/OFF switch operates thecabinet.
After the cabinet is turned ON, the compressor will start running. The compressor will run until the factory’s pre-set temperature is reached. Foods should not be placed in the cabinet until the temperature setting has been adjusted to suit the foods to be cooled.
New temperature settings can be done through the controller as described in this manual.
IMPORTANT
➢ Allow the product to cool to the set temperature before placing food items inside.
➢ Never exceed the maximum load capacity. The maximum shelf capacity is an even load of 40 kg each for shelves in upright cabinets and 20 kg for shelves and drawers in counter cabinets.
➢ Refer to the “General Preliminary Checks’ section of this manual for information on the
amount of space required for good air ventilation around the product.
➢ Do not store explosive substances such as aerosol cans with a flammable propellant in this appliance.
WARNING:
➢ Do not block any ventilation openings on the appliance at any time.
➢ Do not use mechanical devices or other means to accelerate the defrosting process, other than those recommended by the manufacturer.
➢ Do not damage the refrigerant circuit.
➢ Do not use electrical appliances inside the cabinet.
➢ Do not damage power cord, wiring or any key component.
STORAGE CONDITIONS ANDPERFORMANCE
Correct storage conditions are not only paramount to food hygiene and safety but improve the quality of service and reduce energy consumption. The best performance can be achieved if the following tips and guidelines are observed: keep all food items on shelves only and never place food items on the floor of the cabinet. Food items must be placed in the cabinet or counter in such a way as to allow good airflow all around, leaving space between items and the walls of the product. If required shelf distance can be adjusted accordingly
CONTROL PANEL

➢ FRONT PANEL FUNCTIONS
To lock the front panel keys, hold AUX (3) and hold On / Stand By (1) for 2 seconds: “Loc” text will be on the screen when keys are locked, if it isn’t locked, “UnL” text will be on the screen.
- When holding ON/STAND BY for 4 seconds; the device opens or closes. (On/Off)
- MANUAL DEFROST; if the button is pressed for 4 seconds, manual defrost starts. If excessive cooling is active and evaporator temperature is not suitable, manual defrost will not start.
- It is used only for models with glass doors to open or close the cabin interior Lighting (On / Off) or if there is,the auxiliary output turns on and off the ignition (On / Off).
- DOWN key: Scroll down the menu or reduce the value; if held down for 4 seconds super cooling becomes active. When an excessive cooling function is active, the set temperature can be reduced; the time and temperature are determined with the help of the parameters. When an excessive cooling function is activated, the device never does defrost.
- UP Key: Scroll up the menu or increase the value; if held down for 4 seconds, the percentage of low and high relative humidity function is engaged. (For some models) “rhL” is written on the screen (A low percentage of relative humidity function is operating.) or “rhH” is written on the screen (A high percentage of relative humidity function is operating.) These functions appear on the screen for 10 seconds. If humidity control is not available, “—-“appears on the screen for 1 second.
- SET key: input and change key for adjustable values.
➢ OPERATING
Operation cases are available below:
“On” status: The device is energized and the device operates.
“Stand-By” status: The device is switched off, but the device is still powered.
“Of” status: To turn the device off, remove the plug from the socket, or by turning the main fuse off, the device is turned off.
IMPORTANT
Do not carry out any maintenance or repair while the cabinet is in on or standby mode. Only when the power supply is completely isolated from the cabinet can any work bedone.
MAINTENANCE INSTRUCTIONS
The device must be cleaned regularly. The intervals depend on the usage and level of soiling (at least annually).
Before carrying out any cleaning or maintenance operations, unplug the unit
Don’t touch or wet the machine compartment parts. This could result in failure or breakdown.
To prevent possible damage, don’t clean the plastic parts with water above 40° C or in a dishwasher.
Interior & Exterior of Cabinet and Shelves
Clean the interior and exterior at least once a week for sanitary use.
Clean off the interior and exterior of the cabinet with a soft cloth soaked in cold or warm water
containing the proper amount of neutral cleaner and wrung dry. Don’t use a water jet to clean the machine compartment.
Chemical agents other than neutral cleaner might cause damage to the interior and exterior surfaces.
Any remaining detergent will damage metal or plastic surfaces. Use a soft cloth dampened with warm water to wipe it off.
Don’t use the following items, they could damage painted or plastic surfaces:
Polishing powder, alcohol, thinner, benzene, acidic or alkaline detergent, hot water, petroleum, soap powder, metal scourer or brush, etc. Especially detergent to clean grease on ventilator or microwave.
Note: Some solutions other than the above may also damage painted or plastic surfaces. Immediately stop using such solutions if they cause any problems!
The door gasket and its contact surface get soiled easily. Clean every surface of these partsb thoroughly. Remnants of food will accelerate aging.
Use a cloth to wipe off any water staying inside the cabinet.
Condenser
Use a vacuum cleaner or a soft brush to remove dust and stains from the condenser.
v Warning: If users clean the condenser with a hard brush, such as a dishwasher brush, the coating of the condenser may peel off.
*Air Filter
To prevent deformation do not wash the air filter hot water above 40° C
Plastic mesh air filters remove dirt or dust from the air and keep the condenser from getting clogged. If the filters get clogged, the refrigerator/freezer’s performance will be reduced.
Check the filters at least twice a month. When clogged or when the temperature controller shows “cH” use warm water and a neutral cleaner to wash the filters. Don’t operate the unit with the air filters removed, or the condenser will get clogged, resulting in failure.
- Open the front panel and remove the air filter. To prevent injury, don’t touch the condenser fins directly.
- Wash the air filter carefully with cold or warm water containing the proper amount of neutral cleaner. Rinse and dry the air filter thoroughly.
- To refit the air filter put the two tabs into the heat exchanger or fins in a condenser and tightly attach the air filter over the condenser.
Note (*): Air filter is used in Premier W80, Premier 60 for this manual.
TECHNICAL INFORMATIONS
DIMENSIONS OF THE DEVICES
PREMIER K 70 – PREMIER M 70 – PREMIER F 70

PREMIER KG 70
PREMIER K W80 – PREMIER M W80 – PREMIER F W80
PREMIER KG W80
PREMIER K 60 – PREMIER M 60 – PREMIER F 60
PREMIER KG 60
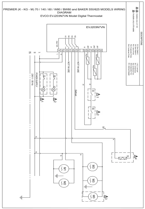
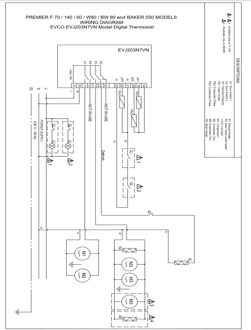
COOLING DIAGRAM & ELECTRICAL WIRING DIAGRAMS

ELECTRICAL WIRING DIAGRAM (FOR CABINET REFRIGERATOR MODELS)


SERVICE DIAGNOSIS
The table below lists several problems that you may encounter. If an alarm code is displayed, a malfunction has occurred. Please correct any possible causes before resetting the cabinet. Potential causes and remedies are listed below.
If an error code persists after you have carried out the checks below, please contact an authorized technician. The characteristics of the error message must be determined. Product details including the serial number can be found on the nameplate of the product
| PROBLEM | POSSIBLE CAUSE | REMEDY |
| The cabinet is not working | No power is supplied to the cabinet | Check the power plug and cable are fault free |
The compressor seldom stops running | The ambient temperature is too high | Ventilation needs to be improved |
| Condenser or condenser filter are blocked | Check and clean condenser filter regularly | |
| Door gaskets are not sealing properly | Call an authorized technician to replace seals | |
| The evaporator is iced up | Do not place hot food items in the cabinet | |
| Do not place food items with high water content inside the cabinet unless they are stored in sealed | ||
| Start a manual defrosting cycle | ||
| Evaporator fan/fans are faulty | Call an authorized technician to replace the fan/fans | |
Overflowing water from the condenser water tray | Frequent placement of hot food items in the cabinet | Do not place hot food items in the cabinet |
| Only place food items with highwater content in sealed containers in the cabinet | ||
| Frequent opening of doors or drawers | Verify whether cabinet specifications confirm it is suitable for currentusage | |
Cabinet temperature is high | The condenser is blocked with dirt and dust | Check and clean condenser filter regularly |
| Airflow within cabinet isblocked | Remove items of food blocking the airflow | |
| Ambient air is entering the cabinet | Ensure the door is closed | |
| Check for damage to the door and drawer seals | ||
| Contact an authorized technician | ||
| The evaporator is iced up | Start a manual defrosting cycle |
REMOVAL AND REPLACEMENT
REPLACING THE INTERIORLIGHT BULB
- Turn off the power at the main isolator or remove the cabinet plug from the socket.
- Open the door.
- Remove the screw securing the canopy and then lift thecanopy.
- Ensure that the new bulb has the same rating as the old bulb. Voltage and wattageare printed on the bulb.
- Remove and replace the lightbulb.
DISPOSING OF THECABINET
- The cooling gas present in the cabinet can be identified from thenameplate.
- The cabinet is produced from recyclable materials in accordance to EU regulations. Therefore, at the end of its economic life, the cabinet must be passed to the appropriate recycling center for disposal.
- Do not recycle the cabinet as metal or household waste.
- Do not compact the cooling plant refrigeration circuit
IMPORTANT
Adhere to local by-laws and regulations during disposal of the cabinet
All Rights Reserved
Hoshizaki reserves the right to change any features and the information in this manual.
Contact Details
Headquarters
Hoshizaki Europe B.V – All other countries in Europe and Africa
TEL: +31 (0)20 6918499
[email protected] — http://hoshizaki-europe.com/
Branches
Hoshizaki UK – UK, Ireland
TEL: +44 (0)845 456 05 85
[email protected]
Hoshizaki Deutschland – Germany, Switzerland, Austria
TEL: +49 (0)5121 697370
[email protected]
Hoshizaki Benelux – Netherlands, Belgium, Luxembourg
TEL: +31 (0)85 0188370
[email protected]
Hoshizaki France – France
TEL: +33 (0)1 48 63 93 80
[email protected]
Hoshizaki Iberia – Spain, Portugal
TEL: +34 (0)93 478 09 52
[email protected]
Hoshizaki Denmark – Denmark
TEL: +45 89 88 53 50
[email protected]
Hoshizaki Norway – Norge
TEL: +47 22 88 17 50
[email protected]
Hoshizaki Sweden – Sverige
TEL: +46 108 84 87 47
[email protected]
Hoshizaki Italia – Italia
TEL: +39 348 3022156
[email protected]


















