DRA ICE TJ 6-4-2 Screw-Mounted Electrical Heating Unit

Product Technical Specification
The Screw-Mounted Electrical Heating Unit is available in the following models: TJ 6/4 – 2, TJ 6/4 – 2.5, TJ 6/4 – 3.3, TJ 6/4 – 3.75, TJ 6/4 – 4.5, TJ 6/4 – 6, TJ 6/4 – 7.5, TJ 6/4 – 9, TJ 6/4 S – 2.5, and TJ 6/4 S – 6.
Function Description
The Screw-Mounted Electrical Heating Unit is designed to heat water and maintain a set temperature. The electrical installation must meet the requirements and regulations of the country of use.
Advice for Customers
Prior to putting the heating element into operation, re-measuring of insulation resistance is recommended. The insulation resistance in cold must not be
below 50 M. If the insulation resistance is lower, we recommend drying the heating element.
Design and General Heater Dimensions
The Screw-Mounted Electrical Heating Unit has different dimensions and weights depending on the model. Please refer to Table 1 for more information.
| Model | kW | Scope Unit Extension Length (L) | Scope Unit Extension Length (L1) | Weight (kg) |
|---|---|---|---|---|
| TJ 6/4 – 2 | 2 | 5 – 74 mm | – | 1.2 kg |
| TJ 6/4 – 2.5 | 2.5 | 5 – 74 mm | – | 1.3 kg |
| TJ 6/4 – 3.3 | 3.3 | 5 – 74 mm | – | 1.7 kg |
| TJ 6/4 – 3.75 | 3.75 | 5 – 74 mm | – | 2 kg |
| TJ 6/4 – 4.5 | 4.5 | 5 – 74 mm | – | 2 kg |
| TJ 6/4 – 6 | 6 | 5 – 74 mm | – | 2/2.3 kg |
| TJ 6/4 – 7.5 | 7.5 | 5 – 74 mm | 685 mm | 2/2.3 kg |
| TJ 6/4 – 9 | 9 | 5 – 74 mm | 690 mm | 1.3 kg |
| TJ 6/4 S – 2.5 | 2.5 | 5 – 74 mm | – | 2 kg |
| TJ 6/4 S – 6 | 6 | 5 – 74 mm | – | 2 kg |
Product Usage Instructions
Assembly
Before installation, ensure that there is enough space in front of the electrical heating unit equal to the installation length + 50 mm. A sealing ring is included in the heating unit package. Follow the steps below for assembly:
- Place the water heater and electrical heating unit TJ in the desired location.
- Insert the sealing ring into the electrical heating unit TJ.
- Screw the electrical heating unit TJ onto the water heater.
Electrical Installation
General Information for Electrical Installation
The heating unit is connected to a 230 V (400 V) / 50 Hz electrical network conductor with a corresponding section and protection adequate to the heating element output. Perform the installation in compliance with applicable CSN standards.
Wiring Scheme
Refer to Figure 6 for the wiring scheme of each model. Make sure to connect the heating unit to an electrical network conductor with a corresponding section and protection.

By following the instructions on this manual, you can ensure trouble-free operation and long service life of the Screw-Mounted Electrical Heating Unit.
CAREFULLY READ THIS MANUAL BEFORE INSTALLING THE PRODUCT ACCESSORIES
Dear customer,
would like to thank you for your decision to use a product of our brand. The product is not intended to be controlled by
- people (including children) with reduced physical, sensual, or mental capacities, or
- people with insufficient knowledge and experiences unless supervised by responsible person, or unless properly instructed by such responsible person.
The manufacturer reserves the right for engineering modification of the product. It is recommended to use the product in indoor environment with air temperatures from +2 °C to +45 °C and a relative humidity up to 80 %. Product’s reliability and safety is proven by tests implemented by the Engineering Test Institute in Brno. Made in the Czech Republic. Meaning of pictograms used in the Manual Important information for heater users. Abiding by the recommendations of the manufacturer serves to ensure trouble-free operation and the long service life of the product.
Caution! Important notice to be observed.
PRODUCT TECHNICAL SPECIFICATION
FUNCTION DESCRIPTION
The screw-mounted electrical heating unit (heating unit) is designed exclusively for water heating. It is designed as an additional heating source in water heaters connected in a system with solar collectors. It can also be used as an additional source of heating in accumulation tanks. If the installation requirements are obeyed, it can be used as the main source of heating by a heater, or for other purposes. It is not intended for use in stainless tanks. Types with extended cooling compartment can be used in accumulation tanks marked with v6 and v7.
Water is heated by tubular heating element. Thermowell contains sensors of a safety fuse and a thermostat (both devices are in a single block). The thermostat controls the set temperature of water. In case of a failure, the safety fuse switches off electricity supply in all poles within the temperature range of 0 – 90 °C.
ADVICE FOR CUSTOMERS
Prior to putting the heating element into operation, re-measuring of insulation resistance is recommended. The insulation resistance in cold must not be below 50 MΩ. If the insulation resistance is lower, we recommend drying the heating element. Both electric and water installation must follow and meet requirements and regulations relevant in the country of use.
DESIGN AND GENERAL HEATER DIMENSIONS
The heating unit consists of an electrical heating element with a connecting thread G 6/4“ (Figure 2, Figure 4). A thermostat and a safety fuse; the element’s operation control light; and a connecting terminal board are placed under the wiring plastic cover (Figure 1, Figure 3). To use the OKC … NTR, NTRR, OKCE … NTR, NTRR heaters in solar systems with reheat by means of electricity, the heaters have a G 6/4″ neck placed for mounting a secondary electrical heating unit. The heating unit is placed above the lower exchanger.

| TYPE | OUTPUT |
CONNECTION | HEATING TIME FROM 10 °C TO 60 °C (approx.150 l) | RECOMMENDED BREAKER | ELECTR. PROTECTION | SET TEMPERATURE SCOPE | UNIT EXTENSION LENGTH (L) | UNIT EXTENSION LENGTH (L1) | WEIGHT |
| kW | hrs | A | °C | mm | mm | kg | |||
| TJ 6/4″ – 2 | 2 | 1 PE-N AC 230 V/50Hz | 4.5 | 16 | IP 44 | 5 – 74 | – | 380 | 1.2 |
| TJ 6/4″ – 2.5 | 2.5 | 1 PE-N AC 230 V/50Hz | 4 | 16 | IP 44 | 5 – 74 | – | 405 | 1.3 |
| TJ 6/4″ – 3.3 | 3.3 | 3 PE-N AC 400 V/50Hz | 2.7 | 3x 10 | IP 44 | 5 – 74 | 325 | – | 1.7 |
| TJ 6/4″ – 3.75 | 3.75 | 3 PE-N AC 400 V/50Hz | 2.3 | 3x 10 | IP 44 | 5 – 74 | – | 450 | 2 |
| TJ 6/4″ – 4.5 | 4.5 | 3 PE-N AC 400 V/50Hz | 2 | 3x 10 | IP 44 | 5 – 74 | – | 500 | 2 |
| TJ 6/4″ – 6 | 6 | 3 PE-N AC 400 V/50Hz | 1.5 | 3x 16 | IP 44 | 5 – 74 | – | 520 | 2 |
| TJ 6/4″ – 7.5 | 7.5 | 3 PE-N AC 400 V/50Hz | 1.3 | 3x 16 | IP 44 | 5 – 74 | 575 | 685 | 2 / 2.3 |
| TJ 6/4″ – 9 | 9 | 3 PE-N AC 400 V/50Hz | 1 | 3x 20 | IP 44 | 5 – 74 | 605 | 690 | 2 / 2.3 |
| TJ 6/4“ S – 2,5 | 2,5 | 1 PE-N AC 230 V/50Hz | 4 | 16 | IP 44 | 5 – 74 | – | 405 | 1,3 |
| TJ 6/4“ S – 6 | 6 | 3 PE-N AC 400 V/50Hz | 1,5 | 3x 16 | IP 44 | 5 – 74 | – | 520 | 2 |
- Extension lengths are in a tolerance of ± 10 mm.
- L – Screw-mounted electrical heating unit of TJ series
- L1 – Screw-mounted electrical heating unit of TJ series with an extended cooling compartment
OPERATION AND FITTING INSTRUCTIONS
ASSEMBLY
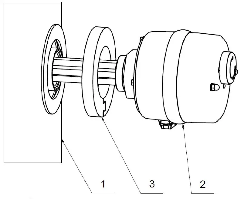
The heating unit shall be mounted in the heater’s neck. The end of the thread is provided with a rubber seal. To ensure better tightness we recommend the screw joint being additionally sealed with cannabis, a Teflon sealing tape or with a mastic sealant (be careful – choose a mastic sealant suitable for demountable joints). Tighten the element properly. If the cable bushing is not directed upright down, loosen the 4 screws on the plastic cover bottom. Turn the cover (not more than by 180°) to the desired position and retighten the screws. Check whether the live parts of the wiring do not touch.
The space in front of the electrical heating unit equal to the installation length + 50 mm must be left free for installation, etc.
A sealing ring is part of the heating unit package.
- Water heater
- Electrical heating unit TJ
- Sealing ring
ELECTRICAL INSTALLATION
GENERAL INFORMATION FOR ELECTRICAL INSTALLATION
The heating unit is connected to a 230 V (400 V) / 50 Hz electrical network conductor with a corresponding section and a protection adequate to the heating element output.
Notice: Perform the installation in compliance with applicable CSN standards.
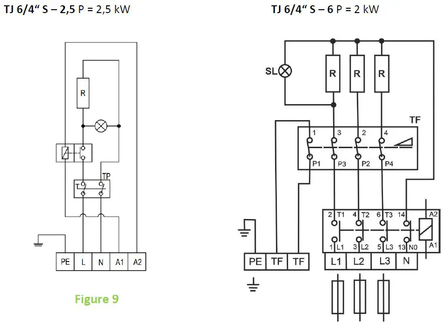
WIRING SCHEME


A1, A2 – Contactor switching coil for connecting the signal of the external controller AC 230V / 50Hz. TF – Control terminal for shutdown thermal fuse
HEATING UNIT OPERATION
Simple control consists only of setting the desired temperature on the control thermostat knob. The setting range is 5 – 74 °C. The recommended set temperature is 60 °C approximately. The * symbol – fuse against freezing 5 – 8 °C. When the control light is on, the element is running.
INSPECTION, MAINTENANCE
Maintenance involves decalcification of the heating element in certain time intervals selected by water hardness at the place of use. Damage to the heating element due to calcareous sediments is not accepted by the manufacturer as a reason for complaint.
Notice: If the heating unit is used in an accumulation heater, the wear of the anode rod of the heater may deteriorate. We recommend checking it more frequently. Consider the instructions of the manufacturer regarding the exchange of the anode rod.
MOST FREQUENT FUNCTION FAILURES AND THEIR CAUSES
| FAILURE SYMPTOM | SOLUTION |
| The element operation light is not on. | The safety fuse is non-self-returning. It is activated by pressing a button on the thermostat body. |
| If the heating element fails, there is no indication and the control light is on even when the thermostat is active. | Have the heating unit repaired by an authorized company. |
Do not attempt to repair the failure yourselves. Seek either expert or service help. It does not take much for an expert to remove the defect. When making a repair appointment, report the type and serial number you find on the performance plate of your water heater.
IMPORTANT NOTICES
The following cases do not entitle the Customer to exercise the right from the defective performance:
- damage caused by dry operation
- damage caused by lime scale deposits
- damage caused by chemical or electrochemical influences
- damage due to incorrect voltage, lightning strike, or voltage surges
INSTALLATION REGULATIONS
- When active, the element and the thermowell have to be surrounded with a sufficient amount of water from all sides.
- Thermic water flow must not be prevented.
- Mounting positions – horizontal or vertical from under.
- The length of the 6/4″ neck shall not exceed 70 mm. If longer, the variant with an extended cooling compartment has to be used.
- If the length of the neck is within 100 mm, it has to be extended on the waterside, or undercut in a minimum length of 40 mm to a minimal diameter of 50 mm.
- The maximum pressure in the tank is 10 bar.
Both the electric and water installation must follow and meet the requirements and regulations relevant in the country of use!
SPARE PARTS
Always state the type of the heating unit and the name of the spare part when placing an order.
- Thermostat and safety fuse
- Conductors
- Sealing ring
DISPOSAL OF PACKAGING MATERIAL AND NON-FUNCTIONING PRODUCT
A service fee for providing return and recovery of packaging material has been paid for the packaging in which the product was delivered. The service fee was paid pursuant to Act No 477/2001 Coll., as amended, at EKO-KOM a.s. The client number of the company is F06020274. Take the water heater packages to a waste disposal place determined by the town. When the operation terminates, disassemble, and transport the discarded and unserviceable heater to a waste recycling center (collecting yard), or contact the manufacturer.
CONTACT
- Phone.: +420 /326 370 990
- Fax: +420 / 326 370 980
- E-mail: [email protected]
- www.dzd.cZ

















