Iwata CM22WDT-lCE Water Dispenser

IMPORTANT SAFETY INSTRUCTIONS
when using electrical appliances, basic safety precautions should be followed to reduce the risk of fire, electric shock, and injury to persons or property, Read all instructions before using any appliance.
- Do not let hot water touch bare skin. Keep combustible material such as furniture, bedding, pillows, clothes, and/or papers away from the back of the unit.
- Do not operate this, or any other appliance, with a damaged power cord. No other appliance should be plugged into the same outlet. Be sure that the plug is fully inserted into the outlet
- Do not run the power cord over carpeting or other heat insulations. Do not cover the cord. Keep the cord away from high-traffic areas, and do not submerge in water.
- We do not recommend the use of an extension cord as it may overheat and cause a risk of fire.
- Exercise caution and use reasonable supervision when the appliance is used by older children.
- Do not use your water dispenser outdoors. Place the water dispenser away from direct sunlight and make sure that there is at least 4 inches(10cm)of space between the back of your unit and the wall. Keep a minimum of 2 inches(5cm Jon each side of your unit free.
- Do not use this product to dispense anything other than water.
- To avoid a hazard due to the instability of the appliance, it must be placed on an even and flat surface.
- If the supply cord is damaged, the manufacturer or its service agent, or a similarly
qualified person must replace it in order to avoid a hazard. - This water cooler must be positioned so that the plug is accessible.
- Disconnect the plug from the outlet when not in use.
- Remove the power plug or disconnect from the main power source before servicing the appliance.
PARTS

- Water guard
- Top cover
- Control panel
- Hot faucet
- Ambient faucet
- Cold faucet
- Water collecting tray
- Ice storage
- Air inlet
- power cord
- Ice storage sewage outlet
- Outlet
- Air outlet
CONTROL PANEL

Operating instructions
Standby
After the machine is powered on, the buzzer will beep once, the power indicator will be on, and the machine will enter the standby.
Hot water function
Press the heating touch, and the buzzer will beep once, turn on the hot water function, and the hot water indicator will flash; when the water temperature reaches the set requirement, the hot water indicator will be on; if you need to turn off the hot water function, press the heating touch again, the hot water indicator will go out, and the hot water function will be turned off.
Cold water function
Press the cooling touch, the buzzer will beep once, turn on the cold water function, and the cold water indicator will flash; when the water temperature reaches the set requirement, the cold water indicator will be on; if you need to turn off the cold water function, press the cooling touch again, the cold water indicator will go out, and the cold water function will be turned off.
Ice-making function
Press the ice-making touch, the buzzer will beep once, the ice-making indicator flashes, the ice-making function is on, and the ice-making time is about 10 minutes per cycle. When the ice-making indicator is always on, it means the refrigerator is full, ice making is suspended; remove the ice cubes in the box, and the machine restarts the ice-making function; if you need to turn off the ice-making function, press the ice- making touch, the ice-making indicator will go out and the ice-making function will be turned off.
- MODEL: CM22WDT-ICE
- CLIMATE: ST
- VOLTAGE/FREQUENCY: 230V ~ 60Hz
- HEATING POWER: 500W
- ICE-MAKING/COOLING WATER CURRENT: 1.0A
- DEICING CURRENT: 1.1A
- HEATING CAPACITY: ≥90°C 5L/h
- COOLING CAPACITY: ≤10°C 3L/h
- ICE CAPACITY: 13kg / 24h
- REFRIGERANT/VOLUME: R134a/72g
- NET WEIGHT: 18kg
- TEST: WATER TEMP 25°C , ENVIRONMENT TEMP25°C
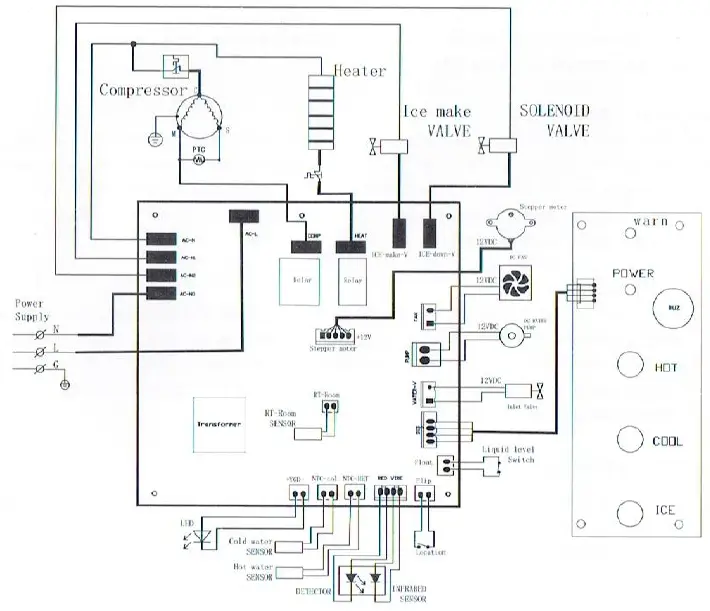
WIRING

trouble-shooting
| Fault phenomenon | Fault cause | Fault treatment | |
| The fault indicator is on. and the hot water indicator flashes quickly | Hot water temperature sensor short circuit or open circuit | Contact sales service | |
| The fault indicator is on. and the cold water indicator flashes quickly The fault indicator is on. and the ice-making indicator flashes quickly | Cold water temperature sensor short circuit or open circuit Ambient temperature sensor short circuit or open circuit | Contact sales service
– Contact sales service
— Position up | |
| The fault indicator is on, and the ice box is stuck and cannot be turned over, the ice cubes are connected together | The ice evaporator position is too low | ||
| Ice making cycle time is too long | Turn on the machine after 15 minutes of shutdown | ||
| Warm water temp is too high | Leaking bucket.Water level is too high | Replace the bucket | |
| The ice-making process is normal, but no ice is formed | The ambient temperature or water temperature is too high | Please make ice when the ambient temperature is below 32’C | |
| The fault indicator flashes quickly and the ice making indicator goes out | Ice-making lack of water | Replace the bucket with water | |
| No ice, no cooling water – | Leaking or clogged refrigeration system | Contact sales service – | |
Landlines.: 8282-5049; 8282-5098
- Mobile Nos. 0908-8908597:0917-3079188
- Email: sales [email protected] / [email protected].
- Website: www.colentco.com.



















