RVNYM Comfort Wired Remote Control
Instruction Manual

*Depend on the configuration and the setup of your air-conditioning system, some contents figured in the screen illustrations in this manual may differ to the actual screen display you are using.
SAFETY PRECAUTIONS
- The ‘SAFETY PRECAUTIONS” indicated in the manual contain important information pertaining to your safety. Be sure to observe them.
- For details of the operation methods, refer to the operating manual.
- Request the user to keep the manual on hand for future use, such as for relocating or repairing the unit.
WARNING
CAUTION
This mark indicates procedures which, if improperly performed, might lead to the death or serious injury of the user.
This mark indicates procedures which, if improperly performed, might possibly result in personal harm to the user, or damage to property.
WARNING For the air conditioner to operate satisfactorily, install it as outlined in this installation manual.
Do not turn on the power until all installation work is complete. Perform electrical work by an authorized service personnel in accordance with the installation manual and the electrical wiring regulations or impel-mentation regulations of the country. Improper electric work will cause electric shock or a fire.
Perform installation work in accordance with the installation manual. Request an authorized service personnel to perform installation work. Do not install this unit by yourself. Improper installation will cause injury, electric shock, fire, etc.
WARNING
In the event of a malfunction (burning smell, etc.), immediately stop operation, turn off the electrical breaker, and consult authorized service personnel. Do not install the unit in the following areas:
- Do not install the unit near a source of heat, steam, or flammable gas.
- Area filled with mineral oil or containing a large amount of splashed oil or steam, such as a kitchen. It will deteriorate plastic parts, causing the parts to fall or the unit to leak water.
- Area that generates substances that adversely affect the equipment, such as sulfuric gas, chlorine gas, add, or alkali. It will cause the cop-per pipes and brazed joints to corrode, which can cause refrigerant leakage.
- Area containing equipment that generates electromagnetic interference. It will cause the control system to malfunction, preventing the unit from operating normally.
- Area that can cause combustible gas to leak, contains suspended carbon fibers or flammable dust, or volatile inflammables such as paint thinner or gasoline. If gas leaks and settles around the unit, it can cause a fire.
- Install the unit in a well-ventilated place avoiding rains and direct sunlight.
Do not operate this unit when your hands are wet. Touching the unit with wet hands will cause an electric shock. If children may approach the unit, take preventive measures so that they cannot reach the unit.
CAUTION When detecting the room temperature using the remote set up the remote controller according to the following remote controller is not well set, the correct room temperature be detected, and thus the abnormal conditions like “not heated” will occur even if the air-conditioner is running
- Locate where is not be affected by inflow of outside air such as caused by opening and closing a door.
- Locate where an average temperature for the room being air-conditioned will be sensed.

- Do not locate directly exposed to the outlet air so from the air conditioner.
- Locate out of direct sunlight.
- Locate away from the influence of other heat sources.
Do not touch the remote controller PC board and PC board parts directly with your hands.
Do not wire the remote controller cable and the bus wire together with or parallel to the connection cables, transmission cables, and power supply cables of the indoor and outdoor units.
It may cause erroneous operation. When installing the bus wire near a source of electromagnetic waves, use shielded wire. Do not set the DIP switches, either on the air conditioner or the remote controller, in any way other than indicated in this manual or the manual that is supplied with the air conditioner.
Doing so may result in an im-proper operation. Do not touch the switches with sharp objects. Doing so will cause injury, trouble, or electric shock. Do not expose this unit directly to water. Doing so will cause trouble, electric shock, or heating.
Do not set vessels containing a liquid on this unit. Doing so will cause heating, fire, or electric shock.
Dispose of the packing materials safely. Tear and dispose of the plastic packing bags so that children cannot play with them. There is the danger of suffocation if children play with the original plastic bags.
ACCESSORIES
The following installation parts are supplied. Use them as required.
| Name and Shape | Q’ty | Application |
Installation manual![]() | 1 | This manual |
Operating manual![]() | 1 | Instruction book for operation |
Connecting cable![]() | 1 | For connecting the remote controller cable to the wall mounted type and WKH flRRU W\SH iQGRRU XQiW |
Screw (M4 × 16 mm)![]() | 2 | For installing the remote controller |
| Cable tie (Small) | 1 | For remote controller and remote controller cable binding |
| Cable tie (Large) | 1 | For remote controller and remote controller cable binding |
| Tube | 1 | To protect wiring |
Screw(M4 × 14 mm)![]() | 1 | For installing the remote controller cable to the indoor unit |
Cable clamper![]() | 1 | For installing the remote controller cable to the indoor unit |
ELECTRICAL REQUIREMENT
When connecting the remote controller, use cable specified as follows:
| Conductor size | Type | Remarks | |
| Remote controller cable | 0.33 mm2 (22AWG) | Polar 3 core | Use shield cable in accordance with local rules for cable. |
SELECTING AN INSTALLATION LOCATION
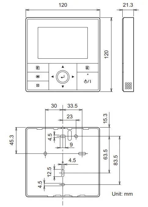
4.1. Dimensions

4.2. Name of parts
CAUTION
Press the button lightly with a finger. It may cause a failure if pressed with excessive force.

| (1) Display panel (with backlight) (2) Screen switch button (Left) (3) Menu button (4) Cancel button (5) Cursor button | (6) Screen switch button (Right) (7) Power indicator (8) On/Off button (9) Enter button |
-Note-
While the backlight is off by the automatic light-off, the first button operation does not work, and the backlight illuminates. (The On/Off button is excluded.) While the backlight is set to [Off], it is effective from the first button operation.
INSTALLING THE REMOTE CONTROLLER
5.1. Wiring
WARNING
Before starting installation work, turn off the power of the connection destination. Do not turn on the power again until installation is completed. Otherwise, it will cause electric shock or fire.
Use the accessories or specified connection cables. Do not modify connection cables other than those specified, do not use extension cords, and do not use independent branch wiring. The allow-able current will be exceeded and cause electric shock or fire.
Install the connection cables securely to the terminal block. Confirm that external force is not applied to the wire. Use connection cables made of the specified wire. If intermediate connection or insertion fixing are imperfect, it will cause electric shock, fire, etc.
Do not connect functional earthing to a telephone functional earthing, water pipe, or conductor rod.
Always fasten the outside covering of the connection cable with the cable clamp. (If the insulator is chafed, electric leakage may occur.) When performing cable wiring work, be sure that it does not touch the user. Doing so will cause injury or electric shock.
If any cable is damaged, do not repair or modify it yourself. Improper work will cause electric shock or fire.
CAUTION
Do not parallel to the remote controller cables, indoor and outdoor connection cable, and power supply cables. It may cause erroneous operation.
When performing wiring work, be careful not to damage the cable or injure yourself. Also, connect the connectors securely. Loose connectors will cause trouble, heating, fire, or electric shock.
Install the remote control cable 1 m away from television and radio to avoid distorted images and noise.
Perform wiring so that water does not enter this unit along the external wiring. Always install a trap to the wiring or take other countermeasures. Otherwise it will cause trouble or electric shock or fire. Confirm the name of each unit and name of each terminal block of the unit and connect the wiring in accordance with the directions given in the manual so that there is no incorrect wiring.
Incorrect wiring will damage the electric parts and cause smoke and fire. When installing the connection cable near a source of electromagnetic waves, use shielded cable. Otherwise, a breakdown or malfunction could result.
5.2. Connection of remote controller cable
CAUTION
When connecting the remote controller cable to the wall mounted type and the floor type indoor unit, do not connect it to the outdoor unit or the indoor unit power terminal block. It may cause a failure.
There are 2 methods to connect the remote controller cable to the indoor unit. One is the connection using contained connecting cable and the other is the connection the remote controller cable is connected to the exclusive terminal block of the indoor unit. Modify the remote controller cable as per below description and connect it.
Exclusive terminal block for remote controller connection method is different depending on each model.
For the details, refer to the installation manual of the indoor unit to be used.
5.2.1 When connecting to the wall mounted type and the floor type connector
Connect the remote controller cable (field supply) to the connecting cable and insert it to the connector.
Modify the cable as per below methods.
- Use a tool to cut off the terminal on the end of the remote controller cable and then remove the insulation from the cut end of the wire as shown in Fig. 1.
- Connect the remote controller cable and connecting cable as shown in Fig. 2.
- Be sure to insulate the connection between the cables.

- Always perform the wire insulation on the functional earthing wire of the remote controller cable.
- Attach the functional earthing wire in the cable to the Indoor electronic control unit with the screw (small). The position of the screw hole varies by model.
5.2.2 When connecting to the exclusive terminal block
Connect the end of remote controller cable directly to the exclusive terminal block.
It may be failed if it is connected to the outdoor unit or the terminal block for power supply.
5.3. Installation
WARNING
When installing this unit, make sure that there are no children nearby. Otherwise, injury or electric shock could result![]()
CAUTION Before opening the case of this unit completely discharge static electricity charged on your body. Not doing so will cause trouble.
Do not touch the circuit board and circuit board parts directly with your hands. Otherwise, injury or electric shock could result.
Be careful so that the front case does not fall after the front case are removed. Otherwise, a damage of the front case could result. To avoid incoming water or insects along the cable, always establish a trap and seal the wiring hole.
Overtighten of the screws may cause a distortion or a damage of the rear case.
Do not make any additional hole on the rear case to avoid a damage.
Do not use any other screws than the included ones. Using of other screws may cause a product malfunction or damage.
5.3.1 Installation space
- This product cannot be installed in wall.
- Recommendation installation height of the remote controller is 1.4 m (from the floor surface to the bottom of the remote controller).
- Even when you install a remote controller to one of a switch box and the surface of a wall, secure the space shown in following figure. If spaces run short, it will become difficult to remove a remote controller.

Please secure enough space where a flat screwdriver to take off a case can be inserted.
5.3.2 Processing of the remote controller cable
- Strip off the coating of remote controller cable 150 mm as follows.
- Put the wires other than the functional earthing wire through the Tube.
- Fix the near end of the Tube with the cable tie (large) firmly.
• Do not fix the functional earthing wire with the cable tie (large). - Cut the wires as shown below.
• Strip off the coating of wires of the remote controller cable as follows. - Connect the functional earthing wire of remote controller and the remote controller cable, and perform the insulation.
Please adjust the earthed line to suitable length depending on local connection.
5.3.3 Remove the front case
(1) Insert the flat screwdriver and remove the front case and rear case by twisting it slightly.

5.3.4 Installing the remote controller
A. When attaching to switch box:
- Seal the wiring hole of the remote controller cable.
- Put a remote controller cable through the hole of the rear case.
- Fix the rear case by securing it with attached screws (2 places).

B. When attaching to the wall directly:
- Seal the wiring hole of the remote controller cable.
- Put a remote controller cable through the back hole of the rear case of the main body.
- Fix the rear case by securing it with attached screws (2 places).

C. When routing the cable on-wall:
- Cut off the cable guide of the front case with using a knife or a nipper.
- Deburr the edge of the cable guide.

5.3.5 Connect the cable to the terminals
Tightening torque
Terminal screw: 0.8 to 1.2N • m (8 to 12 kgf•cm)

CAUTION
Be careful to avoid breaking the cable by over-tightening the cable tie.
When connecting the remote controller cables, do not over-tighten the screws.
5.3.6 Setting the DIP switch
CAUTION
Do not set the DIP switch of this unit except as specified in this installation manual or the operating manual supplied with the air conditioner. Please set DIP switch according to designation.
Use an insulated screwdriver to set the DIP switches.
Set DIP switch No. 1 to ON to enable the memory backup of the settings information.
Memory backup setting
If the DIP switch No. 1 is not set to ON, the settings information will be lost if there is a power failure.
* Registered information, such as that for the internal unit, is not erased even if the DIP switch is turned off.

| No. | Switch state | Detail | ||
| OFF | ON | |||
| DIP switch | 1 | *Invalidity | Validity | Memory backup setting * Set to ON to use batteries for the memory backup. If batteries are not used, the settings information stored in memory will be deleted if there is a power failure. |
| 2 | * | Dual remote controller setting ‘ Refer to “6.1.2. Dual remote controllers”. | ||
(*Factory setting)
5.3.7 Attach the front case
- Insert after adjusting upper part of front case.
- When insert the front case, do not pinch the cable.

CAUTION
Insert the front case firmly. If improperly attached, it will cause the front case to fall off.
When routing the cable on top of the front case:
Seal the cable guide of the front case of the remote controller cable with an epoxy putty.
- Thickness of sheath of the remote controller cable should be thicker than 1 mm or more. Or insulate it with a cable cover thicker than 1 mm or more.

INSTALLATION METHODS
6.1. Installation methods without zone control
6.1.1 Group control
- A number of indoor units can be operated at the same time using a single remote controller.
- Depending on the model, some indoor units cannot be connected for group control. (Group control is available for the duct type, the cassette type, and the ceiling type indoor unit)
- Some functions may become unusable, depending on the combination of the indoor units that are connected in a group.
- Wiring method (indoor unit to remote controller.

- Indoor unit address setting Set each indoor unit address using the DIP switch of each indoor unit. (Refer to the installation manual for the indoor unit)
6.1.2 Dual remote controllers
- Field setting can be performed only on the primary unit.
- Assignment of primary unit and secondary unit is necessary. No assignment will cause an error.
- Depending on the model, some indoor units cannot be connected for dual remote controllers. (Dual remote controllers are available for the duct type, the cassette type and the ceiling type indoor unit.)
- Two separate remote controllers can be used to operate the indoor units.
- The timer and functions cannot be used on the secondary units. (For the details, refer to the operating manual.)
- Wiring method (indoor unit to remote controller)

- Remote controller DIP switch 1 setting Set the remote controller DIP switch No. 2 according to the following table.
| Number of remote controllers | Primary unit | Secondary unit |
| DIP Switch No. 2 | DIP Switch No. 2 | |
| 1 (Normal) | OFF | – |
| 2 (Dual) | OFF | ON |
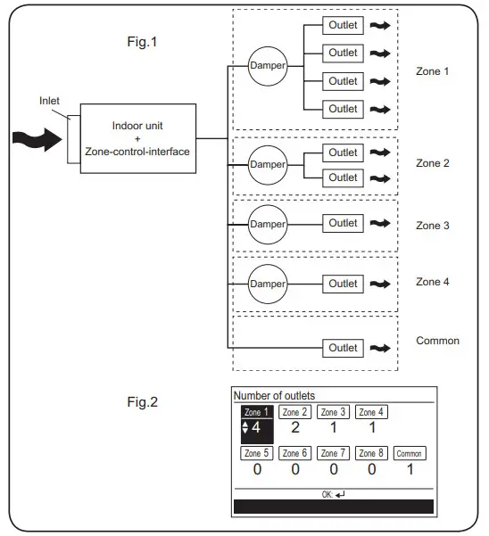
6.2. Installation methods with zone control
Installing zone-control-interface enables zone control system.
6.2.1 Single remote controller
(1) Wiring method (zone-control-interface to remote controller)

6.2.2 Dual remote controllers
- Wiring method (zone-control-interface to remote controller)

- Remote controller DIP switch 1 setting Set the remote controller DIP switch No. 2 according to the following table.
| Number of remote controllers | Primary unit | Secondary unit |
| DIP Switch No. 2 | DIP Switch No. 2 | |
| 1 (Normal) | OFF | – |
| 2 (Dual) | OFF | ON |
TURNING ON THE POWER
CAUTION
Recheck the wiring. Incorrect wiring will cause trouble.
- Check the remote controller wiring and DIP switch settings.
- Install the front case. (in 5. INSTALLING THE REMOTE CONTROLLER).
- Check the indoor unit, outdoor unit, and zone-control-interface wiring and circuit board switch settings, and then turn on the indoor and outdoor units. After message “Please wait” is displayed on the remote controller display, “Language” screen is displayed. In zone-controlled system, “Number of outlets” screen is displayed.
INITIAL SETTING
8.1. Initial setting without zone control
When “Language” screen is displayed, perform the initial setting as in the following procedure:
- Select a language with the [Cursor button] on the “Language” screen displayed when the start-up is completed.
When confirmed by pressing the [Enter button], the “Temp. unit” screen is displayed. - Switch the unit for temperature “*C” or “°F” with [Cursor button (Up/ Down)]. When [Cancel button] is pressed, it returns to the “Language” screen.
(Temp. unit : Temperature unit) When [Enter button] is pressed, the “Change display format” screen is displayed. - Set the display format of “Date format” and “Time format”. Switch the setting item with [Cursor button (Left/Right)] and confirm with the [Cursor button (Up/Down)]. When [Cancel button] is pressed, it returns to the “Temp. unit” screen.
-Note-
Following display formats are available for setting.
Date format :
• Day/Month/Year
• Month/Day/Year
• Year/Month/Da y
Time format:
• 0:00-23:59
• 0:00-11:59 AM/PM
• 12:00-11:59 AM/PM
When [Enter button] is pressed, the “Date” screen is displayed. - Set the “Day”, “Month”, and “Year. at Switch the setting item with [Cursor button (Left/Right)], and adjust with [Cursor button (Up/Down)]. When [Cancel button] is pressed, it returns to the “Change display format” screen.
When [Enter button] is pressed, the “Time” screen is displayed. - Set the “hour and “min’. Switch the setting item by [Cursor button (Left/Right)], and adjust with [Cursor button (Up/Down)]. “Min” can be set quickly if the button is pressed continuously.
When [Cancel button] is pressed, it returns to the “Date” screen.When [Enter button] is pressed, the “Confirmation” screen is displayed. - When setting is completed, select “Yes” with [Cursor button (Left/ Right)], and press [Enter button]. When correcting a setting, set it again as it returns to the “Language” screen when “No” is selected and press [Enter button].

8.2. Initial setting with zone control
When “Number of outlets” screen is displayed, perform the initial setting as in the following procedure.
- when you perform the initial setting of the secondary remote controller, skip following step 1 to step 2.
- Set the number of outlets.
EXAMPLE: When you install the dampers and outlets as shown in Feast the number of outlets as shown in Fiat.
Switch the setting item with [Cursor button (Left/Right)] and set the number of outlets with [Cursor button (Up/Down)].
- Set whether to use a spring return damper. Switch “Not in use” or “In use” with [Cursor button (Up/Down)]. When [Cancel button] is pressed, it returns to the “Number of outlets” screen.
When [Enter button] is pressed, the “Change display format” screen is displayed.
-Note-
• If this setting is changed to “In use”, “Operation will commence in a min-ute.” is displayed on the screen when turning on the power. - Set the display format of “Date format” and “Time format”. Switch the setting item with [Cursor button (Left/Right)] and confirm with the [Cursor button (Up/Down)]. When [Cancel button] is pressed, it returns to the “Damper type set-ting” screen.
-Note-
Following display formats are available for setting.Date format : Time format: • Day/Month/Year • 0:00-23:59 • Month/Day/Year • 0:00-11:59 AM/PM • Year/Month/Da y • 12:00-11:59 AM/PM When [Enter button] is pressed, the “Date” screen is displayed.
- Set the “Day”, “Month”, and “Year”. me Switch the setting item with [Cursor button (Left/Right)], and adjust with [Cursor button (Up/Down)]. When [Cancel button] is pressed, it returns to the “Change display format” screen.
When [Enter button] is pressed, the “Time” screen is displayed. - Set the “hour” and “min”. %, Switch the setting item by [Cursor button (Left/Right)], and adjust with [Cursor button (Up/Down)]. “Min” can be set quickly if the button is pressed continuously. When [Cancel button] is pressed, it returns to the “Date” screen.
When [Enter button] is pressed, the “Confirmation” screen is displayed. - When setting is completed, select “Yes” with [Cursor button (Left/ Right)], and press [Enter button]. When correcting a setting, set it again as it returns to the “Number of outlets” screen when “No” is selected and press [Enter button].

SERVICE SCREEN SETTING
When [Menu button] is pressed twice while “Monitor” screen is displayed, it switches to the “Submenu” screen. If [Menu button] is pressed while the “Submenu” screen is displayed, the display returns to the “Monitor” screen. Press the [Screen switch button (Left)] and [Screen switch button (Right)] simultaneously for 5 seconds to switch to “Service” screen.
R.C. Sensor control : Remote Controller sensor control)
I.U.address verification : Indoor Unit address verification)
Service screen
| Function name | Setting | |
| Primary unit | Secondary unit | |
| Test run | o | o |
| Function setting | o | X |
| Error history | o | X |
| I.8.DGGUHVV YHUifiFDWiRQ | o | X |
| Version | o | o |
| Zone initial setting* | o | X |
*Dedicated functions for zone-controlled system.
9.1. Test run
- if the unit is operating, turn it off.
- Test run stops in 60 minutes. When the [On/Off button] is pressed during the test run, the test run will be canceled.
- After completing the test run, wait enough until starting the operation.
- When [Menu button] is pressed twice while “Monitor” screen is dis-played, played, it switches to the “Submenu” screen. If [Menu button] is pressed while the “Submenu” screen is displayed, the display returns to the “Monitor” screen.

- Press the [Screen switch button (Left)] and [Screen switch button (Right)] simultaneously for 5 seconds to switch to “Service” screen.

When you select [Test run] with the [Cursor button (Up/Down)] and press the [Enter button], following confirmation screen is displayed. To start the test run, select “Yes” with the [Cursor button (Left/Right)], and press the [Enter button]. In Set temp., test run is displayed.
9.2. Function setting
This procedure changes the function settings used to control the indoor unit according to the installation conditions. Incorrect settings can cause the indoor unit to malfunction. This procedure should be performed by authorized installation or service personnel only. Perform the “FUNCTION SETTING” according to the installation conditions using the remote controller. (Refer to the indoor unit installation manual for details on the function numbers and setting values.)
Perform the setting during the operation is stopped.
- When [Menu button] is pressed twice while “Monitor” screen is dis-played, it switches to the “Submenu” screen. If [Menu button] is pressed while the “Submenu” screen is displayed, the display returns to the “Monitor” screen.

- Press the [Screen switch button (Left)] and [Screen switch button a” (Right)] simultaneously for 5 seconds to switch to “Service” screen.

- Select [Function setting] with pressing the [Cursor button (Up/Down)], and press the [Enter button].

- Select [R.C. address] of the target indoor unit with pressing the [Cur-sor button (Up/Down)]. (R.C. Address : Remote Controller Address)

- Select the [Function No.] with pressing the [Cursor button (Left/ Right)], and select the Function No. to be set with pressing the [Cur-sor button (Up/Down)].

Select the [Setting No.] with pressing the [Cursor button (Left/Right)], %, and select the Setting No. to be set with pressing the [Cursor button (Up/Down)],and press the [Enter button].
-Note-
“Service” screen or “Function setting” screen return to the “Submenu” screen if there is no button operation for 1 minute.
9.3. Error history
The error history can be displayed. Select [Error history] with the [Cursor button (Up/Down)], and press the [Enter button].

9.4. I.U. address verification
The refrigerant address and the indoor unit address can be displayed. Select [I.U. address verification] with the [Cursor button (Up/Down)], and press the [Enter button].
9.5. Version
Software version of the remote controller can be displayed. Select [Version] with the [Cursor button (Up/Down)], and press the [Enter button].

9.6. Zone initial setting
Zone initial setting is a dedicated setting for zone-controlled system. Enable items for zone initial setting are displayed.
This procedure changes the initial settings used to control zone-controlled system according to the installation conditions. Incorrect settings can cause the indoor unit to malfunction. This procedure should be performed by authorized installation or service personnel only. Perform the “ZONE INITIAL SETTING” according to the installation conditions using the remote controller.
Perform the setting during the operation is stopped.
Select [Zone initial setting] with the [Cursor button (Up/Down)], and press the [Enter button].
-Note-
After the setting is completed, it takes some time until the all the settings are reflected. Do not turn off the power of the zone-control-interface while “Settings are being confirmed.” is displayed on the screen.
After completing the ZONE INITIAL SETTING, be sure to turn off the power and turn it on again.
9.6.1 Number of outlets
Set the number of outlet.
- Select [Number of outlets] with pressing the [Cursor button (Up/ I Down)], and press the [Enter button].

- Switch the setting item with the [Cursor button (Left/Right)], and set the number of outlets with [Cursor button (Up/Down)], and press the [Enter button].

-Note-
- Not the all the setting value cannot be set to “0”.
- If this setting is changed, the setting in “Zone (single)”, “Zone (group)”, and “Weekly timer setting” will be updated. Make sure to inform the user to confirm the updated setting.
9.6.2 Damper type setting Set when you use spring return damper.
- Select [Damper type setting] with pressing the [Cursor button (Up/ I Down)], and press the [Enter button].

- Switch the damper type “Not in use” or “In use” with [Cursor button (Up/Down)], and press [Enter button].
-Note-
• If a spring return damper is installed and this setting is changed to “In use”, it takes some time until the air conditioner starts the operation after you press the [On/Off button]. In that case, “Operation will commence in a minute.” is displayed on the screen for about 1 minute.
9.6.3 Connection state of op. sensor
Set when you use optional sensor. For details, refer to “10.2. With zone control.”
- Select [Connection state of op. sensor] with pressing the [Cursor but-ton ton (Up/Down)], and press the [Enter button].

- Switch the setting item with [Cursor button (Left/Right)], and confirm with the [Cursor button (Up/Down)], and press the [Enter button].

-Note –
- If this setting is changed, the setting in “Zone (single)”, “Zone (group)”, and “Weekly timer setting” will be updated. Make sure to inform the user to confirm the updated setting.
- For the details of “Optional sensor 1” and “Optional sensor 2”, refer to the installation manual of the zone-control-interface.
9.6.4 Temperature sensor setting
Set whether to use temperature sensor of the remote controller. For details, refer to “10.2. With zone control.
- Select [Temperature sensor setting] with pressing the [Cursor button (Up/Down)], and press the [Enter button].

- Screen will differ depending on whether you connect the secondary remote controller or not. Confirm the screen and perform the setting.
- When primary and secondary remote controllers are connected:
Switch the setting item with [Cursor button (Left/Right)], and select “Disable” or “Enable” with the [Cursor button (Up/Down)], and press the [Enter button].
-Note- - If this setting is changed, the setting in “Zone (single)”, “Zone (group)”, and “Weekly timer setting” will be updated. Make sure to inform the user to confirm the updated setting.
9.6.5 Zone function setting
Correct temperature of the optional sensor.
- Select [Zone function setting] with pressing the [Cursor button (Up/ Down)], and press the [Enter button].

- Select the [Zone function No.] with pressing the [Cursor button (Left/ Right)], and select the Zone function No. to be set with pressing the [Cursor button (Up/Down)].

- Select the [Zone setting No.] with pressing the [Cursor button (Left/ Right)], and select the Zone setting No. to be set with pressing the [Cursor button (Up/Down)], and press the [Enter button].

Setting the Cooler Room Temperature Correction for Optional Sensor 1 and 2 •Depending on the installed environment, the room temperature sensor may require a correction. The settings may be selected as shown in the table below.
(*…Factory setting)
| Zone Function Number | Zone Setting Number | Setting Description |
| 01: Optional sensor 1 03: Optional sensor 2 | 00 | * No correction (Standard) |
| 01 | +4.0°C | |
| 02 | +3.5°C | |
| 03 | +3.0°C | |
| 04 | +2.5°C | |
| 05 | +2.0°C | |
| 06 | +1.5°C | |
| 07 | +1.0°C | |
| 08 | +0.5°C | |
| 09 | -0.5°C | |
| 10 | -1.0°C | |
| 11 | -1.5°C | |
| 12 | -2.0°C | |
| 13 | -2.5°C | |
| 14 | -3.0°C | |
| 15 | -3.5°C | |
| 16 | -4.0°C |
Setting the Heater Room Temperature Correction for Optional Sensor 1 and 2
Depending on the installed environment, the room temperature sensor may require a correction. The settings may be selected as shown in the table below.
(*…Factory setting
| Zone Function Number | Zone Setting Number | Setting Description |
| 02: Optional sensor 1 04: Optional sensor 2 | 00 | * No correction (Standard) |
| 01 | +4.0°C | |
| 02 | +3.5°C | |
| 03 | +3.0°C | |
| 04 | +2.5°C | |
| 05 | +2.0°C | |
| 06 | +1.5°C | |
| 07 | +1.0°C | |
| 08 | +0.5°C | |
| 09 | -0.5°C | |
| 10 | -1.0°C | |
| 11 | -1.5°C | |
| 12 | -2.0°C | |
| 13 | -2.5°C | |
| 14 | -3.0°C | |
| 15 | -3.5°C | |
| 16 | -4.0°C |
SETTING THE ROOM TEMPERATURE DETECTION LOCATION
10.1. Without zone control
The detection location of the room temperature can be selected from the following 2 examples. Choose the detection location that is best for the installation location. Refer to “9.2. Function setting”.
A. Indoor unit setting (factory setting)
The room temperature is detected by the indoor unit temperature sensor. When use this function, set “Indoor room temperature sensor switching function (Function Number:42)” to “No(00)”.
B. Indoor unit/remote controller setting (room temperature sensor selection)
The temperature sensor of the indoor unit or the remote controller can be used to detect the room temperature. When use this function, set “Indoor room temperature sensor switching function (Function Number:42)” to “Yes(01)”.
- Enable the room temperature sensor selection in function setting, which will be described later.
- Select either of the temperature sensor on the indoor unit or on the remote controller for temperature detection. (For how to configure the setting, refer to the operating manual.)

CAUTION
When select the “Remote controller setting”, if the detected temperature value between the temperature sensor of the indoor unit and the tempera-ture sensor of the remote controller varies significantly, it is likely to return to the control status of temperature sensor of the indoor unit temporarily.
As the temperature sensor of remote controller detects the tempera-ture near the wall, when there is a certain difference between the room temperature and the wall temperature, the sensor will not detect the room temperature correctly sometimes. Especially when the outer side of the wall on which the sensor is positioned is exposed to the open air, it is recommended to use the temperature sensor of the indoor unit to detect the room temperature when the indoor and outdoor temperature differ-ence is significant.
The temperature sensor of the remote controller is not only used when there is a problem in the detection of the temperature sensor of the indoor unit.
- Indoor room temperature sensor switching function (Only for Wired remote controller) The following settings are needed when use the control by Wired remote controller temperature sensor.
(*…Factory setting)
| Setting Description | Function No. | Setting No. |
| No | 42 | 00 |
| Yes | 01 |
* If setting No. is “00” : Room temperature is controlled by the indoor unit temperature sensor.
* If setting No. is “01” : Room temperature is controlled by either indoor unit temperature sensor or remote controller unit sensor.
- Setting record
Record the setting change in the following table.
| Setting Description | Setting No. |
| Indoor room temperature sensor switching function |
After completing the FUNCTION SETTING, be sure to turn off the power and turn it on again.
10.2. With zone control
The detection location of the room temperature can be selected from the following 2 examples. Choose the detection location that is best for the installation location. Refer to “9.2. Function setting”.
A. Indoor unit setting (factory setting)
The room temperature is detected by the indoor unit temperature sensor. When use this function, set “Indoor room temperature sensor switching function (Function Number:42)” to “No(00)”.
B. Indoor unit/remote controller/optional sensor setting (room tempera-ture sensor selection) The temperature sensor of the indoor unit, the remote controller, or the optional sensor can be used to detect the room temperature. When use this function, set “Indoor room temperature sensor switching function and room temperature control switching (Function Number:42 and 48)” to “Yes(01)”.

- Enable the room temperature sensor selection in function setting, which will be described later.
- Set the room temperature control method in function setting, which will be described later.
- Set “Connection state of op. sensor and ‘Temperature sensor setting”, which will be described later.
- Select any of the temperature sensor on the indoor unit, on the remote controller, or the optional sensor for temperature detection. (For how to configure the setting, refer to the operating manual.)
CAUTION
As the temperature sensor of remote controller or optional sensor detects the temperature near the wall, when there is a certain difference between the room temperature and the wall temperature, the sensor will not detect the room temperature correctly sometimes. Especially when the outer side of the wall on which the sensor is positioned is exposed to the open air, it is recommended to use the temperature sensor of the indoor unit to detect the room temperature when the indoor and outdoor temperature difference is significant.
- Indoor room temperature sensor switching function The following settings are needed when use the control by wired remote controller temperature sensor/optional sensor.
(*…Factory setting)
| Setting Description | Function No. | Setting No. |
| No | 42 | 00 |
| Yes | 01 |
* If setting No. is “00” : Room temperature is controlled by the indoor unit temperature sensor.
* If setting No. is “01” : Room temperature is controlled by indoor unit temperature sensor/remote controller unit sensor/optional sensor.
- Room temperature control switching This setting is used to set the room temperature control method when the wired remote controller/optional sensor is selected by the Indoor room temperature sensor switching function.
(*…Factory setting)
| Setting Description | Function No. | Setting No. |
| No | 48 | 00 |
| Yes | 01 |
* If setting No. is “00” : Room temperature is controlled by the sensors of both the indoor unit and the wired remote controller/optional sensor.
* If setting No. is “01” : Room temperature is controlled by the sensor of the wired remote control-ler/optional sensor.
After completing the FUNCTION SETTING, be sure to tum off the power and tum it on again.
- Connection state of op. sensor and Temperature sensor setting The following settings are needed when switching the sensor. Perform the settings in zone initial setting. For the details, refer to “9.6. Zone initial setting”.
Connection state of op. sensor
(*…Factory setting)
| Optional sensor 1 | Optional sensor 2 |
| Not in use | Not in use |
| In use | In use |
* If setting “Not in use” : Optional sensor cannot be used for room temperature sensor. * If setting “In use” : Optional sensor can be used for room temperature sensor.
• Temperature sensor setting
(*…Factory setting)
| Primary controller sensor | Secondary controller sensor |
| Disable | Disable |
| Enable | Enable |
* If setting “Disable” : Remote controller temperature sensor cannot be used. * If setting “Enable” : Remote controller temperature sensor can be used.
- Setting record
• Record the setting change in the following table.
| Setting Description | Setting No. |
| Indoor room temperature sensor switching function | |
| Room temperature control switching |
• Record the connection state of op. sensor in the following table.
| Optional sensor | Memo | |
| Optional sensor 1 | Not in use | In use |
| Optional sensor 2 | Not in use | In use |
• Record the temperature sensor setting in the following table.
| Controller sensor | Memo | |
| Primary controller sensor | Disable | Enable |
| Secondary controller sensor | Disable | Enable |
MANAGEMENT FUNCTION
Restricts the operations of following power-saving functions by non-author-ized person, and helps more energy-efficient operation of the system. With the password control, only the administrator can get access to the function setting.
For the controlled functions, perform the setting change in “Management function” screen.
| Settings Items: | Timer |
| Function | • On timer |
| • Economy | • Off timer |
| • Set temp. auto return | • Weekly timer |
| • Set temp. range | • Auto-off timer |
(Set temp. auto return : Set temperature auto return) (Set temp. range : Set temperature range) For the details on each function, refer to the operating manual.
11.1. Password setting
Preset value of password is “0000”. Change the password as necessary so that the setting change cannot be done by other than the administrator. The changed password should be managed properly by the administrator. A password (4-digit) required when setting up a Management function can be changed.
- When [Menu button] is pressed twice while “Monitor’ screen is dis-played, played, it switches to the “Submenu” screen. If [Menu button] is pressed while the “Submenu” screen is displayed, the display returns to the “Monitor’ screen.

- When [Initial] is selected in [Submenu] screen, “Initial” screen is displayed. Enter current password with the [Cursor button], and press the [Enter button]

- [Password setting (Management)] in the “Initial” screen, and ‘0 press the [Enter button].

- Enter current password. With pressing the [Cursor button (Up/Down)], enter the number. When you press the [Cursor button (Right)], the cursor moves to next digit. After you enter the 4 digits, press the [Enter button].
-Note-
When you forget a password, please push a [Menu button] and the [Cancel button] at the same time for 2 seconds. Screen switches to “Enter new password” screen. - Enter new password with same procedure in step 4.

11.2. Management setting
Management setting is a function that restricts the operation of some functions on this remote controller. The functions to be restricted are set in this setting, but not in each functional setting. Example: To restrict Economy setting to [ON] Set to [ON] on all the other signal source except this remote controller.
- When [Menu button] is pressed twice while “Monitor” screen is dis-played, it switches to the “Submenu” screen. If [Menu button] is pressed while the “Submenu” screen is displayed, the display returns to the “Monitor” screen.

- When [Management] is selected in [Submenu] screen, “Management” screen is displayed. Enter current password with the [Cursor button], and press the [Enter button].
-Note-
If the entered password is not correct, message “Password is not correct.” is displayed. Enter correct password. - When correct password is entered, “Management function” screen is displayed. To select the function to be controlled by [Management], select [Edit] with pressing the [Cursor button (Up/Down)], and press the [Enter button]. “Management select” screen is displayed.

- Select the target function with the [Cursor button (Up/Down)] and press the [Enter button]. Then the setting field for the restriction set-ting is displayed.
Select the setting with the [Cursor button (Up/Down)], and press the [Enter button].
If there is another setting to be changed, you can continue the configuration.
To complete the setting, press the [Cancel button].
Functions marked check in “Management select” screen are listed in “Management function” screen.
- In “Management function” screen, you can change the detailed setting 16, on each function. For how change the setting, refer to the operating manual.
-Note-
If the function you are selecting is restricted by [Management] function, following message is displayed in the operation guidance display. The message is displayed constantly during the management function is enabled.

OTHERS
12.1. Error code
If an error occurs, the power indicator (green) blinks and the following display will be shown. If “Error” is displayed, immediately stop the air conditioner operation, and consult authorized service personnel.
- When there is an error on this remote controller:

- Without zone control
Error code Contents Er 12.1 EE 1c • Wired remote controller communication error Er 15.4 EE 1d • Incompatible indoor unit is connected
• Indoor unit date acquisition error
• Primary unit / Secondary unit setting errorEr CC.1 EE CC.1 • Remote controller sensor error - With zone control
Error code Contents Er 12.1 EE 1c • Wired remote controller communication error
• &RPPXQiFDWiRQ HUURU EHWZHHQ iQGRRUXQiW DQG ]RQH- FRQWURO-iQWHUIDFH
• &RPPXQiFDWiRQ HUURU EHWZHHQ ]RQH-FRQWURO-iQWHUIDFand remote controller
• Indoor unit data acquisition errorEr 15.4 EE 1d • Incompatible indoor unit is connected
• Indoor unit date acquisition error
• Primary unit / Secondary unit setting errorEr CC.1 EE CC.1 • Remote controller sensor error - When there is an error on the indoor unit:








• Do not fix the functional earthing wire with the cable tie (large).
• Strip off the coating of wires of the remote controller cable as follows.



When confirmed by pressing the [Enter button], the “Temp. unit” screen is displayed.
(Temp. unit : Temperature unit) When [Enter button] is pressed, the “Change display format” screen is displayed.
-Note-
When [Enter button] is pressed, the “Time” screen is displayed.
When [Cancel button] is pressed, it returns to the “Date” screen.When [Enter button] is pressed, the “Confirmation” screen is displayed.
Switch the setting item with [Cursor button (Left/Right)] and set the number of outlets with [Cursor button (Up/Down)].
When [Enter button] is pressed, the “Change display format” screen is displayed.
-Note-
When [Enter button] is pressed, the “Time” screen is displayed.
When [Enter button] is pressed, the “Confirmation” screen is displayed.





-Note-


-Note-



-Note-




-Note-
-Note-
Select the setting with the [Cursor button (Up/Down)], and press the [Enter button].
If there is another setting to be changed, you can continue the configuration.
To complete the setting, press the [Cancel button].
-Note-


















