GCPF80 Party Freezer
Instruction Manual

Thank you very much for your trust.
From now on, you will have a Gastro-Cool refrigeration unit to make your working day a lot easier. All our products are specifically designed for the particular needs of the catering business. Most of them even have integrated advertising features. Curious?
Visit us at www.gastro-cool.com, where you will be spoiled for choice when it comes to innovative advertising refrigerators. Indulge…
Introduction
This appliance corresponds to the applicable EC safety regulations relating to electrical equipment. It has been produced and assembled according to the state of the art.
Before you start up the appliance, read through these directions for use thoroughly. They contain important instructions for the operation and maintenance of the appliance. Incorrect use of the appliance may cause damage.
Keep the directions for use so that they can be referred to at a later date and pass them on to any subsequent owners. Should you have any questions on matters which are not described in sufficient detail for you in these directions for use, please contact our customer service.
Important information for use and safety
This refrigerator must not be used unattended by children under 12 years of age or by persons with physical or sensory disabilities. Only use the refrigerator if you have understood everything and understand the risks involved.
2.1 Safety instructions
All of the safety instructions given in these directions for use are provided with a warning symbol. They provide early warning of possible dangers. This information must be read and followed without fail.
2.2 Explanation of the safety instructions
WARNING
denotes a dangerous situation that could lead to serious injury or death if not observed!
BEWARE
denotes a dangerous situation that could lead to slight or moderate injury if not observed!
IMPORTANT
denotes a situation that could cause considerable damage to property or the environment if not observed.
2.3 General safety instructions
In an emergency, remove the plug from the socket immediately.
WARNING
Hold the plug by the electric cable when plugging it in, and never pull it out with damp or wet hands.
Electric shock is life-threatening!
- Do not pull the plug out of the socket by the cable.
- Pull the plug out of the socket before any cleaning or maintenance intervention.
- If the supply cord is damaged, it must be replaced by the manufacturer, its service agent or similarly qualified persons in order to avoid a hazard.
- If cables or plugs are damaged, the appliance must no longer be used.
- Apart from the cleaning and maintenance work described in these directions for use, the appliance must not be interfered with in any way.
Any action taken contrary to these directions may lead to loss of the warranty.
WARNING
Children must not play with or in the appliance.
Unpacking the appliance
The packaging must be undamaged. Check the refrigerator for any damage that has occurred during transportation. Under no circumstances plug in a damaged appliance. If damage has occurred, please contact the supplier.
WARNING
Items of packaging (e.g. films, polystyrene) may be dangerous for children. Risk of suffocation! Keep packaging materials away from children.
Disposal of packaging materials
Ensure that packaging is disposed of in an environmentally friendly manner.
Removal of transportation protection elements
The appliance and some of the interior fittings are protected for transportation.
Remove all adhesive tape. Adhesive residues can be removed using white spirit. Remove all adhesive tape and items of packaging from the interior of the appliance.
Description of the appliance

| 1. Lid | 3. Ventilation wholes |
| 2. Body | 4. Castors (4 pieces) |
Technical details
Party Freezer
| Model No | GCPF80 |
| Climate classification | 1,2,3,4, 6 /A |
| Foam agent | Cyclopentane |
| Volume | 80 L |
| Safety class | 1 |
| Voltage | 220-240V |
| Frequency | 50Hz |
| Rated current | 1 A |
| Power | 124 W |
| Lamp power | – |
| Energy consumption | —1.2 kWh / 24 h |
| Refrigerant | R600a (40g) |
| Dimensions HxWxD | 83,0 x 57,0 x 57,0 cm |
| Net weight | 29 kg |
All appliance-specific data has been determined by the appliance manufacturer by means of Europe-wide standardized measuring methods under laboratory conditions. These are specified in EN16902. The appliance’s actual energy consumption during use is dependent on the installation site and user behavior, and accordingly may also be higher than the values determined by the appliance manufacturer under standard conditions.
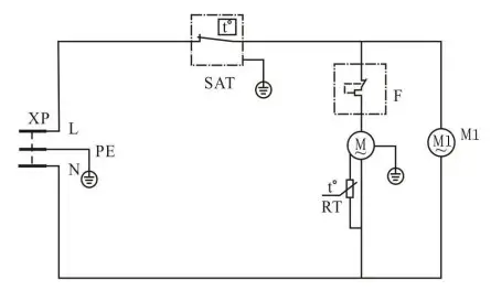
Circuit diagram

5.1 Refrigerant
BEWARE
The refrigerant circuit of the appliance contains the refrigerant isobutane (R600a), a highly environmentally compatible natural gas that is inflammable. While transporting and installing the appliance, ensure that no parts of the refrigerant circuit are damaged.
Procedure if the refrigerant circuit is damaged:
- Avoid open fire and ignition sources at all costs
- Ensure that the room in which the appliance is located is well ventilated
Installation
6.1 Positioning
The appliance should be located in a well-ventilated and dry room. The ambient temperature affects the power consumption and correct function of the appliance.
Sufficient air circulation on the rear wall and the upper edge of the appliance must be guaranteed. For optimal ventilation of the appliance, the minimum ventilation cross-sections must be observed: position the refrigerator at least 100 mm away from the wall; furthermore, a space of 20 mm must be left to the right and to the left, and 300 mm at the top. use the appliance on a firm and smooth surface.
IMPORTANT
- The appliance must not be exposed to direct solar radiation.
- The appliance must not be placed close to heaters, next to a stove, or other heat sources.
- The appliance must be positioned so that the main plug is accessible.
- The appliance may only be placed in a location where the ambient temperature corresponds to the climate classification for which the appliance is designed.
This unit is designed to operate in climates where the maximum temperature ranges from 16 to 32 °C and the maximum humidity is 70%.
Start-up
7.1 Before starting up for the first time
After transportation, the appliance should be left to stand for at least 24 hours so that the refrigerant can separate from the appliance oil and collect in the compressor. Non- observance of this may damage the compressor and lead to the appliance malfunctioning. In such a case the warranty becomes invalid.
Clean the interior of the refrigerator and all of the accessories to be found here with commercially available, mild cleaning products.
WARNING: Do not store explosive substances such as aerosol cans with a flammable propellant in this appliance.
CAUTION: Please ensure that the bottom of the appliance is not covered by bottles to avoid disrupting the condensation drain. It is best to put the bottles on a shelf.
7.2 Connecting the appliance to the mains supply
IMPORTANT
It is imperative that the appliance be earthed according to the directions.
For this purpose, the plug of the connecting cable is provided with the appropriate contact.
IMPORTANT
Consult a specialist electrician if the plug does not fit into the socket. Do not try to force the plug into the socket.
IMPORTANT
If you disconnect the appliance from the mains supply, or if a power outage occurs: wait for 5 minutes before you restart the appliance.
Operation
8.1 Switching on the appliance
In order to switch on the appliance, insert the mains plug into the socket.
8.2 Setting the temperature
The temperature can be set at -26°C to –14°C. It is set by the knob.

We recommend a temperature of approx 4°C.
NOTE
Please note that the temperature will change depending on the ambient temperature (installation site), the frequency of opening the door, and the contents.
Please note the best-before date of the products.
IMPORTANT
High room temperatures (e.g. on hot summer days) and a cold temperature setting can lead to continuous refrigerator operation. The reason for this is that the compressor has to run continuously in order to maintain the low temperature in the appliance. In this case, the appliance is not able to defrost automatically since this is only possible when the compressor is not running (see defrosting section). Therefore, a thick layer of frost or ice may form on the rear interior wall.
8.3 Noises during operation
Normal noises
- Humming – the noise is caused by the compressor during operation.
It is loud when it switches on or off. - Liquid noise – caused by the refrigerant circulating in the unit.
- Clicking noises – the temperature regulator switches the compressor on or off.
Defrosting/switching off
During the cooling and defrosting phases, a thin layer of ice or drops of water form on the inner wall. The condensation water flows into a collecting tray and evaporates. Please ensure that the drain is not blocked. It can be cleaned carefully with a pipe cleaner or a small brush.
Your refrigerator is capable of defrosting automatically, but if a thicker layer of ice forms inside the appliance, you should occasionally defrost it by hand, proceeding as described under 10.1. Optionally, to accelerate defrosting, you can place a bowl with hot water inside the appliance or use a hairdryer.
Maintenance
10.1 Cleaning and care
If the appliance requires cleaning, proceed as follows:
- Before beginning with repair or cleaning works, make sure the device has been disconnected from the power socket (pull the power plug!) and has cooled down.
- Clean the interior (including the rear wall and bottom) with warm water and a mild cleaning agent. Do not use any aggressive cleaning agents!
- Dry all surfaces carefully.
- After cleaning, reconnect the refrigerator to the mains supply.
- Never clean the appliance with steam cleaning equipment.
- Regularly clean the refrigerator and also check the condensation water drain.
- If the light is damaged, it must be replaced by the manufacturer or its service agent with a light of the same size, power, and shape.
- We recommend annual cleaning of the condenser to maintain performance.
Repairs
WARNING: Repairs to electrical equipment may only be carried out by our customer service.
Any repairs carried out incorrectly or unprofessionally put the user at risk and lead to the warranty becoming invalid!
WARNING: Do not damage or interrupt the refrigerant circuit.
WARNING: Do not store electrical appliances inside the food storage compartments of the appliance, unless they are of the type recommended by the manufacturer.
What to do if… troubleshooting
The design of the appliance guarantees interruption-free operation and long service life. However, if a fault does occur during operation, check whether it can be traced back to an operating error.
You can eliminate the subsequent faults by yourself by checking the possible causes:
| Fault | Possible causes | Measures |
| The appliance is not cooling. | Is the mains plug in the socket? Has the fuse in the socket been triggered? | Insert the mains plug correctly in the mains socket, and switch on the fuse, if required call for expert assistance. |
| The appliance is noisy when operating. | Is the appliance aligned vertically and horizontally? | Adjust the appliance using the supports. Flow noises in the refrigerant circuit are normal. |
| Water is pooling at the bottom of the refrigerator. | Has the temperature regulator been set correctly? Is the condensation water drain blocked by dirt? Is the condensation drain blocked by bottles on the bottom? | Correct the temperature regulator setting. Clean the drain with a pipe cleaner or a small brush. Place the bottles on a shelf. |
| The appliance is not cooling correctly. | Is the appliance ventilation blocked? | Clear the ventilation slot, and position the appliance with sufficient space. |
| Wet panes. | Is the device temperature set too cold? Is the humidity in the unit too high? | Set the temperature slightly higher. |
Tips for saving energy
Do not place the appliance close to stoves, heaters or other heat sources. With high ambient temperatures, the compressor runs more frequently and for longer. This leads to unavoidable high power consumption.
Make sure that there is sufficient aeration and ventilation at the appliance base and to the back of the appliance. Ventilation openings must never be covered.
The door should only remain open for as long as required.
The door seals of your appliance must be fully intact so that the doors close correctly.
Do not set the temperature any lower than required.
Disposal of old appliances
Ensure that old appliances are disposed of in an environmentally friendly manner. Make disused old appliances unusable prior to disposal. Pull the mains plug out of the socket and disconnect the plug from the mains cable.
This appliance is marked according to the specifications of the European Disposal Regulations 2012/19/EU – WEEE. This ensures that the product is disposed of appropriately. By means of environmentally friendly disposal, you ensure that any damage to health caused by inappropriate disposal is avoided. The bin symbol on the product or the accompanying papers indicates that this appliance must not be treated like a household waste. Instead, it should be taken to a collection point for the recycling of electrical and electronic equipment.
Disposal must be carried out according to the respective locally applicable regulations.
For further information please contact your local authority or disposal company.
Customer service
If a fault cannot be eliminated by following the instructions given above, please call our customer service. In such a case, do not carry out any further work yourself, especially on the electrical parts of the appliance. Do not open the door unnecessarily often so as to avoid the loss of cold.
Customer Service addresses Germany:
| EGS GmbH | Customer phone no.: | +49 (0) 29 44 / 97 16-6 |
| Dieselstraße 1 | Fax: | +49 (0) 29 44 / 97 16-77 |
| D-33397 Rietberg | E-mail: | [email protected] |
EU/world: Contact the manufacturer or your local dealer
| Gastro-Cool GmbH & Co. KG | Phone no.: | +49 (0) 2154 484 60-0 |
| Hans-Böckler-Str. 8 | Fax: | +49 (0) 2154 484 60-20 |
| D-47877 Willich | E-mail: | [email protected] |
| Web: | www.Gastro-Cool.com |
Please have the following information ready for customer service:
- Full address and telephone no.
- Appliance type and serial number
- Description of the fault
- Proof of purchase
Terms of warranty
Terms of warranty
As a buyer of a Gastro-Cool appliance, you are entitled to the legal warranty from the purchase contract with your dealer.
Validity period
The warranty is valid for one year (proof of purchase is to be presented) from the invoice date. During the first year, any faults of the appliance will be eliminated free of charge. It is a prerequisite that the appliance is accessible for repairs without any particular effort.
If claims are made according to the warranty, the warranty is not extended either for the appliance nor for the newly fitted parts.
Scope of fault elimination
Within the specified periods we shall eliminate any faults of the appliance which can evidently be traced back to incorrect function or material faults. Replaced parts become our property.
The following are excluded:
Normal wear and tear, intentional or negligent damage, damage which occurs due to non-observation of the directions for use, inappropriate positioning or installation or due to connection to the wrong power supply, damage arising from the effect of chemicals or electrothermal factors of from other abnormal environmental conditions, damage to glass, paint or enamel and any differences in color, as well as defective lamps. We will not provide any services either if – without our special, written approval – work has been carried out on the GastroCool appliance by non-authorized people or parts from a different origin have been used. This restriction does not apply to fault-free work carried out by a qualified expert using our original parts in order to adapt the appliance to the technical protective regulations of a different EU country.
Scope
Our warranty is applicable to appliances that have been purchased in an EU country and which are being operated in the Federal Republic of Germany.
For appliances that have been purchased in an EU country and have been brought into a different EU country, services are provided within the framework of the respective warranty terms which are customary in that country. There is only an obligation to provide the warranty if the appliance corresponds to the technical regulations of the country in which the claim according to the warranty has been made.
For repair work carried out outside of the warranty period, the following applies:
If an appliance is repaired, the repair invoices are due immediately and are to be paid without delay..
Spare parts can be re-ordered up to five years after the last delivery. Due to fluctuating customer requests for spare parts, longer delivery times must be expected.
If an appliance is examined or a repair that has been started has not been completed, a flat rate will be charged for travel and work. Advice from our The customer advice centre is free of charge
To obtain service or to order spare parts, please contact us:
E-mail: [email protected]
These instructions are also available to download as a PDF-file on
http://Gastro-Cool.com/de.
Cooling & advertise sing – eff ecti ve and effi cient!
If you have any questions regarding your refrigerator or if you are interested
in further products from the Gastro-Cool range, we are at your service.

stay in touch

https://de.linkedin.com/company/gastro-cool-gmbh-&-co-kg
https://www.facebook.com/pages/category/Retail-Company/Gastro-Cool-International-313681325327175/
https://www.instagram.com/gastrocool_/

















