PQL 84256 V2 LED Stadium Lights

INSTALL INSTRUCTIONS
PLEASE FIND A QUALIFIED ELECTRICIAN FOR INSTALLATION. Please read the instructions before you install and use the luminaire.
GENERAL
ALL ELECTRICAL CONNECTIONS MUST BE IN ACCORDANCE WITH LOCAL AND NATIONAL ELECTRICAL CODE (N.E.C.) STANDARDS. IF YOU ARE UNFAMILIAR WITH PROPER ELECTRICAL WIRING CONNECTIONS OBTAIN THE SERVICES OF A QUALIFIED ELECTRICIAN.
WARNING – Risk of fire or electric shock. Installation requires knowledge of luminaires electrical systems. If not qualified, do not attempt installation; contact a qualified electrician.
WARNING – Risk of fire or electric shock. Install luminaires that have the construction features and dimensions shown in the photographs and/or drawings and where the voltage input rating of the does not exceed the voltage input rating of the luminaire.
WARNING – To prevent wiring damage or abrasion, do not expose wiring to edges of sheet metal or other sharp objects.
Do not make or alter any open holes in an enclosure of wiring or electrical components during installation.
Risk of Electric Shock: Disconnect power or circuit breaker before installing or servicing.
Before installation, please check if the local voltage range corresponds with the working voltage of the fixture.
If the fixture is damaged, it should be replaced by the supplier, a service agent or a qualified person.
Do not use where exposed to flame, electric shock, or high vibration.
WARNING DISCONNECT POWER BEFORE INSTALLING OR SERVICING.
300W / 400W / 500W / 600W
STEP 1 – Attach glare shield to the luminaire body by using the M5x12mm screws to lock the shield in place.

STEP 2 – MOUNTING LUMINAIRE

- Place fixture on the mounting surface.
- Insert M20 and M10 bolts into bracket. Tighten the bolts hand tight so luminaire is secured to the mounting surface but still allow adjustment. Do not fully torque down until desired position is set.
- Adjust bracket and fixture vertically, and for Install Method 1 horizontally.
- Fully tighten all bolts to secure fixture.
General Wiring Diagram above
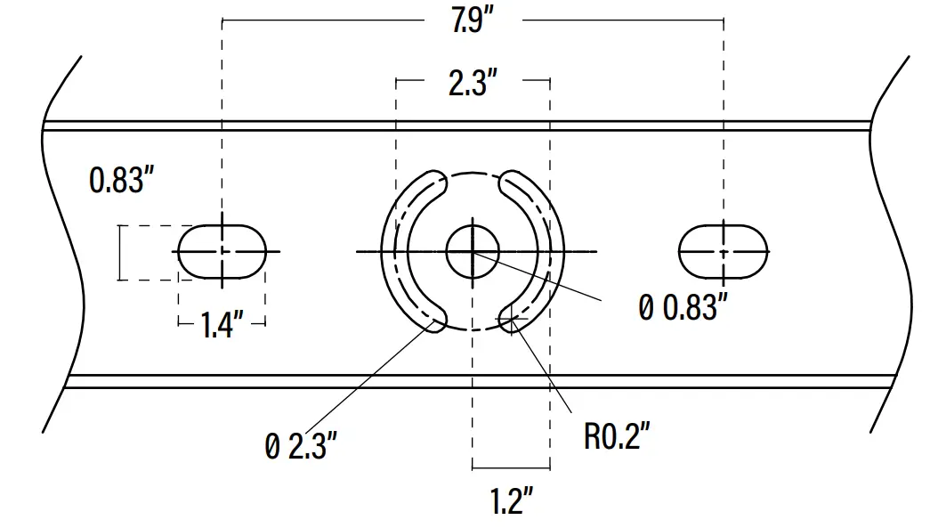
MOUNTING DIAGRAM

OPTIONAL U-BRACKET WITH SLIP FITTER FOR 300W / 400W / 500W / 600W (Item# 84080, sold separately)
MOUNTING LUMINAIRE
- Secure fixture in U-Bracket.
- Place slip fitter on light pole. Tighten the bolts hand tight so luminaire is secure but allows adjustment.
- Adjust fixture to desired angle.
- Fully tighten all bolts to secure fixture.
General Wiring Diagram above

Specifications subject to change without notice. Photos and line drawings may not be to scale and are for general reference only.
WARNING DISCONNECT POWER BEFORE INSTALLING OR SERVICING.
750W / 1250W*
STEP 1 – Attach glare shield to the luminaire body by using the M5x12mm screws to lock the shield in place.
STEP 2 – MOUNTING LUMINAIRE

- Place fixture on the mounting surface.
- Insert M20 and M10 bolts into bracket. Tighten the bolts hand tight so luminaire is secured to the mounting surface but still allow adjustment. Do not fully torque down until desired position is set.
- Adjust bracket and fixture vertically, and for Install Method 1 horizontally.
- Fully tighten all bolts to secure fixture.
*Note: The 1250W Stadium Light uses an external driver box. The driver box should be mounted within 85′ of the fixture to prevent voltage loss.

MOUNTING DIAGRAM

GENERAL WIRING DIAGRAM

*Note: For non-dimming applications, cap the purple and gray dimming wires separately. Failure to do so may cause malfunctioning and void warranty.
PREMIUM QUALITY LIGHTING®· www.PQLighting.com
© P.Q.L., Inc. · 2285 Ward Avenue · Simi Valley, CA 93065 · 800-323-8107
Specifications subject to change without notice. Photos and line drawings may not be to scale and are for general reference only.




















