MPI-T Magnetostrictive Level Sensors
Installation Guide
For Titanium Stem

Automation Products Group, Inc.
1025 W 1700 N Logan, UT 84321
www.apgsensors.com | phone: 888-525-7300 | email: [email protected]
Part # 200341
Doc #9005627 Rev B
Thank You
Thanks for purchasing an MPI-T series magnetostrictive level sensor from us! We appreciate your business and your trust. Please take a moment to familiarize yourself with the product and this manual before installation. If you have any questions, at any time, don’t hesitate to call us at 888-525-7300.
NOTE: Scan the QR code to the right to see the full user manual on your tablet or smartphone. Or visit www.apgsensors.com/support to find it on our website.
1 Description
The MPI series magnetostrictive level sensor provides highly accurate and repeatable level readings in a wide variety of liquid level measurement applications. It is certified for installation in Class I, Division 1, and Class I, Zone 0 hazardous areas in the US and Canada by CSA, and ATEX and IECEX for Europe and the rest of the world.
2 How To Read Your Label
Each label comes with a full model number, a part number, and a serial number. The model number for the MPI-T will look something like this:
SAMPLE: MPI-R5 -XW-P2ST-120-4D-N
The model number correlates with all the configurable options and tells you exactly what you have. Compare the model number to the options on the datasheet to identify your exact configuration. You can also call us with the model, part, or the serial number and we can help you.
You’ll also find all hazardous certification information on the label.
3 Warranty
This product is covered by APG’s warranty to be free from defects in material and workmanship under normal use and service of the product for 24 months. For a full explanation of our Warranty, please visit https://www.apgsensors.com/about-us/terms-conditions. Contact Technical Support to receive a Return Material Authorization before shipping your product back.
Scan the QR code below to read the full explanation of our Warranty on your tablet or smartphone.
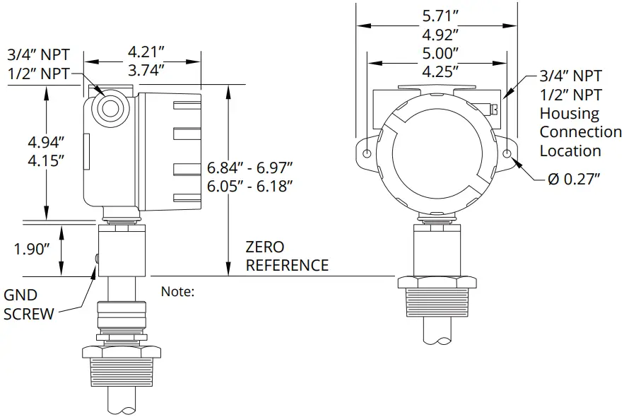
4 Dimensions
MPI-T Housing Dimensions

Note:
For dual dimensions, large housing dimensions are above small housing dimensions.
DANGER: OPEN CIRCUIT BEFORE REMOVING COVER or KEEP COVER TIGHT WHILE CIRCUITS ARE ALIVE;
DANGER: WARNING — EXPLOSION HAZARD — SUBSTITUTION OF COMPONENTS MAY IMPAIR INTRINSIC SAFETY;
Warning: — The model MPI-T contains titanium in excess of 7.5% for Group II and care needs to be taken to avoid ignition hazards due to impact or friction;
5 Installation Guidelines & Instructions
The MPI should be installed in an area–indoors or outdoors–which meets the following conditions:
- Ambient temperature between -40°C and 85°C (-40°F to +185°F)
- Relative humidity up to 100%
- Altitude up to 2000 meters (6560 feet)
- IEC-664-1 Conductive Pollution Degree 1 or 2
- IEC 61010-1 Measurement Category II
- No chemicals incompatible with Titanium Grade 2
- No chemicals corrosive to stainless steel (such as NH3, SO2, Cl2 , etc.) (Not applicable to plastictype stem options)
- Ample space for maintenance and inspection
Additional care must be taken to ensure:
- The probe is located away from strong magnetic fields, such as those produced by motors, transformers, solenoid valves, etc.
- The medium is free from metallic substances and other foreign matter.
- No ignition hazards exist due to impact or friction with the titanium stem.
- The probe is not exposed to excessive vibration.
- The float(s) fit through the mounting hole. If the float(s) does/do not fit, it/they must be mounted on the stem from inside the vessel being monitored.
- The float(s) is/are oriented properly on the stem (See Figure 5.1 below). MPI-T floats are typically installed by customer.
IMPORTANT: MPI-T level sensor MUST be installed according to drawing 9005491 (Intrinsically Safe Installation Drawing For Hazardous Areas) in section 9 to meet listed approvals. Faulty installation will invalidate all safety approvals and ratings.
IMPORTANT: Floats must be oriented properly on the stem, or sensor readings will be inaccurate and unreliable. Untapered floats will have a sticker or etching indicating the top of the float. Remove sticker prior to use.

Figure 5.1
ATEX Stated Conditions of Use:
- Under certain extreme circumstances, the non-metalic parts incorporated in the enclosure of this equipment may generate an ignition-capable level of electrostatic charge. Therefore the equipment shall not be installed in a location where the external conditions are conducive to the build-up of electrostatic charge on such surfaces. In addition, the equipment shall only be cleaned with a damp cloth.
- The enclosure is manufactured from Aluminum. In rare cases, ignition sources due to impact and friction sparks could occur. This shall be considered during installation.
Installation Instructions:
- When lifting and installing the sensor be sure to minimize the bending angle between the rigid stem at the top and bottom of the sensor and the flexible stem in-between. Sharp bends at those points could damage the sensor. (Not applicable for non-flexible probe stems.)
- If your sensor’s stem and floats fit through the mounting hole, carefully lower the assembly into the vessel, then secure the sensor’s mounting option to the vessel.
- If the floats do not fit, mount them on the stem from inside the vessel being monitored. Then secure the sensor to the vessel.
- For sensors with float stops, refer to the assembly drawing included with the sensor for float stop installation locations.
Electrical Installation Instructions:
- Remove the housing cover of your MPI.
- Feed system wires into MPI through conduit openings. Fittings must be UL/CSA Listed for CSA installation and IP65 Rated or better.
- Connect wires to MPI terminals. Use crimped ferrules on wires, if possible.
- Replace the housing cover.
See Electrical Connections and System Wiring Diagrams (section 6) for Modbus wiring examples
IMPORTANT: Only the combustion gas detection performance of the instrument has been tested.
DANGER: WARNING — EXPLOSION HAZARD — DO NOT DISCONNECT EQUIPMENT UNLESS POWER HAS BEEN SWITCHED OFF OR THE AREA IS KNOWN TO BE NON-HAZARDOUS;
6 Sensor and System Wiring Diagrams
MPI-T Intrinsically Safe Modbus System Wiring

Note: When connecting MPI sensors to your system, reversing A and B connections may be necessary if sensors do not communicate with Modbus Server device.
A 120 Ω terminating resistor may be necessary for long cable runs.
B Use Shielded Cable
C Wiring T’s must be located on controller/supply side of IS barriers.
D See Hazardous Installation Drawing for Intrinsically Safe installation requirements. Otherwise, wire directly.
E 120 Ω terminating resistor across A & B terminals of last or only sensor, if necessary. For installations without IS barriers only.
IMPORTANT: MPI-T level sensor MUST be installed according to drawing 9005491 (Intrinsically Safe Installation Drawing For Hazardous Areas) in section 9 to meet listed approvals. Faulty installation will invalidate all safety approvals and ratings.
MPI-T Intrinsically Safe Modbus System Wiring with RST-6001

Note: An independent +8-24 Vdc power supply is required when using an RST-6001 Modbus Controller. The RST-6001 can only supply ±5 Vdc, not the +8-24 Vdc required by the MPI.
A USB to computer with APG Modbus software
B Equivalent 120 Ω terminating resistor internal to RST-6001
C Use Shielded Cable
D Wiring T’s must be located on controller/supply side of IS barriers.
E See Hazardous Installation Drawing for Intrinsically Safe installation requirements. Otherwise, wire directly.
F 120 Ω terminating resistor across A & B terminals of last or only sensor, if necessary. For installations without IS barriers only.
NOTE: For APG Modbus programming instructions, please see MPI user manual. APG Modbus software can be downloaded from www. apgsensors.com/support.
IMPORTANT: Refer to section 9 for Hazardous Location Wiring.
MPI – MDI Use Case Diagram

- Hazardous Area
- MDI
Modbus Address: Server
Controling: Sensor 1 - MPI Sensor
Modbus Address: 1
MPI – MDI with Passive Controller Use Case Diagram

- Passive Control Equipment
Modbus: Sniffer
Sniffing: MDI - Non-hazardous Area
- Hazardous Area
- MDI
Modbus Address: Server
Controling: Sensor 1 - MPI Sensor
Modbus Address: 1 - Approved
IS Barrier
7 General Care
Your MPI sensor is very low maintenance and will need little care as long as it was installed correctly. However, in general, you should periodically inspect your MPI-T unit to ensure the stem is free of any heavy buildup that might impede the movement of the float(s). If sediment or other foreign matter becomes trapped between the stem and float(s), detection errors can occur.
If you need to remove the floats(s) from the stem of your MPI, be sure to note the orientation of the float(s) prior to removal. This will help ensure proper re-installation of the float(s).
Also, ensure that the housing cover is snuggly secured. If the cover becomes damaged or is misplaced, order a replacement immediately.
IMPORTANT: All repairs and adjustments of the MPI-T level sensor must be made by the factory. Modifying, disassembling, or altering the MPI-T is strictly prohibited.
8 Repair Information
If your MPI-T level sensor needs repair, contact us via email, phone, or online chat on our website. We will issue you a Return Material Authorization (RMA) number with instructions.
- Phone: 888-525-7300
- Email: [email protected]
- Online chat at www.apgsensors.com
9 Hazardous Location Wiring
| REVISIONS | |||||
| ZONE | REV | DESCRIPTION | CHANGE ORDER | DATE | APPROVED |
| — | B | See Change Order | CO-3982 | 06/01/2020 | A. Fullmer |

– Installation must be in accordance with NEC Articles 504 and 505.
- Unclassified Location
- Hazardous Location
Class I, Division 1, Groups C,D T4
Class I, Zone 0, AEx ia IIB T4 Ga
Ex ia IIB T4 Ga, Ta -40°C to 85°C
AGENCY APPROVED DRAWING
PROPRIETARY AND CONFIDENTIAL
THIS DRAWING IS THE PROPERTY OF AUTOMATION PRODUCTS GROUP, INC. LOGAN, UTAH AND MAY NOT BE USED, REPRODUCED, PUBLISHED, OR DISCLOSED TO OTHERS WITHOUT WRITTEN CONSENT OF THE COMPANY.
IF LOANED, IT IS SUBJECT TO RETURN UPON DEMAND AND MAY NOT BE USED IN ANY WAY DIRECTLY OR INDIRECTLY DETRIMENTAL TO THE COMPANY.
| APPROVALS | DATE |
DRWN C. Chidester | 6/5/2018 |
CHKD S. Hutchins | 8/29/2018 |
APVD R. Barson | 8/29/2018 |
| CONTRACT | |
| MATL | |
| FINISH | |
Automation Products Group, Inc. | ||||
MPI Series | ||||
SIZE | CAGE CODE 52797 | PART NO VARIOUS | DOCUMENT NO 9005491 | REV |
| SHEET 1 OF 2 | ||||

















