
MICROMETER TORQUE WRENCH
MTW8OF MTW150F MTW2001
ED4 MAY 2021
Instruction Manual

Know Your Product

- Square Socket Drive
- Serial Number
- Inch/Pound Scale I Foot/Pound Scale MTW200I, MTW150F, MTW80F)
- Fine Scale
- Knurled Handle
- Torque Setting Lock Knob
- Centre Line Grip
- N/m Scale
- Warning/Information Label
- Calibration Plug & Security Seal
- Forward / Reverse Lever
NOTE. ONLY MEASURE 10RO IN A CLOCKWISE DIRECTION
SPECIFICATIONS
| MTW150F | MTW8OF | MTW200I | |
| Drive Size: | Square Drive | 3/8″ Square Drive | 1/4– Square Drive |
| Torque Range: | 10-150 Ft/Lb | 5-80 Ft/Lb | 17.7-2124 In/Lb |
| 13.6-203.5 Nm | 6.8 -108.5 Nm | 2-24 Nm | |
| Accuracy: | 4- 4% of Setting” | +/- 4% of Setting’ | +/- 4% of Setting’ |
| Tool Length: | 460mm | 375mm | 275mm |
| Weight: | 1.8kg | 0.97kg | 0.26kg |
‘This torque wrench is accurate to +4% of the test load as noted on the supplied certificate of calibration and has been manufactured and tested in accordance with equipment in accordance with 150 0789-1:2017. Accuracy outside the stated minimum and maximum test load is not guaranteed.
General Safety Warnings
Please study these instructions carefully before attempting to operate this wrench. Never apply more torque than the maximum scale reading. This torque wrench is designed for manual tightening of thread fasteners only.
DO NOT USE IT AS A NUT-BREAKER OR FOR ANY OTHER PURPOSE.
Over torqued or defective fasteners and sockets may suddenly break. TO PREVENT INJURY, KEEP PROPER FOOTING AND BALANCE AT ALL TIMES. DO NOT USE THE WRENCH IN PLACES FROM WHICH YOU MAY FALL OR SLIP, OR AROUND ROTATING MACHINERY.
This torque wrench will not prevent you from applying more torque than set – this is not a torque limiting tool. Learn how different amounts of torque ‘feel’ so you will reduce the possibility of damage and/or injury due to accidental over-torquing. APPLY FORCE TO THE GRIP ONLY. DO NOT USE ‘CHEATER BARS’. (A piece of pipe placed over the handgrip). Always measure torque by pulling on the handle with the center of the palm of your hand placed over the grip centerline (7) This tool is NOT -user-serviceable” and spare parts are not available. Only a NATA-certified calibration laboratory should calibrate this tool. NOTE: All torque wrenches should be calibrated at least once a year or every 1,000 cycles, whichever comes first.
This torque wrench only measures torque in the clockwise/tightening direction. DO NOT attempt to undo fasteners (rotate anti-clockwise) with this torque wrench. This torque wrench DOES NOT provide a torque output reading when removing a fastener! NOTE: Only use a K8035 Digital Torque Adapter, to measure the braking torque of an existing fastener being removed.
This torque wrench operates in a clockwise direction only, do not use a torque wrench to loosen a bolt/nut fastener. Doing so will damage the torque wrench, put the torque wrench out of calibration and/or could void your warranty. Only use a socket wrench, breaker bar or another tool to loosen a fastener. Lifetime Warranty does not cover the cost for periodic calibration of the tool. A torque wrench is a precision instrument, so if you drop, heavily knock or leave a torque measure set on your tool for an extended period of time, you should have the calibration checked by an authorized calibration center to verify the tool conforms to the tools noted calibration tolerance %. Failure to do so, could lead to damage of your tool, fastener or goods being worked on and is not covered by the product’s warranty.
How to use your Torque Wrench
WARNING!
- DO NOT continue to pull or rotate the torque wrench after the head has clicked. Use special care at low torque settings as click is less pronounced
- Your Torque Wrench is a precision instrument and should be treated as such.
- Always store your Torque Wrench in the protective blow mould case.
- Do not attempt to rotate the grip when your desired torque measurement has been selected or locked, or the calibration accuracy may be affected.
- Do not rotate grip more than one full turn below the lowest scale or one full turn past the highest scale reading. Always return your wrench to zero after use.
NOTE: For accuracy, always start setting the Torque Wrench from below the torque figure you require and rotate clockwise/up to the required torque figure. DO NOT set the torque figure by rotating clockwise/downwards, from a higher torque rating
Understanding Torque Measurements / Settings of this tool
MTW200I Inch Pounds Scale
The graduations on the MTW2001 Fine Scale (Handle Scale) are read as 1.3 In/Lb increments when read in conjunction with the Inch-Pound Scale on the shaft.
To set the MTW200I to 35.4in/Lb, rotate the handle until the 0 graduations on the handle aligns with the centreline on the shaft and the 35.4 in/lb graduation on the shaft.
To set the MTW200I to 48.4in/Lb, rotate the handle until the 0 graduations on the handle aligns with the centreline on the shaft and the 35.4in/lb graduation on the shaft. Now rotate the handle clockwise until the 10th graduation aligns with the centreline of the shaft scale. (35.4 plus 10x 1.3= 48.41
MTW200I Newton Metre Scale.
The graduations on the MTW2001 Fine Scale (Handle Scale) are read as 0.1 Nm increments when read in conjunction with the Newton Metre Scale on the shaft.
To set the MTW2001 to 10Nm, rotate the handle until the 0 graduation on the handle aligns with the centreline on the shaft and the 10 Nm graduation on the shaft.
To set the MTW2001 to 11.4Nm, rotate the handle until the 0 graduation on the handle aligns with the centreline on the shaft and the 10Nm graduation on the shaft. Now rotate the handle clockwise until the 1.4 graduation aligns with the centreline of the shaft. (10Nm plus 14x 0.1Nm = 11.4Nm)
MTW8OF Foot Pounds Scale
The numbered graduations on the MTW8OF Fine Scale (Handle Scale) are read as 1.0 Ft/Lb increments when used in conjunction with the Foot Pound Scale on the shaft.
To set the MTW8OF to 30Ft/Lb, rotate the handle until the 0 graduation on the handle aligns with the centreline on the shaft and the 30 Ft/Lb graduation on the shaft.
To set the MTW80F to 34Ft/Lb, rotate the handle until the 0 graduation on the handle aligns with the centreline on the shaft and the 30 Ft/Lb graduation on the shaft. Now rotate the handle clockwise until the number 4 graduation aligns with the centreline of the shaft scale.
MTW80F Newton Metre Scale.
The numbered graduations on the MTW8OF Fine Scale (Handle Scale) are read as 1.36 Nm when used in conjunction with the Newton Metre State on the shaft.
To set the MTW8OF to 27.1 Nm, rotate the handle until the 0 graduation on the handle aligns with the centreline on the shaft and the 27.1 Nm graduation on the shaft.
To set the MTW8OF to 31.18Nm, rotate the handle until the 0 graduation on the handle aligns with the centreline on the shaft and the 27.1 Nm graduation on the shaft. Now rotate the handle clockwise until the next No.3 graduation aligns with the centreline of the shaft. (This is 27.1 plus 1.36 plus 1.36 plus 1.36 = 31.18Nm)
MTW150F Foot Pounds Scale
The small graduations on the MTW150F Fine Scale (Handle Scale are read as one Ft/Lb when read in conjunction with the Foot Pound Scale on the shaft.
To set the MTW150F to 30Ft/Lb, rotate the handle until the 0 graduation on the handle aligns with the centreline on the shaft and the 30Ft/Lb graduation on the shaft.
” ” ” To set the MTW150F to 34Ft/Lb, rotate the handle until the 0 graduation on the handle aligns with the centreline on the shaft and the 30Ft/Lb mark on the shaft. Now rotate the handle clockwise until the number 4 graduation aligns with the centreline on the shaft.
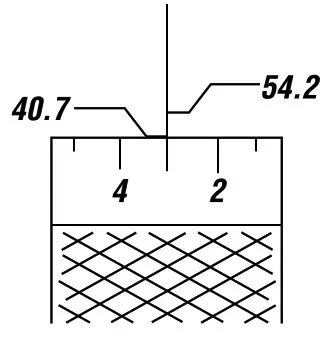
MTV/150F Newton Metre Scale.
1The small graduations on the MTW150F Fine Scale (Handle Scale) are in 1.35 Nm increments when read in conjunction with the Newton Metre Scale on the shaft.
To set the MTW150F to 40.7Nm, rotate the handle until the 0 graduation on the handle aligns with the centreline on the shaft and the 40.7Nm graduation on the shaft.
To set the MTW150F to 44.75Nm, rotate the handle until the 0 graduation on the handle aligns with the centreline on the shaft and the 40.7Nm graduation on the shaft. Now rotate the handle clockwise until the third graduation aligns with the centreline of the shaft scale. (This is 40.7 plus 1.35 plus 1.35 plus 1.35 = 44.75Nm)
Torque Wrench Operation
- After setting the required torque, tighten the Torque setting lock nut (6) by rotating clockwise to lock the setting in place.
- Attach required socket to the Square Socket Drive (1) and ensure the Forward /Reverse Lever (10) is set to tighten or rotates in a clockwise direction.
- Place socket and wrench on bolt/nut and apply slow, gradual force to the torque wrench to tighten the fastener.
- When the torque setting has been attained, the torque wrench will make a “click” type sound and you should feel a “knock” through the torque handle the same time. Immediately STOP applying force to the torque wrench. Continuing to apply force after you hear or feel the click notification will over-tighten the fastener. The setting of the Nm scale is done in the same way as above, by necessity, the scale is not calibrated in even numbers, so the setting will be more approximate. Alternatively, use the conversion scale below.
Conversion Table
| Ft/Lb | Nm | Kgm | Ft/Lb | Nm | Kgm |
| 20 | 27.12 | 2.76 | 155 | 210.18 | 21.42 |
| 25 | 33.90 | 3.46 | 160 | 216.96 | 22.11 |
| 30 | 40.68 | 4.15 | 165 | 223.74 | 22.80 |
| 35 | 47.46 | 4.84 | 170 | 230.52 | 23.49 |
| 40 | 54.24 | 5.53 | 175 | 237.70 | 24.19 |
| 45 | 61.02 | 6.22 | 180 | 244.08 | 24.88 |
| 55 | 74.58 | 7.60 | 185 | 250.86 | 25.57 |
| 60 | 81.36 | 8.29 | 190 | 257.64 | 26.26 |
| 65 | 88.14 | 8.98 | 195 | 264.42 | 26.95 |
| 70 | 94.92 | 9.67 | 200 | 271.20 | 27.64 |
| 75 | 101.70 | 10.37 | 205 | 277.98 | 28.33 |
| 80 | 108.48 | 11.06 | 210 | 284.76 | 29.02 |
| 85 | 115.26 | 11.75 | 215 | 291.54 | 29.71 |
| Ft/Lb | Nm | Kgm | Ft/Lb | Nm | , Kgm |
| 90 | 112.04 | 12.44 | 220 | 298.32 | 30.40 |
| 95 | 128.82 | 13.33 | 225 | 305.10 | 31.09 |
| 100 | 135.60 | 13.82 | 230 | 311.88 | 31.78 |
| 105 | 142.38 | 14.51 | 235 | 318.66 | 32.47 |
| 110 | 149.16 | 15.20 | 240 | 325 | 33.16 |
| 115 | 155.94 | 16.58 | 245 | 332.22 | 34.54 |
| 120 | 163 | 17.28 | 250 | 339.00 | 35.88 |
| 125 | 169.50 | 17.97 | 260 | 352.52 | 36.64 |
| 130 | 176 | 18.66 | 270 | 366.12 | 37.26 |
| 135 | 183 | 19.35 | 280 | 380.00 | 38.64 |
| 140 | 190 | 19.35 | 290 | 393.24 | 40.02 |
| 145 | 197 | 20.04 | 300 | 406.80 | 41.40 |
| 150 | 203.40 | 21.73 |
Care and Maintenance
It is normal for torque wrenches to go out of calibration with time and regular use. Whatever type of torque wrench you are using, regular calibration will ensure that your tools remain as accurate and effective as possible. Putting in place a regular schedule for verifying and calibrating your torque wrench will mean less room for error. Kincrome Tools and Equipment recommend you have your torque wrench calibrated by a NATATH approved calibration facility, every 12 months or 1,000 cycles. If your Kincrome Torque Wrench is dropped, knocked, even in the protective blow mould case, or any part replaced, the wrench must be immediately re-calibrated prior to next use to prevent inaccurate torque settings. Your new Kincrome Torque Wrench is calibrated at the factory in Taiwan, prior to shipping and a certificate of that calibration is supplied with your individually serialised torque wrench. It is the sole responsibility of the owner/user of this tool to ensure the calibration is correct as the torque wrench may have gone out of calibration during transit to retailers. For peace of mind, you should get your torque wrench checked prior to first use. Please note, the Kincrome 12 Month Warranty does not cover the cost of calibration, or the removable square drive of the wrench.
Office Contact Details
Phone: 1300 657 528
Email: [email protected]
Fax: 1300 556 005
Website: www.kincrome.com.au
Spare Parts
There are no user spare parts available for these wrenches.
Warranty

Warranty given by Kincrome Australia Pty Ltd of Lakeview Drive, Caribbean Park, Scoresby, Victoria, Australia (Tel +61 3 9730 7100) If this product has materials or workmanship defects (other than defects caused by abnormal or unwarranted use) you can, at your cost, send the product to the place of purchase, an authorized Kincrome service agent or one of the Kincromes addresses for repair or replacement. Your rights under this warranty are in addition to any other rights you have under the Australian Consumer Law or other applicable laws. Our goods come with guarantees that cannot be excluded under the Australian Consumer Law. You are entitled to a replacement or refund for a major failure and compensation for any other reasonably foreseeable loss or damage. You are also entitled to have the goods repaired or replaced if the goods fail to be of acceptable quality and the failure does not amount to a major failure. For further details please visit www.kincrome.com.au or call us. Due to minor changes in design or manufacture, the product you purchase may sometimes differ from the one shown on the packaging.



















