Godox Macro LED Ring Light RING72

Foreword
Thank you for purchasing!
RING72 is a compact and portable LED ring light, whose light body can be installed on the camera lens, and the controller can be installed on the camera hot shoe. The brightness of the L left half and the R right half can be individually adjusted to accurately obtain the required brightness by adjusting the buttons and knobs of the controller. It is ideal for portrait shooting, jewelry shooting, insects and plants shooting, and dental photography etc.
Please read this manual carefully before using to make sure the correct operation and exert the optimum function. Please keep the instruction manual for future reference.
Main Features
- Adopt 72 pieces premium LED beads ensure sufficient high-brightness light.
- Eight different adapter rings are included to fit a range of lens diameters from 49mm to 82mm (82mm adapter ring is not included).
- Separately control the brightness of the left/ring half to create side-lite effects.
- Coiled cord connects the ring light to the controller to provide extra convenience.
Warning
- Be careful while using to protect it from crashing or falling.
- Do not use in the too high or too low temperature environment.
- And Do not use in rain or in damp conditions.
- Do not use thinner, benzene or other cleaning agents to clean.
- It is recommended to use a soft, moisturized cloth for wiping and cleaning this product.
- Store it in a dry, cool and well-ventilated place, if don’t not use this product for long time.
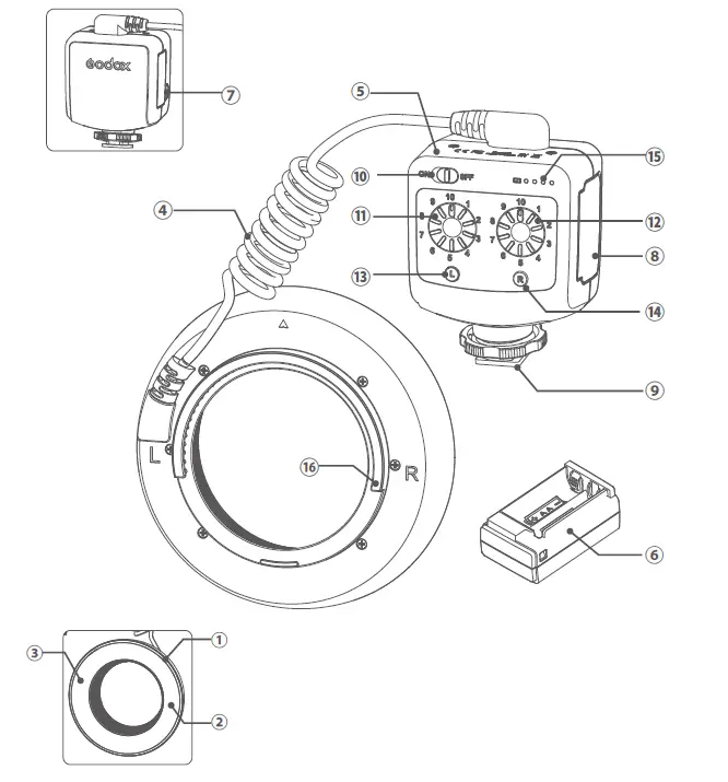
Names of Parts

01. Ring Light
02. L Left Half Light
03. R Right Half Light
04. Coiled Connection Cord
05. Controller
06. Battery Case
07. Battery Remove Button
08. Battery Compartment
09. Cold Shoe
10. Power ON/OFF
11. Left Half Adjustment Knob
12. Right Half Adjustment Knob
13. L Left Half Light Button
14. R Right Half Light Button
15. Controller Power Indicator
16. Mounting Ring Buckle
What’s in the Box
Types of power supply
2 types power supply following for this macro LED ring light:
- 4 pieces size-AA large capacity alkaline batteries or 4 rechargeable Ni-MH batteries.
- 7.2V/2600mAh lithium battery supports 450 times of repeated charging and discharging, and has a long using life span.
* Note:Batteries are sold separately and you can purchase it from us Godox. 2 types Godox lithium battery(7.2V/2600mAh or 7.2V/3200mAh) following can be applied to this Ring 72. - Godox lithium battery VB26(shared with Godox TTL Li-ion Round Head Camera Flash V1).
- Godox lithium battery WB100(shared with Godox Pocket Flash AD100Pro).
Precautions for using AA alkaline batteries
- Keep the batteries connection clean and dry to maintain good contacts.
- Use a new set of four batteries of the same brand. When replacing the batteries, replacing all four at one time.
- Do not disassemble or short-circuit the batteries. And do not put aside or into fire or water.
- Take the batteries out from the battery slot, if the light is not used for a long time.
Precautions for using lithium battery
- 1. Avoid short-circuiting the positive and negative poles.
2. As the batteries do not have waterproof function, please take measures of waterproof in rainy or damp environment.
3. Keep the product out of reach of children.
4. No over 24 hours’ continuous charging.
5. Store in dry, cool, ventilated places.
6. Do not put the battery aside or into the fire.
7. Dead batteries should be disposed according to local regulations.
8. Please charge the battery to approx. 60% before being placed for long time.
9. If the battery had ceased using for over 3 months, please make a full recharge.
10. It’s normal that the battery will be degraded after a period’s usage for the battery life limitation.
Installation tutorial
Install the battery
- Use AA alkaline batteries or rechargeable Ni-MH batteries
- Put 4 pieces batteries into the battery case. 1.1.2 Align the battery case with the battery compartment, and insert the battery case into the battery compartment until it be locked with a click sound.
- Use lithium battery(Lithium battery is not included and you can purchase it separately)
- Align the battery with the battery compartment, and insert the battery into the battery compartment until it is locked with a click sound.

- Align the battery with the battery compartment, and insert the battery into the battery compartment until it is locked with a click sound.
How to install the LED light controller on the camera
- Rotate and loosen the knob at the bottom of the ring light controller.
- Slide the ring light controller base mount and insert it into the hot shoe socket of the camera.
- Tighten the knob at the bottom of the controller until it is completely fixed.
Note: If you remove the LED light controller, first loosen the knob and then slide it out of the camera hot shoe.
How to install the ring LED head on the camera
This product is equipped with 8 different types of adapter rings, which can fully match the camera diameter of: 49mm, 52mm, 55mm, 58mm, 62mm, 67 mm, 72mm and 77mm.
Choose the corresponding adapter ring and install it on the camera lens, and then buckle the ring LED head on the adapter ring.
Use LED lights
- Turn on
Slide the power switch to “ON” and the LED light will light up.
- Controller power indicator display
The green light indicates the remaining power, the four green lights indicate the remaining 100% power, the three green lights indicate the remaining 75% power, the two bright green lights indicate the remaining 50% power, and the one green light indicates the remaining 25% power.
Low battery reminder: When the first indicator on the left flashes (on for one second and off for one second), it indicates that the battery is low. Please replace the battery in time.
Note: The above power display is based on the testing data of Godox. Different brands of batteries will cause the battery indicator display to be different.
- L left half ON/OFF
L left half light button lights up green, indicating that the L left half light is turned on; short press can turn off the L left half light, short press again to restore the previous brightness value.
- R right half ON/OFF
The R right half light button lights up green, indicating that the R right half light is on; short press can turn off the R right half light, and short press again to restore the previous brightness value.
- Left half brightness adjustment
Power on ring light, L left half light button lights up green indicating the L left half brightness is on, turn the left half adjustment knob to adjust the brightness of the L left half light. Adjustment range: 10%-100%, 10 levels to switch, and each level is incremented by +10%.
- Right half brightness adjustment
Power on ring light, R right half light button lights up green indicating the R right half brightness is on, turn the right half adjustment knob to adjust the brightness of the R right half light. Adjustment range: 10%-100%, 10 levels to switch, and each level is incremented by +10%.
- Left half and Right half brightness adjustment
Power on ring light, the L and R half light buttons light up green indicating both the left and the right half light brightness are on. And then switch the Left half adjustment knob and the Right half adjustment knob to set their brightness freely.
Note: This ring light is divided into L left half light and R right half light. The L and R rights’ brightness can be adjusted separately according to user specific needs.
Technical Data
| Model | RING72 | |
| Output Power | 8W | |
| Brightness Display | Separate control on the left / right half | |
| Dimming Range | 10% – 100% adjustment in 10 levels | |
| Power Supply | AA Size large capacity alkaline battery or rechargeable Ni-MH battery (sold separately) | 1.5V*4 pieces |
| Lithium Battery (sold separately) | 7.2V/2600mAh | |
| Color Temperature | 5600K | |
| Number Of LED Lamp Beads | 72 pcs | |
| TLCI | ≥97 | |
| CRI | ≥96 | |
| Volume | Ring Light: φ132*30 mm | |
| Controller: 84*71.5*50.5 mm | ||
| Net Weight | 245g (ring light+controller) (battery not included) | |
Maintenance
- When the flash is working, if an abnormality is found, the power should be turned off immediately to find out the cause.
- The lamp body should avoid vibration, and always pay attention to dust removal on the surface.
- It is normal that the lamp body is slightly hot. Do not flash continuously when there is no special need.
- All repairs are handled by the repair department designated by the factory for original parts.
- One year warranty, consumables such as lamps are not covered by one year warranty.
- All maintenance shall be handled by the maintenance department designated by the factory.
- If this product breaks down or gets wet, it can be used only after professional repairs.
- Subject to technical changes without notice.
FCC Statement
This device complies with part 15 of the FCC Rules. Operation is subject to the following two conditions: (1) This device may not cause harmful interference, and (2) this device must accept any interference received, including interference that may cause undesired operation.
Note: This equipment has been tested and found to comply with the limits for a Class B digital device, pursuant to part 15 of the FCC Rules. These limits are designed to provide reasonable protection against harmful interference in a residential installation. This equipment generates uses and can radiate radio frequency energy and, if not installed and used in accordance with the instructions, may cause harmful interference to radio communications. However, there is no guarantee that interference will not occur in a particular installation. If this equipment does cause harmful interference to radio or television reception, which can be determined by turning the equipment off and on, the user is encouraged to try to correct the interference by one or more of the following measures:
- Reorient or relocate the receiving antenna.
- Increase the separation between the equipment and receiver.
- Connect the equipment into an outlet on a circuit different from that to which the receiver is connected.
- Consult the dealer or an experienced radio/TV technician for help.
Warranty
Dear customers, as this warranty card is an important certificate to apply for our maintenance service, please fill in the following form in coordination with the seller and safe-keep it. Thank you!
| Product Information | Model | Product Code Number |
| Customer Information | Name | Contact Number |
| Address | ||
| Seller Information | Name | |
| Contact Number | ||
| Address | ||
| Date of Sale | ||
| Note: | ||
Applicable Products
The document applies to the products listed on the Product Maintenance information (see below for further information). Other products or accessories (e.g. promotional items, giveaways and additional accessories attached,etc.) are not included in this warranty scope.
Warranty Period
The warranty period of products and accessories is implemented according to the relevant Product Maintenance information. The warranty period is calculated from the day(purchase date) when the product is bought for the first time, And the purchase date is considered as the date registered on the warranty card when buying the product.
How to Get the Maintenance Service
If maintenance service is needed, you can directly contact the product distributor or authorized service institutions. You can also contact the Godox after-sale service call and we will offer you service. When applying for maintenance service, you should provide valid warranty card. If you cannot provide valid warranty card, we may offer you maintenance service once confirmed that the product or accessory is involved in the maintenance scope, but that shall not be considered as our obligation.
Inapplicable Cases
The guarantee and service offered by this document are not applicable in the following cases:
- The product or accessory has expired its warranty period;
- Breakage or damage caused by inappropriate usage, maintenance or preservation, such as improper packing, improper usage, improper plugging in/out external equipment, falling off or squeezing by external force, contacting or exposing to the improper temperature, solvent, acid, base, flooding and damp environments, etc;
- Breakage or damage caused by non-authorized institution or staff in the process of installation, maintenance, alternation, addition and detachment;
- The original identifying information of product or accessory is modified, alternated, or removed;
- No valid warranty card;
- Breakage or damage caused by using illegally authorized, nonstandard or non-public released software;
- Breakage or damage caused by force majeure or accident;
- Breakage or damage that could not be attributed to the product itself. Once met these situations above, you should seek solutions from the related responsible parties and Godox assumes no responsibility. The damage caused by parts, accessories and software that beyond the warranty period or scope is not included in our maintenance scope. The normal discoloration, abrasion and consumption are not the breakage within the maintenance scope.
Maintenance and Service Support Information
The warranty period and service types of products are implemented according to the following Product Maintenance Information:
| Product Type | Name | Maintenance Period(month) | Warranty Service Type |
| Parts | Circuit Board | 12 | Customer sends the product to designated site |
| Battery | 3 | Customer sends the product to designated site | |
| Electrical parts e.g.battery charger, power cord, sync cable, etc. | 12 | Customer sends the product to designated site | |
| Other Items | Flash tube, modeling lamp, lamp body, lamp cover, lockingdevice, package, etc. | No | Without warranty |
Godox After-sale Service Call 0755-29609320-8062





























