

EasyIO FW-14 V3 – Instruction Manual
Installation Guide on typical industrial 35mm DIN rail
![]() | ![]() |
| Pull to Unlock the Clip | Push to lock clip |
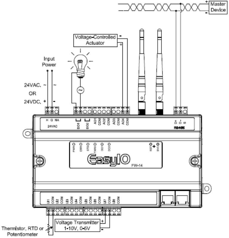
Wiring Guide
WARNING: Class 2 Devices Wiring Only – Do Not Reclassify and Install as Class 1, 3 or Power and Lighting Wiring
DO1 ~ DO2 is a voltage-free contact. The external power source is needed either 24 Vac or 24 Vdc.

Input Rating (UL Listing)
| Type | Rating | Terminal |
| Supply | 24Vac(+/-5%), 20VA; 24Vdc(+15%/-15%), 15VA, Class 2 | H (Vcc), G (Ground) |
| Universal Inputs | Voltage: 0-10 Vdc Class 2; Resistance: 500-500K Ohms | UI1 ~ 8 and COM (8 sets) |
Output Rating (UL Listing)
| Type | Rating | Terminal |
| Digital Outputs (SPST N.O. dry contact) | 24 Vac, 0.5 A pilot duty, Class 2; 24 Vac, 2 A General Purpose, Class 2; 24 Vdc, 2 A, Class 2; 24 Vdc, 0.5 A pilot duty,Class 2 | DO1 ~ 2 (pair) |
| Universal Output | Voltage: 0-10V, Class 2 | AO1 ~ 4 and COM (4 sets) |
Communication (UL Listing)
| Type | Rating | Terminal |
| EIA/RS-485 | Class 2 | D+, D-, S |
| Ethernet Ports (2) | Class 2 | ENET0, ENET1 |
Wireless Rating
| Description | Details | Remarks |
| Standard | IEEE 802.11 | |
| Band | b/g/n | |
| Frequency Range | 2412 MHz ~ 2462 MHz | |
| Antenna | 2dBi Dipole | |
| Transmission Power | 16.6 dBm EIRP |
Regulatory
UL 916 Energy Management Equipment
FCC Class B, Part 15, Subpart C 15.247
CE Compliance
The Equipment named above is confirmed to comply with the requirements set out in the European Council Directive on the Approximation of the Laws of the Member States relating to 2014/53/EU (RED)
The equipment passed the following test which was performed according to the following European standards:
EN 300 328 V2.2.2
EN 301 489-1 V2.2.3
EN 301 489-17 V3.2.4
EN 62311: 2008
FCC Statement
Federal Communication Commission Interference Statement
This equipment has been tested and found to comply with the limits for a Class B digital device, pursuant to Part 15 of the FCC Rules. These limits are designed to provide reasonable protection against harmful interference in a residential installation. This equipment generates, uses, and can radiate radio frequency energy and, if not installed and used in accordance with the instructions, may cause harmful interference to radio communications. However, there is no guarantee that interference will not occur in a particular installation. If this equipment does cause harmful interference to radio or television reception, which can be determined by turning the equipment off and on, the user is encouraged to try to correct the interference by one or more of the following measures:
- Reorient or relocate the receiving antenna.
- Increase the separation between the equipment and receiver.
- Connect the equipment into an outlet on a circuit different from that to which the receiver is connected.
- Consult the dealer or an experienced radio/TV technician for help.
FCC Caution:
This device complies with Part 15 of the FCC Rules. Operation is subject to the following two conditions: (1) This device may not cause harmful interference, and (2) this device must accept any interference received, including interference that may cause undesired operation.
Non-modification Statement:
Changes or modifications not expressly approved by the party responsible for compliance could void the user’s authority to operate the equipment.
Radiation Exposure Statement
This equipment complies with FCC radiation exposure limits set forth for an uncontrolled environment. This equipment should be installed and operated with a minimum distance of 20cm between the radiator and your body.



















