WISeNeT XRN-6410DB4 Network Video Recorder

OVERVIEW
Important Safety Instructions
Read these operating instructions carefully before using the unit.
Follow all the safety instructions listed below.
Keep these operating instructions handy for future reference.
- Read these instructions.
- Keep these instructions.
- Heed all warnings.
- Follow all instructions.
- Do not use this apparatus near water.
- Clean the contaminated area on the product surface with a soft, dry cloth or a damp cloth. (Do not use a detergent or cosmetic products that contain alcohol, solvents or surfactants or oil constituents as they may deform or cause damage to the product.)
- Do not block any ventilation openings, Install in accordance with the manufacturer’s instructions.
- Do not install near any heat sources such as radiators, heat registers, stoves, or other apparatus (including amplifiers) that produce heat.
- Do not defeat the safety purpose of the polarized or grounding- type plug. A polarized plug has two blades with one wider than the other. A grounding type plug has two blades and a third grounding prong.
The wide blade or the third prong are provided for your safety. if the provided plug does not fit into your outlet, consult an electrician for replacement of the obsolete outlet. - Protect the power cord from being walked on or pinched particularly at plugs, convenience receptacles, and the point where they exit from the apparatus.
- Only use attachments/accessories specified by the manufacturer.
- Use only with the cart, stand, tripod, bracket, or table specified by the manufacturer, or sold with the apparatus. When a cart is used, use caution when moving the cart/ apparatus combination to avoid injury from tip-over.
- Unplug this apparatus during lightning storms or when unused for long periods of time.
- Refer all servicing to qualified service personnel. Servicing is required when the apparatus has been damaged in any way, such as power-supply cord or plug is damaged, liquid has been spilled or objects have fallen into the apparatus, the apparatus has been exposed to rain or moisture, does not operate normally, or has been dropped.

Standards Approvals
![]()
Any changes or modifications in construction of this device which are not expressly approved by the party responsible for compliance could void the user’s authority to operate the equipment.
This device complies with part 15 of the FCC Rules. Operation is subject to the following two conditions: (1) This device may not cause harmful interference, and (2) this device must accept any interference received, including interference that may cause undesired operation.- This equipment has been tested and found to comply with the limits for a Class A digital device, pursuant to part 15 of the FCC Rules. These limits are designed to provide reasonable protection against harmful interference when the equipment is operated in a commercial environment. This equipment generates, uses, and can radiate radio frequency energy and, if not installed and used in accordance with the instruction manual, may cause harmful interference to radio communications. Operation of this equipment in a residential area is likely to cause harmful interference in which case the user will be required to correct the interference at his own expense.
- Reorient or relocate the receiving antenna.
- Increase the separation between the equipment and receiver.
- Connect the equipment into an outlet on a circuit different from that to which the receiver is connected.
- Consult the dealer or an experienced radio/TV technician for help.
Before Start
This manual provides operational information necessary for using the product and contains a description about each component part and its function as well as menu or network settings. You have to keep in mind the following notices :
- Hanwha Techwin retains the copyright on this manual.
- This manual cannot be copied without Hanwha Techwin’s prior written approval.
- We are not liable for any or all losses to the product incurred by your use of non-standard product or violation of instructions mentioned in this manual.
- Prior to opening the case, please consult a qualified technician first. Whenever this is needed power must be removed from the unit.
- Before adding a hard disk drive or external storage (USB memory, USB HDD, etc), check if it is compliant with this product. For the compatibility list, contact the retailer.
Warning
Battery
It is essential that when changing the battery in the unit, the replacement battery must be of the same type otherwise there may be a possibility of an explosion.
The following are the specifications of the battery you are using now.
- Normal voltage : 3V
- Normal capacity : 210mAh
- Continuous standard load : 0.4mA
- Operating temperature : -20°C ~ +60°C (-4°F ~ +140°F).
| CALIFORNIA USA ONLY This Perchlorate warning applies only to primary CR (Manganese Dioxide) Lithium coin cells in the product sold or distributed ONLY in California USA. “Perchlorate Material – special handling may apply, See www.dtsc.ca.gov/hazardouswaste/perchlorate. |
CAUTION
- Connect the power cord into a grounded outlet.
- The Mains plug is used as a disconnect device and shall stay readily operable at any time.
- When the HDD reaches its end of life, the stored video data may be damaged, and not be able to be recovered.
- The HDD status LED on the front of the system continuously blinks to indicate that the system’s connection to the HDD is normal. Check the HDD status LED regularly to see if it blinks continuously. Recording may not be possible when there is an HDD failure.
Periodically check the recording status and backup important data regularly. - Batteries shall not be exposed to excessive heat such as sunshine, fire or the like.
- RISK OF EXPLOSION IF BATTERY IS REPLACED BY AN INCORRECT TYPE. DISPOSE OF USED BATTERIES ACCORDING TO THE INSTRUCTIONS.
- Do not ingest battery, Chemical Burn Hazard.
- This product contains a coin / button cell battery. If the coin / button cell battery is swallowed, it can cause severe internal burns in just 2 hours and can lead to death.
- Keep new and used batteries away from children. If the battery compartment does not close securely, stop using the product and keep it away from children. If you think batteries might have been swallowed or placed inside any part or the body, seek immediate medical attention.
System Shutdown
Turning off the power while the product is in operation, or undertaking improper actions may cause damage or malfunction to the hard drive or the product.
Press <OK> on the system shutdown popup window and then remove the power cable to ensure a safe power off.
You may want to install a UPS system for safe operation in order to prevent damage caused by an unexpected power stoppage. (Any questions concerning UPS, consult your UPS retailer.)
If powered off abnormally, restarting may take more time for restoring data from hard disk drive for proper operation.
Operating Temperature
The guaranteed operating temperature range of this product is 0°C ~ 40°C (32°F ~ 104°F).
This product may not work properly if you run right after a long period of storage at a temperature below the guaranteed one.
Prior to using a device that has been stored for a long period in low temperatures, allow the product to stand at room temperature for a period.
Especially for the built-in HDD in the product, its guaranteed temperature range is 5°C ~ 55°C (41°F ~ 131°F).
Likewise, the hard drive may not work at a temperature below the guaranteed one.
Ethernet Port
This equipment is in door use and all the communication wirings are limited to inside of the building.
Security Precautions
The initial administrator ID is “admin” and the password should be set when logging in for the first time.
Please change your password every three months to safely protect personal information and to prevent the damage of the information theft.
Please, take note that it’s a user’s responsibility for the security and any other problems caused by mismanaging a password.
Products supporting each feature
Function | Products |
| Fan | XRN-6410DB4/XRN-6410B4/XRN-3210B4/PRN-6410DB4/PRN-6410B4/PRN-3210B4 |
| P2P | XRN-6410DB4/XRN-6410B4/XRN-3210B4/PRN-6410DB4/PRN-6410B4/PRN-3210B4 |
| Alarm | XRN-6410DB4/XRN-6410B4/XRN-3210B4/PRN-6410DB4/PRN-6410B4/PRN-3210B4 |
| RAID | XRN-6410DB4/XRN-6410B4/XRN-3210B4/PRN-6410DB4/PRN-6410B4/PRN-3210B4 |
| Distributed recording | XRN-6410DB4/XRN-6410B4/XRN-3210B4/PRN-6410DB4/PRN-6410B4/PRN-3210B4 |
| iSCSI | XRN-6410DB4/XRN-6410B4/XRN-3210B4/PRN-6410DB4/PRN-6410B4/PRN-3210B4 |
| AI recognition function | PRN-6410DB4/PRN-6410B4/PRN-3210B4 |
| AI compatible function | XRN-6410DB4/XRN-6410B4/XRN-3210B4/PRN-6410DB4/PRN-6410B4/PRN-3210B4 |
| Joystick | XRN-6410DB4/XRN-6410B4/XRN-3210B4/PRN-6410DB4/PRN-6410B4/PRN-3210B4 |
| Extended monitor | XRN-6410DB4/XRN-6410B4/XRN-3210B4/PRN-6410DB4/PRN-6410B4/PRN-3210B4 |
| Power supply redundancy | XRN-6410DB4/PRN-6410DB4 |
| Failover | XRN-6410DB4/XRN-6410B4/XRN-3210B4/PRN-6410DB4/PRN-6410B4/PRN-3210B4 |
Features
The product records video and audio from network cameras to a hard disk, and enables playback from the hard disk.
It also provides remote monitoring environment for video and audio over the network using a remote computer.
- Provides AI function (Wisenet Non-AI P/X series camera, X Lite excluded)
- Provides AI face recognition function (when using Wisenet AI camera)
- Provides AI vehicle license plate recognition function
- Can be linked to AI camera
- Supports AI search (Person, Face, Vehicle, License Plate)
- Supports BestShot view
- Provides new UI 2.0
- Supports instant viewer
- Bookmark function
- Thumbnail function
- View camera event list in real time
- Convenient event rule setup
- Various sequence (layout, page) functions
- Extended search period
- Convenient log search
- Supports thermal imaging camera/PTZ linked camera
- Supports a range of 4K camera resolutions
- Outputs a 4K high definition image using HDMI
- Supports dual monitor output (expand, duplicate)
- Record and play video
- Record and play audio
- Supports ONVIF Profile S standard and RTP / RTSP protocols
- Display the HDD operation status by HDD SMART
- HDD overwrite enabled
- Function to export using USB memory and external hard disk
- Simultaneous play of 32, 64 channels
- View multi-channel time line when playing videos
- Various Search Modes (Time, Event, Smart, Text, Export, ARB)
- ARB support (configuration feature for saving period by channel)
- Various recording modes (Normal, Event, Scheduled Recording)
- Alarm Input / Output
- Remote monitoring function by Windows Network Viewer
- Live monitoring of the network camera
- Installation Wizard Function (Recorder, Web Viewer)
- Supports the remote monitoring feature by DDNS/P2P support (Wisenet Viewer/Wisenet mobile)
- Provides smartphone event alarm (sending real-time event messages).
Package Contents
Please unwrap the product, and place the product on a flat place or in the place to be installed.
Please check the following contents are included in addition to the main unit.
- Recorder

- Mouse

- Quick Guide

- Power Cable (2 ea)
(XRN-6410DB4/PRN-6410DB4)
- Power Cable (1 ea)
(XRN-6410B4/XRN-3210B4/
PRN-6410B4/PRN-3210B4)
- Terminal Block

- Front Cover Lock Key

- HDD Fixing Screw

- Anti-slip Rubber Pad

- Hard Disk Number Sticker

Part Names and Functions (Front)

Name | Functions | |
| Power | It is used to turn on the power. |
| HDD door lock key | This is a locking device used to restrict access to the HDD. Use the product key provided when you purchased the product. |
| Hard disk location display | Displays the location where the hard disk is mounted. |
| USB | Connects the USB devices. (500mA current limit, USB 2.0) |
5
| LED Indicator | POWER : Shows the power ON/OFF status. |
| NETWORK : Displays both network connection and data transfer status. | ||
HDD : Displays the operation status of the hard disk.
| ||
| RECORD : Lights on when recording is in progress. | ||
| BACKUP : The LED will light up when the Export Recorded Video is in operation. | ||
| ALARM : Lights on when an event occurs. | ||
6
| Individual LED lamp of the hard disk | You can check the operation status of each hard disk by opening the front cover of the recorder.
|
Front dust filter
There is a dust filter mounted inside the front cover. Dust in the filter can cause airflow problems, which may increase the temperature of the recorder and hard disk. Clean the dust filter regularly.

Part Names and Functions (Rear)
XRN-6410DB4/PRN-6410DB4

XRN-6410DB4/PRN-6410DB4

Name | Functions | |
1 | Power | Terminal to connect power to. (XRN-6410DB4/PRN-6410DB4)
|
| Power/Power Switch | A terminal to connect the power and a switch to turn the power on and off. (XRN-6410B4/XRN-3210B4/PRN-6410B4/PRN-3210B4) | |
| AUDIO OUT | Audio signal output port. |
| HDMI 1, 2 | HDMI connector port.
|
| USB | Connects the USB devices. (USB 3.0 supported) |
| NETWORK 1 | Port for camera connections; it receives video from a camera. |
| NETWORK 3 | Port to make a connection to the external iSCSI. |
| NETWORK 2 | Port recommended for connection with a network, web viewer. |
| ALARM |
|
When connecting the AC power cord or turning on the power switch, there may be a luminous (light) phenomenon inside the SMPS.
This phenomenon is the normal operation of the SMPS protection element.- CONSOLE is designed for the service repair purpose only.
INSTALLATION
Please take note of the followings before using this product.
- Do not use the product outdoor.
- Do not spill water or liquid in the connection part of the product.
- Do not impose the system to excessive shock or force.
- Do not pull out the power plug forcefully.
- Do not disassemble the product on your own.
- Do not exceed the rated input/output range.
- Use a certified power cord only.
- For the product with an input ground, use a grounded power plug.
Depending on the hard disk configuration and the surrounding temperature, there may be some noise from the product.
Checking the Installation Environment
This product is a top-notch security device that is equipped with a high-capacity HDD and other key circuit boards.
Note that an excessive internal temperature of the product may cause a system failure or a shortened product life (see the right figure). Keep in mind the following instructions before installing the product.

When mounting the product on a rack, comply with the following instructions.
- Please ensure that the rack inside is not sealed.
- Please ensure the air is circulated through the inlet/outlet as shown in the picture.
- If you pile up the products or other rack-mount devices as shown in figure 2, secure room for ventilation or install a vent.


- For natural air convection, place the inlet at the bottom of the rack and the outlet on top.
- It is strongly recommended that a fan motor is installed at the inlet and the outlet for air
circulation. (Please fit a filter at the inlet to screen dust or foreign substances.) - It is recommended to keep the temperature inside the rack or around the product at 25°C.
Rack Mount Instructions – The following or similar rack-mount instructions are included with
the installation instructions :
A) Elevated Operating Ambient – If installed in a closed or multi-unit rack assembly, the operating ambient temperature of the rack environment may be greater than room ambient. Therefore, consideration should be given to installing the equipment in an environment compatible with the maximum ambient temperature (Tma) specified by the manufacturer.
B) Reduced Air Flow – Installation of the equipment in a rack should be such that the amount of air flow required for safe operation of the equipment is not compromised.
C) Mechanical Loading – Mounting of the equipment in the rack should be such that a hazardous condition is not achieved due to uneven mechanical loading.
D) Circuit Overloading – Consideration should be given to the connection of the equipment to the supply circuit and the effect that overloading of the circuits might have on overcurrent protection and supply wiring. Appropriate consideration of equipment nameplate ratings should be used when addressing this concern.
E) Reliable Earthing – Reliable earthing of rack-mounted equipment should be maintained. Particular attention should be given to supply connections other than direct connections to the branch circuit (e.g. use of power strips).
Installing the Rack
Rack installation requirements and reference dimensions
Classification | Requirements |
Rack type | 19-inch rack of EIA-310-D standard |
POST count | 4 |
POST distance | Depth 800 mm |
Dimensions of mounting flange

- Notable dimensions
Index | Dimension |
A | 450 mm (17.717 inches) min. |
B | 465 mm (18.307 inches) nominal |
C | 483.4 mm (19.031 inches) min. |
- Flange mounting holes (square holes are recommended for XRN-6410/PRN-6410 series)
While EIA-310-D standard allows the mounting flange holes to be round, square, or tapped (threaded), the XRN-6410/PRN-6410 series is only designed to work with round or square holes, but not tapped holes.
- Square mounting holes

Recommended rack dimensions

Index | Dimension | Description |
A | 28 mm | Recorder front dimension |
B | 560 mm | Recorder product dimension |
C | 51 mm | Offset distance between mounting flange and rack front |
D | 617~730 mm | Offset distance between mounting flanges |
E | 800 mm | Rack depth |
Precautions when selecting shelves
To prevent any problem while installing the recorder, make sure to select a structure where the bottom of the product is mounted.

For installation stability, fixed shelf dedicated to 19-inch rack that supports the load of at least 30 kg is recommended.
- A shelf needs to be secured with at least 4 screws.

Precautions when using sliding shelves
When removing a shelf, fix the rack to the ground so that it does not get toppled.

When sliding in/out the shelf, be careful not to drop the product.

Avoid leaning on the installed product or place an object on it while its shelf is pulled out.

Use a shelf that supports the load of at least 30 kg while it is pulled out, and ensure that there is no deformation n the rail part while in use.

How to install rack
- Mount the fixed or sliding shelf onto the 19-inch rack.
• See the manual provided by the manufacturer for installing the fixed shelf.
- Place the recorder on the shelf and push it until the left/right fixing holes of the recorder align with the mounting flange holes of the 19-inch rack.
• Cage nuts must be assembled in the mounting flange holes of the 19-inch rack.
- Insert the screws in the left/right fixing holes of the recorder to secure the recorder.
• Fixing nuts and cage nuts for the recorder are not shipped with the product. They are separately sold at the place where you purchased the shelf or rack.
(M6 nuts and cage nuts of head size equal to 12 mm or less are recommended.)
Installing the HDD
Make sure to unplug the power cord from the wall outlet to prevent possible electric shock, injury or product damage.
Please consult your provider for further information on HDD installation since improper installation or settings may damage the product.
- Number of HDDs supported : Max. 16 EA
- Make sure to unplug the power cord from the wall outlet before proceeding with the installation.
Cautions for data loss (HDD care)
Please pay attention so that the data inside the HDD is not damaged.
Before adding a HDD, please check the compatibility with this product.
HDD is vulnerable to malfunction due to its sensitive nature especially against shock when operating. Please ensure that the HDD is free from such shock.
We are not liable for any damage to the HDD incurred by user’s carelessness or miss use.- Cases might cause damage to HDD or recorded data
To minimize the risk of data loss from a damaged HDD, please backup data as often as possible.
If exposed to shock when disassembling or installing, data stored in the hard disk may be damaged.
A sudden power failure or turning off the product while in HDD operation may damage the hard disk drive.
HDD or files stored inside may be damaged if the main body is moved or impacted during the HDD operation.
Cautions when installing a HDD
- Do not apply excessive force to the HDD.
- Pay attention so as not to lose the disassembly screws or accessories.
• If the screws or accessories are not put together correctly, the product may breakdown or not operate properly. - Please check the HDD compatibility before adding a HDD.
• Please contact your nearest dealer to obtain the list of compatible devices. - If you wish to replace or add an HDD, contact your dealer or our customer service first.
• The front cover can only be opened through the product manager.
Installing the HDD
If you are adding a new or previously used HDD to this product in addition to the HDD(s) originally installed, format the new HDD manually in the set before use.
To learn how to format, see “Device/Format” in the User Manual.
- Use the front cover lock key to unlock the cover. Grab the front cover with both hands and pull it to the left to remove it.

- Press the orange button on the hard disk bracket to the left and pull forward to separate the main body and the hard disk bracket.

- Mount a HDD in the HDD bracket and screw it in using the screws provided.

- Once the HDD is mounted in the bracket, push the bracket into the main body and close the front cover.
• Fit the front cover into the right notch of the main body, then press and close until you hear a ‘click’.
• Use the front cover lock key to lock the front cover so that it does not get separated.
CONNECTING WITH OTHER DEVICE
Connecting to an External Device
- The following figures are based on Model XRN-6410DB4.

Unrated or improper power source may cause damage to the system. Ensure that you use only the rated power source before pressing the POWER button.
Connecting the USB
- On the front of the product, there is a USB port.
- You can connect a USB HDD, USB memory or mouse to the USB port.
- If your USB HDD is connected to the system, it can be detected and set up by following the steps in “Setup > Setting the Device > Storage Device” of the User Manual.
- The product supports hot plugging function that enables connecting/disconnecting USB devices while in operating the system.
- If the USB device for Export Recorded Video is not formatted in the recorder, format it as FAT32 on the PC.
- Some USB devices may fail to function properly due to compatibility issue, please check the device before using.
- Only USB storage devices that comply with the standards (having a metal cover) are guaranteed for data transfer.
- In case if the USB device’s electric contacts have been worn out, data transfer between the devices may not properly function.

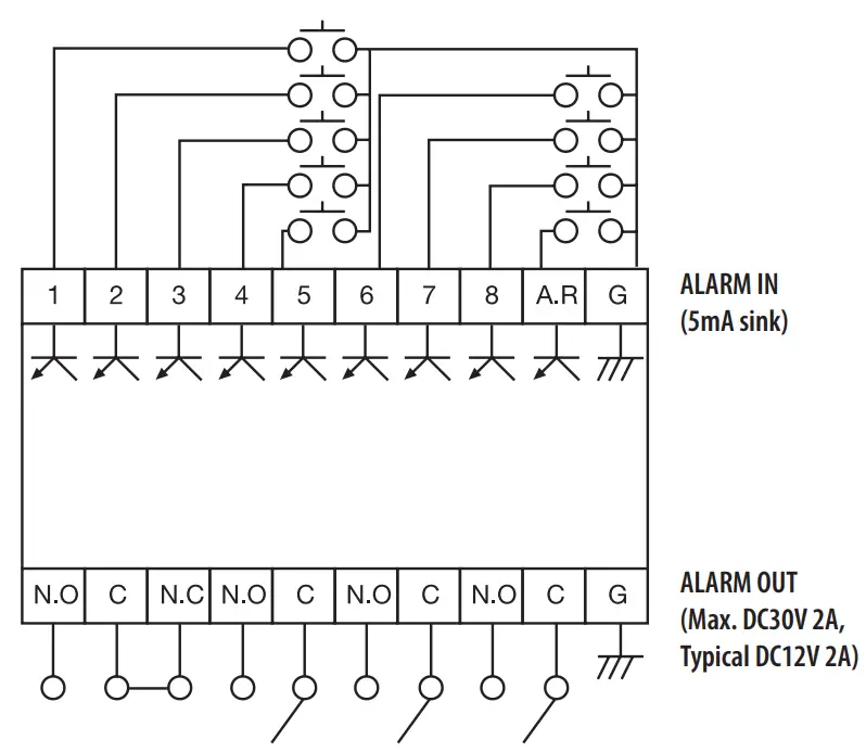
Connecting the Alarm Input/Output
The Alarm In/Out port at the back is composed of the following.

- ALARM IN 1 ~ 8 : Alarm Input Port
- ALARM RESET : On receiving an Alarm Reset signal, the system cancels the current Alarm Input and resumes sensing.
- ALARM OUT 1 ~ 4 : Alarm Output Port.

Connecting the Network
For more information about network connection, see “Setting the Network” in the User Manual.
Network connection via Ethernet (10/100/1000BaseT)

Network connection via Ethernet (10/100/1000BaseT)

Connecting the iSCSI
Directly connecting to the Recorder

A switch can be used for connection

Use only switches that are designed exclusively for iSCSI.
Hanwha Techwin cares for the environment at all product manufacturing stages, and is taking measures to provide customers with more environmentally friendly products.The Eco mark represents Hanwha Techwin’s devotion to creating environmentally friendly products, and indicates that the product satisfies the EU RoHS Directive. |
Correct Disposal of This Product (Waste Electrical & Electronic Equipment) (Applicable in the European Union and other European countries .with separate collection systems)This marking on the product, accessories or literature indicates that the product and its electronic accessories (e.g. charger, headset, USB cable) should not be disposed of with other household waste at the end of their working life. To prevent possible harm to the environment or human health from uncontrolled waste disposal, please separate these items from other types of waste and recycle them responsibly to promote the sustainable reuse of material resources. Household users should contact either the retailer where they purchased this product, or their local government office, for details of where and how they can take these items for environmentally safe recycling. Business users should contact their supplier and check the terms and conditions of the purchase contract. This product and its electronic accessories should not be mixed with other commercial wastes for disposal. |
Correct disposal of batteries in this product(Applicable in the European Union and other European countries with separate battery return systems.) This marking on the battery, manual or packaging indicates that the batteries in this product should not be disposed of with other household waste at the end of their working life. Where marked, the chemical symbols Hg, Cd or Pb indicate that the battery contains mercury, cadmium or lead above the reference levels in EC Directive 2006/66. If batteries are not properly disposed of, these substances can cause harm to human health or the environment. To protect natural resources and to promote material reuse, please separate batteries from other types of waste and recycle them through your local, free battery return system. |
Network Video Recorder
Product Specification Manual
Copyright
©2020 Hanwha Techwin Co., Ltd. All rights reserved.
Trademark
Each of trademarks herein is registered. The name of this product and other trademarks mentioned in this manual are the registered trademark of their respective company.
Restriction
Copyright of this document is reserved. Under no circumstances, this document shall be reproduced, distributed or changed, partially or wholly, without formal authorization.
Disclaimer
Hanwha Techwin makes the best to verify the integrity and correctness of the contents in this document, but no formal guarantee shall be provided. Use of this document and the subsequent results shall be entirely on the user’s own responsibility. Hanwha Techwin reserves the right to change the contents of this document without prior notice.
❖Design and specifications are subject to change without prior notice.
You can download the latest version from the Hanwha Techwin web site. (www.hanwha-security.com)
❖The initial administrator ID is “admin” and the password should be set when logging in for the first time. Please change your password every three months to safely protect personal information and to prevent the damage of the information theft.
Please, take note that it’s a user’s responsibility for the security and any other problems caused by mismanaging a password.


























Hanwha Techwin cares for the environment at all product manufacturing stages, and is taking measures to provide customers with more environmentally friendly products.
Correct Disposal of This Product (Waste Electrical & Electronic Equipment) (Applicable in the European Union and other European countries .with separate collection systems)
Correct disposal of batteries in this product


















