GSA610 High-Speed Contact Grill
Instruction Manual
![]() | |
| MECHANICALLY CONTROLLED DEVICES GSA610 Version 4 GSA810, GSA815 Version 3 | ELECTRONICALLY CONTROLLED DEVICES GSA610SE Version 1 GSA810SE, GSA815SE Version 1 |
PRODUCT FEATURES
- High Temperature Capacity
- Timer Alarm
- Advanced Control Safety Systems
- Embedded Elements for Rapid Heating
- Fast Recovery & Maximum Life
- High Quality, Rapid Heating Aluminium
- Non-Stick Coating (T Series)
SPECIFICATIONS
| Model | Power (230V) | W | D | H | Kg |
| GSA610 | 2200W | 435 | 490 | 228 | 17.3 |
| GSA810 | 2300W | 560 | 490 | 228 | 23 |
| GSA815 | 2990W | 560 | 490 | 228 | 23 |
| GSA610SE | 2200W | 435 | 490 | 248 | 17.3 |
| GSA810SE | 2300W | 560 | 490 | 248 | 23 |
| GSA815SE | 2990W | 560 | 490 | 248 | 23 |
PARTS INCLUDED
- Grill Station (appropriate model)
- ‘T’ models include non-stick coating
- ‘E’ models include an electronic timer
- Grease Box
- Nylon Spatula
- This Instruction Manual
Any damage to the appliance as a result of freight must be reported to the freight company and to the agent responsible for the despatch within 24 hours of receipt. No claims will be accepted after this period.
SAFETY INSTRUCTIONS
Read all instructions and safety warnings prior to use. Keep user manual for future reference.
Service and repairs should only be performed by qualified technicians who have read and understood this manual.
Personnel must be trained prior to operate this appliance.
This product is suitable for commercial use only.
This appliance should not be operated by persons (including children) with reduced physical, sensory or mental capabilities, or lack of experience or knowledge unless they have been given supervision or instruction concerning the safe use of the appliance by a person responsible for their safety.
Keep out of reach from children.
Avoid contact with the exterior of this appliance as surfaces can get hot.
Do not position appliances where hot surfaces may be accidentally touched.
The appliance should be disconnected from all power and allowed to cool before cleaning or servicing.
Regularly inspect the electrical supply cord and plug and discontinue use immediately if the damage is found. Return to the manufacturer or authorized repairer for repair prior to use.
This appliance contains non-user-serviceable parts. Roband Australia, one of our agents, or a similarly qualified person(s) should carry out repairs.
Steel cutting technology used in the manufacturing of this unit can create sharp edges. Care must be taken when handling the unit during servicing, cleaning, and maintenance.
Keep the cord away from heated surfaces.
Do not remove any cover panels from the appliance.
Hot surfaces must be well-ventilated with a minimum 100mm clearance around the Grill Station.
No part of this unit is dishwasher safe.
Do not pour cold water or ice on the unit if the plates are at medium to high temperatures. This may cause the plates to buckle from the sudden change in temperature.
Roband® will accept no liability if:
- Non-authorized personnel have tampered with the appliance
- The instructions in this manual have not been followed
- Non-original spare parts are used There is any damage to the unit caused by operator error
Hot surfaces must be well-ventilated with a minimum 100mm clearance around the Grill Station.
No part of this unit is dishwasher safe.
Do not pour cold water or ice on the unit if the plates are at medium to high temperatures.
This may cause the plates to buckle from the sudden change in temperature.
Roband® will accept no liability if:
- Non-authorized personnel have tampered with the appliance
- The instructions in this manual have not been followed
- Non-original spare parts are used
- There is any damage to the unit caused by operator error
COMPLIANCE
Roband® products have been designed and manufactured to comply with any and all specifications set out by the Australian Communications & Media Authority (ACMA) in regard to Electromagnetic Compatibility.
Roband® products bear the following compliance symbols:
- CE (European Standards)
- RCM (Regulatory Compliance Mark)
CLEANING & MAINTENANCE
CAUTION: Disconnect from power and allow to cool before cleaning.
Season unit prior to use, refer to page 6.
Do not clean with the use of a water jet or immerse in water.
Do not use caustic or abrasive cleaning products as they will damage the appliance.
Wipe all surfaces of the appliance with warm soapy water using a damp non-abrasive cloth.
Empty the grease tray on a daily basis or more frequently if required; wipe clean using a damp cloth with warm soapy water.
Regular cleaning will prevent a build-up of oils and keep the appliance looking new.
Never use any metal or abrasive scrubbers or cleaners on the plates of the unit.
Cooking residue should be carefully removed by gently scrubbing the plates with a nylon scrubber or scraper. Be cautious not to scrub back the plates too far (to the point the plates are shiny again) as the plates will need to be seasoned again, refer to page 6.
If plates become too difficult to clean using the above method, you may use a non-caustic oven cleaner by applying a small amount to the plates and letting is sit for no longer than 30 seconds before wiping off the cleaner. Ensure all cleaner residue is removed from the Grill Station.
Note: Only use non-caustic oven cleaner when absolutely necessary. If the oven cleaner eats into the aluminum cooking surface immediately cease using the product for cleaning the Grill Station.
NON-STICK COATED (T) SERIES
Plates should be cleaned regularly during use and at the end of each day using a soft cloth dampened with only hot soapy water, regular cleaning will prevent the build-up of food residue which leads to carbonization and can lead poor cooking performance, overheating, and damage to the non-stick coating.
Any stubborn cooking residue should be carefully removed by gently scrubbing with a Nylon scrubber or scraper. We recommend the use of Nylon scrubbers. Do not under any circumstances use any metal or abrasive scrubbers or cleaners on non-stick-coated plates.
INSTALLATION
Remove all packaging materials, tape, and any protective plastic from the appliance. Remove any glue residue from the protective plastic or tape using citrus cleaner.
Place the product on a firm, level surface in the desired position. Install at least 100mm from combustible materials and 100mm from any other appliance. If the Grill Station is to be used as a toaster it must not be placed under or near to combustible material due to the risk of the bread burning.
Do not connect to power using an extension cord.
Do not place the Grill Station above other equipment that may give off heat.
Before connecting the appliance to the power supply, ensure that all switches are in the OFF position. Connect only to an RCD-protected, grounded 3-pin outlet.
The units must be wired into an RCD (Residual Current Device) rated at no less than 30mA for circuit protection.
A minimum of 100mm clearance all around the Grill Station should be provided to ensure the proper functionality of the unit.
AUSTRALIAN MODELS
GSA610, GSA810, GSA610E, and GSA810E models should be plugged into a single phase, 10 or 15 Amp power point.
GSA815 and GSA815E models should be plugged into a single phase, 15 Amp power point.
EXPORT MODELS (-G, -F & -M)
Export models can plug into a standard 13 Amp UK (Type G), 16 Amp European (Type E or F) or South African (Type M) powerpoint.
OPERATION OF GRILL STATIONS
All Models
Selector Switch
Displays the 2 different cooking functions of the unit; Contact Grill Mode & Hotplate Mode. A green light will illuminate if either of these is selected.
Contact Grill Mode
activates both the bottom and top plates and will illuminate the amber light to the right of the switch.
Hotplate Mode
activates the bottom plate only and illuminates the amber light to the left of the switch.
Note: The amber lights will only illuminate as the plates are heating and will switch off once the temperature set by the thermostat is reached.

Thermostat
Controls the temperature of the plates as per the displayed rating. It is not necessary to turn the thermostat to “Off” when the unit is switched off.

Note: Non-stick coated units should never be set above 240°C.
Mechanically Timed Grill Stations
Models: GSA610, GSA810, GSA815
The timer is purely a mechanical device to provide an audible ring after the set time (each notation on the timer represents the number of minutes it will countdown). It provides no control over the heating of the unit.
Electronically Timed Grill Stations
Models: GSA610E, GSA810E, GSA815E
The electronically timed models have 4 individual timers, each with its own pre-set time periods. The timers provide an audible buzz after the pre-set time elapses, but do not provide any control over the heating of the unit. 
Start Button
- Press once to start the timer (countdown)
- Single press during countdown – Pause timer.
- Single press during pause – Continue timer.
- Press and hold at any time – Reset the timer to pre-programmed time.
At the end of a time sequence, the timer the display will flash and a buzzer will sound.
Press the Start key to cancel the buzzer and reset the timer.
Each timer has a separate alarm sound as follows:
- Timer 1, one beep – pause – repeating
- Timer 2, two beeps – pause – repeating
- Timer 3, three beeps – pause – repeating
- Timer 4 four beeps – pause – repeating
1.2 Entering a temporary (one cycle) time.
Up or Down
+ Start pressed simultaneously.
The time on the corresponding display starts flashing. Note minimum time setting, one second, maximum time setting, 9 minutes 59 seconds.
One press of the Up or Down
key changes the pre-set time by one second, holding the Up or Down
key down continuously adjusts the time at a faster rate. Press the Start button again to establish the new (single-use) time setting.
Press the Start button again to begin the countdown.
Changing the default pre-set time settings.
Up + Down + Start pressed simultaneously.
The time on the corresponding display starts flashing.
The time can be adjusted by using the Up or Down keys, as noted above. Press the Start button again to save the new time as the default.
Press the Start button again to begin the countdown.
ADDITIONAL INFORMATION
A short buzzer will sound to indicate a button was pressed each time any button is pressed.
If the unit is left on pause mode for 6 minutes, the unit will automatically exit pause mode and revert to the default time. The user must then manually press start again to begin the countdown.
seasoning
Seasoning is only required for units without Non-Stick Coatings. Before cooking, follow the below:
- Wipe both plates clean and apply a liberal amount of vegetable oil.
- Turn the unit onto Contact Grill Mode
& set the thermostat to 180°C. - Once the temperature is reached – carefully wipe off any excess oil.
Caution: Take care when wiping off excess oil as the plates and the oil will be hot.
COOKING
- Lightly grease or oil the plates and set the Thermostat to the desired cooking temperature.
- Adjust the selector switch to Hot Plate
or Contact Grill
mode as required. - Allow a warm-up time of around 15 minutes to pre-heat the plates before using them for the first time each day.
- Place the food on the bottom plate and close the top plate onto the food if using the Contact Grill mode.
- A timer is provided with all GS Series Grill Stations. This timer should be used as a guide only.
Warning: The timer does not turn off the heating elements when the bell sounds. Keep the lid closed when not cooking to minimize heat loss and avoid high temperatures in the handle. The thermostat can be turned down to 150°C to save power.
CAUTION
During Hotplate Mode
the heat from the bottom plate will flow upwards and warm the handle. Although it should not get too hot, care should be taken when touching the handle during and after the hotplate operation.
Additionally, when operating do not leave the plates open for extended periods while in Contact Grill Mode
because the handle will become hot to the touch.
TROUBLESHOOTING
If the Grill Station does not function check the following points before calling for service.
- The appliance is plugged in correctly and the power is switched on.
- The powerpoint is not faulty.
- The on/off switch is not in the OFF position.
- The thermostat is not set to OFF.
- The thermostat and on/off switch knob are not loose or broken, rendering the switches inoperable.
- Check ‘Circuit Protection’ regarding unwanted tripping of RCDs.
If the top plate is toasting faster than the bottom plate. - Check that there is no carbon build-up on the bottom plate. Carbon on the plates will act as an insulator and reduce toasting performance. Refer to “Cleaning Care & Maintenance”.
If the top plate is not toasting
- Check that the unit is not switched to “Hotplate mode”
.
CIRCUIT PROTECTION
Kitchen appliances must be backed up by the necessary level of circuit protection to comply with AS/NZ3000. A GSA must be cabled into a circuit backed up by a Residual Current Device (RCD), which is a protective device that automatically disconnects the live conductors of a circuit when an earth leakage current reaches a predetermined value. Australian and International Standards detail when and where RCDs are to be used in electrical installations, but common practice in many countries is to use 30mA RCDs in general commercial applications.
For commercial installations and for socket outlets providing power to commercial heating equipment, 30mA RCDs are typically unsuitable unless they are protecting only one device.
Higher-rated RCDs should’ve considered protecting multiple socket outlets, giving appropriate consideration to the type of equipment being protected.
AS/NZS3000 2.5.2 gives the following warnings that should have been taken into consideration when an RCD circuit was installed.
To avoid unwanted tripping due to leakage currents and transient disturbances, care should be taken to ensure that the sum of the leakage currents of electrical equipment on the load side of an RCD is less than 1/3 of its rated residual current.
Tubular elements reaching temperatures greater than 110°C are subject to moisture absorption and therefore earth leakage current generation.
Should the installation and use of this unit trip an RCD the unit will need to be run on a circuit without an RCD for approximately 30-60 minutes, after which time the elements should have dried out and the machine should function normally.
PARTS LIST
| DC0116 DC0117 EC0031 EC0642EC0643 ES0264 TS0020 | Left Handle Arm Right Handle Arm Terminal Block 10mm² Porcelain/Steatite, L & N marked, 10 Amp – Black – Plug & Cord (10A models only) 15 Amp – Black – Plug & Cord (15A models only) 10mm² Amber Pilot Light/O-ring 10mm² Green Pilot Light/O-ring 3 Position Rotary Switch & Knob Tension Spring (GSA6 only) Appliance Knob Tension Spring (GSA8 only) GSA Roller Bearing & Bracket Cord Clamp (10 Amp Only) Cord Clamp (15 Amp Only) Washers (⌀1/4”, ⌀1/2”, ⌀1/16”) Sintered PFTE Bush Foot & Foot Cap (4 off) Includes Bolts, Nuts & Washers Thermostat (50°-285°C) + Knob Grill Station Minimelt Spares Kit GSA6 Handle & Arms Assembly GSA8 Handle & Arms Assembly |
GSA610S/GSA610R
| HC0168 HC0184 HC0169 MS0519 SS2415 | Smooth Top Element & Plate 900W (GSA610S Only) Ribbed Top Element & Plate 900W (GSA610R Only) Bottom Element & Plate 1300W 5 Min Mechanical Timer Grease Box |
GSA810S / GSA810R
| HC0189 HC0190 HC0191 MS0519 SS2503 | Bottom Element & Plate 1410W Smooth Top Element & Plate 890W (GSA810S Only) Ribbed Top Element & Plate 890W (GSA810R Only) 5 Min Mechanical Timer Grease Box |
GSA815S/GSA815R
| HC0197 HC0198 HC0199 MS0519 SS2503 | Bottom Element & Plate 1820W Smooth Top Element & Plate 1170W (GSA815S Only) Ribbed Top Element & Plate 1170W (GSA815R Only) 5 Min Mechanical Timer Grease Box |
GSA610E/GSA810E/GSA815E
| EC0549 DC0170 NC0142 SS3173 SS3174 | Digital Timer Timer Bezel Timer Decal Grease Box (GSA610E Only) Grease Box (GSA810E & GSA815E) |
International Models – G, F & M
| EC0635 EC0644 EC0646 | 15 Amp – Plug & Cord Type F 13 Amp – Plug & Cord Type G 15 Amp – Plug & Cord Type M |
Note: for Teflon-coated plates (non-stick), add the suffix “T” to the element and plate part number e.g. HCXXXXT.
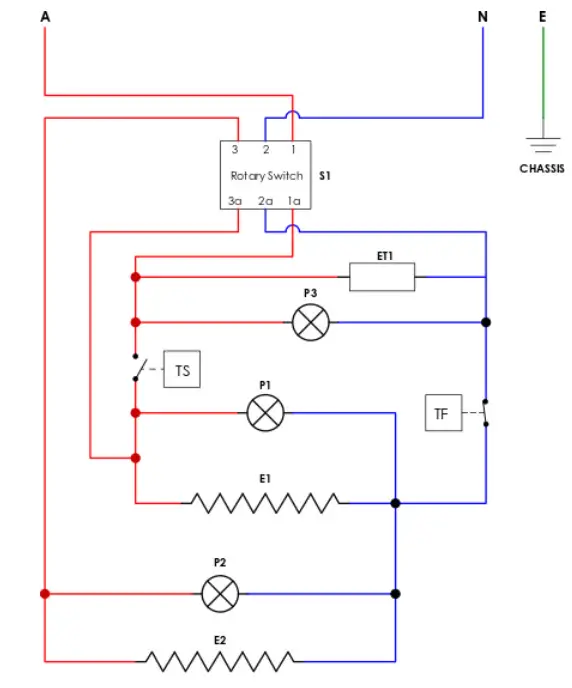
CIRCUIT DIAGRAM FOR MECHANICALLY TIMED UNITS 
| ITEM | DESCRIPTION |
| E I | BOTTOM ELEMENT HOTPLATE |
| E2 | TOP ELEMENT HOTPLATE |
| P I | BOTTOM PILOT UGHT – AMBER |
| P2 | TOP PILOT UGHT – AMBER |
| P3 | ON/OFF PILOT UGHT – GREEN |
| SI | ROTARY SWITCH |
| TF | THERMAL FUSE |
| TS | THERMOSTAT |
CIRCUIT DIAGRAM FOR ELECTRONICALLY TIMED UNITS

| ITEM | DESCRIPTION |
| El | BOTTOM ELEMENT HOTPLATE |
| E2 | TOP ELEMENT HOTPLATE |
| PI | BOTTOM PILOT LIGHT – AMBER |
| P2 | TOP PILOT LIGHT – AMBER |
| P3 | ON/OFF PILOT UGHT – GREEN |
| Si | ROTARY SWITCH |
| TF | THERMAL FUSE |
| TS | THERMOSTAT |
| ET 1 | ELECTRONIC TIMER |
Special Note: These circuit diagrams have been provided for reference and to assist qualified service and repair agents only. Under no circumstances should persons not suitably qualified attempt repairs to any electrical equipment.
(Record any preferred times or settings etc. here to act as a quick reference for other users)
WARRANTY
The warranty conditions set out below are in addition to any warranties implied or governed by law.
Roband Australia warrants that this appliance shall be delivered free from defects in material and workmanship. The warranty for this product is offered to the original purchaser, to be free of fault in both workmanship and materials for a period of 12 months from the date of purchase. Roband’s obligations pursuant to this warranty are limited to the repair or replacement of the defective goods or materials, at its discretion and subject to the terms contained within this Warranty statement.
The following conditions apply:
The product must be installed, maintained, and used under normal operating conditions within the scope of the operating instructions.
All warranty claims must be submitted to Roband or an authorized Roband dealer, and Roband’s authorisation must be granted prior to repairs being carried out. Proof of purchase is required for any repair authorization.
The warranty is back to base, meaning delivery to and collection of your product to Roband or an authorized service agent is the responsibility of the purchaser.
Where a product cannot be returned back to the base, the on-site warranty can be arranged by prior agreement.
The following exclusions apply:
Claims or faults arising from misuse, neglect, transport damage or other mechanical damage, including but not limited to; doors, hinges & interlock switches, etc., other than those arising from manufacture or material defects. Where relevant, glass, Teflon®, and lamps are not included in this warranty and RCD tripping due to moisture absorption by Tubular Heating Elements is not a warranty fault.
Roband or any subsidiary company or Agent shall not be liable for loss of profit or damage to other equipment and property except where it is in breach of the guarantees provided in accordance with applicable legislation.
Roband reserves the right to reject a warranty claim if it is not satisfied with the circumstances under which the fault occurred or where a product has been altered from its original specification.
For on-site repairs outside of capital city metropolitan areas, travel costs, service callout fees, and related labor costs, etc. are the responsibility of the claimant.
Any costs incurred for false claims or faults due to incorrect usage etc. are the responsibility of the claimant.
Any attempt to repair the product by non-Roband-approved service personnel or the use of non-genuine parts will void the warranty agreement Our goods come with guarantees that cannot be excluded under the Australian Consumer Law. You are entitled to a replacement or refund for a major failure and compensation for any other reasonably foreseeable loss or damage. You are also entitled to have the goods repaired or replaced if the goods fail to be of acceptable quality and the failure does not amount to a major failure.
For the name of your nearest Australian authorised service agent, please contact:
Roband Australia Pty Ltd
1 Inman Road,
Cromer, NSW, 2099, Australia
Warranty: 1800 268 848
Tel: +61 2 9971 1788
Fax: +61 2 9971 1336
Email: [email protected]
Web: www.roband.com.au
For your nearest International distributor, please visit: https://www.roband.com.au/worldwide/

© Copyright 2021 – Roband Australia Pty Ltd
All rights reserved. No part of this work may be reproduced or copied in any form or by any means, electronic or mechanical, including photocopying or posting to a website, without the written permission of the publisher. The material contained within this document is intended entirely for instructional Purposes. Roband® Australia is a wholly Australian-owned company and has been manufacturing quality commercial catering equipment for the food service industry for more than 60 years.




















