
User manual
Boundary Triple
Pendant light

Thank you for purchasing this Boundary pendant light. Please read the instructions carefully before use to ensure safe and satisfactory operation of this product.
Warnings!
This is a Class 1 product and must be earthed.
Please read these instructions carefully before commencing any work.
It is recommended that this fitting is installed by a qualified electrician.
Install in accordance with the IEE Wiring regulations and the Building Regulations.
To prevent electric shock switch off at mains supply before installing or maintaining this fitting.
Ensure other persons cannot restore the electrical supply without your knowledge.
If you are in any doubt, please consult a qualified electrician.
This light fitting should be connected to a 5 amp fused circuit.
If replacing an existing fitting, make a note of the connections.
This product is suitable for installation on surfaces with normal flammability e.g.wood, plasterboard, masonry. It is not suitable for use on highly flammable surfaces (e.g. polystyrene, textiles).
For your safety, always switch off the supply before cleaning or removing the shade.
Parts list
| Parts list | Image | Qty |
| Light Fitting | ![]() | 1 |
| Screws |
| 4 |
| Wall Plugs |
| 4 |
| Fabric Shade |
| 3 |
| Shade ring |
| 3 |
Assembly
Refer to assembly drawing opposite. Carefully unpack the carton, making sure all the parts are present before assembly.
Step 1
Before removing the existing fitting, carefully note the position of each set of wires.

Step 2
See Figure 1. The drop of this product can be reduced and will be easier to complete before attaching the product to the ceiling.
Pull the cable through the cord grip (X). until the desired height is achieved. Please note that the drop of this product can also be reduced by removing chain links. Always ensure that the weight of the fitting is supported by the chain and not the cable.

Step 3
See Figure 2. Attach the fixing strap to the ceiling using the screws provided. Ensure there is a joist at the point of fixing to support the weight of the product. Take care to avoid damaging any concealed wiring and pipes.
Step 4
Having identified the household wiring from your existing light fitting, connect to the connection block inside the product as shown.

Check that
- You have correctly identified the house wires.
- The connections are tight.
- No loose strands have been left out of the connection block.

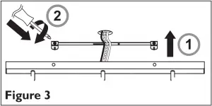
Step 5
See Figure 3. Attach the product to the fixing bracket by refitting the four side screws set aside earlier. Take care not to trap any wiring.

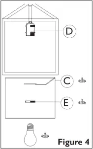
Step 6
See Figure 4. Attach the fabric shades (C) to the product by placing them over the lampholders (D) and fitting the shade rings (E) to secure in place. Do not overtighten.
Step 7
See Figure 4. Fit the bulbs as per the details overleaf.
Step 8
Replace fuse or circuit breaker and switch on. Your light is now ready for use.
Care instructions
We recommend cleaning with a soft dry cloth. Do not use abrasive materials as these will damage the finish.
Recommended bulb (not included)
3 x 6W
ES LED Energy efficient classic GLS
or
3 x 28W
ES Eco Halogen GLS
When changing a bulb, always switch off at the mains and allow the bulb to cool before handling. Dispose of used bulbs carefully. Do not exceed the rated power stated or use a different shape bulb from that indicated on the fitting.
Specifications
Max. power: 3 x 40W
Voltage: 240V, 50Hz
IP rating: IP20
Weight: 5.54kg
![]()
Please keep these instructions for future reference.
This symbol
indicates that this product should not be treated as normal household waste and it should be recycled. John Lewis do not operate in store take back, but as members of the Distributor Trade Back scheme have funded the development and upgrade of recycling facilities across the UK. Please take it to your nearest collection facility or for further details contact your local council or visit www.recycle-more.co.uk.
We have taken great care to ensure that this product reaches you in perfect condition. However, should any parts be damaged or missing please contact the Product Helpline on (01202) 690945.
John Lewis Partnership
171 Victoria Street
London SW1E 5NN
johnlewis.com
Made in China 20/01/2021




















