TROTEC PD200 Pulse Current Measuring System

Notes regarding the operating manual
- Warning of electrical voltage
This symbol indicates dangers to the life and health of persons due to electrical voltage. - Warning
This signal word indicates a hazard with an average risk level which, if not avoided, can result in serious injury or death. - Caution
This signal word indicates a hazard with a low risk level which, if not avoided, can result in minor or moderate injury. - Note
This signal word indicates important information (e.g. material damage), but does not indicate hazards. - Info
Information marked with this symbol helps you to carry out your tasks quickly and safely. - Follow the manual
Information marked with this symbol indicates that the operating manual must be observed. You can download the current version of the operating manual and the EU declaration of conformity via the following link: - PD200

https://hub.trotec.com/?id=44626
Safety
Read this manual carefully before starting or using the device. Always store the manual in the immediate vicinity of the device or its site of use.
Warning
Read all safety warnings and all instructions. Failure to follow the warnings and instructions may result in electric shock, fire and/or serious injury. Save all warnings and instructions for future reference.
This appliance can be used by children aged from 8 years and above and persons with reduced physical, sensory or mental capabilities or lack of experience and knowledge if they have been given supervision or instruction concerning use of the appliance in a safe way and understand the hazards involved. Children shall not play with the appliance. Cleaning and user maintenance shall not be made by children without supervision.
- Do not use the device in potentially explosive rooms or areas and do not install it there.
- Do not use the device in aggressive atmosphere.
- Protect the device from permanent direct sunlight.
- Do not remove any safety signs, stickers or labels from the device. Keep all safety signs, stickers and labels in legible condition.
- Do not open the device.
- Never measure live parts.
- The only party responsible for determining measured results to be valid, drawing conclusions and deriving actions is the user! The correctness of the results presented is excluded from any liability or guarantee. Liability for damages which have been caused by utilising the presented measured results is strictly excluded.
Intended use
To use the device for its intended use, only use accessories and spare parts which have been approved by Trotec.
The device is a professional measuring device based on the pulse current method for the pinpoint location of grounded leaks in non-conducting plastic foils. Fields of application are i.a.:-
- warm roofs, cold roofs and greened flat roofs
- roof-top terraces
- balconies
- Lined ponds and swimming pools
- plastic covered landfills and dumps
The power supply has to comply with the device type and the mains connection must be provided with a proper protective earth conductor. The device may only be used for the given intended use while complying with the specified technical data. Any other use is considered misuse and contrary to the intended use.
Foreseeable misuse
Do not use the device in potentially explosive atmospheres, for measurements in liquids or at live parts.
Any unauthorized changes, modifications or alterations to the device are forbidden.
Personnel qualifications
People who use this device must:
- Use the pulse current measuring system in accordance with safe working procedures.
- be aware of the dangers that occur when working with electric devices in damp areas.
- take measures to protect themselves from direct contact with live parts.
- have read and understood the operating manual, especially the Safety chapter.
Electrically skilled person
Electrically skilled personnel must be able to read and understand electric circuit diagrams, to put electrical systems into service and to maintain them, to wire control cabinets, to ensure the functionality of electrical components and to identify possible hazards from electrical and electronic systems.
Residual risks
- Warning of electrical voltage
Risk of death due to electric shock!
An electric shock can result in severe personal injury or death! The device may only be used in accordance with all safety instructions listed here. - Warning of electrical voltage
Risk of electric shock due to incorrect assembly! Faulty electrical installation or excessive mains voltage can lead to electric shocks. The device may only be installed whilst adhering to all listed assembly instructions and technical data. - Warning of electrical voltage
There is a risk of a short-circuit due to liquids penetrating the housing!
Do not immerse the device and the accessories in water. Make sure that no water or other liquids can enter the housing. - Warning of electrical voltage
Work on the electrical components must only be carried out by an authorised specialist company! - Warning
Risk of suffocation!
Do not leave the packaging lying around. Children may use it as a dangerous toy. - Warning
The device is not a toy and does not belong in the hands of children. - Warning
Dangers can occur at the device when it is used by untrained people in an unprofessional or improper way!Observe the personnel qualifications! - Caution
Keep a sufficient distance from heat sources. - Note
To prevent damages to the device, do not expose it to extreme temperatures, extreme humidity or moisture. - Note
Do not use abrasive cleaners or solvents to clean the device.
Information about the device
Device description
The device is designed for the following applications:
- Location of earthed leaks in non-conducting sealing systems
- Non-destructive inspection of foil and bitumen roofs
- Leak detection in case of flat roofs with superimposed load (e.g. gravel fill, greening, paving etc.)
- Tightness test of hall floor sealing for LAU (storage, filling and handling of substances hazardous to water) and HBV (production, treatment and use of substances hazardous to water) systems (WHG – Water Resources Act)
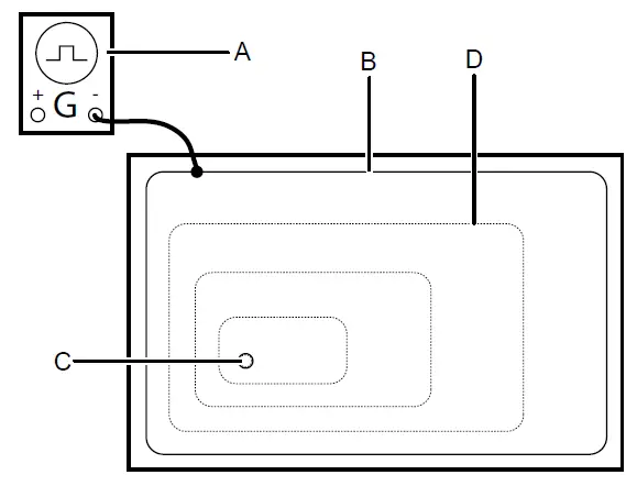
The method is based on the fact that there is water both on top of and also underneath the sealing sheet. This water or moisture serves as conductor. Therefore, leak detection always requires a damp and hence electrically conductive sealing sheet, regardless of whether the surface is wet to various degrees, gravelled or greened. The pulse generator emits current pulses with a voltage of 40 V. The current finds its path to the point of leakage via the moisture. The pulse receiver is used to measure the voltage potential difference. The needle of the indicating instrument deflects to the direction with the higher potential, indicating the direction for leak detection. This way you are led to the leak, i.e. to the position where moisture enters.

| A | Pulse generator | B | Loop wiring |
| C | Leak | D | Potential lines |
Device depiction




| No. | Designation |
| 1 | Transport case with carrying handle |
| 2 | Pulse generator PD200 G |
| 3 | Black connection cable with clip terminal |
| 4 | Loop wiring reel |
| 5 | Earth cable extension reel with banana plug |
| 6 | Pulse receiver PD200 E |
| 7 | Take-apart measuring rods with rubber handle |
| 8 | Black connecting cable for the measuring rods |
| 9 | Red connecting cable for the measuring rods |
Technical data
| Parameter | Value |
| Model | PD200 |
| Type of protection | IP22 |
| Ambient conditions | |
| Operating and storage temperature | 0 °C to +40 °C |
| Pulse generator PD200 G | |
| Article number | 3.510.010.010 |
| Dimensions (length x width x height) | 470 x 240 x 250 mm |
| Weight complete with standard accessories | 8.6 kg |
| Mains connection | 220-240 V / 50-60 Hz |
| Pulse receiver PD200 E | |
| Article number | 3.510.010.011 |
| Dimensions (length x width x height) | 160 x 80 x 55 mm |
| Fusing: before transformer (primary) | ≥ 1 A |
| Fusing: transformer winding (secondary) | ≥ 1 A |
| Weight (incl. batteries) | 550 g |
| Battery voltage | 9 V (6 x 1.5 V) |
| Battery type | LR06 / AM-3 | AA | Mignon |
| Max. sound level (at a distance of 1 m) | without beep: 45 dB |
| Max. sound level (at a distance of 1 m) | with beep: 61 dB |
| Max. sound level (at a distance of 1 m) | alarm operation (short circuit): 65 dB |
Scope of delivery
- 1 x Transport case
- 1 x Integrated pulse generator PD200 G
- 1 x Pulse receiver PD200 E with carrying strap
- 1 x Connection cable with clip terminal
- 1 x Loop wiring reel, length 200 m
- 1 x Earth cable extension reel with banana plug, red, length 25 m
- 2 x Measuring rods (3-part) incl. 1 x clamping spring and unwinding aid for the loop wiring
- 2 x Connecting cable for the measuring rods, red and black
- 6 x Battery
- 1 x Manual
Transport and storage
Note: If you store or transport the device improperly, the device may be damaged. Note the information regarding transport and storage of the device.
Transport
For transporting the device, use the transport case included in the scope of delivery in order to protect the device from external influences.
Storage
When the device is not being used, observe the following storage conditions:
- Dry and protected from frost and heat
- Protected from dust and direct sunlight
- For storing the device, use the transport case included in the scope of delivery in order to protect the device from external influences.
- The storage temperature is the same as the range given in the Technical data chapter.
Operation
Operating elements pulse generator


| No. | Designation | Meaning |
| 10 | Warning light, red | Illuminated when the loop wiring is in contact with earthed metal parts. |
| 11 | Lamp, green | Flashes green for visual control of the current pulses |
| 12 | Rocker switch with indicator light, green | For switching the device on and off |
| 13 | PTC resettable fuse F1 | Primary PTC resettable fuse |
| 14 | PTC resettable fuse F2 | Secondary PTC resettable fuse |
| 15 | Pressure switch, red | For activation of an additional acoustic signal for acoustic control of current pulses |
| 16 | Pressure switch, green | For switching on the external earthing |
| 17 | Positive socket, red | For connection with the pulse receiver |
| 18 | Negative socket, black |
Operating elements pulse receiver

| No. | Designation | Meaning |
| 19 | ON/OFF rotary switch | Adjustment for “0” position |
| 20 | Indicating instrument | Analogue indicating element for microampere |
| 21 | 6-position rotary switch | position 1: attenuation without resistance position 2: attenuation with low resistance position 3: attenuation with medium resistance position 4: attenuation with maximum resistance TEST position: test setting BAT.-CHECK position: battery check |
| 22 | Carrying strap | For transport during adjustment and leak detection |
| 23 | Red socket | For connection with the pulse generator and for connecting the measuring rods |
| 24 | Black socket |
Battery testing pulse receiver
The pulse receiver is switched off.
- Turn the 6-position rotary switch (21) to BAT.-CHECK.
- If the needle on the indicating instrument (20) deflects to the right (to at least 30 µA), the battery capacity is sufficient and the device is ready for use.
- Turn the 6-position rotary switch (21) to position 4.

Battery testing pulse receiver
- Plug the power cable into an earthed safety socket.
- Flip the rocker switch (12) to position “I”.
- The green lamp (11) indicates the mains connection.
Checking the interaction of both devices:
Note: To prevent damage to the device, switch off both devices prior to testing. Turn the rotary switch (21) of the pulse receiver to the “TEST” position. If the switch is in a different position, the receiver might be damaged when switching on the pulse generator.
- Use the black (8) and red (9) connecting cables to connect the pulse receiver to the sockets of the pulse generator (18 and 17). Ensure the correct colour assignment black/red.
- Switch on the pulse generator by setting the rocker switch (12) to the I position.
- Switch on the pulse receiver by turning the ON/OFF rotary switch (19) slightly clockwise.
- Use the rotary switch (19) to set the indicator to “0”.
- The needle of the analogue indicating instrument (20) must deflect to the right in the pulse frequency.
- Also check the pulses by means of the green lamp (11) on the transport case.
- Press the pressure switch (15) to activate and check the acoustic signal of the pulse generator.
- Interchange the two measuring lines at the pulse receiver – black cable (8) to red socket (23) and red cable (9) to black socket (24) – and repeat the procedure.
- The needle should now deflect to the left.

- The needle should now deflect to the left.
Preparing the measurement
Basically, flat roofs are divided into warm, cold and greened roofs. Their different structure requires different preparations.
Schematic cross-section warm roof
| E | Gravel fill | F | Roof seal |
| G | Thermal insulation | H | Vapour barrier |
| I | Supporting structure (solid ceiling) |
schematic cross-section greened roof

| J | Greening | K | Vegetation layer |
| L | Filter layer | M | Drainage layer |
| F | Roof seal | G | Thermal insulation |
| H | Vapour barrier | I | Supporting structure (solid ceiling) |
Schematic cross-section cold roof
| N | Roof trim | E | Gravel fill |
| F | Roof seal | O | Roof boarding |
| P | Roof beam | Q | Timber rafter |
| G | Thermal insulation | H | Vapour barrier |
| R | Ceiling boarding | S | Wall |
| T | Roof trim |
Installation of loop wiring
Schematic cross-section warm roof

| B | Loop wiring | U | Fill |
Schematic cross-section greened roof

| B | Loop wiring | U | Fill |
Using the gravel claw (optional accessories)
Warning
Always ensure sufficient protection for all work on the (flat) roof! Particularly in close proximity to the roof edge there is the ever-present risk of falling!
The gravel claw serves the purpose of simplified laying and inserting of loop wiring under the gravel fill.
- Screw the gravel claw (27) to the bottom part of the measuring rod (25), which is not intended for unwinding the loop wiring.
- Push the loop wiring reel (4) onto the handle of the other measuring rod (26), which serves as unwinding aid, and secure the spindle by means of the corresponding clamping spring.
- Unwind some of the loop wiring (approx. 1 m).
- Attach the loop wiring to a fixed position on the roof in a way that it cannot shift, e.g. by weighting it down with an object.
- Now tighten the wire and thread it into the eye of the gravel claw. Hold the spindle and gravel claw as illustrated.
- Carefully insert the claw in the gravel by pulling and move backwards one step at a time, so that the loop wiring disappears underneath the gravel fill.
- On a sample basis check that the loop is placed directly on the roof membrane.

Connecting the pulse generator
- The device is switched off.
- The pressure switch (16) for external earthing is actuated.
- Connect the pulse generator to the mains.
- Connect the black connection cable (3) to the loop wiring by use of the clip terminal. The red positive socket and the red connection cable are not being used here. Earthing is effected via the earthing contact of the mains plug.
Connecting the pulse receiver
Both measuring rods are screwed together and connected to the pulse receiver by use of the black (8) and red (9) connecting cables.

Schematic cross-section cold roof

Note: Timber structures are not electrically conductive. Therefore, the preparations differ.
| A | Pulse generator | V | Connection cable, black (negative) |
| B | Loop wiring | C | Leak |
| W | Nail | X | Connection cable, red (earthing) |
| Y | Window |
- The device is switched off.
- The pressure switch (16) is not actuated and thus external earthing is deactivated.
- Connect the pulse generator to the mains.
- Plug the end of the red connection cable (9) into the red positive socket (23).
- Attach the bare end of the wire to the wet ceiling area underneath the flat roof.
- If required, drive a nail into the ceiling boarding.
- The black connection cable (3) is connected to the loop wiring by use of the clip terminal.
The pulse receiver is connected as described.
Locating

Note: Avoid applying too much force, for otherwise you will inadvertently puncture the roof membrane!
- Switch on the pulse generator by setting the rocker switch (12) to the I position.
- Switch on the pulse receiver by turning the ON/OFF rotary switch (19) slightly clockwise.
- Position yourself parallel to a roof side, seize the two measuring rods by the rubber handles and with a distance of approx. 1.5 m push them carefully through the fill (gravel, greening) onto the roof seal.
Note: Measuring will only be possible when there is contact to the roof seal, otherwise no current flows through the receiver.
Pulses will now be indicated on the pulse receiver’s indicating instrument. - Should the deflection be hardly discernible, reduce the resistance at the pulse receiver by use of the rotary switch (21) from “4” to “3” or lower.
Note
Relevant for detection is NOT the degree of needle deflection, ONLY the direction.
Start locating while observing the following:
- If the needle deflects e.g. to the right, then move another step to the right.
- Keep going like this until the needle deflects to the left for the first time.
- At this point turn your body by 90° and again follow the needle deflection.
- When the needle deflection again changes its direction, reduce the space between the measuring rods and repeat the above procedure until you detect the precise location of the leak.
- Having removed the fill, the leak should be visible and can be repaired.
Avoiding measurement errors
By earthing the positive pole on the roof, everything earthed will be indicated. As a result you are easily led to a lightning arrester, because it contacts the fill. To avoid this you can either prevent the connection of earthed parts to the roof e.g. by placing insulating tape or foil underneath, or neutralize the earthing of these parts e.g. by disconnecting the lightning protection. Earthed drains (metal drains) are to be shielded.
Shielding

| A | Pulse generator | Q | Loop wiring |
| Z | Main loop | A A | Drain |
| A B | Shaft |
If insulation or the elimination of earthing is not an option, as is the case e.g. with drains or ventilation shafts, this area is to be shielded. To do so, a closed loop is installed around this area and connected to the outer main loop. This way it is also possible to shield leaks which have already been detected in order to then proceed with another detection process.
Checking the PTC resettable fuse
When the PTC resettable fuse F1 (13) or F2 (14) has tripped, allow the device to cool down for at least 30 seconds. Then open the device and press the PTC resettable fuse until it clicks into place.
Supposed leak at the centre of the measuring surface
| A | Pulse generator | B | Main loop |
| AC | Test wiring |
If with a decreasing deflection you are led toward the middle M1 of the indicated field, there probably is no leak. To check this, install some test wiring connected to the loop about 1 m next to the measured spot M1. If the previously determined point of leakage M1 shifts away from the test wiring towards M2, there is no leak.
Prolonged drought
In case of prolonged drought the fill is to be prepared for measurement by means of generous watering. On roofs without fill a moisture film is all it takes, as long as it covers the entire area. Cold roofs might necessitate a certain waiting period.
Earthed metal parts
In order to determine whether the metal parts on the roof are earthed, use the black connection cable and briefly contact the clip terminal to the respective surface of the metal part. Make sure that the earthing is switched on at the pressure switch. If a loud acoustic signal is emitted and the warning light lights up in red, the metal part is earthed. In case of a swimming pool, first measure the floor area. Following the floor, the walls can be checked for leaks one by one. For this purpose the loop wiring is affixed by use of adhesive tape. Lined ponds, too, can be examined with a loop around the outer rim. However, the foil has to be visibly exposed. The measurement is carried out by applying the same method as on the roof. Here, too, sufficient moisture covering the entire area is required for the measurement.
Pool
- Cross-section pool

| AD | Loop wiring 1 | AE | Loop wiring 2 |
- Lined pond 1

B Loop wiring - Lined pond 2

AD Loop wiring 1 AE Loop wiring 2
Shutdown
Warning of electrical voltage
Do not touch the mains plug with wet or damp hands.
- Switch off the pulse receiver by use of the ON/OFF rotary switch (19).
- Switch off the pulse generator by use of the rocker switch (12).
- Hold onto the mains plug while pulling the power cable out of the mains socket.
- Detach any connection cables and sensors.
- Clean the device according to the Maintenance chapter.
- Store the device according to the Storage chapter.
Available accessories
| Designation | Article number |
| Gravel claw for laying and inserting loop wiring under the gravel fill | 3.510.010.003 |
| Loop wiring spare reel, length 200 m | 3.510.010.005 |
| Spare earth cable extension, red, length 25 m | 3.510.010.004 |
Maintenance and repair
- Battery change
Check the battery voltage according to the chapter Battery testing pulse receiver.
Operation of pulse receiver requires 6 customary batteries of type LR06 / AM-3 | AA | Mignon.
Detach the 4 screws, lift off the cover, remove the empty batteries and replace them with new ones. Please ensure correct polarity when inserting the batteries. It is also possible to use rechargeable batteries. If so, make sure that at least 2000 mA NiMH batteries of type 06 or AM-3 | AA | Mignon 1.2 V are used. - Cleaning
Clean the device with a soft, damp and lint-free cloth. Make sure that no moisture enters the housing. Do not use any sprays, solvents, alcohol-based cleaning agents or abrasive cleaners, but only clean water to moisten the cloth. - Repair
Do not modify the device or install any spare parts. For repairs or device testing, contact the manufacturer.
Errors and faults
The device has been checked for proper functioning several times during production. If malfunctions occur nonetheless, check the device according to the following list.
Only trained personnel or specialists may search for and rectify faults.
| Fault description | Potential cause |
| Green indicator light of the pulse generator is not illuminated | Check mains connection; check fuses |
| Indicating instrument at the pulse receiver does not deflect to the right during battery check | Wrong switch setting; low battery |
| Indicating instrument at the pulse receiver does not deflect during the measurement | Attenuation set too high; fill too dry; missing protective earth conductor of the mains supply of the pulse generator |
| Red warning light of the pulse generator lights up and an acoustic signal is emitted (current of more than 1 A) | Loop wiring in contact with earthed metal parts |
Disposal
The icon with the crossed-out waste bin on waste electrical or electronic equipment stipulates that this equipment must not be disposed of with the household waste at the end of its life. You will find collection points for free return of waste electrical and electronic equipment in your vicinity. The addresses can be obtained from your municipality or local administration. For further return options provided by us please refer to our website https://de.trotec.com/shop/.
The separate collection of waste electrical and electronic equipment aims to enable the re-use, recycling and other forms of recovery of waste equipment as well as to prevent negative effects for the environment and human health caused by the disposal of hazardous substances potentially contained in the equipment. In the European Union, batteries and accumulators must not be treated as domestic waste, but must be disposed of professionally in accordance with Directive 2006/66/EC of the European Parliament and of the Council of 6 September 2006 on batteries and accumulators. Please dispose of batteries and accumulators according to the relevant legal requirements.
Trotec GmbH
Grebbener Str. 7
D- 52525 Heinsberg
+ 49 2452 962-400
Email: [email protected]
Website: www.trotec.com























