GC-SZL Abric 2-Bag Grass Catcher
User Manual

This manual contains the operating instructions and safety information for your Scag mower accessory. Reading this manual can provide you with assistance in maintenance and adjustment procedures to keep your mower accessory performing to maximum efficiency. The specific models that this book covers are listed on the inside cover. Before operating your machine, please read all the information enclosed.
WARNING
FAILURE TO FOLLOW SAFE OPERATING PRACTICES MAY RESULT IN SERIOUS INJURY OR DEATH.
- Read this manual completely as well as other manuals that came with your mower.
- DO NOT operate on steep slopes. To check a slope, attempt to back up it (with the cutter deck down). If the machine can back up the slope without the wheels slipping, reduce speed and use extreme caution.
- Under no circumstances should the machine be operated on slopes greater than 15 degrees. ALWAYS FOLLOW OSHA-APPROVED OPERATIONS.
- Stay two cut widths away from slopes, drop-offs, ditches, water, and retaining walls.
- DO NOT mow on wet grass. Wet grass reduces traction and steering control.
- Keep all shields in place, especially the grass discharge chute.
- Before performing any maintenance or service, stop the machine and remove the spark plug wire and ignition key.
- If a mechanism becomes clogged, stop the engine before cleaning.
- Keep hands, feet, and clothing away from power-driven parts.
- Keep others off the mower (only one person at a time)
REMEMBER – YOUR MOWER IS ONLY AS SAFE AS THE OPERATOR!
HAZARD CONTROL AND ACCIDENT PREVENTION ARE DEPENDENT UPON THE AWARENESS, CONCERN, PRUDENCE, AND PROPER TRAINING OF THE PERSONNEL INVOLVED IN THE OPERATION, TRANSPORT, MAINTENANCE, AND STORAGE OF THE EQUIPMENT.
| This manual covers the operating instructions and illustrated parts list for: | ||
| GC-SZL/SFZ/SPZ | with a serial number of | T0200001 to T0299999 |
| Always use the entire serial number listed on the serial number tag when referring to this product. | ||
GENERAL INFORMATION
INTRODUCTION
This manual has been prepared to provide the information you need to correctly assemble, operate, and maintain this grass catcher. Read it carefully and keep it
for future reference.
THE REPLACEMENT OF ANY PART ON THIS PRODUCT BY OTHER THAN THE MANUFACTURER’S AUTHORIZED REPLACEMENT PART MAY ADVERSELY AFFECT THE PERFORMANCE, DURABILITY, OR SAFETY OF THIS PRODUCT.
USE OF OTHER THAN ORIGINAL SCAG REPLACEMENT PARTS WILL VOID THE WARRANTY.
If additional information or service is needed that is not outlined in this manual, please contact your Scag Power Equipment dealer. Scag dealers are trained in the latest service methods and carry a full line of Scag replacement parts.
When ordering parts, always provide the complete model number and a serial number of your catcher.
All information provided in this manual is based upon information available at the time of printing. Scag Power Equipment reserves the right to make changes at any time without notice or obligation.
DIRECTION REFERENCE
The “Right” and “Left”, “Front” and “Rear” of the machine are referenced from the operator’s right and left when seated in the normal operating position and facing the forward travel direction.
SAFETY AND OPERATING INSTRUCTIONS
NOTE
To avoid personal injury, it is imperative that all safety instructions be observed.
- Read this operator’s manual and the operator’s manual that is supplied with the machine this attachment is used on.
A replacement manual is available from your authorized Scag Service Dealer or by contacting: Scag Power Equipment, Service Department at P.O. Box 152, Mayville, WI 53050. You may also contact us through our website at www.scag.com The manual for this grass catcher can be downloaded by using the model and serial number or using the contact form to make your request. Please indicate the complete model and a serial number of your Scag product when requesting replacement manuals.
WARNING
Do not operate without discharge chute, mulch kit, or entire grass catcher installed. - Before removing the grass bags, disengage the mower, stop the engine and wait for all movement to stop.
- ALWAYS turn the engine OFF, remove the key and wait for all movement to stop before servicing or cleaning the mower or the grass catcher.
DANGER
ROTATING BLOWER BLADES
STOP ENGINE BEFORE ENTERING CHUTE
CONTACT CAN INJURE - Do not modify or alter any component of the grass catcher attachment or mower.
- Do not allow any passengers to ride on the grass catcher attachment or on the mower.
DISCHARGE CHUTE AND CUTTER BLADE REMOVAL
– NOTE
Use the illustrated parts list as a part number reference when following the assembly instructions.
-IMPORTANT
When installing this grass catcher on a machine, one of the following Installation Kits must be installed for proper performance and operation.
SZL36 / SFZ36 Installation Kit p/n 9071
SZL42 – Installation Kit p/n 901U
SZL48 / SFZ48 – Installation Kit p/n 9069
SZL52 / SFZ52 – Installation Kit p/n 9070
SFZP52 / SPZ52 – Installation Kit p/n 9070
SFZ61 / SFZP61 – Installation Kit p/n 9073
SPZ61 – Installation Kit 9073
- Remove all packaging materials. Layout the mounting hardware and the catcher assembly parts for easy access. Prepare the work area making sure that it is a clean, safe environment.
WARNING
Do not operate without discharge chute, mulch kit, or entire grass catcher installed. - Remove the discharge chute from the cutter deck.
See Figure 2-1.
– NOTE –
Do not discard the discharge chute or mounting hardware. The discharge chute MUST be reinstalled any time the grass catcher has been removed from the machine. - Block the rear wheels and apply the parking brake to prevent the machine from moving. Lift the front of machine for easy and safe access to the underside of the cutter deck. Remove the ignition key and disconnect the positive and negative battery cables.
- Remove the original cutter blades from the cutter deck. To remove the cutter blades from the spindles, install a 1″ open-end wrench onto the flats provided
on the spindle shaft. This will allow you to hold the spindle in place and prevent it from rotating as you remove the blade mounting bolt (use the optional Blade Buddy tool P/N 9212 to assist in securing the cutter blades). Use a 15/16″ box wrench or socket to remove the blade mounting bolt. See Figure 2-2. Be sure to retain the bolts, lock washers, and flat washers as the hardware will be needed to install the cutter blades included with this grass catcher.
WARNING
Blades have a sharp edge. Wear proper eye protection and protective gloves or wrap blades with protective material when removing, sharpening, and installing.
– NOTE –
Do not discard the original blades. The blades may be reinstalled any time the grass catcher has been removed from the machine.
ASSEMBLY INSTRUCTIONS – SZL36 /SFZ36 CUTTER DECK COMPONENTS
- Install the right side cutter deck baffle as shown in Figure 2-3. Secure using (2) 3/8-16 x 1″ carriage bolts, (2) 3/8″ flat washers and (2) 3/8-16 elastic stop nuts.

- Tighten the hardware.
- Remove and retain the hardware used to secure the grass catcher boot mounting bracket onto the boot assembly supplied with the grass catcher. See Figure 2-4. The grass catcher boot mounting bracket will be replaced in Step 4.

- Install the new grass catcher boot mounting bracket (p/n 424915) supplied with the SZL36 / SFZ36 Installation Kit onto the boot assembly. Secure using the original hardware that was removed in the previous step. See Figure 2-5.

- Install the deflector baffle included with the catcher installation kit to the discharge boot and secure using (2) 1/4-20 x 1″ hex head bolts, (4) 1/4″ flat washers and (2) 1/4-20 elastic stop nuts. See Figure 2-6. Tighten the hardware.

- Install the new cutter blades included with the SZL36 / SFZ36 Installation Kit and secure using the hardware removed in Section 2.1, Step 4. On the right side of the cutter deck, install the cross cutter blade below the high lift cutter blade as shown in Figure 2-7. Use optional Blade Buddy tool P/N 9212 to assist in securing the cutter blades.
-NOTE
The cross blade is installed on the right side only.
WARNING
Blades have a sharp edge. Wear proper eye protection and protective gloves or wrap blades with protective material when removing, sharpening and installing.
- Lower the machine.
- Proceed to Section 2.4, Page 5.
ASSEMBLY INSTRUCTIONS – 42 / 48 /52 / 61 CUTTER DECK COMPONENTS (ALL MODELS)
- Install the left side cutter deck baffle supplied in the grass catcher Installation Kit as shown in Figure 2-8. Secure using (2) 3/8-16 x 1″ carriage bolts, (2) 3/8″ flat washers, (2) 3/8-16 elastic stop nuts, (1) 5/16-18 x 1″ carriage bolt, (1) 5/16″ flat washer and (1) 5/1618 center lock nut.

- Tighten the hardware.
- Install the right side cutter deck baffle supplied in the grass catcher Installation Kit as shown in Figure 2-9. Secure using (2) 3/8-16 x 1″ carriage bolts, (2) 3/8″ flat washers and (2) 3/8-16 elastic stop nuts.

- Tighten the hardware.
- Install the deflector baffle included with the catcher Installation Kit to the discharge boot and secure using (2) 1/4-20 x 1″ hex head bolts, (4) 1/4″ flat washers, and (2) 1/4-20 elastic stop nuts. See Figure 2-10.

- Tighten the hardware.
- Install the new cutter blades included with the Installation Kit and secure using the hardware removed in Section 2.1, Step 4. On the right side of the cutter deck, install the cross cutter blade below the high lift cutter blade as shown in Figure 2-11. Use optional Blade Buddy tool P/N 9212 to assist in securing the cutter blades.
-NOTE
The cross blade is installed on the right side only.
WARNING
Blades have a sharp edge. Wear proper eye protection and protective gloves or wrap blades with protective material when removing, sharpening, and installing. - Lower the machine.
ASSEMBLY INSTRUCTIONS -DISCHARGE AND HOPPER COMPONENTS
- Install the discharge boot assembly to the cutter deck and secure the discharge chute mounting tabs. Secure with the long clevis pin and hairpin cotter. See Figure 2-12.

- Install the left and right side grass catcher mounting brackets to the rear of the machine. Secure using (4) 3/8-16 x 1″ hex head bolts and (4) 3/8-16 serrated flange nuts. See Figure 2-13 for SZL36 / SZL42 and Figure 2-14 for all other models.
-NOTE
SFZP Model is shown below. Mounting brackets attach the same way regardless of the model.
- Tighten the hardware.
- Install the left and right side upright mounting tubes to the grass catcher hood assembly. Secure using (4) 3/8-16 x 2-1/4″ hex head bolts and (4) 3/8-16 elastic stop nuts. See Figure 2-15.
-NOTE
For SZL models, the mounting tubes are installed in the outer mounting holes as shown below.
- Install the adapter to the hose and secure with (1) 8-5/8″ clamp included with this grass catcher. See Figure 2-16.

- With help from an assistant, install the grass catcher hood assembly onto the grass catcher mounting brackets installed on the machine in Step 4. See Figure 2-17 for SFZ / SFZP models and Figure 2-18 for the SZL models. Secure with the (2) snap pins included with this grass catcher..


- Install the hose to the hood assembly and secure with (1) 8-5/8″ clamp included with this grass catcher. See Figure 2-19
-NOTE
When installing this catcher the discharge hose may need to be shortened. Follow the steps below when required.
Lower the cutter deck on the machine to the lowest cutting height. If required, shorten the hose assembly before securing it to the hood assembly. Route the hoses up to the hood assembly and marks the hose length required which will not allow the hose to “sag” or “droop”.
Cut the hose to the required length.
- Install the hose and adapter assembly to the discharge boot assembly installed on the cutter deck. Secure with the rubber strap. See Figure 2-20.

ASSEMBLY INSTRUCTIONS – FRONT WEIGHT COMPONENTS
- For SFZP and SPZ units, remove the front (2) serrated flange nuts securing the footplate to the machine. This will allow the footplate to lift upward and allow the front weight bar to be installed on the machine.
- Install the front weight support bar to the machine and secure using (2) 1/2-13 x 1-1/4″ hex head bolts, (2) 1/2″ flat washers, and (2) 1/2-13 serrated flange nuts. See Figure 2-21 for SFZ, SFZP and SPZ models and Figure 2-22 for SZL models.
- Tighten the hardware and re-install the front (2) serrated flange nuts to secure the footplate to the machine.
- Install all weights (x2) included with this grass catcher.
- Lift the hood assembly and install the bag assemblies. Installation of this grass catcher accessory is complete.
- Reconnect the positive and negative battery cables.
- Operate and test the machine.
WARNING
Do not operate without discharge chute, mulch kit, or entire grass catcher installed.
WARNING
Always turn the engine off, remove the key and wait for all movement to stop before emptying the grass bags or servicing or cleaning the mower or grass catcher.


GRASS CATCHER REMOVAL INSTRUCTIONS
Prepare the machine so there is easy and safe access to the work area. Park the machine on a flat, level surface and apply the parking brake. Remove the ignition key and disconnect the positive and negative cables from the battery. Maintain all safety-related work procedures. Always wear hand and eye protection.
– NOTE
For proper operation and best overall performance and dispersal of grass clippings, while side discharging, the grass catcher baffles should be removed and the original cutter blades should be reinstalled.
- Remove the rubber strap holding the adapter to the blower assembly and the large quick pin securing the blower to the discharge mounting bracket. See Figure 3-1.
- Remove the mounting pin and large hairpin securing the discharge boot assembly to the cutter deck and remove the discharge boot assembly. See Figure 3-1.

- Remove the (2) snap pins holding the hood assembly to the mounting brackets on the rear of the machine. See Figure 4-2.
- With help from an assistant, remove the hopper assembly.

- Remove the high lift cutter blades and cross blade from the cutter deck. To remove the cutter blades from the spindles, install a 1″ open-end wrench onto
the flats provided on the spindle shaft (use optional Blade Buddy tool P/N 9212 to assist in securing the cutter blades). This will allow you to hold the spindle in place and prevent it from rotating as you remove the blade mounting bolt. Use a 15/16″ box wrench or socket to remove the blade mounting bolt. See Figure 3-3. Be sure to retain the bolts, lock washers, and flat washers as the hardware will be needed to install the cutter blades included with this grass catcher.
WARNING
Blades have a sharp edge. Wear proper eye protection and protective gloves or wrap blades with protective material when removing, sharpening and installing.
- Re-install the original cutter blades that were removed when installing this grass catcher and secure using the hardware removed. See Figure 3-4. Use optional Blade Buddy tool P/N 9212 to assist in securing the cutter blades.

- Re-install the cutter deck discharge chute and secure with the original hardware removed in Step 2 during the installation of the grass catcher. See Figure 3-5.
WARNING
Do not operate without discharge chute, mulch kit, or entire grass catcher installed.
- Lower the machine.
- Remove the weights from the weight support bar.
– NOTE
The front weight support bar can remain on the machine when the grass catcher is removed. - Reconnect the positive and negative cables to the battery.
- Operate and test the machine.
MAINTENANCE
MAINTENANCE CHART – RECOMMENDED SERVICE INTERVALS
| HOURS | Procedure | Comments | ||||||
| Break-In (First 10) | 8 | 20 | 40 | 100 | 200 | 500 | ||
| X | Check all hardware for tightness | |||||||
| X | Inspect hose and adapter | |||||||
| X | Inspect fabric bags | |||||||
| X | *Check screen in the hopper | Remove debris from the screen | ||||||
| X | Inspect hose and adapter | |||||||
| X | Inspect fabric bags | |||||||
* Perform these maintenance procedures more frequently under extremely dusty or dirty conditions.
ILLUSTRATED PARTS LIST
SCAG-APPROVED ATTACHMENTS AND ACCESSORIES.
Attachments and accessories manufactured by companies other than Scag Power Equipment are not approved for use on this machine.
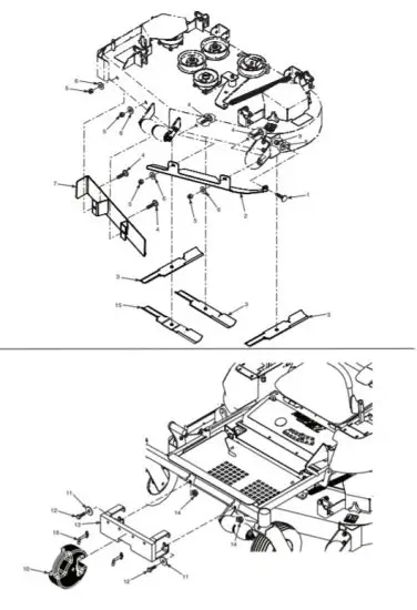
GC-SZL/SFZ/SPZ HOOD AND DISCHARGE ASSEMBLY

| Part No. | Qty | Description | |
| 1 | 462782 | 1 | Hood Assembly (incl. screen & seal) |
| 2 | 482409 | 1 | Latch |
| 3 | 04010-25 | 2 | Screw, #10-32 x 3/4″ |
| 04041-09 | 2 | Flat washer, 3/8-.193 x .496 x .048 | |
| 04021-01 | 2 | Nut, Elastic Stop #10-32 | |
| 4 | 04090-02 | 8 | Pop Rivet, 3/16 x .652 |
| 5 | 04001-32 | 10 | Bolt, Hex Head 3/8-16 x 1-1/4′ |
| 6 | 04041-11 | 6 | Flat washer, 3/8-.406 x 1.5 x 7 Ga. |
| 7 | 424731 | 1 | Screen, GC Hood |
| 8 | 04001-46 | 10 | Bolt, Hex Head 3/8-16 x 2-1/4″ |
| 9 | 425831 | 1 | Hinge, Upper RH |
| 10 | 425876 | 1 | Hinge, Lower RH |
| 11 | 425830 | 1 | Hinge, Upper LH |
| 12 | 425875 | 1 | Hinge, Lower LH |
| 13 | 04041-01 | 4 | Flat washer, 3/8-391 x .938 x .105 |
| 14 | 04021-09 | 18 | Nut, Elastic Stop 3/8-16 |
| 15 | 43277 | 4 | Spacer |
| 16 | 04019-04 | 10 | Nut, Serrated Flange 3/8-16 |
| 17 | 43212 | 8 | Sleeve |
| 18 | 04021-05 | 4 | Nut, Center Lock 3/8-16 |
| 19 | 482304 | 4 | Spring |
| 20 | 04001-20 | 4 | Bolt, Hex Head 3/8-16 x 1-1/2′ |
| 21 | 43546 | 4 | Bushing, Hopper Pivot |
| 22 | 43886 | 4 | Spacer |
| 23 | 04001-08 | 1 | Bolt, Hex Head 5/16-18 x 3/4″ |
| 24 | 04090-03 | 2 | Pop Rivet, 3/16 x .402 |
| 25 | 04021-10 | 5 | Nut, Elastic Stop 5/16-18 |
| 26 | 452675 | 1 | Frame Weldment, Bag Support |
| 27 | 424750 | 2 | Tube, Grass Catcher Mount |
| 28 | 04001-03 | 2 | Bolt, Hex Head 1/4-20 x 2″ |
| 29 | 04021-08 | 1 | Nut, Elastic Stop 1/4-20 |
| 30 | 04019-02 | 2 | Nut, Serrated Flange 1/4-20 |
| 31 | 04021-02 | 2 | Nut, Center Lock 1/4-20 |
| 32 | 485859 | 2 | Snap Pin Assembly w/Lanyard |
| 33 | 424752 | 2 | Latch, GC |
| ’34 | 424751 | 2 | Bracket, GC Mount RH |
| ’35 | 424749 | 2 | Bracket, GC Mount LH |
| 36 | 44166 | 1 | Latch Pin, GC Chute |
| 37 | 04062-02 | 1 | Hair Pin Cotter |
| 38 | 424915 | 1 | Bracket, GC Boot – 36″ Deck |
| 424734 | 1 | Bracket, GC Boot – 42″,48″, 52″ & 61′ Deck | |
| 39 | 04001-09 | 4 | Bolt, Hex Head 5/16-18 x 1′ |
| Part No. | Qty | Description | |
| 40 | 04040-04 | 8 | Flat washer, 5/16-.344 x .688 x .065 |
| 41 | 04001-14 | 2 | Bolt, Hex Head 1/4-20 x 1″ |
| 42 | 424754 | 1 | Baffle, Boot Deflector – 36″ Deck |
| 424735 | 1 | Baffle, Boot Deflector – 42″ & 48″ Deck | |
| 424754 | 1 | Baffle, Boot Deflector – 52″ Deck | |
| 424348 | 1 | Baffle, Boot Deflector – 61″ Deck | |
| 43 | 04040-14 | 2 | Flat washer, 1/4-.312 x .750 x .065 |
| 44 | 04021-08 | 2 | Nut, Elastic Stop 1/4-20 |
| 45 | 462048 | 1 | Boot Assembly |
| 46 | 461723 | 1 | Adapter w/Strap |
| 47 | 48136-02 | 2 | Clamp, 8.62″ Max Dia. |
| 48 | 48135-13 | 1 | Hose. 8″ x 56″ |
| 49 | 04041-19 | 8 | Flat washer, 3/16-.196 x .469 x .048 |
| 50 | 04001-19 | 4 | Bolt, Hex Head 3/8-16 x 1″ |
| 51 | 04001-59 | 1 | Bolt, Hex Head 1/4-20 x 1-1/4″ |
| 52 | 04040-14 | 2 | Flat washer, 1/4-.312 x .750 x .065 |
| 53 | 48137-04 | 1 | Rubber Strap |
| 54 | 425832 | 2 | Guard, Hinge |
| 55 | 04001-30 | 4 | Bolt, Hex Head 3/8-16 x 4″ |
* GC Mounting Brackets for the SZL36 & SZL42, p/n 424751 are mounted on the LH side of the machine, and p/n 424749 are mounted on the RH side of the machine.
GC-SZL/SFZ/SPZ BAG SUPPORT COMPONENTS

| Ref. No. | Part No. | Qty | Description |
| 1 | 04090-02 | 5 | Pop Rivet, 3/16 x .652 |
| 2 | 483589 | 1 | Seal, GC Hood |
| 3 | 424753 | 1 | Retainer, Seal |
| 4 | 04021-02 | 4 | Nut, Center Lock 1/4-20 |
| 5 | 04021-10 | 8 | Nut, Elastic Stop 5/16-18 |
| 6 | 462966 | 2 | Bag Assembly |
| 7 | 451959 | 1 | Frame Weldment, Bag Support |
| 8 | 04001-01 | 4 | Bolt, Hex Head 1/4-20 x 3/4″ |
| 9 | 04001-08 | 8 | Bolt, Hex Head 5/16-18 x 3/4″ |
| 10 | 423198 | 2 | Mount, Bag Frame Tube |
| 11 | 04003-12 | 8 | Bolt, Carriage 5/16-18 x 3/4″ |
| 12 | 423197 | 2 | Tube, Bag Support |
| 13 | 04040-15 | 8 | Flat washer, 5/16-.375 x .875 x .083 |
| 14 | 04019-03 | 8 | Nut, Serrated Flange 5/16-18 |
GC-SZL/SFZ/SPZ CUTTER DECK AND FRONT WEIGHT COMPONENTS

| Ref. No. | Part No. | Qty | Description |
| 1 | 04003-12 | 1 | Bolt, Carriage 5/16-18 x 3/4″ |
| 2 | 428853 | 1 | Baffle, LH – 42″ Deck |
| 424743 | 1 | Baffle, LH – 48″ Deck | |
| 424745 | 1 | Baffle, LH – 52″ Deck | |
| 425267 | 1 | Baffle, LH – 61″ Deck | |
| 3 | 481711 | 2 | Cutter Blade, High Lift (36′ Deck) |
| 487117 | 3 | Cutter Blade, High Lift (4T Deck) | |
| 481710 | 3 | Cutter Blade, High Lift (48″ Deck) | |
| 481711 | 3 | Cutter Blade, High Lift (52′ Deck) | |
| 481712 | 3 | Cutter Blade, High Lift (61′ Deck) | |
| 4 | 04003-23 | 4 | Bolt, Carriage 3/8-16 x 1″ |
| 5 | 04021-09 | 4 | Nut, Elastic Stop 3/8-16 |
| 6 | 04040-13 | 4 | Flat washer, 3/8-.438 x 1.00 x .083 |
| 7 | 452003 | 1 | Baffle Weldment, RH – 36″ Deck |
| 453317 | Baffle Weldment, RH – 42″ Deck | ||
| 451956 | 1 | Baffle Weldment, RH – 48″ Deck | |
| 451958 | 1 | Baffle Weldment, RH – 52″ Deck | |
| 452108 | 1 | Baffle, Weldment, RH – 61″ Deck | |
| 8 | 04040-04 | 1 | Flat washer, 5/16-.344 x .688 x .065 |
| 9 | 04021-04 | 1 | Nut, Center Lock 5/16-18 |
| 10 | 484758 | 2 | Weight Assembly |
| 11 | 04040-13 | 2 | Flat washer, 1/2-.562 x 1.375 x .109 |
| 12 | 04001-70 | 2 | Bolt, Hex Head 1/2-13 x 1-1/4″ |
| 13 | 452419 | 1 | Support Weldment, Weight Mounting |
| 14 | 04019-06 | 2 | Nut, Serrated Flange 1/2-13 |
| 15 | 483655 | 1 | Cutter Blade, Cross – 36″ & 52″ Deck |
| 487118 | Cutter Blade, Cross – 42″ Deck | ||
| 483654 | 1 | Cutter Blade, Cross – 48″ Deck | |
| 484021 | 1 | Cutter Blade, Cross – 61″ Deck | |
| 16 | 485172 | 2 | Pin, Weight Retention |
GC DECALS

LIMITED WARRANTY- SZL / SFZ / SPZ GRASS CATCHER ACCESSORY
Any part of the Scag SZL / SFZ / SPZ Grass Catcher Accessory manufactured by Scag and found, in the reasonable judgment of Scag, to be defective in material or workmanship, will be repaired or replaced by an Authorized Scag Service Dealer without charge for parts and labor.
The Scag SZL / SFZ / SPZ Grass Catcher Accessory, including any defective part, must be returned to an Authorized Scag Service Dealer within the warranty period. The expense of delivering the accessory to the dealer for warranty work and the expense of returning it back to the owner after repair or replacement will be paid for by the owner. Scag’s responsibility in respect to claims is limited to making the required repairs or replacements, and no claim of breach of warranty shall be cause for cancellation or rescission of the contract of sale of any Scag machine. Proof of purchase will be required by the dealer to substantiate any warranty claim.
All warranty work must be performed by an Authorized Scag Service Dealer.
This warranty is limited to 90 days for commercial purposes or any other income-producing purpose including rental use for SFZ, SFZP and SPZ models only, or 1 year for homeowner use (all models) from the date of original retail purchase.
This warranty does not cover any SZL / SFZ / SPZ Grass Catcher Accessory that has been subject to misuse, neglect, negligence, or accident, or that has been operated in any way contrary to the operating instructions as specified in the Operator’s Manual. The warranty does not apply to any damage to the accessory that is the result of improper maintenance, or to any accessory or parts that have not been assembled or installed as specified in the Operator’s Manual.
The warranty does not cover any SZL / SFZ / SPZ Grass Catcher Accessory that has been altered or modified.
In addition, the warranty does not extend to repairs made necessary by normal wear, or by the use of parts or accessories which, in the reasonable judgment of Scag, are either incompatible with the Scag mower or adversely affect its operation, performance or durability. This warranty does not cover engines and electric
starters, which are warranted separately by their manufacturer.
Scag Power Equipment reserves the right to change or improve the design of any accessory without assuming any obligation to modify any accessory previously manufactured.
All other implied warranties are limited in duration to the warranty period stated above. Accordingly, any such implied warranties including merchantability, fitness for a particular purpose, or otherwise, are disclaimed in their entirety after the expiration of the appropriate warranty period. Scag’s obligation under this warranty is strictly and exclusively limited to the repair or replacement of defective parts and Scag does not assume or authorize anyone to assume for them any other obligation. Some states do not allow limitations on how long an implied warranty lasts, so the above limitation may not apply to you.
Scag assumes no responsibility for incidental, consequential or other damages including, but not limited to, the expense for gasoline, oil, the expense of delivering the machine to an Authorized Scag Service Dealer and expense of returning it back to the owner, mechanic’s travel time, telephone or telegram charges, rental of a like product during the time warranty repairs are being performed, travel, loss or damage to personal property, loss of revenue, loss of use of the mower, loss of time, or inconvenience. Some states do not allow the exclusion or limitation of incidental or consequential damages, so the above limitation or exclusion may not apply to you.
This warranty gives you specific legal rights, and you may also have other rights which vary from state to state.
© 2021
Scag Power Equipment
Division of Metalcraft of Mayville, Inc.
PART NO. 03490
PRINTED 9/2021
PRINTED IN USA
ROTATING BLOWER BLADES
– NOTE –
– NOTE –







-NOTE
-NOTE






























