Bruel Kjaer Vibro INA-08x ATEX Non-Contacting Displacement Sensor with integrated Oscillator

Pictograms and their Meanings
This symbol warns of dangerous situations which can result from misuse of the product.
User Qualification
Ensure that all work in conjunction with our systems is performed by skilled, expert and authorized workers. Among these works are:
Installation and Commissioning
Installation and commissioning primarily concern work on electrical equipment. These works may be performed exclusively by electricians or workers instructed and supervised by an electrician in accordance with electrotechnical regulations/directives.
Change of System Specification
Any change of system specification has its effects on monitoring process with stationary systems and on the measuring sequence with portable measuring systems.
Intended Use
If sensors and the cables are used in a way not described in the relevant user function and protection may be impaired and serious personal damage, death or serious, irreversible injuries may result.
- Exclusively use sensor as specified in data sheet. Any use other than specified is considered inappropriate.
- Brüel & Kjær Vibro does not assume any liability for damages resulting from inappropriate use.
- The user is solely responsible.
- For originally intended use, see system documentation.
- Mounted sensors must not be used as steps.
- Ensure that system is exposed only to admissible environmental influences specified in technical system data sheet.
- Handle the systems with care in order to prevent damage to the systems or personal damage due to falling.
- Maintain electrical equipment in regular intervals.
- Remedy defects, e.g. loose wires, defective connectors, immediately.
- Check cable and connectors in regular intervals.
- Never use cable to pull plug out of socket.
Hot surfaces
- In line with the user manuals, sensors and cables can be operated in extensive ambient temperature ranges, whereby they can become hot through self-heating on housing walls and can produce burning.
- When mounted at external heat or cold sources e.g. machine parts systems, sensors and cables can adopt dangerous temperatures, whereby burning, among other things, can occur in the event of contact.
Recommendations to User
If the use of the system in conjunction with machines or plant sections can produce risks outside of Brüel & Kjær Vibro’s responsibility, the user is expected to prepare and distribute safety technical instructions or warnings and to ensure that the personnel concerned has received and understood same.If system is integrated into a machine or designed to be assembled, commissioning must not take place until the machine the system is to be integrated in conforms to the EC directives.
System and accessories must not be changed neither in construction nor safety technology without the express consent of Brüel & Kjær Vibro. Any unauthorized modification excludes Brüel & Kjær Vibro’s liability for resulting damages.
Application
With the non-contacting displacement sensor type INA-08x (hereafter some-times called a sensor relative shaft vibrations, relative shaft displacement, rotor speed etc can be measured. The prerequisite is a metallic, conducting measurement surface, preferably 42CrMo4. The output voltage of the sensor, within its displacement measuring range, is directly proportional to the distance between the sensor tip and the measurement surface. External, disturbing influences such as earth returns, temperature effects and dielectric influences such as oil and gas are negligible.
Dimension drawings
INA-081

INA-083

Dimension drawings INA-083
Sensor length L1
- INA-081 70 … 250 mm
- INA-083 70 mm
- Thread G, diameter d1 M10 x 1 – 6 g, Ø 8,5 mm or alternatively 3/8 24 UNF -2 A, Ø 8 mm
- Cable length K approx. 5,3 m open-ended cable
- Cable diameter Ø 2,6 mm
- Sensor tip d 8,5 for M10 x 1 – 6 g 8,2 for 3/8 24 UNF 2 A
Connection
Connections for INA – 081
- Cable 3-core, shielded, open ended
- Shield isolated from the sensor housing.
- Cable colours
- red = -DC
- white = COM
- yellow = SIG
- yellow/black = shield
- Cable jacket material: ETFE
- Colour identification of the signal wire :blue
- Cable weight approx:120 g
Sensitivity of the displacement sensor
Dependent on measurement track material
The sensor sensitivity is standardized to material no. 1.7225 (42CrMo4) acc. to DIN 17 200, corresponding to AISI/SAE 4140. The sensitivity amounts to -8 mV/μm.
Other materials and their respective sensitivities are listed in the table below. The sensitivity to other materials can be determined using a sample of the respective material and a Brüel & Kjær Vibro model AC-126 calibration instrument. A calibration to other materials is done in the measurement electronics.
At room temperature
| Mat. no.: acc. to DIN 17 200 | Abbreviated description in Germany | Abbreviated description outside Germany | Country Designation | Transmission factor -mV/ m | |
| 1.0050 | St 50-2 | 7,90 | |||
| 1.0062 | St 60 | 7,90 | |||
| 1.0501 | C 35 | 7,95 | |||
| 1.0503 | C 45G | 7,80 | |||
| 1.1181 | CK 35 | xC 38 | F | 7,85 | |
| 1.1191 | C 45 | 7,90 | |||
| 1.2241 | 51CrV4 | 8,20 | |||
| 1.2841 | 90MnCrV4 | 7,80 | |||
| 1.4006 | X10Cr13 | 7,40 | |||
| 1.4028 | X30Cr13 | Z30C13 | F | 7,50 | |
| 1.4057 | X22CrNi17 | 7,25 | |||
| 1.4104 | X12CrMoS17 | 7,50 | |||
| 1.4313 | G-X5CrNi13 4 | 7,35 | |||
| 1.4406 | X5CrNiMoN18 12 | Z3CND1812 | F | 10,45 | |
| 1.4449 | X5CrNiMo17 13 | Z5CND174 | F | 7,65 | |
| 1.4500 | G-X7NiCrMoCaNb2520 | Uranus B | I | 10,35 | |
| 1.4541 | X10CrNiTi18 9 | 7,80 | |||
| 1.4571 | X6CrNiMoTi17 12(2) | 10,40 | |||
| 1.4922 | X22CrMoV12 1 | 7,45 | |||
| 1.6562 | 40NiMoCr7.3 | 40NiMoCr7 | I | 7,50 | |
| 1.6580 | 30CrNiMo8 | 7,80 | |||
| 1.6587 | 17CrNiMo6 | 7,80 | |||
| 1.7219 | 27CrMo5 | 8,05 | |||
| 1.7225 | 42CrMo4 | 42CD4 | F | 8,00 | |
| 1.8070 | 21CrMoV5 11 | 7,80 |
Mounting the displacement sensor
Mounting advice
Mounting of the sensors must be done to correspond with the “Mounting instructions for displacement sensors”.
Sensors for non-contacting displacement measurement should preferably not be secured to parts of the machine which because of their own vibrations will falsify the measurement results.
Free space and minimum distances for non-contacting displacement sensors
Non-contacting displacement sensors operating according to the eddy-current principle create a high-frequency electro-magnetic field. If any electrically-conducting material apart from the measured object enters this field, the measurement results will be falsified therefore during the installation of non-contacting displacement sensors, the following free space and minimum distances must be maintained
![]() | Probe tip projecting | ![]() | Distance to shaft shoulder | |
![]() | Probe tip flush | ![]() | Required minimum diameter to shaft | |
![]() | Distance to shaft end > 100 % coverage | ![]() | Required minimum diameter of the shaft for two sensors | |
![]() | Distance to the shaft shoulder sensor, parallel to electrically conductive material | ![]() | Sensors mounted parallel |
HINT
If the free space and minimum distances cannot be observed due to constructional restrictions, the manufacturer must be consulted.
Wiring of the intrinsically safe current circuit
The wiring must be carried out according to the wiring diagrams. The wiring diagram associated with the INA – 08x ATEX has the drawing number: C102 233.001
Signal cable
For the signal cable between sensor and safety barriers a 3-core cable must be provided. If a 4-core cable is laid two of the wires must be connected to COM. A 4-core cable is required between the safety barriers and the electronics. The signal cable shield must be connected to the shield terminals on the mounting rail. Signal cables must only be laid on a separate cableway for measuring cables. The distance to the energy supply and control lines must be 1 m. Necessary intersections with such lines must be rectangular and within shortest possible distance. The wire cross section must not be below 0.5 mm². Unused wires must be earthed on one side. The wires ends must be provided with cable connector sleeves. Signal cables for intrinsically-safe circuits must be identified in colour (bright blue. Cable and connection components identified in this way may not be used for other purposes within the EX area.
Technical safety limit values
When erecting an intrinsically safe current circuit with only one working stock, it must be determined that including cable and connection components the maximum permissible values of inductance, capacitance and temperature for the current circuit are not exceeded.
Mounting and Installation advice
A prerequisite for operationally safe equipment is a correct installation. The sensor should be protected against.
- Mechanical damage e.g. pinching or crushing the cable.
- Damage to the cable from vibration e.g. rubbing through the insulation.
- Electrical immission EMC.
- Environmental influence e.g. humidity.
When putting up electric systems in potentially explosive surroundings, not only the general installation instructions for electric systems have to be observed, but also standard
IEC 60079-14 resp. the relevant country specific regulations for explosion-protected systems. The sensor mounting torque is 4,5 Nm.
Sensor mounting
Before mounting check
Sensor
- For completeness.
- All components are available.
- No damage is visible.
Mounting accessories
Complete availability (when required)
- Nuts
- Threaded parts, securing clips,
All components fit to each other
Same thread on the sensor as the threaded mounting locations at the measurement points?
Cable ways
- Cable ways from sensors to terminal housings
- Can damage to the cable be excluded?
Tools
Mounting
- Open-end wrenches
- Screwdrivers
Cables and protective conduit
Sensor cables and any extension cables must be electrically and mechanically protected. Here the local circumstances must be observed.
Cable and terminal identification
The importance of identification of cables and terminals from the measuring point to the monitoring electronics should not be underestimated. This is imperative for the documentation, commissioning and service personnel and must be carried out by the operators of the plant.
Customer’s responsibility
The operator of the equipment is responsible for the correct layout of the electrical equipment under explosion-protection conditions and the correct commissioning. The respectively valid explosion-protection prescriptions are to be maintained and, as the case may be, checked by a specialist. If the equipment is installed for the operator by a sub-contractor, the equipment may only be taken into service after confirmation by the sub-contractor, by way of an installation certification, that the installation has been carried out corresponding to the respectively valid prescriptions. The initial commissioning of explosion-protection equipment or parts thereof, as well as a re-commissioning after any extensive alterations or service work have been carried out, must be announced by the respectively responsible supervisory authority.
Explosion protection
All sensors of the INA-08x series are certified for use in potentially explosive surroundings acc. to ATEX-directive. These sensors are also suitable for use in category 2 equipment for gases or category 2 equipment of types of dust (ATEX).
EC-design test certificate

Ambient temperatures
According to the temperature class the displacement sensor may be operated in a maximum ambient temperature.
| Ex ib IIC (gas) | ||||
| Maximum values | Maximum values | |||
| Ui = 30 V Ii = 100 mA Pi = 500 mW Li = 0,6 mH Ci = 38 nF | Ui = 30 V Ii = 100 mA Pi = 600 mW Li = 0,6 mH Ci = 38 nF | |||
| Temperature class | max. ambient temperature | Temperature class | max. ambient temperature | |
| T6 T5 T4 | 0… +60 °C 0… +75 °C 0… +110 °C | T6 T5 T4 | 0… +55 °C 0… +70 °C 0… +105 °C | |
| Ex ib IIIC (dust) | ||||
| Maximum values | Maximum values | |||
| Ui = 30 V Ii = 100 mA Pi = 500 mW Li = 0,6 mH Ci = 38 nF | Ui = 30 V Ii = 100 mA Pi = 600 mW Li = 0,6 mH Ci = 38 nF | |||
| Temperature class | permitted surface temperature | Temperature class | permitted surface temperature | |
| T6 T5 T4 | 85 °C 100 °C 135 °C | T6 T5 T4 | 85 °C 100 °C 135 °C | |
Supply current circuit
Supply current circuit in spark-protection type, intrinsically safe Ex ib IIC only for connection to an intrinsically safe, certified current circuit.
HINT
It is to be noted that the overall capacity Ci increases by attaching different cable length to the INA-08x. The appropriate value is to be inferred from the following table.

Principle structure of the measuring chain

A = Hazardous Area
- INA-08x
- Sensor cable
- Terminal protective housing
- Signal cable
- Safety barrier
- Monitoring electronics
Technical Data

Characteristics curve of the displacement sensors

- Sensor temperature, constant (t = 25 °C).
- Supply voltage -24 V. Test material 42CrMo4 AISI 4140
- Typical transmission characteristics curve (Pos. 1)
- Typical sensitivity characteristics curve (Pos. 2)
Transmission characteristics curve U = f (s) Pos. 1
This describes the relationship between gap voltage and the distance between the sensor tip and the measurement surface.
Characteristic curve of sensitivity du/ds=U(Pos 2)
This describes the incremental gradient (sensitivity factor) as a function of the gap between sensor tip and the measurement surface.
Nominal measuring sensitivity
-8 mV/µm (-200 mV/mil with standard shaft material Material no: 1.7225 acc to IN 17 200 with composition 42CrMo4.
EMC EN 61326-1
Through electro-magnetic stray fields influences on the measured values may arise. In case of disturbing influences of this type a grounded protective conduit is recommended for the signal cable.
Service and repair
The sensors of the series INA-08x are service free.
IMPORTANT SERVICE NOTE
A defective sensor may not be opened and in case of a fault must be completely exchanged.If there is a defect with the integral cable the sensor must be exchanged.
Fault identification / Short test
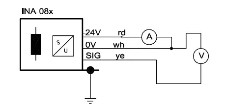
A test of the rest potential is sufficient for fault identification. This rest potential can be checked outside the Ex-area after the safety barriers. A commercially available digital multi-meter is sufficient for this test. The measurement function can only be checked with a suitable vibration measuring instrument.
Measuring circuit structure
NOTE
The measurements may be carried out only by authorized technical personnel outside the explosion protected area. If the sensor is located in the explosion hazardous area the relevant and valid standards and guidelines must be observed at the time of the inspection.
Measurement table

Accessories
The following accessories are recommended for the series INA-08x sensors
- Safety barrier set AC-294
- Signal cable AC-1114
- Terminal protective housing AC-2105
Calibration
The sensor can be exchanged without requiring re-calibration of the instrumentation. It fulfils the essential points of the accuracy requirements of the API-670 standard and DIN-45670.
Disposal
After use, dispose of the systems, cables and sensors in an environmentally friendly manner, in accordance with the applicable national provisions.
WEEE Reg. No. DE 69572330




























