RESMED 2751036 Tx Link Connection module User Guide
Introduction
The Tx Link connection module provides connectivity between EasyCare Tx software and a positive airway pressure therapy device (therapy device).
Furthermore, it relays real-time signals measured by the therapy device to a polysomnograph (PSG).
The Tx Link is also a component of the VPAP Tx Lab System. The VPAP Tx Lab System provides remote PC control of a therapy device capable of delivering multiple therapy modes. The system comprises:
- VPAP Tx or other compatible ResMed therapy device1.
- Tx Link connection module.
- EasyCare Tx titration software².

This guide provides instructions for the Tx Link. Refer to the VPAP Tx Clinical Guide and EasyCare Tx Online Help for instructions on their use.
CAUTION
In the US, Federal law restricts this device to sale by or on the order of a physician.
Intended use
The Tx Link is intended to provide connectivity between ResMed EasyCare Tx software and ResMed compatible therapy devices. The Tx Link relays real-time signals measured by the ResMed compatible therapy device to a polysomnograph (PSG).
The Tx Link is intended to be used in a clinical environment.
Components
The following items are supplied with the Tx Link:
- 5V DC power pack and plug blade attachments
- serial cable to connect the Tx Link to a compatible ResMed therapy device
- ethernet patch cable.
Optional components include:
- EasyCare Tx CD
- USB cable to connect the Tx Link to a compatible ResMed therapy device.
- ¹ Only attach a ResMed therapy device compliant with IEC 60601-1.
- ² EasyCare Tx should be installed on a PC compliant with IEC 60950.
Device connections
Only one therapy device should be connected at a time via either a serial or USB port.

- DC Power
- USB
- Serial
- Ethernet
PSG connections
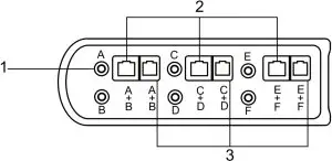
Tx Link provides up to six color-coded analog DC outputs (A-F), which can be used to connect the real-time streams measured by the ResMed therapy device to a PSG system. To support many different types of PSG systems, each DC output is available at three connection points. Each mono jack connector provides one channel only. Each modular connector provides two channels.

- 3.5 mm mono jack connector (A-F)
- 6P6C modular connector (A+B, C+D, E+F)
- 4P4C modular connector (A+B, C+D, E+F)
Using the supplied adhesive labels, tag both ends of each cable with the color-coded label corresponding to the DC output.
For further information on setting up PSG connections, refer to the Titration Equipment Installation Guide.
Indicators
Tx Link provides four LEDs to indicate the current operating state:

| Indicator | Status | |
1![]() | Ethernet Indicates Tx Link’s connectivity to the network. | The LED illuminates when connected to the network and flashes to indicate network traffic. |
| 2 PAP Device | Positive airway pressure therapy device Indicates the operating state of the connected therapy device. | The LED illuminates when connected to a therapy device and flashes to indicate communication. The LED is off when disconnected from a therapy device. |
| 3 | Power Indicates the operating state of Tx Link. | The LED illuminates when Tx Link is powered on. |
| 4 Error | Device failure Indicates if Tx Link has failed. | The LED illuminates or flashes to indicate an internal failure. |
The LEDs may be disabled during normal use to avoid patient disruption.
However, in the disabled state, the LEDs will continue to indicate Tx Link status during power-up, or any system error state.
For more information on enabling and disabling LEDs, refer to the EasyCare Tx Online Help.
Setup
Using the cables supplied, connect the Tx Link as shown.
Bedroom
Technician’s Room
For further assistance contact your ResMed representative.
Connecting the power pack
Before connecting to the power outlet, insert the plug blade attachment suitable for your region into the power pack.

Turning off the Tx Link
To turn off the Tx Link, disconnect the power pack from the power outlet or turn off the switch at the power outlet.
Configuration
Tx Link is initially configured as follows:
- IP Address: acquired automatically by DHCP or Auto-IP
- LEDs: disabled during normal use
- DC Output Configuration as shown in the table below:
DC output
Parameter
Value
Voltage range
A
Mask Pressure
0 to 30 cm H2O 0 to 1V DC B
Patient Flow -120 to 120 L/min -1 to 1V DC
C
Leak
0 to 60 L/min 0 to 1V DC D
Inspiration set pressure 0 to 30 cm H2O 0 to 1V DC
E
Expiration set pressure
0 to 30 cm H2O 0 to 1V DC F
Minute Ventilation 0 to 30 L 0 to 1V DC
This configuration may be changed using the EasyCare Tx and Tx Link Administrator software. For further information refer to the EasyCare Tx Online Help.
Cleaning and maintenance
The exterior of the Tx Link unit and power pack may be cleaned with a damp cloth and mild liquid soap.
WARNING
- Always disconnect the power pack from the power outlet before cleaning.
- Ensure the power pack is dry before reconnecting.
Servicing
The Tx Link is intended to provide safe and reliable operation provided that it is operated and maintained in accordance with the instructions provided by ResMed. There is no servicing necessary during the lifetime of the device.
Technical specifications
- Tx Link dimensions (H x W x L): 1.9″ x 5.7″ x 4.9″ (47 mm x 145 mm x 123 mm)
- Tx Link weight: 0.77 lb (350 g)
- Power pack dimensions (H x W x L): 4.2″ x 2.4″ x 1.4″ (106 mm x 60 mm x 36 mm)
- Power Pack weight: 0.55 lb (250 g)
- Power supply:
AC 100–240V, 50–60Hz
< 12VA maximum power consumption
Class II, suitable for continuous operation - Housing construction: Aluminum and flame retardant engineering thermoplastic
- Operating temperature: +41o F to +95o F (+5o C to +35o C)
- Operating humidity: 10%–95% non-condensing
- Storage and transport temperature: -4o F to 140o F (-20o C to 60o C)
- Storage and transport humidity: 10% to 95% non-condensing
- Operating altitude: Sea level to 10,000 ft (3050 m)
- Analog outputs: 6
- All channels isolated from mains: 1.5kV
- All channels isolated from communications signals: 1.5kV
No isolation between channels - Voltage range: ± 1V
- Accuracy: ± 20 mV
- Bandwidth 100Hz
- Output impedance: 50Ω
- Electromagnetic compatibility: Product complies with all applicable electromagnetic compatibility requirements (EMC) according to IEC60601-1-2, for commercial and light industry environments. Information regarding the electromagnetic emissions and immunity of these ResMed devices can be found on www.resmed.com, on the Products page under Service and Support. Click on the PDF file for your language.
- IEC60601-1 classification: Portable Equipment
Notes:
- The manufacturer reserves the right to change these specifications without notice.
- The performance of the analog outputs is determined by the attached ResMed therapy device.
Symbols which appear on the device
Follow instructions for use;
Class II equipment;
European Authorised Representative;
Caution, risk of electric shock;
No user serviceable parts;
Ethernet; Serial;
USB;
Power;
Analog output;
5V DC;
Manufacturer;
Prescription only (In the US, Federal law restricts these devices to sale by or on the order of a physician.)
Environmental information WEEE 2002/96/EC is a European Directive that requires the proper disposal of electrical and electronic equipment. This device should be disposed of separately, not as unsorted municipal waste. To dispose of your device, you should use appropriate collection, reuse and recycling systems available in your region. The use of these collection, reuse and recycling systems is designed to reduce pressure on natural resources and prevent hazardous substances from damaging the environment.
If you need information on these disposal systems, please contact your local waste administration. The crossed-bin symbol invites you to use these disposal systems. If you require information on collection and disposal of your ResMed device please contact your ResMed office, local distributor or go to www.resmed.com/environment.
General warnings and cautions
The following are general warnings and cautions. Specific warnings, cautions and notes appear with the relevant instructions in the guide.
WARNING
- Maintain patient isolation: The Tx Link should be placed outside the patient environment (outside a 1.5 m radius of the patient’s bed).
- Maintain separation from liquids: The Tx Link should be placed at least 0.5 m away from and above the humidifier and liquids.
- Only use the supplied power pack (APD Model No. WB-10F05RUGKN).
- Plug pack supplied with Tx Link only to be used with this device. Not suitable for use with any other device.
- Check the power pack periodically for signs of wear or damage. If the power pack is damaged, return it to your supplier for replacement.
CAUTION
- Use only approved ResMed equipment, parts and components.
- The Tx Link should not be placed in close proximity to life support equipment.
- Tx Link is a network device. Please ensure that an appropriate cyber-security policy is established and maintained at your premises to ensure reliable operation of your network, security of information and protection of attached equipment.
- Ensure wiring is placed away from other equipment and personnel.
- Tx Link contains no user serviceable parts.
- The 5V DC power pack and Tx Link contains no user serviceable parts.
Limited warranty
ResMed Pty Ltd (hereafter ‘ResMed’) warrants that your ResMed product shall be free from defects in material and workmanship from the date of purchase for the period specified below.
| Product | Warranty period |
| 90 days |
| Batteries for use in ResMed internal and external battery systems | 6 months |
| 1 year |
| 2 years |
This warranty is only available to the initial consumer. It is not transferable.
If the product fails under conditions of normal use, ResMed will repair or replace, at its option, the defective product or any of its components.
This Limited Warranty does not cover: a) any damage caused as a result of improper use, abuse, modification or alteration of the product; b) repairs carried out by any service organization that has not been expressly authorized by ResMed to perform such repairs; c) any damage or contamination due to cigarette, pipe, cigar or other smoke; and d) any damage caused by water being spilled on or into an electronic device.
Warranty is void on product sold, or resold, outside the region of original purchase.
Warranty claims on defective product must be made by the initial consumer at the point of purchase.
This warranty replaces all other expressed or implied warranties, including any implied warranty of merchantability or fitness for a particular purpose. Some regions or states do not allow limitations on how long an implied warranty lasts, so the above limitation may not apply to you.
ResMed shall not be responsible for any incidental or consequential damages claimed to have resulted from the sale, installation or use of any ResMed product. Some regions or states do not allow the exclusion or limitation of incidental or consequential damages, so the above limitation may not apply to you.
This warranty gives you specific legal rights, and you may also have other rights which vary from region to region. For further information on your warranty rights, contact your local ResMed dealer or ResMed office.
Manufacturer
ResMed Pty Ltd 1 Elizabeth Macarthur Drive Bella Vista NSW 2153 Australia
See www.resmed.com for other ResMed locations worldwide.
For patent information, see www.resmed.com/ip.
VPAP Tx is a trademark of ResMed and VPAP is registered in U.S. Patent and Trademark Office.
© 2020 ResMed.





















