EMMO E-Wild B Electric Bikes Owner’s Manual
CARTON CONTENTS
- (x1) Kit Box
- (x2) Pedals
- (x1) Owner’s Manual
- (x1) Tool Kit
- (x1) Battery Charger
- (x1) Reflector
- (x1) EMMO Bike
- (x1) Seat
- (x1) Lithium Ion Battery
- (x2) Keys
NOTE
PLEASE NOTE:
THIS MANUAL IS NOT INTENDED AS A DETAILED USER, SERVICE, REPAIR OR MAINTENANCE MANUAL. PLEASE SEEK ASSISTANCE FROM A QUALIFIED TECHNICIAN FOR SERVICE, REPAIRS OR MAINTENANCE.
WARNING
Electric Bikes can be dangerous to use. The user or consumer assumes all risk of personal injuries, damage, or failure of the bicycle or system and all other losses or damages to themselves and others and to any property arising as a result of using the bicycle.
As with all mechanical components, the bicycle is subjected to wear and high stresses. Different materials and components may react to wear or stress fatigue in different ways. If the design life of a component has been exceeded, it may suddenly fail possibly causing injuries to the rider. Any form of crack, scratches or change of coloring in highly stressed areas indicate that the life of the component has been reached and it should be replaced.
For replacement parts, technical information and warranty assistance, please contact your EMMO dealer or visit www.emmo.ca
YOUR INSURANCE POLICIES MAY NOT PROVIDE COVERAGE FOR ACCIDENTS INVOLVING THE USE OF THIS BICYCLE. TO DETERMINE IF COVERAGE IS PROVIDED YOU SHOULD CONTACT YOUR INSURANCE COMPANY OR AGENT.
ASSEMBLY INSTRUCTIONS
For Handlebar
Your bike has been pre-assembled and requires only a few simple steps to get it ready for you to ride:
- Carefully remove your bike from the carton and gently rest it in place with the kickstand down.
- Remove all of the inside cardboard protection and bubble wrap on the bike.
- Please locate and set aside the kit box containing the battery charger, pedals, and tool kit etc.
- Place the handle bar on the stem, and tighten four bolts with 5mm Allen Key (Figure 1), Position the handlebars to your desired comfort level.

Figure 1 - Once the handlebars are aligned and the top bolt is slightly secured, firmly tighten the 2 side bolts on the stem with 6mm allen key (Figure 3). After tightening the 2 side bolts, firmly tighten the top bolt with 5mm allen key (Figure 2). After all 3 bolts have been securely fastened, make sure there is no looseness in the headset.

Figure 2
Figure 3
WARNING
Do not over-tighten the stem bolt. Over tightening the stem bolt can damage the steering system and cause loss of control.
For Front Wheel
CAUTION: Your Electric bike is equipped with a front disk brake. Be careful not to damage the disk, caliper or brake pads when installing the front wheel. Never apply the lever unless the disk is correctly inserted in the caliper.
Your bicycle may be equipped with a different securing method for the front wheel (1) With the steering fork facing forward, insert the wheel between the fork blades so that the axle sits firmly at the top of the fork dropouts. The cam lever should be on rider’s left side of the bicycle (fig. 4-1) (2) Make the front wheel axle sits completely in the slots of the fork dropouts, and at the same time centering the wheel rim in the fork:
With a cam action system, move the cam lever upwards and swing it into the CLOSED position (fig. 4-1). The lever should now be parallel to the fork blade and curved toward the wheel. To apply enough clamping force, you will need to wrap your fingers around the fork blade for leverage, and the lever should leave a clear imprint in the palm of your hand.
NOTE: If, on a traditional cam action system, the lever cannot be pushed all the way to a position parallel to the fork blade, return the lever to the OPEN
position. Then turn the tension adjusting nut counterclockwise for one quarter turn and try tightening the lever again.
WARNING: Securely clamping the wheel with a cam action retention device takes considerable force. If you can fully close the cam lever without wrapping your fingers around the fork blade for leverage, the lever does not leave a clear imprint in the palm of your hand, and the serrations on the wheel fastener do not emboss the surfaces of the dropouts, the tension is insufficient. Open the lever; turn the tension adjusting nut clockwise for a quarter turn; then try again. Spin the wheel to make sure that it is centered in the frame and clears the brake pads; then squeeze the brake lever and make sure that the brakes are operating properly. (3) Hex nuts or hex key bolts which are threaded on to or into the hub axle. (bolt-on wheel, fig. 4-4 )

For Seat Post and Pedals
Pull the seat clamp handle away from the seat post and slide the seat up or down to adjust the height. Move the clamp handle inward toward the seat post so that the seat post can be held securely by the clamp. Make sure the seat is clamped properly so that you can’t twist it out of alignment.

If necessary, tighten the clamp by twisting the clamp handle clockwise while in the unclamped position. Then, fold the handle in toward the seat post. This should require a fair amount of force to ensure the seat post is held tight. If necessary, the clamp can be further tightened with a 5 mm allen wrench while in the clamped position.
WARNING: Make sure the seat is not set with the vertical maximum height marks above the clamp.
Using the 15 mm wrench to attach and tighten the pedals. PLEASE NOTE – The pedals are marked “L” for Left and “R” for Right. The left pedal is attached by turning it counterclockwise and the right pedal is tightened by turning it clockwise.
Make sure the pedals are properly attached to the crank arms to prevent stripping.

TORQUE SPECIFICATIONS
| Item | Nm |
| Handlebars | 18N.m (Trail Tracker 12N.m) |
| Handlebar Stem | 12N.m (Trail Tracker SN.m) |
| Seatpost | Quick Release |
| Seat | 18N.m |
| Front Wheel | 18N.m (If Applicable) |
| Rear Wheel | 30N.m or above |
OPERATING INSTRUCTIONS
For E-mini B
To remove or insert the battery
Lift up the seat by loose the seat clamp (Figure 1) to create room to insert and remove the battery. Turn the key to the “OFF” position, then press and turn the key to “UNLOCK” position. Lift up the battery by the handle on the top of the battery (Figure 2) and remove the battery. The key switch must be in the “UNLOCK” position to slide the battery in and out.


Charging of battery
To charge the battery, plug the charger plug (Figure 4) into the charging port on the battery (red arrow on Figure 3). Then plug the charger into an AC outlet. The LED indicator on the charger should be red when the charger is charging the battery. Once fully charged, the indicator will turn green. Please unplug the charge once it is fully charged.


WARNING: DO NOT overcharge the battery. Please unplug the charger once the battery is fully charged.


Lift the locking nut and pull down the lever. Once
unlocked, the handlebar stem can be folded down.
For E-Wild B / Monta B
- To remove or insert the battery
The battery is fully inserted in the battery holder, to remove the battery, turn the key counterclockwise to unlock the battery (Figure 1), slide the battery up along the rail (Figure 2) and remove the battery from the bike. - Charging of battery
To charge the battery, plug the charger plug into the charging port on the bike. Then plug the charger into an AC outlet.

BATTERY AND CHARGER CARE
The charger will charge a fully depleted battery in 5—6 hours. The indicator light on the charger will be red when battery is charging. The indicator will turn green when fully charged.
Prevent the battery against any sort of heat sources, such as directly under the sun, for prolonged periods of time.
DO NOT drain the battery. Recharge the battery before it becomes completely discharged. Completely discharging will affect the battery’s lifetime and performance. Never store the battery in a discharged state. Please note that it is normal for the battery capacity to decease after a certain charging-discharging cycles. If you find that your battery does not hold a sufficient charge, you should contact your EMMO dealer to order a replacement.
If the battery will not be used for an extended period of time, charge it fully andrecharge it every month. Store it in a cool, dry place. Your battery is engineered with precision for high capacity and a long, useful life. Do not use it to power other electrical devices. Improper use of the battery will damage the battery and shorten its life and may cause fire or an explosion. If you experience unusual sounds or odors coming from the charger or the battery, unplug charger immediately and contact customer service.
Recharge battery after every use.
- Do not disassemble or alter the battery or battery charger.
- Do not place the battery near fire or corrosive substances.
- Do not allow any liquids on or inside the battery/charger.
- Do not expose the battery/charger to extreme weather conditions.
- Do not operate the battery/charger if damaged.
- Recharge the battery only with a charger specified by the manufacturer.
- Do not use the battery/charger for any use other than its intended purpose.
- Only use the battery/charger on approved products.
Please instruct your children to keep away from the charging place.

SAFETY
Helmet
Follow your local guidelines, please wear an approved helmet while riding your bike if need to.
It is your responsibility to familiarize yourself with the laws of where you ride your Bike and to comply with all applicable laws.

Mechanical Safety Check:
Check the condition of your bike before every ride. Make sure no nuts, bolts or fixing are loose, with particular attention to the axle nuts and handlebar stem. Make sure the tires are correctly inflated to the recommended air pressure that is located on the side wall of every tire. Ensure the brakes are in good working conditions. You must have your bike serviced and checked by a qualified bike mechanic before 100 miles (161 kilometers) of riding. This is a standard good practice for any new bike as cables will stretch and components will “bed in”. The service must include spoke tensioning for both front and rear wheels.
Your First Ride:
When you buckle on your helmet and go for your first ride, be sure to pick an area away from cars, other cyclists, obstacles or other hazards in order to become familiar with the controls, features and performance of your new bike.
Additional Passengers:
The bikes are designed for one passenger only. DO NOT carry any additional passengers on the front or rear of the bike.
Weight Capacity:
Bikes are designed with a maximum weight capacity for all models. Please visit www.emmo.ca for more detailed information on the load capacity of different models. The rear rack maximum weight capacity of a bike (if applicable) is 25 pounds. Exceeding the maximum weight capacity can result in damage of the bike which can lead to serious injury
Tires & Wheels
- Make sure tires are correctly inflated. Follow the recommended tire pressure on the wall of the tires.
- Make sure the tires are in good shape: spin each wheel slowly and look for cuts in the tread and sidewall. Replace damaged tires before riding the bike.
- Check if the wheels are straight: spin each wheel and check for brake clearance and side-to side wobble. If a wheel wobbles side to side even slightly, or rubs against or hits the brake pads, take the bike to a qualified bike shop to have the wheel adjusted.
GENERAL WARNING
Like any sport, bicycling involves risk of injury and damage. By choosing to ride a bicycle, you assume the responsibility for that risk, so you need to know — and to practice— the rules of safe and responsible riding and of proper use and maintenance. Proper use and maintenance of your bicycle reduces risk of injury. Your electric bicycle is designed for use by persons 16 years old or older. Riders must have the physical coordination, reaction time and mental capability to ride and manage traffic, road conditions, sudden situations and also respect the laws governing bicycle use where they ride, regardless of age. If you have an impairment or disability such as a visual impairment, hearing impairment, physical impairment, cognitive/language impairment, or a seizure disorder, consult your physician before riding any bicycle.
A special note for parents
As a parent or guardian, you are responsible for the activities and safety of your child,and that includes making sure that the bicycle is properly fitted to the child; that it is in good and safe operating condition; that you and your child have learned and understand the safe operation of the bicycle; and that you and your child have learned, understand and obey not only the applicable local motor vehicle, bicycle and traffic laws, but also the common sense rules of safe and responsible bicycling. As a parent, you should read this manual, as well as review its warnings and the bicycle’s functions and operating procedures with your child, before letting your child ride the bicycle.
Warning
Make sure that your child always wears an approved bicycle helmet when riding; but also make sure that your child understands that a bicycle helmet is for bicycling only, and must be removed when not riding. A helmet must not be worn while playing, in play areas, on playground equipment, while climbing trees, or at any time while not riding a bicycle. Failure to follow this warning could result in serious injury or death. Your electric bicycle is designed for use by persons of 16 years old and older. Do not let a child younger than 16 years old ride the bicycle unless the local laws state otherwise.
Meter Programming & Use
800 or 810 LED

Operations
- Press ON/OFF to start the power:
- Press 6km/h button to activate the walking mode.
- Press mode to select the pedal assistant power with pedals and throttle
(Low-Med-High)
Low=40% of max speed;
Med=75% of max speed;
High=100%of max speed - L-H is indicating the battery power
S900 LCD
Presentation of Screen

- Speed :Average SPEED/MAX SPEED
- Speed unit :Kmh/MPH
- Battery level: 5 levels, voltage interval could be customized
- Head light icon : indicates when head light and back light are on
- Error code : “ERROR” and code when there is error
- Assist level :actual assist level 0~5, 0 –no assist, 1- ECO, 2,3-STD,
4,5-POWER) - Distance :Trip/ODO
- 6km mode
To turn the unit on, press and hold the “M” button to start the display. Long press again “M” will switch it off. The display switches off automatically if there is no activity for ten minutes (default).
Display setting:
- Short press M button to switch ODO/Trip.
- Short press up or down button to change assist level, default value is level 1
- Long press up button for 3 seconds turn on/off the head light when application
- Long press down button to enter/quit walking mode, “walk” will show up on screen
Advanced setting
Hold the up and down button for seconds to enter the setup interface, short press up or down button to change the value, short press M button to save current value and switch to next parameter.
- Backlight-P01, press up or down button to change the brightness (range is 1 to 3)
- Speed unit-P02, press up or down button to change between MPH and KMH.
- Voltage-P03, press up or down button to change the voltage 24v/36v/48v.Please don’t change the default value.
- Sleep time interval setting-P04. Press up or down button to change the time, range from 0 to 60 minutes. Display will sleep and cut off power after no operation on system for the selected time, the default value is 5 minutes.
- Assist level-P05. Press up or down button to change the level between 0(max level=3) and 1(max level=5) and 2(max level=9)
- Wheel size-P06. Press up or down button to change wheel size. Please don’t change the default value.
- Reset all parameters-P11. Long press up button 5 seconds, when displays “ssss”, all parameters reset to default values (except for the ODO distance)
Error codes
When something goes wrong with system, an error code will flash on the display. Check details on attached list. The motor will stop working in the event of an error. Only when the error is gone, will the motor work again.
Error Codes:
| Error code | Definition |
| 0 | Normal |
| 2 | Short circuit protection of motor |
| 3 | Controller error |
| 4 | Throttle error |
| S | Motor error |
| 8 | Low battery level |
| 9 | High battery level |
| 10 | Motor hall sensor error |
| 30 | UART receive error |
TROUBLESHOOTING – A Quick Checklist
Here’s a quick checklist for troubleshooting if you should find yourself at the side of a road with a problem.
In many cases, reported faults or problems are a simple case of understanding the product better but unexpected problems can happen.
The following are some simple roadside assistance tips for electrical problems:
- No meter power. Check the battery is charging and charged, check the battery connections, display connections, check the key switch. If none of the above applies, it may be your control unit or display depending on the model.
- No throttle/pedal assist power (meter on). This means the battery is probably fine and it is likely to be a connection issue. Check if the brakes/brake sensors have bounced back properly, check connections to your motor, then connections to your interface (throttle) and sensors. If none of the above applies, it may be the controller failure.
- Power cut-out. Check if the brakes/brake sensors have bounced back properly, check battery contacts, check connections. Before seeking help try to notice exactly when the cut-out occurs, i.e. on a long hill, on a short steep hill, how many miles from last charge, after a bump, immediately after stopping or slowing. This could be an issue with the motor.
- Battery not charging. Check the charger fuse, check the power supply. Turn off other appliances on the same power board, don’t use long extension cables.
- Battery cuts out, particularly under load. Check any connectors, check wiring between battery and motor. This could be an issue with the battery.
- Motor noise. Roll backwards to see if the same noise occurs, cycle without power to see if the same noise is still there; check connections especially if you have removed a component recently. Check for sources of friction behind the brake pads and around the wheel.
- Motor resistance. Ensure motor wheel is mounted correctly, check if brakes are disengaging and set up correctly, check for sources of friction, disengage power and see if resistance persists, roll the bike backwards with the power on – you may have a sticky/rusty brake or hub especially if you’ve driven through flood water (not advised).
- Short riding distance. This could be an issue with Low tire pressure, Driving on many hills, headwind, braking, departures, and/or excessive load, Battery discharged for long period of time, without regular charges ,aged or damaged.
Fault rates on ebikes are generally very low – about 1% over 12 months – that’s IF they are maintained well, are well built in the first place and are used as they were intended.
Simple Maintenance Tips for your Electric Bike
Having an electric bike that breaks down or isn’t running smoothly is a real pain. Here are few simple things you can do to avoid this and keep it running smoother for longer.
Electric bikes are bicycles that have additional technology to provide pedal assistance. Because they tend to get used so much more, and at greater average speeds, maintenance is a critical factor in keeping them running smoothly.
You don’t need to have a fancy workshop, just do these few simple things:
Bicycle maintenance
- Regularly check the bolts of critical structural components – handlebars, seat rails, wheels etc. Riding with loose bolts can be dangerous.
- Lube your chain once every month.
- Check tire pressures at least once a week. Pump up to the recommended pressures if needed.
- Clean your ebike with a regular hose and / or bucket & brush. Strictly no power wash.
Electrics maintenance
There is very little to do in terms of electrics maintenance however the main thing is to take care! Particularly when you are moving your ebike in and out of cars, stairs or tricky storage places
- Wiring. Be careful not to knock your wiring, particularly on things such as lights, motor cables near wheels, sensor cables etc
- Batteries. See our article on battery care and safety. Also take care sliding your battery in and out so you don’t bend any nodes on the battery plate.
It is a good practice to have the bike serviced regularly by a skilled mechanic – preferably one with experience working on electric bikes! Find or avoid problems before they happen.
WARRANTY INFORMATION
We strive to make sure our items are accurately described so that people are clearly aware in advance of what they are getting, Please feel free to contact us if you have any questions before you place an order.
Warranty covers items that fail when used within their normal operating parameters.
Six Month (up to 4000km) Limited Warranty for Battery/Charger
Batteries and battery chargers have traditionally been our largest source of warranty support. Right now, we are trying to tackle this and are only selling quality lithium packs developed in partnership with Samsung or sinlion. The battery and charger warranty is 6 months, and it would cover things like:
- Faulty BMS circuits that trips below rated current or cause premature pack cutout
- Loose Internal cell tab soldering
Warranty does not cover:
- Lithium batteries that have self-discharged from being left on the shelf for an extended period of time
- Water damage, which does not affect the cells but can lead to unreliable BMS circuit behavior
- Lithium batteries are liable to self-discharge over time because the BMS circuit itself draws current from the battery pack. Although the amount of current is usually small ( < 1mA typically) it is still enough to kill a battery in 1-2 months if it is stored in an initially flat state. If you plan to store a lithium battery, be sure to top it up with a charger at least once every month.
Often, we get issues that are wiring related, such as a fuse holder that starts to melt from being loose, or a connector that gets corroded. In these instances, we will send or replace just the wiring part.
One Year (up to 8000km) Limited Warranty for Motor/Controller
This warranty covers material and manufacturing defects in the motor and controller itself, and not issues related to installation or physical damage. For instance, the following items would not be covered by our motor warranty:
- Problems resulting from Axle Spin-out
- Water damage
- Overheating damage
- Broken Spokes
Examples of things covered by motor warranty:
- Damaged sensors or gears in hub motor
- Damaged freewheel mechanism
- Bad ball bearings
- Cracked spoke flange
- Bad connector
Motor / controllers have a 1 year warranty. Warranty only covers the controller when used with 36V or 48V battery packs with our own hub motors. Some examples of things that would be covered:
- Severed wire inside the controller enclosure
- Random shorted mosfet when not caused from an axle spinout
Things that are not covered:
- Controller that fails when used with 3rd party motor system
- Corrosion of connectors from water exposure
- Controllers that are modified for more than 60V
We can’t really warranty controllers that are used with 3rd party motor systems. It is possible to have a hub with very low winding resistance (think short circuit) which would fry the controller mosfets when throttling from a stall, as none of the controllers have pulse-by-pulse current limiting to protect them in this situation.
One Year (up to 8000km) Limited Warranty Bicycle for other Components
Anything sold by us not included under motors, batteries, controllers, or charger is covered under 6 months warranty. This includes such items as fork, brake lever, display, throttles, freewheels and miscellaneous connectors/cables/tools. This warranty does not include water damage, physical damage and normal wear and tear. These components therein are warranted to the original retail purchaser against manufacturing defects in materials and/or workmanship for a period of 12 months from the date of original retail purchase.
Returns
If you Change your mind and simply want to return it for a refund within 7 days of receiving it, please make sure the bike in new condition and well packed, but depending on circumstances we will charge a restocking fee( 20% of MSRP). Shipping fee and other service fee are not refundable, and you are also responsible for returning the item to us. We don’t encourage either impulse purchasing or impulse refunds, so spend the time in making the decision.
Exchange
If you purchased something in error and need to exchange it for a different product or model within 7 days, please make sure the bike is in good and unused condition. The 20% of MSRP restocking fee is still applicable in this case, depending on the condition of the returned bike. We will not cover the shipping for the trade-in or desired product.
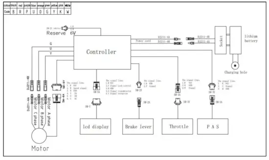
WIRING DIAGRAM

This wiring diagram is only for reference, if any question you have, please contact customer service for any repair.
RECORDING YOUR EMMO BIKE INFO
BICYCLE SERIAL NUMBER:
BATTERY SERIAL NUMBER:
MODEL:
COLOR:
DATE OF PURCHASE:
DEALER’S NAME:
DEALER’S PHONE:
DEALER’S EMAIL:
Disclaimer
Thank you for choosing the EMMO electric bike. We believe this technology, with the benefits of electric propulsion, provides you with the perfect vehicle to increase your personal mobility.
Our brushless, electric hub motor allows you to run errands or commute to work while saving money on gas and reducing the environmental impact on our world. It also gives you the opportunity to pedal if you want to get exercise along the way. We believe you will enjoy your riders with EMMO.
If you have any concerns, questions or suggestions about the EMMO electric bike, please contact us at www.emmo.ca . Again, thanks for choosing EMMO.




















