beko BHCB63640B Cooker Hood

Please read this user manual first!
Dear Valued Customer,
Thank you for preferring this Beko appliance. We hope that you get the best results from your appliance which has been manufactured with high quality and state-of-the-art technology. For this reason, please read this entire user manual and all other accompanying documents carefully before using the appliance and keep it as a reference for future use. If you handover the appliance to someone else, give the user manual as well. Follow the instructions by paying attention to all the information and warnings in the user manual. Remember that this user manual may also apply to other models. Differences between models are explicitly described in the manual. Meanings of the Symbols
The following symbols are used in various sections of this user manual:
- Important information and useful hints about usage.
- WARNING: Warnings against dangerous situations concerning the security of life and property.
- WARNING: Warning for the danger of fire.
- WARNING: Warning for electric shock.
Important safety and environmental instructions
General safety
Important Safety Instructions Read Carefully And Keep For Future Reference This section contains safety instructions that will help protect from risk of fire, electric shock, exposure to leak micro-wave energy, personal injury or property damage. Failure to follow these instructions shall void any warranty.
- Beko products comply with the applicable safety standards; therefore, in case of any damage on the appliance or power cable, it should be repaired or replaced by the dealer, service center or a specialist and authorized service alike to avoid any danger. Faulty or unqualified repair work may be dangerous and cause risk to the user.
- This appliance is intended to be used in household and similar applications such as:
- Staff kitchen areas in shops, offices, and other working environments;
- Farmhouses
- By clients in hotels, and other residential type environments;
- Bed and breakfast type environments
- Operate the appliance for its intended purpose only as described in this manual.
- The manufacturer cannot be held liable for damages resulting from improper installation or misuse of the product.
- This appliance can be used by children aged from 8 years and above and persons with reduced physical, sensory or mental capabilities or lack of experience and knowledge if they have been given supervision or instruction concerning use of the appliance in a safe way and understand the hazards involved.
- Children shall not be allowed play with the appliance. Cleaning and user maintenance shall not be made by children without supervision
- The minimum distance between the supporting surface for the cooking vessels on the hob and the lowest part of your product must be at least 65 cm.
- If the instructions for installation for the gas hob specify a greater distance, this has to be taken into account.
- Make sure that your main power supply complies with the information supplied on the rating plate of the appliance.
- Never use the appliance if the power cable or the appliance itself is damaged.
- Prevent damage to the power cable by not squeezing, bending, or rubbing it on sharp edges. Keep the power cable away from hot surfaces and naked flame.
- Use the appliance with a grounded outlet only.
WARNING: Do not connect the appliance to the mains until the installation is fully complete.
- Place the appliance in a way so that the plug is always accessible.
- Do not touch the lamps if they have operated for a long time. They can burn your hands since they will be hot.
- Follow the regulations set out by competent authorities on discharge of the exhaust air (this warning is not applicable for use without flue).
- Operate your appliance after putting a pot, pan, etc. on the hob. Otherwise, high heat may cause deformation in some parts of your product.
- Turn off the hob before taking the pot, pan etc. from it.
- Do not leave hot oil on the hob. Pans with hot oil may cause self-combustion.
- Pay attention to your curtains and covers since oil may catch fire while cooking food such as fries.
- The grease filter must be cleaned at least monthly. The carbon filter must be replaced at least every 3 months.
- The product shall be cleaned in accordance with the user manual. If the cleaning was not carried out in accordance with user manual, there may be fire risk.
- Do not use non-fire-resistant filtering materials instead of the current filter.
- Only use the original parts or parts recommended by the manufacturer.
- Do not operate the product without the filter and do not remove the filters while the product is running.
- In the event of be started any flame, de-energize your product and cooking appliances.
- In the event of be started any flame, cover the flame and never use water to extinguish it.
- Unplug the appliance before each cleaning and when the appliance is not in use.•
- The negative pressure in the environment should not exceed 4 Pa (4×10 bar) while the hood for elec-tric hob and appliances running on another type of energy but electric-ity operate simultaneously.
- In the environment where the appliance is being used, the exhaust of devices running on fuel oil or gas, such as room heater must be absolutely isolated or device must be hermetical type.
- When connecting the flue, use pipes with a diameter of 120 or 150 mm. The pipe connection must be as short as possible and have as few elbows as possible.
- The danger of choking! Keep all the packaging materials away from children.
CAUTION: Accessible parts may become hot when used with cooking appliances.
- The product outlet must not be connected to air channels that include other smoke.
- The ventilation in the room may be insufficient when the hood for the electric hob is used simultaneously with the devices operating on gas or other fuels (this may not apply to appliances that only discharge the air back into the room).
- Objects placed on the product may fall. Do not place any objects on the product.
- Do not flambe under your product.
WARNING: Before installing the Hood, remove the protective films.
- Never leave high naked flames under the hood when it is in operation
- Deep fat fryers must be continuously monitored during use: overheated oil can burst into flames.
Compliance with the WEEE Directive and Disposing of the Waste Product:
This product complies with EU WEEE Directive (2012/19/EU). This product bears a classification symbol for waste electrical and electronic equipment (WEEE).
This symbol indicates that this product shall not be disposed of with other household wastes at the end of its service life. Used devices must be returned to an official collection point for the recycling of electrical and electronic devices. To find these collection systems please contact to your local authorities or retailer where the product was pu-chased. Each household performs an important role in recovering and recycling of old appliances. Appropriate disposal of used appliances helps prevent potential negative consequences for the environment and human health.
Compliance with RoHS Directive
The product you have purchased complies with EU RoHS Directive (2011/65/EU). It does not contain harmful and prohibited materials specified in the Directive.
Package Information
Packaging materials of the product are manufactured from recyclable materials in accordance with our National Environment Regulations. Do not dis- pose of the packaging materials together with the domestic or other wastes. Take them to the pack-aging material collection points designated by the local authorities.
General appearance
Overview

- Inner chimney
- Outer chimney
- Control panel
- Grease filter
- Lighting
Technical data
| Model | BHCB 63640 B | BHCB 63640 BH |
| Supply voltage & Frequency | 220-240V ~ 50 Hz | |
| Lamp power | 2 x 3 W | |
| Motor power | 210 W | |
| Flow rate – 3. Level | 627 m³/h | |
| Insulation class of motor | Class F | |
| Insulation class | Class I | |
Operation of the appliance
Controlling the Appliance
![]()
| |
| KEY | FUNCTION |
| A : Light On / Off | You may illuminate the cooking area by pressing this button. Re- press the button to turn off the lamp. |
| B : 1. Stage Button | Operates the appliance on 1st speed. When you press this button again to turn off the appliance, the screen speed stage turns off. |
| C : 2. Stage Button | Operates the appliance on 2nd speed. When you press this button again to turn off the appliance, the screen speed stage turns off. |
| D : 3rd Stage Button | Operates the appliance on 3rd speed. When you press this button again to turn off the appliance, the screen speed stage turns off. |
Energy-efficient usage
- When using your appliance, adjust the speed settings according to vapor and odor intensity, in order to save energy.
- Use low speeds (1-2) under normal conditions, and high speed (3) for intense odor and vapor.
- The lamps on the hood are placed for illuminating the cooking area.
- Using them for environmental lighting shall cause unnecessary energy expenditure and insufficient lighting.
Operating the hood
- Your appliance contains a motor that has various speeds.
- For better performance, we recommend using low speeds under normal conditions and high speeds in cases of strong odors and intense vapor.
- You can start your appliance by pressing on the desired speed setting button. (B, C, D)
- You may illuminate the cooking area by pressing the lamp (A).
Automatic stop
Your appliance has an Automatic Stop feature, enabling it to ventilate for a bit more and remove the unwanted odors and vapor inside the environment and turn off automatically after the cooking is done. To enable the Automatic Stop feature, press any speed stage button (B, C, D) on the control panel for longer than 2 seconds; the 15-minute timer function shall be activated. When the automatic stop feature is active, pressing the same speed button shall disable the automatic stop function and the appliance’s motor shall stop. This feature is disabled when you switch between different speed stages. If you want the appliance to stop automatically, you need to enable the automatic stop feature again.
Replacement of Lamp

(Figure 3)
Make the electrical connections of the appliance. Your appliance uses 3W spot LED lamp. For re-placing, the lamps, push downwards on the holder from its behind, turn it counter-clockwise, and take it out downwards. Apply the above operation in re-verse to install new lamps (Figure 3).

This product contains a light source of energy efficiency class “F”.
Operation with chimney connection
Vapour is extracted through the flue duct, which is fastened to the connection head on the hood. The diameter of the flue duct must be the same as the connection ring. In horizontal settings, the pipe has to have a slight upward slope (around 10º) so that the air can exit the room easily.

Operation without a chimney connection
- Air is filtered through the carbon filter and recirculated in the room. Carbon filter is used when it is impossible to use a flue in the house.

Cleaning and maintenance
Before cleaning and maintenance, unplug the product or turn off the switch.
Cleaning of grease filter
A grease filter is used to retain the oil particles in the air. The grease filter may change color after repeated cleaning. This is normal, and you do not have to replace your filters.

- Push the grease filter lock forward.
- Then pull it slightly down and pull it out (Figure 4). Otherwise, you may bend the filter. Wash and rinse the grease filter with liquid detergent and re-place the grease filter to their seats by carrying out the steps specified above in reverse order. These grease filters are used to retain the oil particles in the air.
IMPORTANT
You may also wash the grease filter in the washing machine.
CAUTION: In case of normal use, clean your grease filter once in a month.
Replacement of Carbon Filters0

- The appliance you have purchased is appropriate for use with carbon filters.
- Remove the grease filter (Figure 4).
- Place the lower part of the carbon filter to the motor cabinet (Figure 5).
- Press on the tab of the carbon filter and push it forward, and ensure that the tabs of the carbon filter are engaged and locked. (Figure 5).
- Attach the grease filter.
CAUTION
- The carbon filter shall never be washed.
- Replace carbon filters once every 3 months.
- You can obtain the carbon filter from the authorized services.
Installation of appliance
WARNING: Before starting the installation, read the safety informa-tion on User Manual.
WARNING: Failure to install with screws and stabilizers in accordance with these instructions may result in electric shock.
For the installation of the hood, please contact the nearest Authorized Service. It is the customer’s responsibility to prepare the location and electrical installation of the hood.
Position of the Appliance

- Distance between the cooker and the cooker hood must be considered prior to assembly. This distance should be 65 cm (Figure 6).
- Distance must be measured from the surface of grate for gas cookers,
- from surface of glass for electric cookers.
Installation Accessories

- Product
- Inner Chimney
- Outer Chimney
- Ø150/120 mm Plastic Flue Adapter
- Chimney Connection Plate
- User Manual
- Assembly Pattern
- 2x Hanging Plates
- 2x Ø6mm Plastic Dowel
- 3x Ø10mm Plastic Dowel
- 3x 5.5×60 Wall Mount Screw
- 2x M5x35 Hanging Plate Connection Screw
- 2x 3.9×22 Chimney Connection Plate Screw
- Air Baffle
- Plastic Adapter (Air Diverter)
- 2x 3.5×9.5 Chimney Connection Plate Screw
- Chimney Clamp
The information required to make the location suit-able for the installation of the hood is given below.
Wall Mounting
- Wall must be flat, straight and have sufficient bearing capacity.
- The depth of drilling holes must comply with the length of bolts.
- The bolts and dowels provided are suitable for brick walls. For other construction material (e.g. drywall, plate, porous concrete), suitable fixing dowels and nuts shall be used.

CAUTION: Before drilling, ensure that there are no power, gas or water pipes in close proximity of the drilling locations.
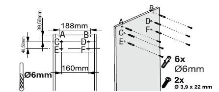
Draw a mid-location line from the ceiling perpendicular to the lower edge of the hood. Fix the assembly scheme on the wall. For points, A and B, take the maximum dimensions of the hood as a reference, and drill points A and B you have marked with a Ø6mm drill bit, and tap Ø6mm plastic wall plugs. Install the chimney connection plate to the wall with 2 pieces of 3.9×22 screws (Figure 8).
To install the hood body, drill points C, D, E, F specified in the installation template with a Ø10mm drill bit and tap Ø10mm plastic dowels to these points (Figure 8). Install 2 pieces of 5.5×60 mounting screws to points C and D with a clearance of 5 mm between the screw head and the wall (Figure 8).

(Figure 8)
Install two pieces of hanging plates to the body of the hood with M5x35 mounting screws (Figure 8).

(Figure 9)
Hold the cooker hood by its body and place it on the mounting screws on the wall and tighten the screws (Figure 9). Secure the cooker hood with a 5.5×60 screw to the wall through the mounting hole on the interior of the appliance (Figure 9).
Connecting to Chimney
If you are going to use the Ø 120/150 mm plastic Chimney adapter, connect one end of the pipe to this adapter, if you are not going to use it, to the direct output on the product. Connect the other end of the pipe to your Chimney. Check that these two connections are tight enough so they will not come out when the appliance runs on full power. Check if the flaps inside the Chimney operate when they are tightened with clamps. Connect the Chimney connection duct outside the adapter (Figure 11/a). If the connection duct is fitted inside the adapter, suction of air shall not occur as the Chimney flap that prevents the return of air will remain closed (Figure 11 / b). The length of the pipe connection as well as the number of elbows must be as minimum as possible.
- Chimney exit pipe
- Non return flaps
- Plastic flue
If the valves are closed then the appliance is not operating and prevents possible outside odor and dust from entering inside.


Installation of the Hood to the Chimney
Make the electrical connection of your hood before starting the installation of the Chimney. Slip the Chimney plates around the body. Install the Chimney plate to the Chimney fasten-ing plate that is secured to the wall from its upper outer edges (Figure 12).

- Inner Chimney
- 3.5×9.5 Screw
- Chimney Connection Plate
Installation of Air Baffle (BHCB 63640 BH)
While using with the carbon filter, air baffle is pro-vided with your appliance with the aim of re-re-leasing the air which is cleaned with carbon fil-ter from the perforated located on the Chimney. Assemble the air baffle as below.

There is a tab in the middle of the Chimney con-nection plate. Place the middle point of this tab on the line that is drawn perpendicular to the wall. Align horizontally and mark the holes where the connection plate will be mounted via a pen (Figure 13/A, B). Drill the marked points with Ø6mm drill and insert two Ø6mm plastic dowels in the drilled holes (Figure 13/A, B). Fix the Chimney connection plate to the wall with 3.9×22 screws (Figure 13/A, B). For air baffle assembly, install points C, D, E, and F with Ø6mm drill and Ø6mm plastic dowels (Figure 13 ).

Attach the plastic Chimney adapter, which is in-cluded in the package, in the direction of the air baffle. Lock the Chimney adapter by turning it in the direction of the arrow (Figure 14).

(Figure 15)
Assemble the air baffle group with 3.9 x 22 screws from point C, D, E, F that you have already prepared (Figure 13).
Assemble the hood body (Figure 7).

(Figure 16)
Aluminium Air Outlet Pipe Make the air outlet pipe assembly (Figure 16).
Since twists and bends in the aluminum pipe will lead to a reduction in the air suction power, avoid using twists and bends as much as possible. Install the Chimney plates of the hood (Figure 12)
Troubleshooting
| Troubleshooting | Root cause | Help |
| Appliance is not working. | Check your fuses. | Fuse may be blown, inspect and restore it. |
| Appliance is not working. | Check the electrical connection. | Mains voltage shall be between 220 and 240 V. |
| Appliance is not working. | Check the electrical connection. | Check if other appliance in your kitchen operate. |
| Illumination light does not operate. | Check the electrical connection. | Mains voltage shall be between 220 and 240 V. |
| Illumination light does not operate. | Inspect the lamp switch. | Lamp switch shall be at “on” position. |
| Illumination light does not operate. | Inspect the lamps. | The lamps of the appliance shall illuminate. |
| Air inlet of the appliance is inadequate. | Inspect the grease filter. | Under normal operating conditions, grease filter shall be cleaned at least once in a month. |
| Air inlet of the appliance is inadequate. | Check the air discharge chimney. | The air discharge chimney shall be at “on” po- sition. |
| Air inlet of the appliance is inadequate. | Inspect the carbon filter. | The filters of the appliances with carbon filters shall be replaced once in every 3 months under normal conditions. |


















