FLOMEC QSE Series Electro Magnetic Meter

Please save these instructions for future reference. Read carefully before attempting to assemble, install, operate or maintain the product described.
Protect yourself and others by observing all safety information. Failure to comply with instructions could result in personal injury and/or property damage.
Please refer to back cover for information regarding this product’s warranty and other important information.
DO NOT RETURN THIS PRODUCT TO THE STORE!
Please contact Great Plains Industries, Inc.® before returning any product. If you are missing parts, or experience problems with your installation, contact our Customer Support Department. We will be happy to assist you.
Call: 888-996-3837 or 316-686-7361
Email: [email protected]
BEFORE YOU BEGIN
Usage
- This meter is CSA, NSF, CE and China RoHS approved and has an IP67 environmental rating.
Power Source Requirements
- This meter requires DC power. For this application, the power is provided by the customer power supply. See meter Specifications section for detailed information.
Fluid Conductivity
- Process fluid to have a minimum of 10uS/cm of conductivity. Use ofnon-conductive fluids prohibited. Refer to the Fluid Electrical Conductivity section for details.
Grounding
- Proper earth grounding and bonding of meter and all plumbing around the meter is essential. Refer to Installation section for details.
UNPACKING
Inspect
- Upon receipt, examine your equipment for visible damage that may have occurred during shipment. If any items appear damaged or missing, contact your distributor.
- See General Safety Instructions, and all Cautions, Warnings, and Dangers as shown.
GENERAL SAFETY INSTRUCTIONS
IMPORTANT: It is your responsibility to:
- Ensure that all equipment operators have access to adequate instructions concerning safe operating and maintenance procedures.
CAUTION
- This product is not approved for use with petroleum products (diesel fuel, unleaded gasoline, jet fuel, kerosene, etc.), aromatic hydrocarbons or other incompatible chemicals
- This product is not approved for use in hazardous locations.
WARNING
When applying power, adhere to specifications listed in appropriate electronics manual.
CAUTION
Disconnect external power before attaching or detaching input or output wires.
WARNING
Compatibility of this product’s material and the process fluid and/or environment should be considered prior to putting into service.
- Product should never be operated outside its published specifications for temperature or pressure. See specifications for your model.
- Make sure flow and pressure have been eliminated from process pipe prior to installing or removing product.
CAUTION
Installation near high electromagnetic fields and high current fields is not recommended and may result in inaccurate readings.
- Do not allow water to freeze in meter. Ice expansion may burst the plastic housing.
- Do not allow this meter to be used with steam.
SPECIFICATIONS
Design Type: Electromagnetic
| INLET AND OUTLET | |
| NPT MODELS | |
| QSE05NPT | 1/2 inch NPT |
| QSE07NPT | 3/4 inch NPT |
| QSE10NPT | 1 inch NPT |
| QSE15NPT | 1-1/2 inch NPT |
| QSE20NPT | 2 inch NPT |
| BSPP MODELS | |
| QSE05BSP | 1/2 inch BSPP (ISO 228 – G 1/2) |
| QSE07BSP | 3/4 inch BSPP (ISO 228 – G 3/4) |
| QSE10BSP | 1 inch BSPP (ISO 228 – G 1) |
| QSE15BSP | 1-1/2 inch BSPP (ISO 228 – G 1 1/2) |
| QSE20BSP | 2 inch BSPP (ISO 228 – G 2) |
| ANSI FLANGE MODELS | |
| QSE30FAP | 3 inch 150 # ANSI Flange (Polymer) |
| QSE40FAP | 4 inch 150 # ANSI Flange (Polymer) |
| FLUID ELECTRICAL CONDUCTIVITY | |
| Minimum | 10 uS/cm |
| Recommended Minimum | 50 uS/cm |
See electronics manuals for electronic specifications
| WETTED COMPONENTS | |
| Housing | NORYL™ GFN3 PPE+PS |
| Electrodes | 316L Stainless Steel |
| Temperature Probes | 316 Series Stainless Steel |
| Pipe Plugs | 300 Series Stainless Steel |
| O-Rings | EPDM (Ethylene Propylene Diene Monomer) |
| MAXIMUM WORKING PRESSURE | |
| De-rate maximum working pressure 0.682 PSIG per each degree °F above 70° F | |
| NPT | 150 PSIG @70° F 10.3 BAR @ 21° C |
| BSPP | 150 PSIG @70° F 10.3 BAR @ 21° C |
| ANSI FLANGE | 150 PSIG @70° F 10.3 BAR @ 21° C |
| POWER SUPPLY | |
|
Voltage Requirement | Min. 12 VDC (Lower voltage will cause inaccurate readings) |
| Max. 36 VDC (higher voltage may damage unit) | |
| ELECTRICAL | |
| Pollution Degree | 2 |
| Installation Category | 1 |
| Altitude | 2,000m Max. |
| IP67 rated enclosure. CSA approved for indoor use only | |
U.S. Measurement
| Unit of Measure: | Gallon | |||||
| TURNDOWN | 60:1 | |||||
| ACCURACY | ||||||
| Line Size | Flow Range (GPM) | ACCURACY | ±Uncertainty | Typ. K-factor (PPG) | ||
| 1/2 inch | 0.16 to 10 gpm (.25 to 15 fps) | ± 0.5% of Reading | ± 0.023 fps | ± .015 gpm | 4347 | |
| 3/4 inch | 0.33 to 20 gpm (.25 to 15 fps) | ± 0.5% of Reading | ± 0.012 fps | ± .015 gpm | 1937 | |
| 1 inch | 0.67 to 40 gpm (.25 to 15 fps) | ± 0.5% of Reading | ± 0.006 fps | ± .015 gpm | 1089 | |
| 1 1/2 Inch | 1.33 to 80 gpm (.25 to 15 fps) | ± 0.5% of Reading | ± 0.003 fps | ± .015 gpm | 484.1 | |
| 2 inch | 2.5 to 150 gpm (.25 to 15 fps) | ± 0.5% of Reading | ± 0.003 fps | ± .030 gpm | 400 | |
| 3 inch | 5 to 300 gpm (.25 to 15 fps) | ± 0.5% of Reading | ± 0.003 fps | ± .060 gpm | 121 | |
| 4 inch | 10 to 600 gpm (.25 to 15 fps) | ± 0.5% of Reading | ± 0.003 fps | ± .120 gpm | 68.1 | |
| FLUID OPERATING TEMPERATURE: | +32° F to +180° F | |||||
| (Do not allow fluid to freeze inside meter.) | ||||||
| STORAGE TEMPERATURE: | –40° F to +228° F | |||||
| AMBIENT AIR OPERATING TEMPERATURE | 0° F to +140° F ALL METERS | |||||
There is a correlation between ambient air temperature and maximum fluid operating temperature:
- As ambient air temperature increases, the maximum fluid operating temperature decreases.
See Maximum Temperature Conditions graph named “Temperatures” at the end of the Specifications section to verify that your process is within allowable meter operating limits.
Metric Measurement
| Unit of Measure: | Litre | |||||
| TURNDOWN | 60:1 | |||||
| ACCURACY | ||||||
| Line Size | Flow Range (L/min) | ACCURACY | ±Uncertainty | Typ. K-factor (PPL) | ||
| 1/2 inch | 0.63 to 38 L/min [.076 to 4.57 m/s] | ± 0.5% of Reading | ± 7.0 mm/s | ± .057 L/min | 1148.5 | |
| 3/4 inch | 1.27 to 76 L/min [.076 to 4.57 m/s] | ± 0.5% of Reading | ± 3.7 mm/s | ± .057 L/min | 511.8 | |
| 1 inch | 2.52 to 151 L/min [.076 to 4.57 m/s] | ± 0.5% of Reading | ± 2.0 mm/s | ± .057 L/min | 287.7 | |
| 1 1/2 Inch | 5.05 to 303 L/min [.076 to 4.57 m/s] | ± 0.5% of Reading | ± 1.0 mm/s | ± .057 L/min | 127.9 | |
| 2 inch | 9.47 to 568 L/min [.076 to 4.57 m/s] | ± 0.5% of Reading | ± 1.0 mm/s | ± .114 L/min | 105.7 | |
| 3 inch | 19 to 1140 L/min [.076 to 4.57 m/s] | ± 0.5% of Reading | ± 1.0 mm/s | ± .227 L/min | 30 | |
| 4 inch | 38 to 2270 L/min [.076 to 4.57 m/s] | ± 0.5% of Reading | ± 1.0 mm/s | ± .454 L/min | 18 | |
| FLUID OPERATING TEMPERATURE: | 0° C to +82° C | |||||
| (Do not allow fluid to freeze inside meter.) | ||||||
| STORAGE TEMPERATURE: | –40° C to +108° C | |||||
| AMBIENT AIR OPERATING TEMPERATURE | -18° C to +60° C ALL METERS | |||||
There is a correlation between ambient air temperature and maximum fluid operating temperature:
- As ambient air temperature increases, the maximum fluid operating temperature decreases.
See Maximum Temperature Conditions graph named “Temperatures” at the end of the Specifications section to verify that your process is within allowable meter operating limits.
U.S. Product Weight
| PRODUCT WEIGHT – lb:* | ||
| NPT / BSPP | ANSI Polymer Flange | |
| 1/2 in. | 2.5 | – |
| 3/4 in. | 2.6 | – |
| 1 in. | 2.7 | – |
| 1 1/2 in. | 3.9 | – |
| 2 in. | 4.3 | – |
| 3 in. | – | 14 |
| 4 in. | – | 16.3 |
Weight with display. For plain cover plates, subtract 0.2 lb.
Metric Product Weight
| PRODUCT WEIGHT – kg:* | ||
| NPT / BSPP | ANSI Polymer Flange | |
| 1/2 in. | 1.1 | – |
| 3/4 in. | 1.2 | – |
| 1 in. | 1.2 | – |
| 1 1/2 in. | 1.8 | – |
| 2 in. | 2.0 | – |
| 3 in. | – | 6.4 |
| 4 in. | – | 7.4 |
Weight with display. For plain cover plates, subtract 0.09 kg.
Dimensions

| QSE METER DIMENSIONS (NPT, BSPP, ANSI FLANGE) Listed in inches and Centimeters. Centimeters shown in [ ] brackets | |||||
| METER SIZE & FITTING | A | B | C | D | E |
| 1/2 in. | 5.20 | 5.85 | 10.50 | 5.13 | 1.83 |
| NPT & BSPP | [13.21] | [14.86] | [26.67] | [13.09] | [4.65] |
| 3/4 in. | 5.20 | 5.85 | 10.75 | 5.13 | 1.83 |
| NPT & BSPP | [13.21] | [14.86] | [27.31] | [13.09] | [4.65] |
| 1 in. | 5.20 | 5.85 | 11.00 | 5.13 | 1.83 |
| NPT & BSPP | [13.21] | [14.86] | [27.94] | [13.09] | [4.65] |
| 1-1/2 in. | 5.22 | 6.97 | 11.00 | 6.25 | 2.37 |
| NPT & BSPP | [13.26] | [17.70] | [27.94] | [15.88] | [6.02] |
| 2 in. | 5.22 | 6.97 | 11.00 | 6.25 | 2.37 |
| NPT & BSPP | [13.26] | [17.70] | [27.94] | [15.88] | [6.02] |
| 3 in. | 7.50 | 9.64 | 12.00 | 8.92 | 3.75 |
| ANSI Flange | [19.05] | [24.48] | [30.48] | [22.66] | [9.53] |
| 4 in. | 9.00 | 10.39 | 12.00 | 9.67 | 4.50 |
| ANSI Flange | [22.86] | [26.39] | [30.48] | [24.56] | [11.43] |
If 4-20 mA module is installed, add .90 [2.28] to height.
Temperatures

NOTE: It is permissible to use temperature ratings (see Specification section of this manual) for the following electronics if mounted on QSE Series Electromagnetic Meter:
- QSI Electronics
- QB Electronics
- Q9 Display
- 4-20 mA Module
FLUID ELECTRICAL CONDUCTIVITY
Fluid Electrical Conductivity Reference:
Process fluid to have a minimum of 10uS/cm of conductivity. Recommend 50 uS/cm or higher. Use of non-conductive fluids prohibited.
The basic unit of fluid conductivity is “mho/cm”, otherwise known as 1 Siemen. However, this unit does not really occur in water, so we typically use one thousandth (mili-) or one millionths (micro-) of it for natural waters (1000 milimhos and 1,000,000 micromhos are equal to one mho).
The useful unit for seawater is milimhos/cm (mS/cm); seawater is around 55 mS/cm.
The useful unit for freshwater is micromhos/cm (μmhos/cm, or μS/cm); tap water ranges between 50 and 800 μS/ cm (depending on the source).
Electrical Conductivity of Selected Fluids for Reference
Indicates below conductivity threshold.
| FLUID | CONDUCTIVITY (µs/cm) | METER COMPATIBILITY |
| Calcium Nitrate (6.25% by Weight) | 49,100 | ü |
| Magnesium Sulfate (5% by Weight) | 26,300 | ü |
| Asphalt Emulsion | 9000 | ü |
| Urea | 5000 | ü |
| Sugar Solution Dilute | 585 | ü |
| Acetic Acid | 318 | ü |
| Formaldehyde (44% by Weight) | 175 | ü |
| Water, NYC | 72 | ü |
| ISO-propyl Alcohol | 3.5* | |
| Ethylene Glycol (Pure) | 1.07* | |
| Water, Distilled | 0.04* | |
| Ethyl Alcohol | 0.0013* |
NOTE: This table of fluid conductivity is for reference only, to show the relative conductivity of various fluids. Since the list contains flammable fluids, it is not to be construed as a list of permissible fluids to be used with QSE series meters.
NOTE: QSE series meters are for use with water, aqueous solutions and other nonflammable, electrically conductive fluids. Do not use the meter with petroleum products (diesel fuel, unleaded gasoline, jet fuel, kerosene, etc.) or other incompatible chemicals.
METER OVERVIEW
Introduction
The QSE meter has multiple types of output electronics available. The electronics for the operation of the meter coils and flow tube are housed within the meter body casing.
The cover plate is designed in two versions; a plain cover plate or a display mount cover plate. The electronics (QB) and the choice of communications suites (QSI1, QSI2 or QSI3) are housed within the plain cover plate. A display (Q9) is also available mounted to the “display mount” cover plate.
All meters are equipped with galvanically isolated pulse-out electronics (QB) as the default standard, regardless of style of cover plate.
This manual contains overall information related only to the meter. This meter is externally powered and all external wiring connects to the electronics within the cover plate through its threaded ports.
The magnetic coils, electrodes and other electronic components within the main meter body receive power from the electronics housed within the cover plate through a ribbon
cable. See the included electronics manuals for meter wiring diagrams specific to your meter electronics.
Important Notice
Your QSE meter is supplied ready for operation in a wide variety of applications. The meter has been factory configured to your order. It is suitable for volumetric flow measurement of non-flammable, electrically conductive liquids that have a minimum fluid conductivity of 10 μS/cm, and are compatible with the wetted components of the meter (See Specifications section).
Fluid conductivity below 50 μS/cm may result in uncertain readings. Consult factory for use with fluids having a conductivity below 50 μS/cm.
Use QSE series meters with water, aqueous solutions and other non- flammable,electrically conductive fluids. A fluid conductivity chart of common liquids is in this manual for your reference. Do not use the meter with petroleum products (diesel fuel,unleaded gasoline, jet fuel, kerosene, etc.) or incompatible chemicals.
QSE series meters are very sensitive to electric noise if operated within 6 inches (15.2cm) of some electric motors, relays, transformers or other sources of electronic noise.
If the QSE series meters are used in a manner not specified by the manufacturer, the protection provided by the equipment may be impaired.
Principle of Operation
Faraday’s Law of Electromagnetic Induction is the operating principle on which the QSE series meters are based. Faraday’s Law (paraphrased) states that a voltage will be induced in a conductor when it passes through a magnetic field, and the induced voltage will be directly proportional to the velocity of the conductor passing through that magnetic field. In this case, flowing liquid is the conductor and the QSE meter creates the magnetic field.
The velocity of the flowing liquid, which must pass through the magnetic field, is the velocity of the conductor. A voltage is induced in the conductive liquid as it passes through the magnetic field. By placing electrodes in calculated locations on the flow tube of the meter, it is possible to accurately measure the induced voltage, thus determining the corresponding velocity and volumetric flow of the liquid.
Safety
- This product is not approved for use with petroleum products (diesel fuel, unleaded gasoline, jet fuel, kerosene, etc.), aromatic hydrocarbons, flammable fluids or other incompatible chemicals
- This product is not approved for use in hazardous locations.
- Be sure O-rings and seals are kept in good repair.
- When applying power, adhere to specifications listed in appropriate electronicsmanual.
- Disconnect external power before attaching or detaching input or output wir es.
INSTALLATION
Earth Ground
When making installations, the magnetic flow meter grounding rules have to be observed. The sensors of the QSE flow meter are sensitive to any electrical noise that is always present in piping systems. The fluid in piping systems usually carries significant levels of static electricity, and should be grounded for the QSE meter to be at its best performance.
As part of the installation, it is important to understand the importance of having the QSE meter connected to “earth ground”. Earth grounding helps ensure electronic component stability and reliability by using the earth to absorb any static charge buildup or spurious signal noise that can affect the meter electronics. Earth ground in this installation is NOT the ground wire in the customer isolated power supply.
Process Fluid Grounding
Establishing a process fluid ground is one of the most important installation details.
Proper process fluid grounding ensures that the sensor and fluid are at the same electrical potential so that only the induced flow signal is measured. The process fluid grounding provides a stable base potential reference for measuring the induced flow signal (the differential between the base potential reference and the fluid flow potential created by the sensor magnetic field). Process fluid grounding should be established on both sides (upstream and downstream) of the sensor elements.
By connecting the QSE sensor, the fluid, and the reference used by the internal electronics to a stable, noise free reference point (earth ground), the user is ensured of getting the best performance from their magnetic flowmeter.
Each QSE meter has a ground lug with a removable ring terminal located in the circular wall adjacent to the outlet end of the meter. This ground lug is connected internally to the electronics and sensors and is the meter connection to earth ground (the base potential reference).
Grounding Summary
- Ground sensor to meter ground lug. (Done at factory.)
- Ground electronics to meter ground lug. (Done at factory.)
- Ground process fluid to meter ground lug (customer responsibility). Variousprocess fluid grounding examples are shown on the following pages (see Figures 1, 2, and 3) to assist you in completing this item. The examples cove rvarious meter installation situations.
- Ground the meter ground lug to earth ground (customer responsibility).
All of the examples on the following pages show 14-16 AWG ground wire (customer supplied) being used. A ground wire should be crimped to the ring terminal on the meterground lug and the other end of the ground wire connected to earth ground (item 4 above).
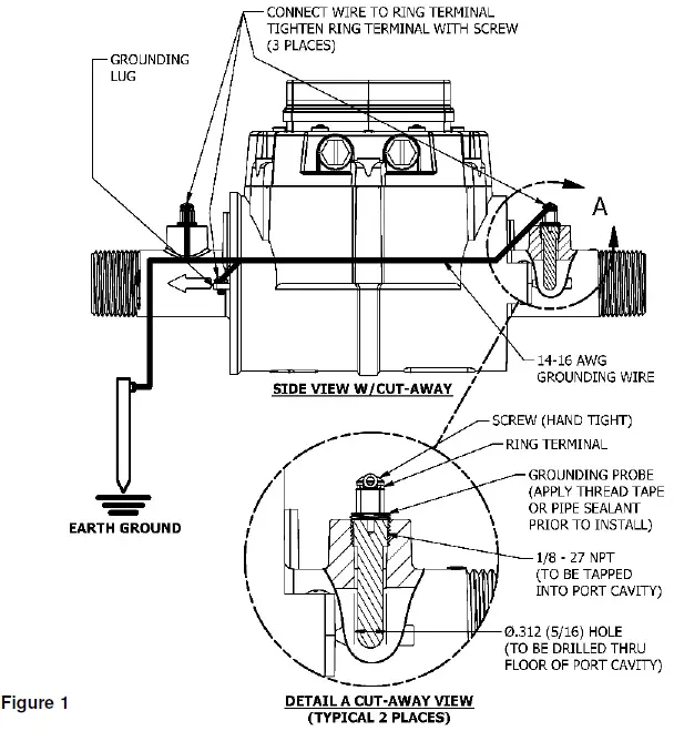
GROUNDING – Threaded Fittings – All Process Pipe Materials
Using GPI Grounding Probes (Kit P/N 145630-529)

GROUNDING – Threaded Fittings – Non-Conductive (Plastic) Pipe
Using Commercially Available Metal Couplings

GROUNDING – ANSI Flange – Non-Conductive (Plastic) Pipe
Using Commercially Available Grounding Rings

METAL PIPE – ANSI FLANGE – Flexible Expansion Joint
CAUTION: When installing to metal pipe, it is recommended to use flexible expansion joints on one or both ends to eliminate any stresses that might be incurredfrom misaligned rigid metal piping. Failure to do so could result in permanent meter damage.

NOTE: Flexible expansion joints on both sides of the meter are recommended, however, some applications may only require a single flexible expansion joint to be used.
GPI is not responsible for any damage that may occur when installing a QSE Meter in metal pipe applications, regardless of the use of a single or both flexible expansion joints.
Figure 3A
Connections
Install your meter in-line with either horizontal flow or vertical flow. The best meter position for horizontal flow setups is with the meter rotated slightly (about 1 o’clock or 2 o’clock) to tilt the top from the horizontal plane (see Figure 4). This prevents sediment from settling on the lower set of sensing electrodes. Install the meter with the flow arrow pointing in the direction of fluid flow.
Plan to install meter with minimum straight pipe lengths at inlet and outlet ends. The straight run lengths noted below represent the minimum requirements for accurate flow measurement (see Figure 4). For optimum performance, provide as much additional straight run as possible.
- Upstream from the meter, allow a minimum straight pipe length of (5) times the pipe diameter from bends and obstructions.
- Downstream from the turbine, allow a minimum straight pipe length of (3) times the pipe diameter from bends and obstructions.
- Avoid downward flow that can lead to partially filled pipes

NPT Fittings
Seal all pipe threads with an appropriate non-lubricated thread sealant (such as Loctite® No More Leaks™ Plastic Pipe Thread Sealant or NSF equivalent for NSF applications).
Make sure the thread sealant does not intrude into the flow path. Hand tighten the meter at the housing ends. Do not use a wrench or similar tool to tighten as this can damage the housing.
NOTE: If connecting to new female pipe threads, burrs and curls can adversely affect accuracy. Correct the problem prior to meter installation.
BSPP Fittings
The BSPP meter includes a plastic bag containing (2) O-rings and (2) backup rings that must be installed onto the meter. They are used for sealing the fitting ends of the meter to process piping. Before installing the meter, install an O-ring in the O-ring gland on each housing end, then fit a backup ring over each O-ring (see Figure 5).
The BSPP meter is now ready for installation. Hand tighten the meter at the housing ends. DO NOT use a wrench or similar tool to tighten as this can damage the housing.

ANSI Flange Fittings
The flanges supplied with your meter allow the meter to be oriented regardless of the mating flanges position. The meter flanges and their steel half-ring “keys” must be installed onto the meter by the customer before meter installation (see Figure 6).

Installing Flanges on Meter
With the mating face of the flange facing outboard, slide flange over one end of the meter. Position (2) half-rings in the retaining groove and snap into place. Each end of a half-ring has a small lobe that snaps into a recess at the top and bottom of the groove for retention. Repeat at other end.
Customer to Provide:
- Ring Gaskets or Full-Face Gaskets approved for use with type flange installed and the fluid being monitored (2 required).
- 5/8 in. bolts and nuts for ANSI flanges. Four per side for 3-inch meters; eight per side for 4-inch meters.
- Torque bolts using a star pattern to 25 ft-lbs (33.9 N•m). For best results, alwaysverify torque accuracy before use.
NOTE: Do not over tighten the flange bolts. This may cause the gasket to be compressed into the flow stream and may decrease the accuracy of the meter.
When properly installed, the flow meter will only measure flow in that portion of the piping system where the meter is installed. Choose the location with the longest straightunobstructed run of pipe, keeping in mind that in some applications it may be possible to locate the meter in either the supply or return pipe.
NOTE: Each end of the flow tube has a boss on top with a recessed floor. Meters ordered with optional temperature sensing probes have a 1/8-27 NPT port tapped intothe floor for factory installation of the probes. The ports can also be used to install a FLOMEC Grounding Probe Kit if the temperature sensing probes are removed.
Meters ordered without temperature sensing probes do not have tapped ports in the boss floor. To install a FLOMEC Grounding Probe Kit in these meters, the customermust drill and tap the ports per the Grounding Probe Kit instructions.
WARNING: Compatibility of this product’s material and the process fluid and/or environment should be considered prior to putting into service.
WARNING: Product should never be operated outside its published specifications for temperature or pressure. See specifications for your model.
WARNING: Make sure flow and pressure have been eliminated from process pipe prior to installing or removing product.
WARNING: When connecting product to process piping: For NPT fittings use nonlubricated thread sealant (such as Loctite® No More Leaks™ Plastic Pipe Thread Sealant or NSF equivalent for NSF applications). For BSPP fittings use O-ring seals. For flange fittings use flange gaskets.
CAUTION: Installation near high electromagnetic fields and high current fields is not recommended and may result in inaccurate readings.
- Do not allow water to freeze in meter. Ice expansion may burst the plastic housing.
- Do not allow this meter to be used with steam.
- Piping should be properly supported to prevent undue structural stress on the meter body.
- Pipe misalignment can cause strain on meter bodies resulting in permanent damage.
- When installing to metal pipe, it is recommended to use flexible expansion joints on one or both ends to eliminate any stresses that might be incurredfrom misaligned rigid metal piping. Failure to do so could result in permanent meter damage.
Wiring
All electronic options are associated with a matching style of meter cover plate. This cover plate has four threaded ports, compatible with PG7 threads, for gaining wiring access to the electronics inside the cover plate. The meter is shipped with the ports environmentally sealed with a threaded plug and seal. Remove one or more of these plugs as required to install the supplied port fittings below.
Each meter is supplied with cable gland strain reliefs with O-rings and 1/2 NPT adapters with seals for use in the threaded ports of the meter cover plate. Select the port fittings that fit your process and replace the threaded plugs in the cover plate with the fittings as required. The threaded plugs installed at the factory may be left in any unused cover plate port indefinitely.
It is recommended that a “removable” thread-locker (fluid, stick, tape, spray, etc.) be used when installing the strain reliefs or adapters into the cover plate ports.
Strain Reliefs:
The cable gland strain reliefs will accommodate a cable diameter of 0.11 – 0.26 inches (2.79 – 6.6mm) and provide an environmental seal around the cable when the dome-nut is tightened.
NPT Adapters:
The 1/2 NPT adapter fittings are used for attaching flex conduit to the meter, for those applications that require cable runs to be enclosed in conduit.
- Cable to be provided by customer to accommodate job requirements. Cable is not included with meter.
- This meter is externally powered. The magnetic coils, electrodes and other electronic components within the main meter body receive power from the electronics housed within the cover plate. All external wiring connects to those cover plate electronics through threaded ports. See the included electronics manuals for meter wiring diagrams specific to this meters electronics.
TROUBLESHOOTING
| MEASUREMENT IS NOT ACCURATE | |
| PROBABLE CAUSE | SOLUTION |
| Debris/particles in liquid | Need proper filtration |
| Air in liquid – No back pressure | Increase back pressure on meter to eliminate air |
| Air in liquid – Plumbing installation | Install meter away from other fittings or flow obstructions. Do not allow meter to discharge to atmosphere |
| Air in liquid – Pump cavitation | Install meter away from pump |
| Pipe not full – No back pressure | Increase backpressure on meter to eliminate air |
| Pipe not full – Plumbing installation | Install meter where pipe is always full of liquid. Do not allow meter to discharge to atmosphere |
| Conductivity of fluid too low | Consult Fluid Electrical Conductivity section |
| Operating outside meter limits | Increase/decrease flow rate to proper meter specification. Review temperature limits |
| Electrical noise | Install meter away from devices that emit EMF |
| Ground loop | Meter may need to be earth grounded |
| Electrodes not clean | Clean electrode tips |
| Interface device not properly calibrated | Consult device instructions and specifications |
| NORMAL FLOW BUT METER DOES NOT WORK | |
| PROBABLE CAUSE | SOLUTION |
| Wiring not correct | Consult wiring diagrams. Review installation |
| Operating outside meter limits | Review voltage requirements |
| Meter installed backwards | Check to see if the direction of the arrows on the meter match flow direction |
| Meter not properly grounded/bonded to earth ground | Review proper grounding/bonding of meter in Installation section |
NOTE: Fluid conductivity below 50 μS/cm may result in uncertain readings. Refer to Fluid Electrical Conductivity section. Consult factory for use with fluids having a conductivity below 50 μS/cm.
MAINTENANCE
The meter is virtually maintenance- free. However, it is important to keep the meter clean and free of contaminants.
CAUTION: Do not allow liquids to dry inside the meter. The electrodes may develop a film that degrades accuracy.
Remove internal debris or deposits using soft brush or small probe.
NOTE: Make sure the arrow on the meter is pointed in the direction of fluid flow (see Figure 2).
SERVICE
For warranty consideration, contact your local distributor. If you need further assistance, contact the GPI Customer Service Department at:
1-888-996-3837
You will need to:
- Provide information from the decal on your meter.
- Receive a Return Authorization number.
- Flush any fluid from the meter before shipping to the factory.
CAUTION: Do not return the meter without specific authority from the GPI Customer
Service Department. Due to strict regulations governing transportation, handling and disposal of hazardous or flammable liquids, GPI will not accept meters for rework unless they are completely free of liquid residue.
RoHS Compliant (2011/65/EU)
This product is in compliance with the RoHS Directive of the European Parliament and of the Council on the Restriction of the Use of Certain Hazardous Substances in Electrical and Electronic Equipment.
ILLUSTRATED REPLACEMENT PARTS LIST

| REF. | PART NUMBER | DESCRIPTION | NO REQ’D. |
| A1 | 145500-01 | Kit, 1 in. temperature sensor probe Includes: (2) probes, (2) strain reliefs w/O-rings | 1 |
| A2 | 145500-02 | Kit, 2 in. temperature sensor probe Includes: (2) probes, (2) strain reliefs w/O-rings. | 1 |
| B | 145500-03 | Kit, pipe plug, 1/8-27 NPT stainless steel Includes: (2) plugs. | 1 |
| C | 145501-01 | Kit, Q9 computer display, 1/2 in. Includes: Computer display w/decal, seal, 10-pin connector. | 1 |
| D | 145501-02 | Kit, Q9 computer display, 3/4 in. Includes: Computer display w/decal, seal, 10-pin connector. | 1 |
| E | 145501-03 | Kit, Q9 computer display, 1 in. Includes: Computer display w/decal, seal, 10-pin connector. | 1 |
| F | 145501-04 | Kit, Q9 computer display, 1-1/2 in. Includes: Computer display w/decal, seal, 10-pin connector. | 1 |
| G | 145501-05 | Kit, Q9 computer display, 2 in. Includes: Computer display w/decal, seal, 10-pin connector. | 1 |
| H | 145501-06 | Kit, Q9 computer display, 3 in. Includes: Computer display w/decal, seal, 10-pin connector. | 1 |
| J | 145501-07 | Kit, Q9 computer display, 4 in. Includes: Computer display w/decal, seal, 10-pin connector. | 1 |
| K | 145500-14 | Kit, QB w/display cover plate. Includes: Display cover plate, QB electronics with ribbon cable, (6) screws, cover plate seal. | 1 |
| L | 145500-15 | Kit, QB w/plain cover plate. Includes: Plain cover plate w/decal, QB electronics with ribbon cable, (6) screws, cover plate seal. | 1 |
| N1 | 145503-01 | Kit, QSI1 w/plain cover plate. Includes: Plain cover plate w/decal, QSI1 electronics with ribbon cable, (6) screws, cover plate seal. | 1 |
| N2 | 145503-02 | Kit, QSI2 w/plain cover plate. Includes: Plain cover plate w/decal, QSI2 electronics with ribbon cable, (6) screws, cover plate seal. | 1 |
| N3 | 145503-03 | Kit, QSI3 w/plain cover plate. Includes: Plain cover plate w/decal, QSI3 electronics with ribbon cable, (6) screws, cover plate seal. | 1 |
| P1 | 145500-04 | Kit, O-rings, For 1/2 in., 3/4 in. and 1 in. housings. Includes: (2) O-rings. | 1 |
| P2 | 145500-05 | Kit, O-rings, For 1-1/2 in. and 2 in. housings. Includes: (2) O-rings. | 1 |
| P3 | 145500-06 | Kit, O-rings, For 3 in. and 4 in. housings. Includes: (2) O-rings. | 1 |
| R | 145500-07 | Kit, seal, cover plate. Includes: (1) Cover plate seal. | 1 |
| S1 | 145500-08 | Kit, ANSI flange, polymer, 3 in. Includes: (2) 3 in. polymer flanges, (4) 3 in. half-ring keys. | 1 |
| S2 | 145500-09 | Kit, ANSI flange, polymer, 4 in. Includes: (2) 4 in. polymer flanges, (4) 4 in. half-ring keys. | 1 |
| T | 145500-12 | Kit, strain relief, cover plate. Includes: (4) PG7 thread strain reliefs, .11 – .26 cable diameter range | 1 |
| U | 145500-13 | Kit, strain relief, temperature sensor. Includes: (2) PG7 thread strain reliefs (reduced fit), .08 – .20 cable diameter range | 1 |
| V1 | 145500-20 | Kit, O-ring & backup ring, 1/2 in. BSPP. Includes: (2) O-rings, (2) backup rings. | 1 |
| V2 | 145500-21 | Kit, O-ring & backup ring, 3/4 in. BSPP. Includes: (2) O-rings, (2) backup rings. | 1 |
| V3 | 145500-22 | Kit, O-ring & backup ring, 1 in. BSPP. Includes: (2) O- rings, (2) backup rings. | 1 |
| V4 | 145500-23 | Kit, O-ring & backup ring, 1-1/2 in. BSPP. Includes: (2) O-rings, (2) backup rings. | 1 |
| V5 | 145500-24 | Kit, O-ring & backup ring, 2 in. BSPP. Includes: (2) O- rings, (2) backup rings. | 1 |
| W | 145500-25 | Kit, PG7 to 1/2 NPT adapter, cover plate. Includes: (4) PG7 to 1/2 NPT male adapters | 1 |
| X | 145177-501 | Assembly, Ribbon Cable (9 INCH), Spare | 1 |
| Y | 145630-529 | Kit, grounding probe Includes: (2) grounding probes, (2) screws, (4) terminal rings, instruction sheet. | 1 |
FLOMEC® TWO-YEAR LIMITED WARRANTY
Great Plains Industries, Inc. 5252 E. 36th Street North, Wichita, KS USA 67220-3205, hereby provides a limited warranty against defects in material and workmanship on all products manufactured by Great Plains Industries, Inc. This product includes a 2-year warranty. Manufacturer’s sole obligation under the foregoing warranties will be limited to either, at Manufacturer’s option, replacing or repairing defective Goods (subject to limitations hereinafter provided) or refunding the purchase price for such Goods theretofore paid by the Buyer, and Buyer’s exclusive remedy for breach of any such warranties will be enforcement of such obligations of Manufacturer. The warranty shall extend to the purchaser of this product and to any person to whom such product is
transferred during the warranty period.
The warranty period shall begin on the date of manufacture or on the date of purchase with an original sales receipt. This warranty shall not apply if:
A. the product has been altered or modified outside the warrantor’s duly appointed representative;
B. the product has been subjected to neglect, misuse, abuse or damage or has been installed or operated other than in accordance with the manufacturer’s operating instructions.
To make a claim against this warranty, or for technical assistance or repair, contact your FLOMEC distributor or contact FLOMEC at one of the locations below.
In North or South America contact
Great Plains Industries, Inc.
5252 East 36th St. North
Wichita, KS 67220-3205
USA
888-996-3837
www.flomecmeters.com
(North America)
Outside North or South America contact
GPI Australia
(Trimec Industries Pty. Ltd.)
12/7-11 Parraweena Road
Caringbah NSW 2229
Australia
+61 02 9540 4433
www.flomec.com.au
The company will step you through a product troubleshooting process to determine appropriate corrective actions.
GREAT PLAINS INDUSTRIES, INC., EXCLUDES LIABILITY UNDER THIS WARRANTY FOR DIRECT, INDIRECT, INCIDENTAL AND CONSEQUENTIAL DAMAGES INCURRED IN THE USE OR LOSS OF USE OF THE PRODUCT WARRANTED HEREUNDER.
The company herewith expressly disclaims any warranty of merchantability or fitness for any particular purpose other than for which it was designed.
This warranty gives you specific rights and you may also have other rights which vary from U.S. state to U.S. state.
NOTE: In compliance with MAGNUSON MOSS CONSUMER WARRANTY ACT – Part 702 (governs the resale availability of the warranty terms).
© 2022 Great Plains Industries, Inc., All Rights Reserved.
Great Plains Industries, Inc.
888-996-3837
flomecmeters.com



















