PUMOTIX PLL005-G3 Sensor Edge Finder

GENERAL INFORMATION
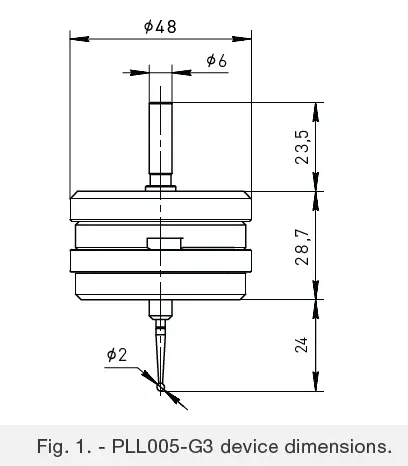
Sensor edge finder is manufactured for making measures before mechanical milling, position determination of a fixed workpiece and dimension control of completed parts on a CNC machine. With the help of the sensor it is possible to make centre search of a loop or a workpiece of any dimensions and make contact scanning. PLL005-G3 is equipped with a removable stylus. In case of damage the stylus can be replaced. M2 threaded connection is used, the tip diameter is 2 mm. PLL005-G3 has high accuracy. It is able to work with wood, plastics and other electrically non-conductive materials, easy to use (doesn’t need tuning, and recalibration can be easily done without assistance), has LED indication of actuation. It is compatible with all CNC systems (PUMOTIX, Mach3, LinuxCNC and others).
- Set of Delivery: sensor PLL005-G3 – 1 pc.
PRODUCT FEATURES AND SPECIFICATIONS
| Parameter | Value |
| Accuracy | 0.001 mm |
| Axis search capability | X, Y, Z |
| Disconnection efforts of axis XY | 0.5 – 1.2 N |
| Disconnection efforts of axis Z | 4 – 6 N |
| Maximal deviation of axis XY | 4 mm |
| Maximal deviation of axis Z | 1.5 mm |
| Contact point diameter | 2 mm |
| Stylus length | 20 mm |
| Common length | 76 mm |
| Sensor weight | 0.11 kg |
| Parameter | Value |
| Power supply voltage | 12 VDC |
| Input current | ≥5 mA |

Attention: All connections shall only be provided in deenergised state!
CONNECTION

The sensor is designed for installation into the spindle collet (diameter 6 mm). Wires are soldered according to fig. 2. Indication: red LED – normal condition, green LED – touching.
Attention: Using the sensor at automatic mode, you’re to be sure that operation program wouldn’t turn on the spindle while measuring.
Check pumotix.com for more information
While measuring there is a consistent level of power supply (+12V) at the OUT. It’s equal to zero at the moment of touching. Connection variants are shown in the fig. 3.

SENSOR ALIGNMENT

After assembly, all sensors are calibrated and a user gets centered probe. However, making a strong mechanical impact, or after prolonged use this procedure might be needed to be repeated. For alignment you need to hold the sensor in the spindle, and next fix a test indicator. During the spindle rotation at the low speed, it’s necessary to control the indicator of the stylus deflection amplitude from the rotation axis. Deviation is eliminated by turning the adjusting screws on the sensor bottom with a hex wrench 2.5 mm. While adjusting, both tightening and loosening should be used. Alignment process is shown in the fig. 4.
WARRANTY
Warranty service period is 12 months from purchase date. The warranty is valid only in case of observance of operational and preventive maintenance conditions.
General provisions
- If Goods are purchased as components Seller guarantees operability of each component but is not responsible for quality of their joint operation (improper selection of components). If you have any questions, contact our technical specialists for technical assistance.
- Seller is not guarantee compatibility of purchased Goods with Buyer components or Goods purchased from the third parties.
- Article parameters and scope of delivery are subject to change by Manufacturer without notice due to constant technical improvement of products.
Warranty service acceptance criteria
- Goods are accepted for Warranty service in the same configuration as they have been purchased.
Warranty service procedure
- Warranty service is provided by testing (checking) of Goods declared defects.
- Warranty repair is performed after defect confirmation.
Warranty does not cover glass, electric lamps, starters and consumables and also
- Goods with damages due to improper transportation and storage conditions, misconnection, off-design operation or conditions that are not specified by Manufacturer (including excess temperature and humidity), damages due other conditions (power supply voltage surges, natural disasters etc) and having mechanical and thermal damages.
- Goods with effects of impact and/or entry of foreign matters, objects (including dust), liquids, insects and having foreign signs.
- Goods with signs of unauthorized access and/or repair (signs of opening, crude soldering, element replacement etc.)
- Goods with self-diagnostics indicating improper operation conditions.
- Technically complex Goods which erection, assembling and commissioning works are performed by other specialists but not specialists of Seller or companies recommended by Seller except cases directly specified by Goods documentation.
- Goods that operation is performed under conditions when electric power supply does not correspond to Manufacturer requirements and in absence of equipment and network electric protection devices.
- Goods that have been resold by initial Purchaser to the third persons.
- Goods with defects occurred as result of use of poor quality or exhausted spare parts, consumables, accessories and in case of use of spare parts, consumables, accessories that are not recommended by Manufacturer.
We draw your attention to the fact that there can be some changes in this instruction due to the product consistent technical improvement. You can always download our latest versions at pumotix.com
Contacts
- Moscow: +7 (495) 505-63-74
- Voronezh: +7 (473) 204-51-56
- 160, Leninsky avenue, Voronezh, Russia, 394033, 149 Office Monday – Thursday: 8:00 –17:00 Friday: 8:00 –16:00

















