EUROCHILL MG30TC Medical Mobile Cooler 
Introduction
Area of use
- Thank you for your choosing our products. For your safe, convenient use and reasonable maintenance of the products, please carefully read the User’s Manual before use and carefully store it for reference in the future .
- This series of medical vehicle low temperature storage cabinet has been designed and built for the transport of temperature sensitive products without interruption of the cold chain. They represent the solution for transport over long distances or for which precise temperature control is required for the duration of transport.
- Depending on the using condition , refrigerator can be divided into refrigerated transport (temperature control device is set to 0~+30 degrees Celsius) and frozen transport (temperature control device is set to – 25~+30 degrees Celsius).
- According to different conditions, can be divided into refrigerated transport (thermostat setting range 0~ + 30 ℃) and refrigeration transportation(thermostat setting range -25~+30 ℃)
- The environment temperature of reference is between +10°C and +38°C. Outside of this range, the performance levels declared for the refrigerated containers may vary.
Cautions on Safety
- Ensure that the storage refrigerator can not work in an environment of more than 38°C. If this limit is exceeded, the electronic part of the storage box will be damaged.
- Do not install the appliance in a damp environment or place where it may suffer from water damage. This may cause electric leakage or an electric shock since the insulating quality will be dropped.
- Do not store flammable, explosive and dangerous products or volatile materials in the equipment, do not use flammable mist near the equipment due to risk explosion or fire.
- Do not store acid, alkali and corrosive materials in this equipment asit may possibly damage the internal components or electric parts of the equipment.
- Do not insert metal products such as iron nail or wire into any hole and clearance of this equipment or any outlet for internal air circulation. Risk of electric shock or physical injury since the above objects may contact with the moving parts.
- Ensure unit is unplugged before any equipment repair or maintenance is undertaken for avoiding electric shock or physical injury.
Consulting the manual
- This manual has been arranged in such a way that the user can find all the information needed for quick and easy maintenance.
- Consequently it must be made available to maintenance staff and operators at all times.
- The instructions must be read carefully before using the product.
General recommendations
- The use of internal containers must comply with the manufacturer’s instructions. The function of the storage cabinet is that of guaranteeing the maintenance of temperature (chilled or frozen)required during transport.
- Different functions or operating modes should be avoided.
- For repairs, always contact a service center authorized by the manufacturer and insist on the use of original spare parts.
- Never cover the ventilation grilles. Leave a free space of at least 20cm around the ventilation grilles.
- Do not store the container into cold stores. The high humidity level in the air could damage the electronics of the container. The low temperature could solidify the oil contained in the refrigerated unit.
- Do not store the container at a temperature lower than 0°C.
- Periodically check for the condition of the container.
- Use the container on flat surfaces only.
- Switch off the cooling unit in the case of tipping or steep inclination. Re position the container on a flat surface and wait for at least 1 hour before switching the cooling unit on again.
- Do not activate the cooling unit if it has been dropped or damaged.
- Do not bring the container into contact with sharp or pointed surfaces or sources of direct heat (e.g :naked flames).
- Do not expose the container to splashing water, rain, weathering or aggressive and pollutant atmosphere (e.g:smoke, fumes).
- Production date see bar code, bar code first , second represent the year, Third 、 Fourth representatives batch number,fifth 、 sixth ,seventh ,eighth representatives of products units numbered, the last two on behalf of the production month.
- Duration of use : Refer to the key components that affecting the use of the shortest life
- Never wash the container with steam jet or pressurized appliances.
- Do not leave the container exposed to direct sunlight for a number of hours.
- Do not put the storage box placed near the humidity or water leaching environment;
- Do not install the container near cookers, heaters or other appliances which give off heat.
- Please do not touch the internal of storage cabinet with a wet hand
- No corrosive, flammable, explosive gas, liquid or dust in the surrounding environment;
- Ensure to keep the surroundings well ventilated.
The manufacturer declines all responsibility if the accident prevention standards in force are not observed by the user company.
Using the product
Using the product for the first time
The container was cleaned before leaving the factory. However, we recommend washing the container,following the instructions given in paragraph 4.1 “Washing Instructions” before using it.
Installation
- This series refrigerator can be powered with 12V DC power or with 220V AC 50/60Hz. power.
- For the DC use,This product can be applied to a battery-powered motor vehicles for the use of 12V.
- For the AC use, the refrigerator are set for standard operation with 240V AC; for the operation with 100V AC it is necessary to operate a selector located on the power supply(part of the product can only be applied 220V).
If the local grid voltage is too high or too low, the compressor does not work and the electronics of the equipment may be damaged.
The storage cabinet is protected by the following fuses: - 15 A fuse, located near the 12V DC socket for the refrigerator with integrated cooling unit
- 12A fuse, located on the internal power supply 12V DC cigarette lighter
Alternate current connection 220V AC 50/60Hz: - check that the plug on the power cable is suitable for the electricity socket;
- Ensure that the socket has an efficient earth contract and adequate capacity. The electrical safety is only guaranteed when it is correctly connected to an efficient earth system; systems which do not comply with the standards in force could cause injury or damage;

12V DC connection:
- use original cables supplied by the manufacturer only;
- different connections must be assessed and made by qualified personnel;
- in case of installation of the refrigerator on the same vehicle, We recommend to contact manufacturers after-sales department , in order to evaluate the correct current inputs and the sections of the power cables, to guarantee the correct operation of the system.
To prevent drops in voltage and losses of power:
- The cable must be as short as possible and must not be sectioned;
- Avoid using additional switches, plugs or junction boxes;
- Do not connect other electric appliances on the cable of the cooling unit;
- The connection of the cooling unit to the battery must be direct and dedicated;
- Do not use portable generators, they could cause damages due to voltage peaks and frequency variations;
- Do not use battery chargers to power the cooling unit;Maintain a free surface around the cooling unit (at least 20 cm), to ensure an adequate ventilation and allow a greater cooling efficiency and a reduced power consumption.

Activation
220V 50/60Hz
50/60Hz 220V AC connection
- push the power cable socket into the appliance socket (Drawing 1);
- push the mains plug into the electric socket 220V AC 50/60Hz;
- The main switch (O/I) is pushed to the position of I (O/I), storage cabinet work (see Drawing 3); 12V DC link
- push the power cable socket into the appliance socket (Drawing 2);
- connect the cooling unit to the 12 V DC power supply;
- Push the main switch (O/I) to the position I, the storage cabinet start working (see Figure 3).
- according to the storage cabinet model, The temperature regulation device is programmed in the factory at a set-point value .
Setup button
- There are six separate buttons
on the control panel for control of the thermostat;
Keyboard lock;
Defrost control;
4℃ setting;
22℃ setting.
Power Switch
- Main Power open: Press
to control the display of the controller; - Main Power open: Press
≥6s can turn on or off refrigeration system related components; - Factory default temperature display and refrigeration system related components are open state.
Setting button
- In the normal mode, press
≥1s, will be enter the temperature modification mode, you can change the setting temperature; - In the temperature modification mode, press
to save the settings and return to the normal display state, otherwise automatically give up the changes after 6s and return to the normal display state;
Up
- When setting temperature, add set temperature value by
press ;
Down
- When setting the temperature, press
,reduce the set temperature value.
Mute button
- Press
to stop buzzer.

Alarm code
| Alarm code | Alarm description | Alarm code | Alarm description |
| AH | Cabinet temperature too high alarm | AS1S | Control probe 1 short circuit |
| AL | Cabinet temperature too low alarm | AS1B | Control probe 1 short circuit |
| AS2S | Control probe 2 short circuit | AS2B | Control probe 2 short circuit |
| AUF | Power failure alarm |
Loading instructions
- Open the storage cabinet using the plastic handles.
- The container is suitable for contact with items ; this means that loose or unpacked food can be stored inside of it.
- The purpose of storage cabinet is not to heat or cool the products, but to guarantee that they maintain their temperature. Therefore it is vital to load the goods inside the container at the temperature required.
- It is advisable to arrange the products inside without cardboard packaging as this delays the penetration of the cold.
- To avoid the dispersion of heat, keep the container open as briefly as possible.
- Close the container using the special locking handles immediately after storage the items.
Transport instructions
- Before moving the container, make sure that the lid or the door is closed.
- The loaded storage cabinet may reach a considerable weight; Therefore must always be careful to move. If possible, you need to use special car. Ascension, transportation, storage cabinet, should be used to save the sag of both side of the type of handle
- Use the appropriate handles to move the container provided with wheels or trolley.
- When moving the container, pay the utmost attention to avoiding collision with objects or people.
- To avoid storage cabinet door open in the ordinary state, it may causing the temperature rise rapidly.
Instructions in case of prolonged disuse.
- If the container is not used for a prolonged period of time, carry out the following operations:
- remove all the products from the container;
- switch off the cooling unit by pressing 0 on the main switch O/I (Drawing 3). Pull out the plug connected to the electricity main (or battery) and the plug connected to the appliance. Store the cable in a safe place and protect it against damp;
- clean the container as indicated in paragraph 4.1 “Washing instructions”;
- leave the lid (door) open for a few hours to prevent the formation of unpleasant smells.
Cables
- We recommend the use of original cables only. Different connections must be assessed and made by qualified personnel.
- To prevent drops in voltage and losses of power, the cable must be as short as possible and must not be sectioned; therefore, it is necessary to avoid using additional switches, plugs or junction boxes.
- The section of the cable must be chosen in accordance with its length.
- In particular:
For connection to the 12V DC power supply:
2P Cable 1.8 metres long, section 2.5 mm², for storage cabinet .
For connection to the220V AC 50/60Hz power supply:
- 3P Cable 2 meters long, section 0.75 mm².
- In case of installation of multiple storage cabinet on the same vehicle, we recommend to refer to the after-sale department of the manufacturer, in order to evaluate the correct current inputs and the sections of the power cables, to guarantee the correct operation of the system.
Maintenance
Washing instructions
- Regularly clean the container inside and out, observing the following instructions:
- Before cleaning the container, switch off the cooling unit by pressing 0 on the main switch O/I (Drawing 3 ). Pull out the plug connected to the electricity main (or battery) and the plug connected to the appliance. Store the cable in a safe place and protect it against damp.
- Clean the container using a cloth and warm water; for the purposes of hygiene, always dry the container using disposable cloths or paper (never reusable cloths).
- Do not use metal or synthetic scouring pads, only soft brushes with natural or plastic bristles.
- Do not use abrasive powder, ammonia, acid or solvent.
- It is possible to use soap solutions.
- Do not use steam jet or pressurized appliances.
- Ensure that the water does not penetrate the power and regulation controls, vents or appliance socket.
Defrosting instructions
- If the external temperature and humidity are high and the lid (door) is opened frequently, a layer of frost will gradually develop on the surface of the evaporator. This layer acts as insulation and, if it exceeds a thickness of 3 mm, may reduce cooling efficiency. This makes regular defrosting necessary, as follows:
- remove all the products from the container;
- switch off the cooling unit by pressing 0 on the main switch O/I (Drawing 3). Pull out the plug connected to the electricity main (or battery) and the plug connected to the appliance. Store the cable in a safe place and protect it against damp;
- leave the lid (or door) of the container open, until the layer of frost has completely melted. Do not try to speed up the defrosting process using heaters or remove frost using knives or other sharp objects;
- After the defrosting,dry the container using a disposable cloth or paper.The container is now ready to be used.
Maintenance instructions
Before carrying out any maintenance operation, switch off the cooling unit by pressing 0 on the main switch O/I (Drawing 4 – A). Pull out the plug connected to the electricity main (or battery) and the plug connected to the appliance. Store the cable in a safe place and protect it against damp.
We recommend:
- maintenance of the cooling unit, carried out by qualified technicians at least once a year;
- use of original spare parts at all times.
- Do not allow children to use medical freezer to playing games .
- Not to put heavy objects on the refrigerator door or medical cap, to avoid the door or the top compression deformation.
- Contact your local dealer or the after-sale department of the manufacturer for assistance and supply of original spare parts.
ORDINARY MAINTENANCE
| PART TO CHECK | FREQUENCY | TYPE OF CHECK |
| Power cable and main plug | 6 months | Check that they are neither damaged nor too old.Replace them if necessary. |
| Seal | 6 months | Check the condition. Replace it if broken or worn. |
| frost on the surface of the evaporator | One week | frost is more than 3 mm thick, defrost (following the instructions given in paragraph 4.2 “Defrosting instructions”) |
Solving problems
The table below lists the major faults that can be found on the refrigeration unit of the storage cabinet, with indication of the possible causes and interventions for recovery.
If you can’t judge fault reason, or difficult to exclude failure, please according to the warranty certificate (random annex) instructions and we stay in a warranty certificate after-sales contact, inform your name, address, telephone number, for medical refrigerator types, purchase time, fault phenomena, the professional engineer will wholeheartedly at your service.
| FAULT | POSSIBLE CAUSE | TYPE OF INTERVENTION |
| The cooling unit does not operate with a 12V DC power supply | a) The refrigerator is not connected to the 12V DC power supply | Connect the cooling unit to the 12V DC power supply. Check the 12V DC power cable and replace it if necessary |
| b) The 12V DC line fuse has blown | b) Install a new fuse on the 12V DC line. (the fuse is |
| located near the 12V DC socket (Paragraph 4.6 ). Investigate the cause of the failure (likely short circuit or momentary voltage overload). | ||
| c) The battery is dead | c) Test the battery and charge it or replace it. | |
| d) The main switch 0/I (Drawing 4 – A) is faulty | d) Check the main switch 0/I (Drawing 3) and replace it if necessary. | |
| e) The electric wiring is disconnected | e) Restore the wiring as shown in the wiring diagram. | |
| The cooling unit does not operate with AC power supply | a) The cooling unit is not connected to the 220V AC 50/60Hz power supply. | Connect the cooling unit 220V AC 50/60Hz 50/60Hz power supply. Check the 220 V AC 50/60Hz power cable and replace it if necessary. |
| b) The fuse of the 220V AC 50/60Hz line is faulty | b) Install a new fuse on the power line and check the failure reason (likely short-circuit or momentary voltage overload). | |
| c) The main switch 0/I (Drawing 3) is faulty. | c) Check the main switch 0/I (Drawing 3) and replace it if necessary. | |
| d) The electric wiring is disconnected | d) Restore the wiring as shown in the wiring diagram | |
| The cooling unit does not maintain the set temperature | a) The ventilation is not sufficient for the cooling | a) Check that the ventilation grilles are free. |
| b) The room temperature is too high | b) Let air circulate in the area where the cooling unit is located. | |
| c) The evaporator is covered in frost | c) Defrost as indicated in paragraph 4.2. | |
| d) The products are stored at an excessively high temperature | d) Cool the products before putting them in the container | |
| e) The lid (or door) does not close correctly | e) Check lid (or door)closing and possibly replace the seal. | |
| f) The temperature regulator is not set correctly | f) Check the setting of the temperature regulator and change the set-point value if necessary . | |
| g) The cooling system has failed | g) Contact the service center. | |
| The temperature regulator is not turned on | a) The environment is too bright | a) Cover the temperature regulator |
| b) The main power cable/battery is not connected | b) Insert the plugs into the right sockets. | |
| c) The main power cable /battery is damaged | c) Check the power cable to the grid/battery and replace it if necessary. | |
| d) The temperature regulator electronics have failed | d) Check the temperature regulator and replace it if necessary. | |
| The temperature regulator flashes continuously | a) Faulty electrical contact | a) Check the correct supply of the temperature regulator. |
| b) The temperature regulator is faulty | b)replace | |
| The temperature regulator displays numbers outside of the standard numbering | a) The temperature probe is faulty | a) Check the temperature probe and replace it if necessary |
| b) The connection of the probe with the temperature regulator is not correct | b) Check the connection of the probe with the regulator and restore it if needed. | |
| The temperature regulator is turned on but the compressor does not start with 12V DC | a) The pickup voltage is lower than 11V | a) The battery is dead: recharge or replace it if necessary |
| b) The cable sections are | b) Check the power cables and replace them |
| power supply | not correct (inadequate extensions) | if necessary |
| c) The temperature regulator is not set correctly | c) Check the setting of the temperature regulator and change the set-point value if necessary (see paragraph 3.4 “Entry into service”). | |
| The temperature regulator is turned on but the compressor does not always start with 12/24V DC power supply | a) The pickup voltage is in the range 11V to 11.5V | a) The battery is almost drained: recharge or replace it if necessary. |
| b) The cable sections are not correct (inadequate extensions) | b) Check the power cables and replace them if necessary | |
| c) The room temperature is too high | c) Let air circulate in the area where the cooling unit is located. | |
| The refrigeration unit drops in temperature only by a few degrees, but works | a) Partial leak of gas | a)A) check the pressure and temperature in refrigeration loop (contact after-sales personnel and local maintenance network to determine the location of the leak and supplementary refrigerant) |
| b)Insufficient supply voltage | b) Ensure that the power supply is suitable. | |
| The refrigeration units noisy and has strong vibration | a) Noisy fans | a) Check the operating status of the fans and replace them if necessary. |
| b) Motor unit not properly fixed | b) Check the correct mounting of the motor unit and restore it if needed. | |
| The refrigeration unit falls over and overturns | Position the container on a flat surface. Open the cover of the refrigeration unit, inspect the status of the components, check the pipes and electrical connections. If you are having no special problems, wait at least 1 hour before restarting the refrigeration unit. |
Replacing the protective fuse
To replace the fuse on the 12V DC line, proceed as follows:
- pull out the plug connected to the 12V DC power line and the plug connected to the appliance;
- open the fuse box using a tool (e.g.: the tip of a screw driver);
- replace the fuse and insert it into the fuse holder;
- plug in the plug connected to the appliance and the socket to the 12V DC power line.
Disposal
Packing
The packing material (cardboard, polyethylene film) is 100% recyclable. The user is responsible for disposal in observance of the local regulations.
Refrigerant gas
- The cooling gas HFC 134a used in the cooling circuit of the refrigerator is not noxious-to the ozone
- The cooling circuit is hermetic, without the possible leakage of coolant under normal conditions of operation and use.
- The compressor used is hermetic, designed for applications in motion.
Product structure and composition
This product is mainly composed of rotational body, a door body, a refrigeration system, control system and accessories.
Main technical parameters
|
Model | Climate type | Temperature in Cabinet (℃) | Effective Capacity (L) | Rated voltage (V~) | Refrigerant | External size (W*D*H) |
| MG30TC | SN/ST/N | -25~30 | 30 | DC12/ AC220 | R134a | 615*370*471.5 |
| MG80TC | SN/ST/N | -25~30 | 80 | DC12/ AC220 | R134a | 937*565*580.5 |
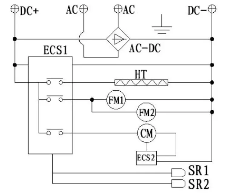
Circuit Diagram
| Serial number | Name | Serial number | Name | Serial number | Name |
| ECS1 | Controller | FM1 | Evaporation fan | CM | Compressor |
| SR1 | Probe 1 | FM2 | Condenser fan | HT | Heating wire |
| SR2 | Probe 2 | ECS2 | Compressor controller | AC-DC | Switching Mode Power Supply |
Packing list
| Model | Manual | 12V DC power line | 220V DC power line | Plastic frames |
| MG30TC | 1 | 1 | 1 | 1 |
| MG80TC | 1 | 1 | 1 | 1 |





















