FRIGIDAIRE FPMO3077TF 30-Built-in Microwave Oven
IMPORTANT INSTRUCTION
CAUTION
Disconnect from Electrical Supply Before Servicing Unit PRECAUTIONS TO BE OBSERVED BEFORE AND DURING SERVICING TO AVOID POSSIBLE XPOSURE TO EXCESSIVE MICROWAVE ENERGY
- Do not operate or allow the oven to be operated with the door open.
- Make the following safety checks on all ovens to be serviced before activating the Magnetron or other microwave source and make repairs as necessary
- Inberiock operating
- Proper door closing
- Seal and sealing surfaces (Arcing wear and other damage)
- Damage to or loosening of hinges and latch 5.Evidence of dropping or abuse.
- Before turning on microwave power for any service test or inspection within the microwave-generating compartments, check the magnetron, waveguide or transmission line and cavity for proper alignment integrity and connection
- Any defective or misadjusted components in the interlock, monitor, door seal and microwave generation, and transmission systems should be repaired. replaced, or adjusted by procedures described in this manual before the aven is released to owner.
- A microwave leakage check to verify Compliance with the Federal Performance Standard should be performed on each oven prior to release to the owner.
- Do not attempt to operate the oven if the door glass is broken.
PARTS LAYOUT
Schematic Diagram
Warning: Power must be disconnected before servicing this appliance.
MODEL No.: FPMO3077
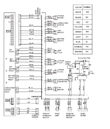
Wiring Diagram
Warning: Power must be disconnected before servicing this appliance.
MODEL NO: FPMO3077
Switch Chart
Note: These Diagrams are not intended to show a complete circuit, they represent the position of switches during ‘DOOR OPEN” and “DOOR CLOSED”. (continuity checks only)
OUTPUT POWER OF MAGNETRON
CAUTION
MICROWAVE RADIATION PERSONNEL SHOULD NOT ALLOW EXPOSURE TO MICROWAVE RADIATION FROM MICROWAVE GENERATORS OR OTHER PARTS CONDUCTING MICROWAVE ENERGY
The output power of the magnetron can be measured by performing a water temperature rise test Equipment needed:
- Two 1-iter cylindrical borosilicate glass vessel (Outside diameter 190 mm)
- One glass thermometer with mercury column.
NOTE Check line voltage under load Low voltage will lower the magnetron output Make all temperature and time tests with accurate equipment.
- Fill the one-liter glass vessel with water.
- Stir the water in the glass vessel with a thermometer, and record the glass vessel’s temperature (T1″, 101 ‘c).
- Set Ater the moving oven the high water power into another operate glass for vessel, seconds place t exactly. the center of the cooking tray. (3 seconds included as a holding time of magnetron oscillation)
- When heating is finished, stir the water again with the thermometer and measure the temperature ( T2).
- Subtract T1 from T2. This will give you the water temperature rise. (T).
- The output power is obtained by the following formula;

- The normal temperature rise for this model is 9.9°C to 10.3 °c at HIGH.
NOTE- Variations or errors in the test procedure will cause a variance in the temperature rise. Additional power tests should be made of the temperature rise is marginal.
- Output power in watts is computed by multiplying the temperature rise (step 5) by a factor of 91 times the of centigrade temperature.
Component tests
WARNING
Personal injury/Product Hazard
- Disconnect the power supply cord from the outlet before removing the outer cabinet from the unit.
- Discharge the high-voltage capacitor and remove the léad wires.
- The primary winding of the high-voltage transformer before conducting any of the following tests.
- Conduct all operation tests with 1 liter of water in the oven.
- Conduct a microwave energy test after performing any tests or repairs to the microwave.
- Check that all wire leads are in the correct position before operating The microwave oven.
- Grasp wire connectors when removing the wire leads from microwave parts.
- Failure to follow these instructions may result in electrical shock or other.
- Personal injury or in product damage.
High voltage components
Other component tests 
FAQS
It has a sterling interior with a metal tray. It has a broil/grill function
Yes, we have had no issues using Tupperware when using the microwave option. Have not tried the oven setting with plastics.
Yes. Ours is installed under the counter. You can find the electrical requirements on the product page on the Frigidaire website.
You just make a cutout and secure it with screws.
Yes
There is no trim kit that can be purchased but depending on the cabinet you are installing it in you may need to make some trim from wood that matches you cabinets to give it a nice finished look. If you are replacing an existing unit the Frigidaire is a pretty standard-size unit you may get lucky and need no trim modifications.
yes, a 14-inch pizza will fit perfectly.
Double-check the Conv/Micro manual, then ensure the cabinet can clear the unit.
Yes
No venting is required it draws in air below the door and blows out between the top of the door and the control panel. We have been using the unit for 3 months and it’s awesome microwave is powerful and the convection option works great.
They do. Look deep and you will find it. I’m about to purchase the matching oven. It comes in two widths 17 and 30.
No venting is required it draws in air below the door and blows out between the top of the door and the control panel. We have been using the unit for 3 months and it’s awesome microwave is powerful and the convection option works great.























