
Features
- DAC CS43198 (192 kHz/32bit )
- DAC output is selectable (1.7Vrms or 2Vrms).
- Sampling Frequency 44.1 kHz to 192 kHz range.
- Dual Ultra-low Phase noise NDK SDA oscillators are used for master Clock generation. (MCLK)
Hardware Description:
RPI4, Boss2, Oled, Alu box, and remote included.

Power:
Boss2 supports single and Dual Power adapters.
Single PSU (default)
For single power, the J18 jumper must be closed as below picture. The power required is 5V-3A and should be connected through the back panel DC In connector.

Dual Power Adapter:
For dual PSU J18 jumper should be open, Power adapter interface should be as below Picture.
Power Adapter rating:
- RPI USB type C rating: 5V 3A.
- Back panel DC-In Connector: 5V, 250ma (or higher).

Earthing:
Protective earth wire should be connected bottom of the metal box as below ( to Shanti for example). You can earth the unit by using a Nirvana SMPS with an earth switch on.

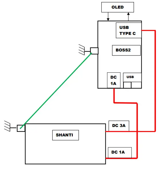
Connection between BOSS2 and Shanti (Dual Power)

Connection between BOSS2 and Nirvana(Dual Power)

Connection between BOSS2 and Nirvana(Single Power)

Software Boss2 Driver and Configuration
Boss2 dac Driver is included on RPI 5.4.77 kernel onwards. In some players (Moodie and more) Boss2 is configurable through GUI.
Manually configuring Boss2-DAC.
Check for allo-boss2-dac dtbo
Goto /boot/overlays/
Check for allo-boss2-dac-audio.dtbo file.
If Present edit the /boot/config.txt file and add/replace dtoverlay
with dtoverlay=allo-boss2-dac-audio
Front panel Display/OLED configuration:
Boss2 player Front Panel Display (OLED) application is based on Python and needs to install on the respective OS. Installation steps refer to below link. http://3.230.113.73:9011/Allocom/Boss2/Boss2_oled_install_steps
Boss2 Player User settings can be set through Front panel buttons or IR Remote Front Panel Buttons: Left, OK/M, Right, Up (+), Down (-)
Buttons:
UP/Down Buttons – Volume Control
LEFT/RIGHT Buttons – MENU navigation
CENTRE or OK Button – By default MUTE/UNMUTE, selection button on MENU
NOTE: In IR separate button for MUTE
MENU:
SYSINFO – system information
HV-EN – High Voltage Enable/Disable – RMS (1.7 or 2.0 Volt) voltage setting.
ON – 2.0 Volt
OFF – 1.7 Volt
FILTER – Filter selection
PHCOMP – phase-compensation Enable/Disable
HP-FIL – High Pass Filter Enable/Disable
DE-EMP – De Emphasis Enable/Disable
NON-OS – NonOversampling Enable/Disable
F-SPEED – Filter Roll-off Interpolation Selection – FAST/SLOW
Default SCREEN
Shows volume level, playing bit rate, sample rate, mute state
















