VITEK C-TNT8RMA4B Motorized IP Turret Camera

Product Information: Vitek VTC-TNT8RMA4 Transcendent Series 8
MegaPixel [4K] Gen. IV Advanced A.I. Motorized IP Turret Camera
Features
- 8 Megapixel [4K] Resolution
- Advanced A.I.
- Motorized IP Turret Camera
- Microphone
- Micro SD Card Slot
- Weather Resistant Cap and Coupler
- LAN Configuration
- 1/2.8” 8.0 Megapixel [4K] CMOS Image Sensor
- NDAA Compliant
- Up to 30fps live view @ 8 MegaPixel (3840×2160)
- 2.8~12mm Motorized Varifocal Lens
- Matrix IR (up to 165’ IR Range)
- True Wide Dynamic Range
- True Mechanical Day/Night function by ICR
- XD-DNR (3D & 2D-DNR) Noise Reduction
- Gen. IV Advanced Analytics: Abnormal Video, Face Detection, Regional Intrusion Detection, Regional Entrance / Exiting Detection, Line Crossing, Target Counting Detection
- Smart H.265 / H.265+ / H.265 / Smart H.264 / H.264+ / H.264 / MJPEG
- 1 Ch. Audio In + Built-in Mic*
- Remote Viewing via CMS, Internet Explorer, iOS & Android Apps
- ONVIF Compliant
- MicroSD Card Slot for Local Recording (256GB)
- IP67 Weather Resistance
- Optional Mounts: Junction Boxes (VT-TJB01, VT-TJB021) Wall Mounts (VT-TWM03, VT-TWMT-4), Pendant Mounts (VT-TPDM-2 [use w/ VT-TJB01] VT-TPDM-3 [use with VT-TJB021]) (see pg. 9 for additional mounting options)
- Available in Ivory or Charcoal Grey [VTC-TNT8RMA4B]
- 12VDC & PoE (Power over Ethernet) Operation
Please note that complete user guide, software, tools, and updates are available online at http://www.vitekcctv.com/Downloads. It is also important to research local, state, and federal laws regarding the implementation of audio surveillance. Please research local, state and federal laws regarding the implementation of audio surveillance
PLEASE NOTE:
Complete User Guide, Software, Tools, and Updates are available online. Scan the QR Code or visit: http://www.vitekcctv.com/Downloads
Components and Accessories

- Camera
- Drill Template
- Quick Guide
- Rubber Plug
- Screws
- Waterproof Cap
- Hex Wrench
Product Usage Instructions
Network Cable & Power Connections
First connect the Water Resistant Cap to an Ethernet patch cable, then connect the cameras ethernet adaptor. If not powering the camera with PoE, also connect the power Cable to an approved 12VDC Npower supply.
- Connect the Water Resistant Cap to an Ethernet patch cable.
- Connect the camera’s Ethernet adaptor.
- If not using PoE, connect the power cable to an approved 12VDC power supply.
Weather Resistant Network Coupler

- Loosen the nut from the Weather Resistant Network Coupler.
- Run the Ethernet cable through the coupler and attach an RJ-45 connector.
- Tighten the nut and coupler for a weather-resistant seal.
MicroSD Card Installation
Remove the bottom of the cover from the camera, insert card and replace the cover (be sure it is even).
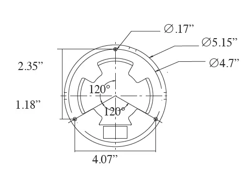
- Attach the drill template to the place where you want to install the camera, then drill 3 screw holes and 1 cable hole (if you want to route the cables through the mounting base) according to the drill template


- Route the cables and connect the power & video cables, using the rubber plug to fill the gap of the mounting base, then secure the mounting base to the ceiling or wall with screws (see fig. 2 on next page).

- Loosen the lock screw, then adjust the camera to obtain the optimium viewing angle. Confirm the correct viewing angle with a monitor. Next, tighten the lock screw to secure the viewing angle adjustments.

- Remove the bottom cover of the camera.
- Insert the micro SD card into the card slot.
- Replace the cover, ensuring it is even.
Installation
- Attach the drill template to the desired location and drill three screw holes and one cable hole (if routing cables through the mounting base) according to the template.
- Route the cables and connect the power and video cables.
- Use the rubber plug to fill the gap of the mounting base.
- Secure the mounting base to the ceiling or wall with screws.
- Loosen the lock screw and adjust the camera to obtain the optimum viewing angle.
- Confirm the correct viewing angle with a monitor.
- Tighten the lock screw to secure the viewing angle adjustments.
LAN Configuration

The camera can be accessed on the local network either using the IP-Tool or directly in a web browser.
- Ensure that the camera and PC are connected to the LAN.
- Download and install the IP-Tool from www.vitekcctv.com/Downloads/Software/Transcendent-IPTool_v2.0.2.zip on your PC.
- Modify the IP address of the camera to make sure its network address is in the same local network segment as the computer’s.
- Input the password of the administrator and click Modify button to modify the setting.
Accessing the Camera Using the IP-Tool
- Make sure the camera and PC are connected to the LAN.
- Locate the IP-Tool installer at www.vitekcctv.com/Downloads/Software/ Transcendent-IPTool_v2.0.2.zip, then install on the PC. Open the installed application.

- Modify the IP address. The default IP address is 192.168.226.201. Click the information of the camera listed in the above table to show the network information on the right side. Modify the IP address and gateway of the camera and make sure its network address is in the same local network segment as the computer’s. Please modify the IP address of your device according to the practical situation
- Double-click the IP address and then the system will pop up the web browser to connect IP-CAM . IE browser will download the Active X control. After downloading, a login window will pop up as shown below

For example, the IP address of your computer is 192.168.13.4. So the IP address of the camera shall be changed to 192.168.13.X. After modification, please input the password of the administrator and click “Modify” button to modify the setting. Default admin password: “123456″.

Input the user name and password to log in. Default user name: admin / Default password: 123456
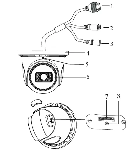
Overview

- Ethernet connector
- Audio input connector
- Power connector
- Mounting base
- Fixed / Lock Screw
- Microphone
- Micro SD card slot
- Reset

Directly Access Through a Web Browser
The default network settings are as shown below:
- IP address: 192.168.226.201 HTTP: 80
- Subnet Mask: 255.255.255.0 Data Port: 9008
- Gateway: 192.168.226.1
You may use the above default settings when you log in the camera for the first time.
- Manually set the IP address of the PC. The network segment should be the same as the default settings of IP-CAM. Open the network and share center. Click “Local Area Connection” to pop up the following window Select “Properties” and then select Internet protocol according to the actual situation (for example: IPV4). Next, click “Properties” button to set the network of the PC.

- Open the IE Browser and input the default address of IP-CAM and confirm. The IE browser will download Active X control.
- After downloading Active X control, the login dialog box will pop up.
- Input the default username and password and then enter to view.
WAN Configuration
Access the camera by the router or virtual server for example.
- Make sure the camera is connected to the LAN; Then log into the camera via LAN and go to System Congfig→Network Config→Port menu to set up the port number.
- Enter System Config→Network Config→IP Address menu to modify the IP address

- Go to the router’s management interface through IE browser to forward the IP address and port of IP-CAM in the “Virtual Server”.

- Open the web browser and input its WAN IP and HTTP port to access the IP-CAM.
- For additional setup, features and functions, please scan the QR code on the front page of this quick guide and download the complete manual
VTC-TNT8RMA4 Detailed Specifications


Please research local, state and federal laws regarding the implementation of audio surveillance.
OPTIONAL ACCESSORIES
AND RELATED PRODUCTS FOR VTC-TNT8RMA4



A Standalone Solution with Analytic Support and NDAA Compliance
- 8MP (4K) HDMI Output
- H.265S / H.265+ / H.265 / H.264 Video Compression
- Analytic Support Including Basic Face Detection, License Plate Recognition, and More!
- Available in 4, 8, and 16 Channels
- Up to 24TB Depending on Model (12TB per HDD)
- PoE Support on ALL Models

Also Consider Vitek NDAA Compliant Wireless Access Points to Reduce Costly Cable Installation! VT-WAP1150 and VT-WAP2150 High Speed 5.8GHz DIP AP / CPE Wireless Bridge w/ 8MB Storage, 64MB RAM, 150MBps transmission, and Point-to-Multi-Point (P2MP) Topology

With high speed transmission of 150Mbps and a wireless range of 3000ft. (VT-WAP1150) and 1.25 miles (VT-WAP2150) these products eliminate the need for expensive and troublesome longdistance cables in areas where CCTV monitoring and rigorous surveillance take place. These small, lightweight and durable units areeasy to install and easy to use with an innovative and straightforward 10-button plug-and-play dip switch that facilitates the creation of a robust wireless network without a computer. Set-up can be simply configured for point-to-point or point-to-multipoint topology depending on the application, with up to 128 IP group configurations

LIMITED PRODUCT WARRANTY
VITEK products carry a three (3) year limited warranty. VITEK warrants to the purchaser that products manufactured by VITEK are free of any rightful claim of infringement or the like, and when used in the manner intended, will be free of defects in materials and workmanship for a period of three (3) years, or as otherwise stated above, from the date of purchase by the end user. This warranty is nontransferable and extends only to the original buyer or end user customer of a VITEK Authorized Reseller. The product must have been used only for its intended purpose, and not been subjected to damage by misuse, willful or accidental damage, caused by excessive voltage or lightning. The product must not have been tampered with in any way or the guarantee will be considered null and void. This guarantee does not affect your statutory rights. Contact your local VITEK Reseller should servicing become necessary. VITEK makes no warranty or guarantee whatsoever with respect to products sold or purchased through unauthorized sales channels. Warranty support is available only if product is purchased through a VITEK Authorized Reseller.
28492 CONSTELLATION ROAD VALENCIA, CA 91355 WWW.VITEKCCTV.COM

























