A08 Bluetooth 5.0 2.0 Channel Power Amplifier
User Manual
Front Panel

- Volume Control
- Power Switch
Total Volume Adjustment
- Amplifier
- Power Cable
- Bluetooth Antenna
- Manual
- Warranty Card
- Certificate Of Conformity
POWER AMPLIFIER-TPA3255 A08
High Power Digital Power Amplifier
TPA3255 Effective Power 300W (MAX) X2
Hifi-Level High Fidelity Sound Effects • Surging Power Shocking People’s Mind
Bluetooth 5.0 Bluetooth
Using Qualcomm QCC3034 Chip, Supporting SBC, AAC, Aptx, Aptx-HD, Independent PCM5102 Bluetooth Decoding, Compared Beauty With CD.
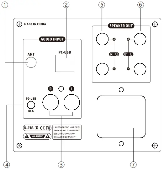
Back Panel

- Bluetooth Antenna
- PC-USB Signal Input
- Right Channel Power Output
- Left Channel Power Output
- RCA Signal Input
- PC-USB/RCA Input Switch
- AC Power Input
Initial Use Process
Examples Of Common Usage:
- Wired Connection To Play Computer Audio
① Turn Off The Power Amplifier All Counterclockwise;
② Connect The Output Port Of The Power Amplifier To The Speaker Terminal;
③ Ft Plug The Power Cord Into The Aqs Hole Of The Power Amplifier, And Then Connect It To AC 110V-220V;
④ Press The Power Switch, The Indicator Light Will Light Up, And The Power Amplifier Will Turn On;
⑤ Turn The Signal Switch To “RCA” To Play Computer Music; - Wireless Bluetooth Connection To Play Mobile Phone Audio
①-③-④
⑤ Unlock Cellphone To Enter Settings-Bluetooth-Search For “Hifi”is Connection And Pairing;
⑥ Turn The Signal Switch To The “Bluetooth” Block. Play Mobile Phone Music; Shutdown: Turn The Main Volume Knob Counterclockwise To Turn Off The Power Switch.
Preparation Before Use
Thank You For Purchasing Aiyima TPA3255 A08 Amplifier.
Basic Use Of TPA3255 Xi Power Amplifier:
Audio Signal Input:
- PC-USB Audio Signal Input, First Switch The Signal Switch To The “Bluetooth/PC-USB” (If The Power Amplifier Bluetooth Is Connected, First Disconnect The Bluetooth Connection, Otherwise It Cannot Be Used”PC-USB Signal Channel) (Usually Can Be Connected To a Computer Or Otg Mobile Phone Signal Output Port);
- Rca Audio Signal Input, Switch The Signal Switch To “RCA”
(Usually It Can Be Connected With Devices Such As Mobile Phones, Computers, Mp3, Cd Players And Other Devices With Analog Signal Output): - Wireless Bluetooth Signal Input: Turn The Signal Switch To The Bluetooth/Pc-Usb, Bluetooth” And “PC-USB- Between The Two Modes, Bluetooth Priority, That Is: After Bluetooth Connection” PC-USB The Signal Will Be Interrupted.
Amplifier Power Output: Amplifier Power Output (Can Only Be Connected To Speakers Without Fixed Impedance; The Input Impedance Is Between 4~8 Ohms).
Amplifier Power Supply: Suitable For Current 110 V-240 V Input
Specifications
| Bluetooth Support: 16-24 Bit 44.1-48 Khz Support Form: SBC/AAC/Aptx/Aptx-I1/Aptx-HD | PC-USB Decoding: 16 Bit 48 Khz |
| Signal To Noise Ratio: > 111 db | Input Sensitivity: 0.775 V |
| Quiescent Current: 60 mA | Work Efficiency: >90% |
| Dynamic Range: >100 dB | Frequency Response: 20-20 Khz (±1 db) |
| Output Power: 315 W/4 Q Distortion 10% 185 W/8 Q Distortion 10% 260 W/4 Q Distortion 1% 150 W/8 Q Distortion 1% | Input mode: RCA/Bluetooth/PC-USB |
| Supported Devices: Mobile Phones, Tablets, Computers, MP3, TV, etc. | Output Mode: Passive Speaker |
| Power Supply: AC 100-240 V | Size: 101*93*184 mm |
| Product Net Weight: 860 g | |
Have Something To Say To You
Hello, Dear Customers!
The Internal Structure Is Complicated, And a Variety Of Vital Parts Are Matched With Each Other. So It Takes a Certain Running-In Period To Reach The Ideal State Designed By The Engineer. During This Period, You Can Let The Equipment Work Continuously For a Period Of Time, Or You Can Accumulate The Equipment To Reach a Burn-In Time.In This Way, Can Effectively Improve The Delicacy Of The Sound, Become Mellow, Smooth And Elastic, And The Dynamics Are More Powerful. The Overall Sense Of Longitudinal Depth Is Also Improved. At The Same Time, The Speaker’s Performance Can Be Adjusted During Process.
The Appearance Of The Body Is Made Of Aluminium Alloy Metal Shell, Which Has Good Thermal Conductivity And Durability; The Surface Is Treated With Anodized Frosting Process, And The Texture Is Delicate And Round. High-Density Integrated PCB Circuit Design, 100% Circuit Detection Without Breakpoints; 2 Times Better Than The Industry Standard For High Conductivity Copper Paving Materials; Minimize External Interference With The Shortest And Efficient Wiring Method,Reasonable Design Layout, And Achieve High Fidelity Purpose.
Troubleshooting And Handling
- Can’t Turn On
Please Fully Contact The Power Supply Or The Ac Input Port And Plug It Tightly. Check Or Select Other Power Sockets Or Power Strips Of The Wall Mains. - There Is No Sound From Rca
Straightly Look At The Machine Signal To Select The Gear, Whether The Selection Is Correct. - Only One Channel Has Sound
Whether There Are The Same Problems When Switching Between The Two Input Methods, If So; Po Uses 1 Speaker, And Tests The Left And Right Channels In Turn. No; Please Check The Input Signal And Signal Line. - The Power Amplifier Bluetooth Cannot Be Searched
1. Turn Off The Power Amplifier For About One Minute,And Then Turn It On Again To Connect It Again.
2. Bluetooth Is Paired, When Mobile Phone A Is Connected To The Power Amplifier, Mobile Phone B Can No Longer Find Amplifier. At This Situation, Turn Off The Bluetooth Of Mobile Phone, And Mobile Phone B Can Search And Connect To The Power Amplifier. - There Is Abnormal Noise Inside The Power Amplifier
The Power Amplifier Uses a Relay To Switch Between Wired And Wireless Signals. When The Bluetooth Connection Is Paused, It Will Drive The Relay To Make a Click. This Is a Normal Phenomenon
Shenzhen Yima Technology Co.,Ltd
Website: www.aiyima.com
Telephone: 86-0755-28268551
Email: [email protected]
VK: https://vk.com/aiyima
Location: 4F, Building 7 Hekan industrial park.
Wuhe south road 41. Long-Gang district.
ShenZhen. CHINA. 518000



















