869 STYLE D INITIATION MODULE
Installation Guide
Figure 1: 869 Module
DESCRIPTION
The 869 Style D Initiating Module provides two supervised, power-limited Style D, 4-wire initiating zones for connecting water flow switches and non-powered fire and burglary devices to XR150/XR550 Series panels. The module supervises both zones for opens, shorts, or ground fault conditions and requires 8.0 VDC to 25.0 VDC auxiliary power, a common ground, and one or two alarm zone inputs from the panel. Program the two-alarm zone inputs according to the types of devices being used on the 869 modules.
Compatibility
- XR150/XR550 Series panels
What is Included?
- One 869 Initiating Module
- Hardware Pack
MOUNT THE MODULE
The module can be mounted in a DMP enclosure using the standard 3-hole mounting pattern. Refer to Figure 2 as needed during installation.
- Hold the plastic standoffs against the inside of the enclosure sidewall.
- Insert the included Phillips head screws from the outside of the enclosure into the standoffs. Tighten the screws.
- Carefully snap the module onto the standoffs.

Figure 2: Standoff and Module Installation
WIRE THE MODULE
Caution: Disconnect all power from the panel before wiring the module. Failure to do so may result in equipment damage or personal injury.
For power connections, use 22 AWG or larger wire. Refer to Figure 3 when wiring the module.
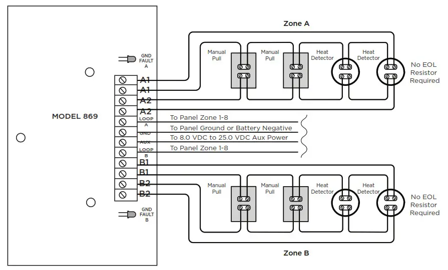
- Connect module Terminals A1 and A2 to zone A devices.
- Connect module Terminal LOOP A to a panel zone 1-8.
- Connect module Terminal GND to panel ground or battery negative.
- Connect module Terminal AUX to auxiliary power (8.0 VDC-25.0 VDC).
- Connect module Terminal LOOP B to a panel zone 1-8.
- Connect module Terminals A1 and A2 to zone B devices.

Figure 3: Wiring Diagram
ADDITIONAL INFORMATION
Wiring Specifications
DMP recommends using 18 or 22 AWG for all LX-Bus and Keypad Bus connections. The maximum wire distance between any module and the DMP Keypad Bus or LX-Bus circuit is 1,000 feet. To increase the wiring distance, install an auxiliary power supply, such as a DMP Model 505-12. The maximum voltage drop between a panel or auxiliary power supply and any device is 2.0 VDC. If the voltage at any device is less than the required level, add an auxiliary power supply at the end of the circuit.
To maintain auxiliary power integrity when using 22-gauge wire on Keypad Bus circuits, do not exceed 500 feet. When using 18-gauge wire, do not exceed 1,000 feet. The maximum distance for any bus circuit is 2,500 feet regardless of the wire gauge. Each 2,500-foot bus circuit supports a maximum of 40 LX-Bus devices. For additional information refer to the LX-Bus/Keypad Bus Wiring Application Note (LT-2031) and the 710 Bus Splitter/ Repeater Module Installation Guide (LT-0310).
Operation
The Class A, Style D circuit consists of a 2-wire zone out to the protective devices and a 2-wire return from the last device to the module. In the event of an open condition on the circuit, devices on either side of the fault could still initiate an alarm. During an alarm (shorted) condition on either Style D zone, the module shorts the panel alarm zone to the ground. During trouble (open) or ground fault condition on either zone, the module opens the panel alarm zone. In addition, ground fault conditions on either Zone A or Zone Blight the corresponding red LED.
869 STYLE D INITIATION MODULE
Specifications
Operating Voltage: 8.0 VDC to 25.0 VDC
Operating Current: 25 mA Standby, 75 mA Maximum (both zones shorted to ground)
Zone Types: Two Style D, 4-wire initiating circuits
Zone Voltage: 5 VDC, 1.5 mA max
Ordering Information
869: Style D Initiation Module
Designed, engineered, and manufactured in Springfield, MO using the U.S. and global components.
LT-0186 1.02 20271
Compatibility
XR150/XR550 Series Panels
Certifications
California State Fire Marshal (CSFM)
New York City (FDNY COA #6167)
Underwriters Laboratory (UL) Listed
ANSI/UL 864: Fire Protective Signaling Systems
INTRUSION • FIRE • ACCESS • NETWORKS
2500 North Partnership Boulevard
Springfield, Missouri 65803-8877
800.641.4282 | DMP.com



















