Instruction Manual
Handheld garment steamer
YBD15D1
This manual is for reference only, the information has been carefully checked, and if there are any discrepancies, the factory specifications shall prevail.
Please read the manual carefully before using this appliance and keep it for future reference
Safety Cautions
Before using, please read the Safety Cautions completely, and use the appliance in accordance with the requirements to avoid any injury or damage to properties.
WARNING
| Never use this appliance for any purpose other than ironing clothes. | |
![]() | Never use other high-power electric appliances on the same socket to avoid overload of circuits. |
| Never dismantle this appliance on your own. Any person other than qualified personnel shall not dismantle and repair the appliance, and otherwise, it may cause fire, electric shock, or personal injury. Before switching on the iron please check the plug and power cord carefully, and in case of damage, never use them. Replacement must be conducted by the manufacturer or its repair department or similar professionals to avoid danger. Please send the product to the after-sale repair agency authorized by this company for repair. | |
| Before inserting or pulling off the plug, be sure to switch off the appliance. When inserting or pulling off the plug, be sure to hold the plug with a hand, and never pull the power cord or operate with a wet hand. | |
| Before operating of the iron, make sure that the supporting surface is even and secure to prevent the iron from overturning or water from overflowing. Never heat the water tank when it has not been placed properly or the water level is not enough. Before adding water, be sure to switch it off first. | |
![]() | Never put perfume, vinegar, detergents, or other chemicals into the water tank. Otherwise, they will stain the clothes and damage the iron. |
| All appliances in the product must be placed beyond the reach of babies or the disabled to prevent any danger such as electric shock and scratch. During the operation of the iron, the user shall not iron. When the iron is operating, prevent the danger arising from steam splashing, and do not have its iron head towards people to avoid scalding. | |
| When the iron is operating, it may produce steam of high temperature, which may cause deformation and discoloration of cloths with poor heat resistance (such as fur clothing). In this case, never use it. | |
![]() | This appliance is not intended for use by persons (including children) with reduced physical, sensory or mental capabilities, or lack of experience and knowledge unless they have been given supervision or instruction concerning the use of the appliance by a person responsible for their safety. Children should be supervised to ensure that they do not play with the appliance. Care should be taken when using the appliance due to the emission of steam; Unplug the appliance during filling and cleaning. If the supply cord is damaged, it must be replaced by the manufacturer or its service agent, or a similarly qualified person in order to avoid a hazard. |
| The appliance must not be disposed of with regular household waste. At the end of its service life, the appliance must be properly delivered to a collection point for the recycling of electrical and electronic equipment. By Collection and recycling old appliances, you are making an important contribution to the conservation of our natural resources and providing for environmentally sound and healthy disposal. |
CAUTIONS
| 1. The iron must not be left unattended while it is connected to the supply mains. 2. The plug must be removed from the socket-outlet before the water reservoir is filled with water. 3. The iron must be used and rested on a flat, stable surface. 4. The iron is not to be used if it has been dropped, if there are visible signs of damage or if it is leaking. 5. Keep the iron and its cord out of reach of children less than 8 years of age when it is energized or cooling down. 6. This appliance can be used by children aged from 8 years and above and persons with reduced physical, sensory or mental capabilities or lack of experience and knowledge if they have been given supervision or instruction concerning the use of the appliance in a safe way and understand the hazards involved. Children shall not play with the appliance. Cleaning and user maintenance shall not be made by children without supervision. | |
![]() | When moving the iron, please hold the body but not the power cord. |
| Do not place the iron in the water or other liquid, including putting it under the tap. To keep the iron better, please ensure the iron cools down and discharges the water in the body after every time’s use. |
Product overview
Reminder
All figures in the instruction book are used for explanation only. When appearance and functions are inconsistent with real objects, the real object shall prevail.
Part name

Accessories list

Installation instructions
Water tank

Press the water tank button to take out water tank.
Fur brush
Reminder
- Fur brush buckled in ironing head: The buckle at the upper end of the fur brush tightly fastens the bulge at the top of the ironing head, and the fur brush can be removed in the reverse direction.
- Mount or remove the fur brush when the ironing head is cooled to avoid scald burn risk.

Instructions for use
Preparation Work
- Hang the garment to be ironed.

- Add water into the water tank.
To prolong the service life of the product, it is recommended to use purified water or distilled water, and tighten the water cap to prevent it from leaking.
- Put back to the water tank, and power on.
Turn on to start ironing
- When power is on, the indicator(green) will flash during warm-up status, and this process lasts about 40s. When the green indicator lights on without flashing, press the steam button to start working.
- Blue light means low power, red light means high power.
- When need to stop the steam, pls press the steam button.
Care and cleaning
Cautions
Do not clean with strong volatile solvent.
Do no put chemicals in the water tank.
- Place the water tank back, and store the product in a place.
- Do not soak the product in water or other solutions to wash.
- Do not put vinegar, liquid detergent, saline solution, or other chemicals in the water tank.
Maintenance steps
- Please unplug power cord if not to use it for a long time.
- After using each time, drain the water in the water tank clean, and put the water tank back into the main body of the device.

- Wipe the device surface with a wet towel to remove dust.
Safety protection
Temperature detection protection
There is a temperature sensor in the appliance. When the temperature rises abnormally, the temperature sensor will output a signal to cut off the connection of the heating element, so the temperature of the device can be controlled within the appropriate temperature range.
Thermal fuse protection
There is a thermal fuse in the appliance. When the temperature is abnormal and the temperature sensor is ineffective, the thermal fuse will disconnect to directly cut off the power, preventing from any accident.
Warning
Before ironing, please check the fabric label, and ensure it is suitable for ironing to avoid damaging the garment by high temperature. (like silk and other special fabrics, the ironing head is inadvisable to directly touch the fabric)
Service guide
| Model | Rated voltage/frequency | Rated power | Capacity of the water tank | Product Dimensions W x H x D | Net weight | Function options |
| YBD15D1 | 220-240V~ 50/60Hz | 1460-1750 (W) | 260 (ml) | 132x326x168 (mm) | 1kg | 2 level |
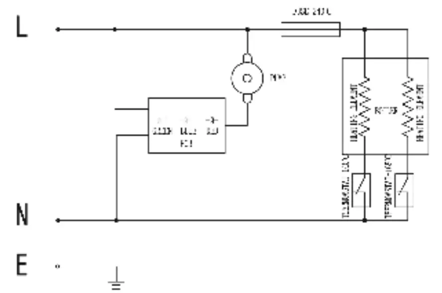
Electrical schematic diagram

Statement
All contents of this manual have been carefully checked. In case of any printing errors and omissions or any resulting misunderstanding, please consult us.
Note: The product may have technical improvements from time to time, it will be compiled into the new manual without prior notice. The appearance and color of the product may change from time to time, please refer to the actual product.
Fault handling
Reminder
- Determination and examination of common abnormalities: If the abnormality cannot be solved in a simple way, please contact the customer service center.
- Do not disassemble and repair the device by yourself, or you may be in danger or the steamer may be damaged.
Please confirm the following contents before the entrusted maintenance
| Phenomenon | Possible reasons | Troubleshooting Method |
| The device does not work after starting up. | Power plug is not plugged in the socket. | Insert the power plug. |
| Residential circuit failure or fuse blows. | Please contact the customer service center. | |
| Circuit failure of product. | Please contact the customer service center. | |
|
No steam sprays after the device is turned on. | No or little water in the water tank. | Add water into the water tank. |
| Inner water inlet pipe bends or disconnects. | Please contact the customer service center. | |
| Heating plate is damaged. | Please contact the customer service center. | |
| Indicator light is on, but no steam. | Please contact a customer service center. | |
| Water drops from ironing head | Heating plate is damaged. | Please contact the customer service center. |
| Too much scale deposit in the heating plate. | Please contact the customer service center. | |
| Steam goes out from other parts besides ironing the head. | Sealing element is damaged. | Please contact the customer service center. |























