EMI DHMZ218DA Deluxe Heat Multi-Zone Ductless System Outdoor Unit Installation Guide
SAFETY PRECAUTIONS
WARNING
ELECTRICAL SHOCK HAZARD!
Before installing, modifying, or servicing system, the main electrical disconnect switch must be in the OFF position. There may be more than 1 disconnect switch. Lock out and tag switch with a suitable warning label. Failure to follow these instructions could result in personal injury or death.
CAUTION
LACERATION, BURN HAZARD
Laceration, burn hazard. Metal edges and parts may have sharp edges and/or may be hot. Use appropriate personal protection equipment to include safety glasses and gloves when installing or servicing this boiler. Failure to follow these instructions could result in minor or moderate injury
CAUTION
EQUIPMENT DAMAGE
Do not bury more than 36 in. (914 mm) of refrigerant pipe in the ground. If any section of pipe is buried, there must be a 6 in. (152 mm) vertical rise to the valve connections on the outdoor units. If more than the recommended length is buried, refrigerant may migrate to the cooler buried section during extended periods of system shutdown. This causes refrigerant slugging and could possibly damage the compressor at start−up
CAUTION
Flood Damaged Equipment
Warning issued by AHRI recommends the replacement of all flood damaged HVAC equipment regardless of its age.
GENERAL
These instructions cover the installation, start−up and servicing of the multi−zone outdoor unit connected to up to four indoor fan coil units. For approved combinations, refer to the product data document.
SAFETY CONSIDERATIONS
Installing, starting up, and servicing air−conditioning equipment can be hazardous due to system pressures, electrical components, and equipment location (roofs, elevated structures, etc.). Only trained, qualified installers and service mechanics should install, start−up, and service this equipment.
When installing or servicing the equipment, observe ALL precautions.
Follow all safety codes. Wear safety glasses and work gloves. Keep a quenching cloth and fire extinguisher nearby when brazing. Use care in handling, rigging, and setting bulky equipment.
Read these instructions thoroughly and follow all warnings or cautions included in literature and attached to the unit.
Consult local building codes and current editions of the National Electrical Code ( NEC ) NFPA 70. In Canada, refer to current editions of the Canadian electrical code CSA 22.1.
Recognize safety information. This is the safety−alert symbol. When you see this symbol on the unit and in instructions or manuals, be alert to the potential for personal injury. Understand these signal words: DANGER, WARNING, and CAUTION. These words are used with the safety−alert symbol.
DANGER identifies the most serious hazards which will result in severe personal injury or death.
WARNING signifies hazards which could result in personal injury or death.
CAUTION is used to identify unsafe practices which may result in minor personal injury or product and property damage.
NOTE is used to highlight suggestions which will result in enhanced installation, reliability, or operation.
PARTS LIST
Table 1—INCLUDED ITEMS
| PART NO. | PART NAME | QTY. |
| 1 | Outdoor unit | 1 |
| – | Literature package including installation instructions and warranty | 1 |
| – | Grommet to secure the outdoor unit (helps with vibration prevention during unit operation) | 4 |
| – | Drain Joint | 1 |
| – | Drain Hose | 1 |
| – | Conversion Joints (see Table 4) | – |
FIGURE 1

NOTE
- If the outdoor unit is higher than the indoor unit, prevent rain from flowing into the indoor unit along the connection pipe by making a downward arc in the connection pipe before it enters the wall to the indoor unit. This ensures that rain drips from the connection pipe before it enters the wall.
- Piping and the interconnecting wiring are field supplied.
- The illustration above is only a sketch. Different models may differ slightly.
The following units are covered in these installation instructions.
Table 2—Unit Sizes
| kBTUh | VOLTAGE – PHASE | OUTDOOR MODEL |
| 18 | 208/230-1 | DHMZ218DA |
| 27 | 208/230-1 | DHMZ327DA |
| 36 | 208/230-1 | DHMZ436DA |
SYSTEM REQUIREMENTS
Allow sufficient space for airflow and service of the unit. See Table 5 and Figure 5 for the required minimum distances between the unit, walls or ceilings.
Table 3—Performance and Specifications
| Outdoor Condensing Unit Model | DHMZ218DA | DHMZ327DA | DHMZ436DA | ||
| Power supply | V/ph/Hz | 208-230/1/60 | 208-230/1/60 | 208-230/1/60 | |
| Cooling | Capacity | Btu/h | 19000 | 28000 | 36000 |
| EER | 12.5 | 13 | 13.5 | ||
| SEER | 21.5 | 22 | 21.5 | ||
| Heating at 47°F | Capacity | Btu/h | 20000 | 28000 | 36000 |
| COP | 3.4 | 3.5 | 3.8 | ||
| HSPF4 | 9.8 | 10.4 | 10.5 | ||
| HSPF5 | 8.5 | 9 | 8.5 | ||
| Heating at 17°F | Rated capacity | Btu/h | 15200 | 22400 | 30100 |
| Heating at -5°F | Maximum capacity | Btu/h | 14200 | 20600 | 27500 |
| MINIMUM CIRCUIT AMPACITY | A | 25.0 | 30.0 | 35.0 | |
| MAX TIME DELAY FUUSE OR HARC BREAKER | A | 35.0 | 45.0 | 50.0 | |
| Outdoor air flow | m3/h | 3619 | 3619 | 7646 | |
| Outdoor air flow | cfm | 2130 | 2130 | 4500 | |
| Outdoor noise level | dB(A) | 63.4 | 62.3 | 64 | |
| Outdoor unit | Dimension (WxDxH) | inch | 3613/16 x 143/16 x 279/16 | 4011/16 x 161/8 x 317/8 | 411/8 x 155/16 x 521/2 |
| Dimension (WxDxH) | mm | 935 x 360 x 701 | 1034 x 410 x 810 | 1045 x 389 x 1333 | |
| Packing (WxDxH) | inch | 427/8 x 1911/16 x 347/16 | 427/8 x 1911/16 x 347/16 | 433/16 x 191/2 x 581/4 | |
| Packing (WxDxH) | mm | 1090 x 500 x 875 | 1090 x 500 x 875 | 1095 x 495 x 1480 | |
| Net/Gross weight | lbs. | 149.91/160.94 | 156.53/167.55 | 223.77/255.07 | |
| Net/Gross weight | kg | 68/73 | 71/76 | 101.5/115.7 | |
| Refigerant type – 410A / oz | oz | 98.8 | 105.8 | 162.3 | |
| Refrigerant precharge (Total pipe length) | ft | 49 | 74 | 98 | |
| Additional charge for each ft | oz | 0.161 for 1/4 in. liquid pipe 0.322 for 3/8 in. liquid pipe | 0.161 for 1/4 in. liquid pipe 0.322 for 3/8 in. liquid pipe | 0.161 for 1/4 in. liquid pipe 0.322 for 3/8 in. liquid pipe | |
| Design pressure | psig | 550/340 | 550/340 | 550/340 | |
| Refrigerant piping | Condensing Unit Connection Sizes Liquid/Gas side. Refrigerant line sizes based on selscted indoor air handler. Refer to indoor air handler IOM for proper lone set sizing. Condensing unit is equiped with the necessary adapters to match required tubing sizes. | inch | (2) 1/4 liquid lines (2) 3/8 gas lines | (3) 1/4 liquid lines (3) 3/8 gas lines | (4) 1/4 liquid lines (3) 3/8 gas lines (1) 1/2 gas line |
| mm | (2) Ø6.35 liquid lines (2) Ø9.52 gas lines | (3) Ø6.35 liquid lines (3) Ø9.52 gas lines | (4) Ø6.35 liquid lines (3) Ø9.52 gas lines (1) Ø12.7 gas line | ||
| Max. length for all rooms | ft | 131 | 197 | 262 | |
| m | 40 | 60 | 80 | ||
| Max. length for one indoor unit | ft | 82 | 98 | 115 | |
| m | 25 | 30 | 35 | ||
| Max. height difference between indoor and outdoor unit | ft | 49 | 49 | 49 | |
| m | 15 | 15 | 15 | ||
| Max. height difference between indoor units | ft | 33 | 33 | 33 | |
| m | 10 | 10 | 10 | ||
| Operating Range Ambient Temperature | Cooling | °F | -22~122 | -22~122 | -22~122 |
| °C | -30~50 | -30~50 | -30~50 | ||
| Heating | °F | -22~86 | -22~86 | -22~86 | |
| °C | -30~30 | -30~30 | -30~30 | ||
PIPING REQUIREMENTS
IMPORTANT: Both refrigerant lines must be insulated separately.
The minimum refrigerant line length between the indoor and outdoor units is 10 ft. (3 m). The following lengths are allowed.
Table 3 lists the pipe sizes for the outdoor unit. For the indoor unit pipe sizes refer to the indoor unit installation instructions
Additional Refrigerant Calculation : Sum Total Liquid Pipe ft. (m) – Additional Charge Required After ft. (m.) x Additional Charge oz./ft. (g/m) 0.16 (15)
NOTES: If the calculation results in a negative number no refrigerant is required to be added or removed. Electronic expansion valves in the outdoor unit
are used as metering devices
NOTE: The refrigerant charge included is adequate for the outdoor unit’s maximum number of zones multiplied by the standard piping length per zone. For piping runs greater than the “Maximum Piping Length with no additional refrigerant charge per System”, see Additional Refrigerant Charge (see Table 3).
Refrigerant Piping: Line sets to be sized based on the connection size of the indoor unit. Each pipe should be insulated individually.
Conversion Joints
The outdoor unit includes a package of conversion joints to facilitate installation of the various fan coil sizes. These joints are to be connected to the outdoor unit as needed to match the line set size.
Table 4—Conversion Joints
| No. of Zones | Size | Adaptor | Qty. |
| 2 zone | 18 | 3/8”–1/2” | 2 |
| 3 zone | 27 | 3/8”–1/2” | 3 |
| 4 zone | 36 | 1/2”–3/8” | 2 |
| 1/4”–3/8” | 2 | ||
| 1/2”–5/8” | 2 | ||
| 3/8”–1/2” | 3 |
WARNING
FIRE HAZARD !
Failure to follow this caution may result in a fire and or equipment damage or improper operation.
- Comply with all local codes while running wire from indoor unit to outdoor unit.
- Connect every wire firmly. Loose wiring may cause the terminal to overheat or result in unit malfunction. A Fire hazard may exist. Ensure all wiring is tight and connected.
- Do not allow any wire to touch the refrigerant tubing, compressor or any moving parts.
- Disconnecting means must be provided and shall be located within sight and readily accessible from the air conditioner. Connecting cable with conduit shall be routed through hole in the conduit panel.
EQUIPMENT DAMAGE
Failure to follow these instructions may result in equipment damage or improper operation.
Be sure to comply with local codes while running wire from the indoor unit to the outdoor unit.
Every wire must be connected firmly. Loose wiring may cause the terminal to overheat or result in unit malfunction. A fire hazard may also exist. Ensure all wiring is tightly connected.
No wire should touch the refrigerant tubing, compressor or any moving parts.
Disconnecting means must be provided and shall be located within sight and readily accessible from the air conditioner.
Connecting cable with conduit shall be routed through the hole in the conduit panel.
WIRING
All wires shall be sized per NEC (National Electrical Code) or CEC (Canadian Electrical Code) and local codes. Use Electrical Data table MCA (minimum circuit amps) and MOCP (maximum over current protection) to correctly size the wires and the disconnect time delay fuse or HARC breaker.
Recommended Connection Method for Power and Communication Wiring:
The main power is supplied to the outdoor unit. The minimum field supplied 14/3 stranded wire with ground with a 600 volt insulation rating. Power/communication wiring from the outdoor unit to indoor unit consists of four (4) wires and provides the power for the indoor unit. Two wires are line voltage AC power, one is communication wiring (S) and the other is a ground wire. Wiring between indoor and outdoor unit is polarity sensitive. The use of BX wire is NOT recommended.
If installed in a high Electromagnetic field (EMF) area and communication issues exists, a 14/2 stranded shielded wire can be used to replace L2 and (S) between outdoor unit and indoor unit landing the shield onto ground in the outdoor unit only.
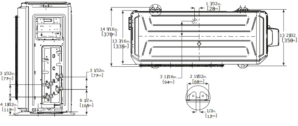
DIMENSION
Model: DHMZ218DA
FIGURE 2 – Outdoor Dimensions Size 18 k


NOTE: Master valves are not available on the size 18 unit.
FIGURE 3 – Outdoor Dimensions Size 27 k
Model: DHMZ327DA


FIGURE 4 – Outdoor Dimensions Size 36 k
Model: DHMZ436DA


CLEARANCES
FIGURE 5 – Clearances

Table 5 Clearances
| Reference | MINIMUM VALUE in. (mm) |
| A | 24 (609) |
| B | 24 (609) |
| C | 24 (609) |
| D | 4 (101) |
| E | 6 (152) |
NOTE: Outdoor Unit must be mounted at least 2in (50mm) above the maximum anticipated snow depth.
FIGURE 6 -Clearances for multiple units

INSTALLATION GUIDE
Up to four fan coil units can be connected to one outdoor unit. Refer to the product data for approved combinations.
INSTALLATION TIPS
Ideal installation locations include:
Outdoor Unit
- A location which is convenient to installation and not exposed to strong winds.
- A location which can bear the weight of the outdoor unit and where the outdoor unit can be mounted in a level position.
- A location with appropriate clearances as outlined in Fig. 5.
- Do not install the indoor or outdoor units in a location with special environmental conditions. For those applications, contact your EMI representative.
OUTDOOR UNIT INSTALLATION
- Use a rigid base to support unit in a level position.
- Locate the outdoor unit and connect piping and wiring
CAUTION
EQUIPMENT DAMAGE
Failure to follow this caution may result in equipment damage or improper operation.
Excessive torque can break flare nut depending on installation conditions.
NOTE: Install the outdoor unit on a rigid base to reduce noise levels and vibration. Determine the optimal air outlet direction to prevent discharged air from being blocked. If the installation site is exposed to strong winds such as a coastal areas, ensure the fan’s proper operation by installing the unit lengthwise along the wall or use dust or shield plates. If the unit needs to be suspended, the installation bracket should comply with the suspension requirements in the installation bracket diagram. The installation wall should be solid brick, concrete or the same intensity construction, or take steps to reinforce and dampen the support. The connection between the bracket and the wall as well as the bracket and the air conditioner should be firm, stable and reliable. Ensure there is no obstacle which may block the radiating air.
FIGURE 7 – High Wind Installation

MAKE REFRIGERANT PIPING CONNECTIONS (OUTDOOR UNIT
IMPORTANT: Use refrigeration grade tubing ONLY. No other type of tubing may be used. Use of other tubing types will void the manufacturer’s warranty
Piping Guide:
- Do not open service valves or remove protective caps from tubing ends until all the connections are made.
- Bend the tubing with bending tools to avoid kinks and flat spots.
- Keep the tubing free of dirt, sand, moisture, and other contaminants to avoid damaging the refrigerant system.
- Avoid sags in the piping to prevent the formation of oil traps. Insulate each tube with minimum 3/8in. (10 mm) wall thermal pipe insulation. Inserting the tubing into the insulation before making the connections saves time and improves installation quality.
- The unit is equipped with multiple pairs of service valves. Each pair is clearly marked (color and letter) to identify the indoor unit circuits. In the outdoor unit wiring area, each indoor unit interconnecting terminal block is marked (letter) the same as the corresponding pair of service valves. The indoor units must be piped and wired in matched sets (A to A; B to B, etc.).
NOTE: Any size indoor unit can be connected to any port number on the outdoor unit. - It is not required to use all of the available fan coil connections if the application does not require them at the current time. The system can be expanded at any time.
- Conversion joints are supplied with the outdoor unit. They are required for certain fan coil combinations. Connect joints to the outdoor unit as needed to match the line set size.
- Remove the service connection, if provided with the unit.

FIGURE 8 – Cut the Pipe - Remove all the burrs from the cut cross section of the pipe avoiding any burrs inside the tubes.
- Remove the flare nuts attached to the indoor and outdoor units.
- Install the correct size flare nut onto the tubing and make a (45°) flare connection. Refer to Table 7 for the flare nut spaces.
Table 6—Flare Nut SpacingOUTER DIAM. in /mm in /mm Max. Min. Ø1/4 (6.35) 0.05 (1.3) 0.03(0.7) Ø3/8 (9.52) 0.06 (1.6) 0.04(1.0) Ø1/2 (12.7) 0.07 (1.8) 0.04(1.0) Ø5/8 (15.88) 0.09 (2.2) 0.08(2.0) 
FIGURE 9- Flare Nut Spacing - Apply a small amount of refrigerant oil to the flare connection on the tubing.
- Align the center of the pipes and/or the service valve.

FIGURE 10 – Align Pipe Center - Connect both the liquid and gas piping to the indoor unit.
- Tighten the flare nut using a torque wrench as specified in Table 8.
- Complete the installation.
Table 7—Tightening TorquePIPE DIAMETER INCH (mm) TIGHTENING TORQUE ft-lb N-m Ø1/4 (6.35) 10 to 13 13.6 to 17.6 Ø3/8 (9.52) 24 to 31 32.5 to 42.0 Ø1/2 (12.7) 37 to 46 50.1 to 62.3 Ø5/8 (15.88) 50 to 60 67.7 to 81.3
- The unit is equipped with multiple pairs of service valves. Each pair is clearly marked (color and letter) to identify the indoor unit circuits. In the outdoor unit wiring area, each indoor unit interconnecting terminal block is marked (letter) the same as the corresponding pair of service valves. The indoor units must be piped and wired in matched sets (A to A; B to B, etc.).
INSTALL ALL POWER AND INTERCONNECTING WIRING TO OUTDOOR UNIT
- Mount the outdoor power disconnect.
- Run power wiring from the main box to the disconnect per NEC and local codes.
- Remove the field wiring cover (if available) from the unit by loosening the screws.
- Remove the caps on the conduit panel.
- Connect the conduit to the conduit panel (see Fig. 11).
- Properly connect both the power supply and control lines to the terminal block per the connection diagram.
- Ground the unit in accordance with NEC and local electrical codes.
- Use the lock nuts to secure the conduit.
- Reinstall the field wiring cover.
WARNING
FIRE HAZARD !
Failure to follow this caution may result in a fire and or equipment damage or improper operation.
- Comply with all local codes while running wire from indoor unit to outdoor unit.
- Connect every wire firmly. Loose wiring may cause the terminal to overheat or result in unit malfunction. A fire hazard may also exist. Therefore, ensure all wiring is tightly connected.
- No wire should be allowed to touch the refrigerant tubing, compressor or any moving parts.
- Disconnecting means must be provided and shall be located within sight and readily accessible from the air conditioner.
- Connecting cable with conduit shall be routed through hole in the conduit panel.

FIGURE 11 – Field Wiring
DRAIN CONNECTIONS
Install drains must meet local sanitation codes.
Install the outdoor unit drain joint
Fit the seal into the drain joint, then insert the drain joint into the base pan hole of the outdoor unit. Rotate 90 to securely assemble them. Connect the drain joint with an extension drain hose to avoid condensate from draining off the outdoor unit during the heating mode.

FIGURE 12 – Drain Joint
Images are for illustration purposes only.
CAUTION
In cold climates, ensure the drain hose is as vertical as possible to ensure swift water drainage.
If water drains too slowly, it can freeze in the hose and flood the unit.
NOTE: Base pan built−in with multiple holes for proper draining during defrost. For applications where it is required to seal these holes, and re−direct the condensate drain, rubber plugs are available through RCD.
Table 8—Rubber Plugs
| Outdoor Unit Model Number | Basepan Base Rubber Plugs RCD Part Number | Quantity per unit |
| DHMZ218DA | 12600801A00077 | 5 |
| DHMZ327DA | 12600801A00117 | 5 |
| DHMZ436DA | 12600801A00118 | 5 |
ELECTRICAL DATA
Table 9—Multi−zone Outdoor Unit
| UNIT SIZE | SYSTEM VOLTAGE | OPERATING VOLTAGE | COMPRESSOR | OUTDOOR FAN | MCA | MAX Time Delay Fuse or HARC Breaker | ||
| V/ph/Hz | MAX / MIN* | RLA | FLA | hp | W | |||
| 18 | 208-230/1/60 | 253/187 | 10 | 0.74 | 0.07 | 50 | 18 | 25 |
| 27 | 15 | 0.9 | 0.16 | 120 | 25 | 35 | ||
| 36 | 21 | 1.0×2 | 0.11 | 85 | 35 | 50 | ||
*Permissible limits of the voltage range at which the unit will operate satisfactorily.
LEGEND
FLA – Full Load Amps
MCA – Minimum Circuit Amps
RLA – Rated Load Amps
CONNECTION DIAGRAMS

FIGURE 13 – Connection Diagram Size 18 k 2 Zone

FIGURE 14 – Connection Diagram Size 27 k 3 Zone

FIGURE 15 – Connection Diagram Size 36 k 4 Zone
SYSTEM VACUUM AND CHARGE
CAUTION
UNIT DAMAGE
Failure to follow this caution may result in equipment damage or improper operation.
Never use the system compressor as a vacuum pump.
Refrigerant pipes and indoor unit coils should be evacuated using the recommended 500 microns deep vacuum method. The alternate triple evacuation method may be used if the following procedure is followed. Always break a vacuum with dry nitrogen.
NOTE: All units (except the 18,000 BTU model) have a Master Suction and Liquid Line Service Valve.
Using Vacuum Pump
- Completely tighten the flare nuts of the liquid and gas pipes on the indoor and outdoor side (for all fan coils) (see Fig 16).

FIGURE 16 – Service Valves - For size 18, DO NOT open the Gas or Liquid service valves until the evacuation is complete.
For sizes 27-36 fully open all the connected Individual Service Valves (with the line set attached). DO NOT open the Master Service Valves until the evacuation is complete (see Fig. 18).
For size 18, connect the manifold gauge (low side hose) to the Individual Service Valve (5/16 in. port, use the adapter to fit a 1/4 in. hose) to evacuate each of the circuits.
For sizes 27−36, connect the manifold gauge (low side hose) to the Master service valve (5/16 in port, use the adapter to fit a 1/4 in. hose) to evacuate all circuits at the same time (see Fig. 20). - Connect the charge hose to the vacuum pump (see Fig. 16).
- Open (fully) the low pressure valve of the manifold gauge (see Fig. 19 for size 18. Fig. 20 for sizes 27−36).
- Start the vacuum pump.
- Evacuate using either the deep vacuum or the triple evacuation method (see Fig. 21 and 22).
- After the evacuation is complete, fully close the low pressure valve of the manifold gauge and stop the vacuum pump operation.
- Insert a hexagonal wrench into each Gas Side Service Valve for size 18 or into the Master Gas Side Service Valve for sizes 27−36 and open the valve by turning the wrench 1/4 in. counterclockwise. Listen for gas to exit the system (see Fig. 17).
FIGURE 17- Service Valve Diagram
- Reference Table 5 when additional charge is needed.
- Disconnect the charge hoses and manifold gauge.
- Using a hexagonal wrench, fully open all the gas and liquid service valves for the size 18 and all the Master Gas and Liquid service valves for sizes 27−36 (see Fig. 17).

FIGURE 18 – Service Valves Sizes 27-36 NOTE:
The Master valve utilizes a 5/16 in. port.

FIGURE 19 – Manifold Gauge

FIGURE 20 – Manifold Sizes 27-36
Deep Vacuum Method
The deep vacuum method requires a vacuum pump capable of pulling a vacuum of 500 microns and a vacuum gauge capable of accurately measuring this vacuum depth. The deep vacuum method is the most positive way of assuring a system is free of air and liquid water (see Fig. 21).

FIGURE 21 – Deep Vacuum
Graph Triple Evacuation Method
The triple evacuation is the recommended method of dehydration. Refer to Fig. 22 and proceed as follows:
- Pump the system down to 1500 microns and allow the pump to continue operating for an additional 15 minutes.
- Close the service valves and shut off the vacuum pump.
- Connect a dry nitrogen cylinder and regulator to the system and break vacuum until the system reaches 2 psig.
- Close the service valve and allow the system to stand for 1 hr. During this time, the dry nitrogen can diffuse throughout the system absorbing moisture.
- Pump the system down to 1000 microns.
- Break the vacuum with dry nitrogen (2 psig).
- Pump the system down to 500 microns.
- Perform the hold test for 30 minutes.
FIGURE 22 – Triple Evacuation Method

Final Tubing Check
IMPORTANT: Ensure the factory tubing on both the indoor and outdoor unit has not shifted during shipment. Ensure tubes are not rubbing against each other or any sheet metal. Pay close attention to feeder tubes, making sure wire ties on the feeder tubes are secure and tight.
START−UP
CAUTION
DO NOT apply power to the outdoor unit if the Master Service Valves are not fully open. Compressor damage will occur.
TEST OPERATION
Perform a test operation after completing a gas leak and electrical safety check. Review the indoor unit installation instructions and owner’s manual for additional start up information.
SYSTEM CHECKS
- Conceal the tubing where possible.
- Ensure the drain tube slopes downward along its entire length.
- Ensure all tubing and connections are properly insulated.
- Fasten the tubes to the outside wall, when possible.
- Seal the hole through which the cables and tubing pass.
OUTDOOR UNIT
- Are there unusual noises or vibrations during operation?
Explain the Following Items to the Customer (with the aid of the Owner’s Manual): - Explain care and maintenance.
- Present the installation instructions to the customer.
OUTDOOR UNIT DIAGNOSTIC GUIDES
The systems are equipped with a diagnostic code display LED on both the indoor and outdoor units. The outdoor diagnostic is displayed on the outdoor unit microprocessor board. There may be error codes displayed on the indoor unit that may relate to outdoor unit issues. Always check the diagnostic codes displayed on the indoor unit first.
In standby, the LED displays “− −”.
In the compressor operation, the LED displays the running frequency.
In the defrosting mode, the LED displays “dF” or alternative displays between the running frequency and “dF” (each appears for 0.5s).
During the compressor pre−heating cycle, the LED displays “PH” or alternative displays between the running frequency and “PH”(each appearsfor 0.5s).
During the oil return process, the LED displays “RO” or alternative displays between the running frequency and “RO”(each appears for 0.5s). In the low ambient cooling mode, the LED displays “LC” or alternative displays between the running frequency and “LC” (each appears for 0.5s). In the forced cooling mode, the LED displays “FC” or alternative displays between the running frequency and “FC” (each appears for 0.5s). When PFC module protection occurs three times within 15 minutes, the LED displays “E6” or alternative displays between the running frequency and “E6” (each appears for 0.5s).
In protection or malfunction, the LED displays an error code or a protection code. The diagnostic codes displayed on the outdoor units are listed on Table 10.
Table 10—Outdoor Unit Error Display
| OUTDOOR UNIT DISPLAY | LED STATUS | INDOOR UNIT DISPLAY |
| E0 | Outdoor EEPROM malfunction | F4 |
| E2 | Communication malfunction between indoor and outdoor units | E1 |
| E3 | Communication malfunction between IPM board and outdoor main board | — — |
| E4 | Open or short circuit of outdoor temperature sensor (T3、T4、T5、T2B) | F2/F1/F3/F6 |
| E5 | Voltage protection | P1 |
| E6 | PFC module protection | — — |
| E8 | Outdoor fan speed has been out of control (Only for DC fan motor models) | F5 |
| E9 | Wrong wiring connection of 27K indoor unit | — — |
| F1 | No A Indoor unit coil outlet temp. sensor or connector of sensor is defective | — — |
| F2 | No B Indoor unit coil outlet temp. sensor or connector of sensor is defective | — — |
| F3 | No C Indoor unit coil outlet temp. sensor or connector of sensor is defective | — — |
| F4 | No D Indoor unit coil outlet temp. sensor or connector of sensor is defective | — — |
| F5 | No E Indoor unit coil outlet temp. sensor or connector of sensor is defective | — — |
| F6 | No F Indoor unit coil outlet temp. sensor or connector of sensor is defective | — — |
| P0 | Temperature protection of compressor top | P2 |
| P1 | High pressure protection | P2 |
| P2 | Low pressure protection | P2 |
| P3 | Current protection of compressor | F0 |
| P4 | Temperature protection of compressor discharge | — — |
| P5 | High temperature protection of condenser | — — |
| P6 | IPM module protection | P0 |

2201 Dwyer Avenue, Utica, NY 13501
Tel. 800 325 5479
www.ecrinternational.com

























